

合资格人士证明书
我,Stephen Jensen,P.Geo.,受聘于B2Gold Corp.(“B2Gold”)担任美洲勘探经理,该公司的总部位于666 Burrard St # 3400,Vancouver,BC V6C 2X8,Canada。
本证书适用于生效日期为2025年7月14日的题为“哥伦比亚格拉玛洛特项目,NI43-101技术报告”的技术报告(“技术报告”)。
我是不列颠哥伦比亚省工程师和地球科学家协会(# 20213)和西北地区和努纳武特专业工程师和地球科学家协会(# L5853)的注册会员。我于1987年毕业于不列颠哥伦比亚大学,获得理学学士学位,地质学学位。
我从事这个行业已经38年了。在这段时间里,我直接参与了包括地质、矿化、勘探和钻探数据的收集、监督和审查;地质模型;采样、样品制备、化验和其他资源估算相关分析;质量保证-质量控制数据和数据库的评估;以及矿产资源估算的监督等勘探活动的生成和管理。
由于我的经验和资格,我是National Instrument 43-101矿产项目披露标准(“NI 43-101”)中定义的合格人员。
我自2008年6月起连续访问格拉玛洛特项目,最近一次访问是在2025年7月4日,访问时长为一天。
我负责第1.1、1.2、1.3、1.4、1.5、1.6、1.7、1.8、1.10、1.11节。1.23.1.24;第2.1、2.2、2.3、2.4.1节;2.5、2.6、2.7;第3节;第4节;第5节;第6节;第7节;第8节;第9节;第10节;第11节;第12.1、12.2、12.3.1节;第14节;第23节;第25.1、25.2、25.3、25.4、25.6、25.16.2节;技术报告第26节、27节。
我并不独立于B2Gold,因为独立性由NI 43-101的第1.5节描述。
我从2008年开始参与Gramalote项目。
我已经阅读了NI 43-101,我负责的技术报告的部分是按照该文书编写的。
截至技术报告生效之日,据本人所知、所知及所信,本人负责的技术报告各章节载有为使技术报告不具误导性而需披露的所有科学技术信息。
日期:2025年8月27日
(签名)“斯蒂芬·詹森”
Stephen Jensen,P.Geo。
| B2gold Corp. 666 Burrard St # 3400,Vancouver,BC V6C 2X8,Canada 电话:+ 1 604-681-8371 |
www.b2gold.com |

合资格人士证明书
我,Peter Montano,PE,受聘于B2Gold Corp.(“B2Gold”)担任项目副总裁,该公司的总部位于666 Burrard St # 3400,Vancouver,BC V6C 2X8,Canada。
本证书适用于生效日期为2025年7月14日的题为“哥伦比亚格拉玛洛特项目,NI43-101技术报告”的技术报告(“技术报告”)。
我是注册专业工程师(# 42745,Colorado,USA)。我于2004年毕业于科罗拉多矿业学院,获得工程学学士学位和经济学学士学位。
我曾直接参与尼加拉瓜、纳米比亚、马里等国金矿的设计、建设、运营,并参与并参与了委内瑞拉、萨尔瓦多、澳大利亚、菲律宾等国黄金和煤炭项目的项目和研究。我参与了长期和战略性的矿山规划、矿产储量估算,以及采矿项目和采矿作业的经济分析,包括从开发到关闭。
由于我的经验和资格,我是国家仪器43-101矿产项目披露标准(NI 43-101)中定义的合格人员。
我最近一次参观了格拉玛洛特项目,时间是2024年10月24日,为期一天。
本人负责第1.1、1.2、1.8、1.12、1.13、1.14、1.16、1.18、1.19节(例外程序)、1.20(例外程序)、1.21、1.22、1.24、1.25;第2.1、2.2、2.3、2.4.2、2.5、2.6;第3节;第5节;第12.3.2节;第15节;第16节;第18节;第19节;第21.1、21.2.1、21.2.2、21.2.3、21.2.4、21.2.6、21.2.7、21.2.8、21.3.1、21.3.2、21.3.4、21.3.5、21.4;第22节;第24节;第25.1、25.7、25.8、25.10、25.12、25.13(例外程序)、25.14(例外程序)、25.15、25.16.1、25.17;第26节;技术报告第27节。
我并不独立于B2Gold,因为独立性由NI 43-101的第1.5节描述。
自2020年以来,我一直参与Gramalote项目。
我已经阅读了NI 43-101,我负责的技术报告的部分是按照该文书编写的。
| B2gold Corp. 666 Burrard St # 3400,Vancouver,BC V6C 2X8,Canada 电话:+ 1 604-681-8371 |
www.b2gold.com |

截至技术报告生效之日,据本人所知、所知及所信,本人负责的技术报告各章节载有为使技术报告不具误导性而需披露的所有科学技术信息。
日期:2025年8月27日
“彼得·蒙塔诺”(签名)
彼得·蒙塔诺,体育。
| B2gold Corp. 666 Burrard St # 3400,Vancouver,BC V6C 2X8,Canada 电话:+ 1 604-681-8371 |
www.b2gold.com |

合资格人士证明书
我,John Rajala,PE,受聘于B2Gold Corp.(“B2Gold”)担任冶金部副总裁,该公司的总部位于666 Burrard St # 3400,Vancouver,BC V6C 2X8,Canada。
本证书适用于生效日期为2025年7月14日的题为“哥伦比亚格拉玛洛特项目,NI43-101技术报告”的技术报告(“技术报告”)。
我是华盛顿州注册专业工程师(第43 299名),分别拥有密歇根理工大学(1976年)和内华达大学-麦凯矿业学院(1981年)冶金工程理学学士和理学硕士学位。我在2022年获得了亚利桑那大学的采矿工程硕士学位。
我从业47年,期间直接参与黄金和贱金属矿物加工厂的运营和管理,以及位于非洲、亚洲、北美洲、中美洲和南美洲的项目的加工厂设计和调试。
由于我的经验和资格,我是National Instrument 43-101矿产项目披露标准(“NI 43-101”)中定义的合格人员。
我最近一次参观格拉玛洛特项目是在2011年10月4日至6日,为期三天。
本人负责第1.1、1.2、1.8、1.9、1.15、1.19节(仅流程费)、1.20节(仅流程费)、1.25节;第2.1、2.2、2.3、2.4.3节;第12.3.3节;第13节;第17节;第21.2.5、21.3.3节;第25.1、25.5、25.9、25.13节(仅流程费)、25.14节(仅流程费);第26节;技术报告第27节。
我并不独立于B2Gold,因为独立性由NI 43-101的第1.5节描述。
我从2011年开始参与Gramalote项目。我与人合写了一份关于格拉玛洛特项目的自愿备案技术报告,内容如下:
我已经阅读了NI 43-101,我负责的技术报告的部分是按照该文书编写的。
截至技术报告生效之日,据本人所知、所知及所信,本人负责的技术报告各章节载有为使技术报告不具误导性而需披露的所有科学技术信息。
日期:2025年8月27日
“约翰·拉贾拉”(签名)
约翰·拉贾拉,体育
| B2gold Corp. 666 Burrard St # 3400,Vancouver,BC V6C 2X8,Canada 电话:+ 1 604-681-8371 |
www.b2gold.com |

合资格人士证明书
我,Ken Jones,PE,受聘于B2Gold Corp.(“B2Gold”)担任可持续发展总监,该公司的总部位于666 Burrard St # 3400,Vancouver,BC V6C 2X8,Canada。
本证书适用于生效日期为2025年7月14日的题为“哥伦比亚格拉玛洛特项目,NI43-101技术报告”的技术报告(“技术报告”)。
我是注册专业工程师(# 42718,Colorado,USA)。我2001年毕业于爱荷华大学,获得化学工程学士学位。
我从事这一职业已有20多年。我开发、开展和/或指导了环境和社会研究,包括基线调查;材料地球化学表征;水文、空气和噪声建模;封闭规划和成本计算;以及南北美洲、非洲和亚洲十几个国家硬岩开采项目的环境和社会影响评估。我在加拿大、尼加拉瓜、纳米比亚、菲律宾和马里的黄金项目中制定、实施和维护了有关国际环境、健康和安全法规和最佳做法的工程和行政合规计划。
由于我的经验和资格,我是国家仪器43-101矿产项目披露标准(NI 43-101)中定义的合格人员。
我最近一次参观格拉玛洛特项目是在2021年9月29日至10月7日,为期9天。
本人负责第1.1、1.2、1.8、1.17、1.25节;第2.1、2.2、2.3、2.4.4节;第4.9、4.10、4.11、4.12节;第12.3.4节;第20节;第25.1、25.11节、第26节;技术报告第27节。
我并不独立于B2Gold,因为独立性由NI 43-101的第1.5节描述。
自2020年以来,我一直参与Gramalote项目。我与人合著了一份自愿提交的关于Gramalote项目的技术报告,内容如下:
我已经阅读了NI 43-101,我负责的技术报告的部分是按照该文书编写的。
| B2gold Corp. 666 Burrard St # 3400,Vancouver,BC V6C 2X8,Canada 电话:+ 1 604-681-8371 |
www.b2gold.com |

截至技术报告生效之日,据本人所知、所知及所信,本人负责的技术报告各章节载有为使技术报告不具误导性而需披露的所有科学技术信息。
日期:2025年8月27日
“肯·琼斯”(签名)
肯·琼斯,体育。
| B2gold Corp. 666 Burrard St # 3400,Vancouver,BC V6C 2X8,Canada 电话:+ 1 604-681-8371 |
www.b2gold.com |
关于前瞻性信息的警示性说明
本National Instrument 43-101技术报告(报告)包含适用的加拿大和美国证券立法含义内的“前瞻性信息”和“前瞻性陈述”(统称为前瞻性陈述),包括但不限于B2Gold Corp.(B2Gold)的目标、战略、意图和期望;预测;展望;指导;预测;估计;以及有关未来或估计的财务和运营业绩、黄金生产和销售、收入和现金流以及资本成本和运营成本(包括预计现金运营成本和预算)的其他陈述;有关未来或估计的矿山寿命、金属价格假设、估计矿化材料品位、黄金回收率、剥离率、吞吐量、处理;关于预期的勘探、钻探、开发、建设、许可和其他活动或成果的声明;2025年可行性研究的结果和估计,包括生产和矿山寿命估计、资本成本和运营成本估计、财务预测、估计和结果,以及其中所载经济分析的其他结果;将现有推断矿产资源转换为指示类别的潜力;完成详细设计和来源设备的时机;将Gramalote开发为露天金矿的潜力以及与此相关的任何建设或其他决定;外部因素对收入的预期影响,例如商品价格、汇率和金属价格假设、矿产储量和矿产资源的估计、矿山寿命预测、复垦成本、经济前景;尾矿坝和储存设施、维护或提供所需的基础设施和信息技术系统,政府对采矿作业的监管以及签订开发和/或运营所需的重大合同;潜在的环境、物理、社会和经济影响以及解决这些影响的计划、措施和要求、环境考虑以及关闭和复垦规划;利益相关者参与;关于矿区“走廊”的法律诉讼;额外所需许可、修改和授权的接收和时间安排,包括与地表权有关的许可;对社区关系和社会经营许可的期望,包括与因项目开发和在项目区工作的手工和小型采矿者的重新安置有关的个人。本技术报告中所有涉及B2Gold预计在未来发生的事件或发展的陈述均为前瞻性陈述。前瞻性陈述是一种非历史事实的陈述,通常(尽管并非总是)由“预期”、“计划”、“预期”、“项目”、“目标”、“潜在”、“时间表”、“预测”、“预算”、“估计”、“打算”或“相信”等词语和类似表述或其负面含义,或事件或条件“将”、“将”、“可能”、“可能”、“应该”或“可能”发生。所有这些前瞻性陈述均基于B2Gold管理层截至做出此类陈述之日的意见和估计。本报告中的所有前瞻性陈述均受本警示性说明的限制。
前瞻性陈述不是,也不可能是对未来结果或事件的保证。前瞻性陈述基于(其中包括)意见、假设、估计和分析,这些意见、假设、估计和分析虽然在提供前瞻性陈述之日被认为是合理的,但本质上受到可能导致实际结果和事件与前瞻性陈述明示或暗示的结果和事件存在重大差异的重大风险、不确定性、或有事项和其他因素的影响。B2Gold在得出前瞻性陈述中所列结论或作出预测或预测时确定并应用的重大因素或假设包括但不限于:本报告第1.12、14.13和25.6节确定的可能影响矿产资源估算的因素;本报告第13节确定的冶金回收假设;本报告第1.19、1.20、21.3和22.1节确定的与2025年可行性研究相关的因素;本报告第1.22节确定的项目风险和机会;稀释,矿石损失和采矿回收假设;关于库存的假设;采矿、加工、勘探和开发活动的成功;地质、采矿和冶金估算的准确性;岩土工程假设;矿产资源估算中使用的假设;预期的商品价格和生产成本;没有重大的意外运营或技术困难;执行B2Gold的业务和增长战略,包括B2Gold的战略投资和举措的成功;如果需要,是否有额外融资;是否有勘探、开发人员,以及运营项目和正在进行的员工关系;获得任何所需的地面权利;与项目周边社区保持良好关系;没有与监管、环境、重新安置和社会许可事项、健康和安全事项有关的重大意外事件或变化;储备数量或等级减少;成本增加、延误、暂停,以及与资本项目建设相关的技术挑战;采矿期间的岩土工程和水文地质考虑与假设不同;没有对B2Gold财产所有权的争议;没有重大诉讼;某些税务事项;总体经济状况或金融市场状况(包括商品价格和外汇汇率)没有重大和持续的不利变化。
可能导致实际结果与前瞻性陈述明示或暗示的结果存在重大差异的风险、不确定性、或有事项和其他因素可能包括但不限于一般与采矿业相关的风险,例如经济因素(包括未来商品价格、货币波动、能源价格和一般成本上升)、与项目持续开发和运营相关的不确定性、矿产勘探和开发的投机性;生产、开采和勘探成功情况的变化以及其他估计;哥伦比亚立法、税法、政策和做法的变化,与哥伦比亚政治和经济不稳定相关的风险和不确定性;基础设施、能源和其他商品的价格和可用性波动;通货膨胀的影响;遵守政府法规,包括反贿赂和腐败法、环境、健康和安全法规以及财务报告的内部控制;由于实际或感知发生的任何数量的事件,包括与环境事项或与社区团体打交道有关的负面宣传,对B2Gold的声誉造成损害;未能从政府当局获得所需的许可、许可、批准或许可,包括环境许可,及时或完全没有;与小规模矿商发生冲突的可能性;对关键人员和雇员关系的依赖;与政治或社会动荡或变化有关的风险;运营风险和危害,包括意外的环境、工业和地质事件和发展以及无法为所有风险投保;厂房、设备、工艺、运输和其他基础设施未能按预期运行;可获得天然气来发电,以及运营成本估算和财务分析中使用的由此产生的电力费率;遵守政府和环境法规,包括许可要求和反贿赂立法;金融市场动荡,可能影响B2Gold以可接受的条件获得额外融资的能力;未能及时获得政府当局所需的批准或许可;与矿产资源的地质、连续性、品位和估计有关的不确定性,以及品位和回收率可能发生变化;复垦活动的不确定成本,及其最终结果;适用法律或法规的变化,包括有关利率和税率;退税;对冲交易;以及在B2Gold最近的年度信息表和B2Gold向加拿大证券监管机构和美国证券交易委员会提交的其他文件中的“风险因素”标题下已确定和更详细描述的其他因素,可分别在www.sedar.com和www.sec.gov上查看。该清单并未详尽列出可能影响B2Gold前瞻性陈述的因素。因此,不能保证前瞻性陈述所预期的任何事件将会发生或发生,或者如果其中任何一个发生,B2Gold将从中获得哪些利益或责任。B2Gold的前瞻性陈述反映了当前对未来事件和经营业绩的预期,并且仅在本文发布之日发表。如果情况或管理层的信念、预期或意见发生变化,而不是根据适用法律的要求,B2Gold不承担更新前瞻性陈述的任何义务。出于上述原因,不应过分依赖前瞻性陈述。
| Gramalote项目 哥伦比亚 NI 43-101技术报告 |
内容
| 1.0 | 总结 | 1-1 | |
| 1.1 | 简介 | 1-1 | |
| 1.2 | 职权范围 | 1-1 | |
| 1.3 | 项目设置 | 1-1 | |
| 1.4 | 矿产保有权、地表权、水权、特许权使用费和协议 | 1-2 | |
| 1.5 | 地质和矿化 | 1-3 | |
| 1.6 | 历史 | 1-4 | |
| 1.7 | 钻探和采样 | 1-4 | |
| 1.8 | 数据验证 | 1-7 | |
| 1.9 | 冶金测试工作 | 1-7 | |
| 1.10 | 矿产资源估算 | 1-10 | |
| 1.11 | 矿产资源报表 | 1-12 | |
| 1.12 | 矿产储量估算 | 1-14 | |
| 1.13 | 矿产储量报表 | 1-14 | |
| 1.14 | 采矿方法 | 1-15 | |
| 1.15 | 恢复方法 | 1-17 | |
| 1.16 | 项目基础设施 | 1-19 | |
| 1.17 | 环境、许可和社会考虑 | 1-21 | |
| 1.17.1 环境考虑 | 1-21 | ||
| 1.17.2 封闭及填海规划 | 1-22 | ||
| 1.17.3 允许考虑 | 1-22 | ||
| 1.17.4 社会考虑 | 1-22 | ||
| 1.18 | 市场和合约 | 1-23 | |
| 1.19 | 资本成本估算 | 1-24 | |
| 1.20 | 运营成本估计 | 1-24 | |
| 1.21 | 经济分析 | 1-27 | |
| 1.21.1 前瞻性信息声明 | 1-27 | ||
| 1.21.2 使用的方法 | 1-27 | ||
| 1.21.3 假设 | 1-27 | ||
| 1.21.4 经济分析 | 1-27 | ||
| 1.21.5 灵敏度分析 | 1-28 | ||
| 1.22 | 风险 | 1-28 | |
| 1.23 | 机会 | 1-28 | |
| 1.24 | 释义与结论 | 1-30 | |
| 1.25 | 建议 | 1-30 | |
| Gramalote项目 哥伦比亚 NI 43-101技术报告 |
| 2.0 | 介绍 | 2-1 | |
| 2.1 | 简介 | 2-1 | |
| 2.2 | 职权范围 | 2-1 | |
| 2.3 | 合资格人士 | 2-1 | |
| 2.4 | 实地考察及个人考察范围 | 2-2 | |
| 2.4.1 Stephen Jensen先生 | 2-2 | ||
| 2.4.2 彼得·蒙塔诺先生 | 2-2 | ||
| 2.4.3 John Rajala先生 | 2-3 | ||
| 2.4.4 Ken Jones先生 | 2-3 | ||
| 2.5 | 有效日期 | 2-3 | |
| 2.6 | 信息来源和参考 | 2-3 | |
| 2.7 | 以前的技术报告 | 2-4 | |
| 3.0 | 依赖其他专家 | 3-1 | |
| 4.0 | 物业描述及位置 | 4-1 | |
| 4.1 | 简介 | 4-1 | |
| 4.2 | 哥伦比亚的财产和产权 | 4-1 | |
| 4.2.1 矿物权 | 4-1 | ||
| 4.2.2 工作和建设计划(Plan de Trabajos y Obras) | 4-2 | ||
| 4.2.3 采矿管理积分系统(安娜·米内拉) | 4-2 | ||
| 4.2.4 Surface Rights | 4-2 | ||
| 4.2.5 版税 | 4-3 | ||
| 4.2.6 Environmental | 4-3 | ||
| 4.3 | 项目所有权 | 4-4 | |
| 4.4 | 矿产保有权 | 4-4 | |
| 4.4.1 综合采矿业权14292 | 4-5 | ||
| 4.4.2 采矿权4894 | 4-5 | ||
| 4.4.3 采矿权QHQ-16081 | 4-8 | ||
| 4.5 | Surface Rights | 4-8 | |
| 4.6 | 水权 | 4-9 | |
| 4.7 | 特许权使用费和产权负担 | 4-9 | |
| 4.7.1 版税 | 4-9 | ||
| 4.7.2 产权负担 | 4-9 | ||
| 4.8 | 允许考虑 | 4-9 | |
| 4.9 | 环境考虑 | 4-10 | |
| 4.10 | 社会许可考虑因素 | 4-10 | |
| 4.11 | 关于物业描述和位置的评论 | 4-10 | |
| 5.0 | 无障碍、气候、当地资源、基础设施和物理学 | 5-1 | |
| 5.1 | 可访问性 | 5-1 | |
| Gramalote项目 哥伦比亚 NI 43-101技术报告 |
| 5.2 | 气候 | 5-1 | |
| 5.3 | 地方资源和基础设施 | 5-1 | |
| 5.4 | 生理学 | 5-2 | |
| 5.5 | 地震活动 | 5-2 | |
| 5.6 | 表面权利的充分性 | 5-3 | |
| 6.0 | 历史 | 6-1 | |
| 6.1 | 勘探历史 | 6-1 | |
| 6.2 | 生产 | 6-1 | |
| 7.0 | 地质环境和矿化 | 7-1 | |
| 7.1 | 区域地质 | 7-1 | |
| 7.2 | 项目地质 | 7-1 | |
| 7.2.1 岩性 | 7-1 | ||
| 7.2.2 Structure | 7-6 | ||
| 7.3 | 存款说明 | 7-6 | |
| 7.3.1 格拉玛洛特岭 | 7-6 | ||
| 7.3.2 特立尼达 | 7-9 | ||
| 7.3.3 蒙哈斯西 | 7-12 | ||
| 7.4 | 前景/勘探目标 | 7-14 | |
| 7.5 | 地质背景与成矿评论 | 7-14 | |
| 8.0 | 存款类型 | 8-1 | |
| 8.1 | 存款模式 | 8-1 | |
| 8.2 | 存款类型点评 | 8-2 | |
| 9.0 | 勘探 | 9-1 | |
| 9.1 | 网格和调查 | 9-1 | |
| 9.2 | 地球化学 | 9-1 | |
| 9.3 | 地球物理学 | 9-2 | |
| 9.3.1 机载地球物理调查 | 9-2 | ||
| 9.3.2 地面地球物理调查 | 9-2 | ||
| 9.4 | 岩石学、矿物学和研究研究 | 9-2 | |
| 9.5 | 勘探潜力 | 9-5 | |
| 10.0 | 钻探 | 10-1 | |
| 10.1 | 简介 | 10-1 | |
| 10.2 | 演练方法 | 10-1 | |
| 10.3 | 测井程序 | 10-9 | |
| 10.4 | 复苏 | 10-10 | |
| 10.5 | 领子调查 | 10-10 | |
| 10.6 | 井下调查 | 10-11 | |
| Gramalote项目 哥伦比亚 NI 43-101技术报告 |
| 10.7 | 岩土和水文钻探 | 10-11 | |
| 10.8 | 冶金钻孔 | 10-11 | |
| 10.9 | 谴责 | 10-13 | |
| 10.10 | 样品长度/真实厚度 | 10-13 | |
| 10.11 | 自矿产资源数据库关闭以来的钻探 | 10-14 | |
| 10.12 | 钻井评论 | 10-15 | |
| 11.0 | 样本准备、分析和安全性 | 11-1 | |
| 11.1 | 采样方法 | 11-1 | |
| 11.1.1 RC | 11-1 | ||
| 11.1.2 核心 | 11-1 | ||
| 11.2 | 密度测定 | 11-1 | |
| 11.3 | 分析和测试实验室 | 11-2 | |
| 11.4 | 样品制备与分析 | 11-3 | |
| 11.4.1 样品制备 | 11-3 | ||
| 11.4.2 分析 | 11-4 | ||
| 11.5 | 质量保证和质量控制 | 11-5 | |
| 11.6 | 检查化验 | 11-6 | |
| 11.7 | 数据库 | 11-6 | |
| 11.8 | 样本安全 | 11-7 | |
| 11.9 | 样本存储 | 11-7 | |
| 11.10 | 样品制备、分析和安全性的评论 | 11-7 | |
| 12.0 | 数据验证 | 12-1 | |
| 12.1 | 内部数据核查 | 12-1 | |
| 12.1.1 数据验证 | 12-1 | ||
| 12.1.2 实验室检查 | 12-1 | ||
| 12.2 | 外部数据验证 | 12-1 | |
| 12.2.1 以前的技术报告 | 12-1 | ||
| 12.2.2 实验室检查 | 12-1 | ||
| 12.2.3 外部审计 | 12-2 | ||
| 12.3 | QP数据验证 | 12-2 | |
| 12.3.1 Stephen Jensen先生 | 12-2 | ||
| 12.3.2 彼得·蒙塔诺先生 | 12-2 | ||
| 12.3.3 John Rajala先生 | 12-3 | ||
| 12.3.4 Ken Jones先生 | 12-3 | ||
| 13.0 | 矿物加工和冶金检测 | 13-1 | |
| 13.1 | 简介 | 13-1 | |
| 13.1.1 历史测试工作 | 13-1 | ||
| 13.1.2 当前测试工作 | 13-1 | ||
| Gramalote项目 哥伦比亚 NI 43-101技术报告 |
| 13.2 | 冶金样品 | 13-1 | |
| 13.2.1 冶金领域 | 13-1 | ||
| 13.2.2 Master Composite样品 | 13-5 | ||
| 13.2.3 变量样本 | 13-5 | ||
| 13.3 | 冶金检测 | 13-5 | |
| 13.3.1 头部检测 | 13-5 | ||
| 13.3.2 矿物学 | 13-6 | ||
| 13.3.3 粉碎化测试工作 | 13-7 | ||
| 13.3.4 重力集中测试工作 | 13-8 | ||
| 13.3.5 台式刻度浮选试验工作 | 13-9 | ||
| 13.3.6 浮选中试装置测试工作 | 13-12 | ||
| 13.3.7 氰化物浸出试验工作 | 13-13 | ||
| 13.3.8 变异性测试工作 | 13-16 | ||
| 13.3.9 金银整体回暖 | 13-18 | ||
| 13.3.10 浸出动力学和碳建模 | 13-18 | ||
| 13.3.11 摄氧量测试工作 | 13-20 | ||
| 13.3.12 氰化物破坏测试工作 | 13-20 | ||
| 13.3.13 流变学测试工作 | 13-21 | ||
| 13.3.14 增稠剂和絮凝试验工作 | 13-22 | ||
| 13.3.15 Regrind TestWork | 13-23 | ||
| 13.3.16 材料处理测试工作 | 13-23 | ||
| 13.3.17 现场水分析 | 13-24 | ||
| 13.3.18 高压磨辊试验工作 | 13-25 | ||
| 13.3.19 粉碎电路选择 | 13-25 | ||
| 13.3.20 重力电路建模 | 13-25 | ||
| 13.4 | 冶金变量 | 13-26 | |
| 13.5 | 恢复估计数 | 13-26 | |
| 13.6 | 有害元素 | 13-26 | |
| 13.7 | 对第13节的评论 | 13-27 | |
| 14.0 | 矿产资源估计 | 14-1 | |
| 14.1 | 简介 | 14-1 | |
| 14.2 | 探索性数据分析 | 14-1 | |
| 14.3 | 地质模型 | 14-2 | |
| 14.3.1 岩性模型 | 14-2 | ||
| 14.3.2 结构和脉络 | 14-2 | ||
| 14.3.3 矿化带 | 14-2 | ||
| 14.3.4 风化模型 | 14-6 | ||
| 14.4 | 密度分配 | 14-8 | |
| 14.4.1 格拉玛洛特岭 | 14-8 | ||
| Gramalote项目 哥伦比亚 NI 43-101技术报告 |
| 14.4.2 特立尼达 | 14-8 | ||
| 14.4.3 蒙哈斯西 | 14-8 | ||
| 14.5 | 等级上限/异常值限制 | 14-8 | |
| 14.5.1 格拉玛洛特岭 | 14-8 | ||
| 14.5.2 特立尼达 | 14-8 | ||
| 14.5.3 蒙哈斯西 | 14-8 | ||
| 14.6 | 复合材料 | 14-11 | |
| 14.7 | 变异学 | 14-11 | |
| 14.7.1 格拉玛洛特岭 | 14-11 | ||
| 14.7.2 特立尼达 | 14-11 | ||
| 14.7.3 蒙哈斯西 | 14-13 | ||
| 14.8 | 估计/插值方法 | 14-14 | |
| 14.8.1 格拉玛洛特岭 | 14-14 | ||
| 14.8.2 特立尼达 | 14-14 | ||
| 14.8.3 蒙哈斯西 | 14-15 | ||
| 14.9 | Block模型验证 | 14-15 | |
| 14.9.1 格拉玛洛特岭 | 14-16 | ||
| 14.9.2 特立尼达 | 14-17 | ||
| 14.9.3 蒙哈斯西 | 14-18 | ||
| 14.10 | 矿产资源分类 | 14-18 | |
| 14.11 | 最终经济采掘的合理前景 | 14-19 | |
| 14.12 | 矿产资源报表 | 14-19 | |
| 14.13 | 可能影响矿产资源估算的因素 | 14-19 | |
| 14.14 | 对第14节的评论 | 14-23 | |
| 15.0 | 矿产储量估计 | 15-1 | |
| 15.1 | 简介 | 15-1 | |
| 15.2 | 矿产储量报表 | 15-1 | |
| 15.3 | 可能影响矿产储量的因素 | 15-1 | |
| 15.4 | 坑优化 | 15-2 | |
| 15.5 | 终坑及相位选择 | 15-3 | |
| 15.6 | 截止等级 | 15-3 | |
| 15.7 | 稀释和矿石损失 | 15-3 | |
| 15.8 | 对第15节的评论 | 15-5 | |
| 16.0 | 采矿方法 | 16-1 | |
| 16.1 | 概述 | 16-1 | |
| 16.2 | 岩土工程考虑 | 16-1 | |
| 16.3 | 水文地质考虑 | 16-2 | |
| 16.4 | 坑优化 | 16-3 | |
| 16.5 | 截止等级 | 16-3 | |
| Gramalote项目 哥伦比亚 NI 43-101技术报告 |
| 16.6 | 露天矿坑设计 | 16-4 | |
| 16.7 | 库存 | 16-5 | |
| 16.8 | 废石储存设施 | 16-7 | |
| 16.9 | 生产计划 | 16-7 | |
| 16.10 | 品级控制 | 16-8 | |
| 16.11 | 爆破 | 16-14 | |
| 16.12 | 采矿设备 | 16-14 | |
| 17.0 | 恢复方法 | 17-1 | |
| 17.1 | 工艺流程表 | 17-1 | |
| 17.2 | 厂房设计 | 17-1 | |
| 17.2.1 破碎电路 | 17-1 | ||
| 17.2.2 研磨与分类 | 17-3 | ||
| 17.2.3 卵石破碎 | 17-4 | ||
| 17.2.4 重力电路 | 17-4 | ||
| 17.2.5 浮选电路 | 17-5 | ||
| 17.2.6 浓缩增厚 | 17-5 | ||
| 17.2.7 浓缩再研材 | 17-6 | ||
| 17.2.8 预浸增厚 | 17-6 | ||
| 17.2.9 浓缩浸出电路 | 17-6 | ||
| 17.2.10 纸浆电路中的碳 | 17-7 | ||
| 17.2.11 酸洗、洗脱、电积金房 | 17-8 | ||
| 17.2.12 碳再生 | 17-9 | ||
| 17.2.13 氰化物销毁 | 17-9 | ||
| 17.2.14 精矿浸出尾矿处置 | 17-9 | ||
| 17.2.15 浮选尾矿增厚 | 17-9 | ||
| 17.2.16 浮选尾矿泵送及尾矿储存设施 | 17-10 | ||
| 17.3 | 设备尺寸 | 17-10 | |
| 17.4 | 控制策略 | 17-13 | |
| 17.5 | 电力和消耗品 | 17-13 | |
| 17.5.1 消耗品 | 17-13 | ||
| 17.5.2 动力 | 17-14 | ||
| 17.5.3 用水量 | 17-15 | ||
| 18.0 | 项目基础设施 | 18-1 | |
| 18.1 | 简介 | 18-1 | |
| 18.2 | 道路和物流 | 18-5 | |
| 18.3 | 尾矿管理设施 | 18-5 | |
| 18.4 | 废石储存设施和库存 | 18-6 | |
| 18.5 | 水管理 | 18-6 | |
| 18.5.1 概述 | 18-6 | ||
| Gramalote项目 哥伦比亚 NI 43-101技术报告 |
| 18.5.2 沉积物/渗流池 | 18-7 | ||
| 18.5.3 水的储存和水的排放 | 18-8 | ||
| 18.5.4 瓜卡斯溪改道 | 18-8 | ||
| 18.6 | 作业区基础设施 | 18-9 | |
| 18.7 | 营地和住宿 | 18-9 | |
| 18.8 | 电力和电气 | 18-9 | |
| 18.9 | 燃料 | 18-10 | |
| 18.10 | 供水 | 18-10 | |
| 19.0 | 市场研究和合同 | 19-1 | |
| 19.1 | 市场研究 | 19-1 | |
| 19.2 | 商品价格预测 | 19-1 | |
| 19.3 | 合同 | 19-1 | |
| 19.4 | 市场研究及合约评论 | 19-1 | |
| 20.0 | 环境研究、许可和社会或社区影响 | 20-1 | |
| 20.1 | 简介 | 20-1 | |
| 20.2 | 基线研究 | 20-2 | |
| 20.3 | 环境考虑/监测方案 | 20-3 | |
| 20.4 | 关闭计划 | 20-4 | |
| 20.5 | 允许 | 20-4 | |
| 20.6 | 对社会和社区影响的考虑 | 20-5 | |
| 20.6.1 重新安置 | 20-8 | ||
| 20.6.2 手工和小规模采矿 | 20-9 | ||
| 21.0 | 资本和运营成本 | 21-1 | |
| 21.1 | 简介 | 21-1 | |
| 21.2 | 资本成本估算 | 21-1 | |
| 21.2.1 估计基础 | 21-1 | ||
| 21.2.2 劳动力假设 | 21-1 | ||
| 21.2.3 建设资本成本 | 21-1 | ||
| 21.2.4 矿山资本成本 | 21-2 | ||
| 21.2.5 流程资本成本 | 21-2 | ||
| 21.2.6 网站一般资本成本 | 21-2 | ||
| 21.2.7 关闭成本 | 21-2 | ||
| 21.2.8 资本成本汇总 | 21-2 | ||
| 21.3 | 运营成本估计 | 21-3 | |
| 21.3.1 估计基础 | 21-3 | ||
| 21.3.2 矿山运营成本 | 21-3 | ||
| 21.3.3 流程运营成本 | 21-4 | ||
| Gramalote项目 哥伦比亚 NI 43-101技术报告 |
| 21.3.4 站点一般运营成本 | 21-4 | ||
| 21.3.5 营业成本汇总 | 21-4 | ||
| 21.4 | 资本和运营成本点评 | 21-4 | |
| 22.0 | 经济分析 | 22-1 | |
| 22.1 | 前瞻性信息声明 | 22-1 | |
| 22.2 | 使用的方法 | 22-1 | |
| 22.3 | 财务模型参数 | 22-1 | |
| 22.4 | 税收 | 22-1 | |
| 22.5 | 经济分析 | 22-2 | |
| 22.6 | 灵敏度分析 | 22-2 | |
| 23.0 | 邻接属性 | 23-1 | |
| 24.0 | 其他相关数据和信息 | 24-1 | |
| 25.0 | 解释和结论 | 25-1 | |
| 25.1 | 简介 | 25-1 | |
| 25.2 | 矿产保有权、地表权、水权、特许权使用费和协议 | 25-1 | |
| 25.3 | 地质和矿化 | 25-2 | |
| 25.4 | 支持矿产资源估算的勘探、钻探和分析数据收集 | 25-2 | |
| 25.5 | 冶金测试工作 | 25-3 | |
| 25.6 | 矿产资源估算 | 25-3 | |
| 25.7 | 矿产储量估计 | 25-3 | |
| 25.8 | 矿山计划 | 25-4 | |
| 25.9 | 恢复计划 | 25-4 | |
| 25.10 | 基础设施 | 25-5 | |
| 25.11 | 环境、许可和社会考虑 | 25-5 | |
| 25.11.1 环境考虑 | 25-5 | ||
| 25.11.2 关闭注意事项 | 25-6 | ||
| 25.11.3 允许考虑 | 25-6 | ||
| 25.11.4 社会考虑 | 25-6 | ||
| 25.12 | 市场和合约 | 25-7 | |
| 25.13 | 资本成本估算 | 25-8 | |
| 25.14 | 运营成本估计 | 25-8 | |
| 25.15 | 经济分析 | 25-9 | |
| 25.16 | 风险与机遇 | 25-9 | |
| 25.16.1 风险 | 25-9 | ||
| 25.16.2 机会 | 25-10 | ||
| 25.17 | 结论 | 25-10 | |
| Gramalote项目 哥伦比亚 NI 43-101技术报告 |
| 26.0 | 建议 | 26-1 |
| 27.0 | 参考资料 | 27-1 |
表格
| 表1-1: | 指示矿产资源报表 | 1-13 |
| 表1-2: | 推断矿产资源报表 | 1-13 |
| 表1-3: | 矿产储量报表 | 1-15 |
| 表1-4: | 资本成本估算摘要 | 1-25 |
| 表1-5: | LOM营业成本总计 | 1-26 |
| 表1-6: | LOM单位运营成本(矿石加工) | 1-26 |
| 表1-7: | 关键财务指标 | 1-29 |
| 表4-1: | 矿产保有权表 | 4-6 |
| 表6-1: | 勘探历史 | 6-2 |
| 表7-1: | 主要岩石类型 | 7-4 |
| 表7-2: | 静脉类型 | 7-10 |
| 表9-1: | 勘探潜力 | 9-6 |
| 表10-1: | 项目演练汇总表 | 10-2 |
| 表10-2: | Gramalote Ridge矿产资源钻探汇总表 | 10-4 |
| 表10-3: | 特立尼达矿产资源钻探汇总表 | 10-5 |
| 表10-4: | Monjas West矿产资源钻探汇总表 | 10-5 |
| 表11-1: | 密度数据汇总 | 11-2 |
| 表14-1: | 样本和块模型密度,Gramalote Ridge | 14-9 |
| 表14-2: | 分配给Block模型的密度,特立尼达 | 14-9 |
| 表14-3: | 分配给Block模型的密度,Monjas West | 14-10 |
| 表14-4: | AU和AG封顶水平,Gramalote Ridge | 14-10 |
| 表14-5: | AU和AG封顶水平,特立尼达 | 14-10 |
| 表14-6: | AU和AG封顶水平,Monjas West | 14-11 |
| 表14-7: | 金品位统计,4m复合材料,Gramalote Ridge | 14-12 |
| 表14-8: | 金品位统计,2m复合材料低品位域,特立尼达 | 14-12 |
| 表14-9: | 金品位统计,4m复合材料,低品位领域,Monjas West | 14-13 |
| 表14-10: | 黄金变异函数模型,Gramalote Ridge | 14-13 |
| 表14-11: | 黄金变异函数模型,特立尼达 | 14-13 |
| 表14-12: | Gold Variogram Models,Monjas West | 14-14 |
| 表14-13: | Gramalote海岭品位估算方案 | 14-15 |
| 表14-14: | 特立尼达等级估算计划 | 14-16 |
| 表14-15: | Monjas西等级估算计划 | 14-16 |
| 表14-16: | 概念坑壳参数 | 14-20 |
| 表14-17: | 指示矿产资源报表 | 14-22 |
| 表14-18: | 推断矿产资源报表 | 14-22 |
| 表15-1: | 矿产储量报表 | 15-2 |
| 表15-2: | 坑优化参数 | 15-4 |
| 表16-1: | 坑坡设计参数 | 16-2 |
| 表16-2: | LOM生产计划概要 | 16-11 |
| Gramalote项目 哥伦比亚 NI 43-101技术报告 |
| 表16-3: | LOM矿山生产计划 | 16-12 |
| 表16-4: | LOM处理汇总 | 16-13 |
| 表16-5: | 业主设备要求 | 16-16 |
| 表17-1: | 关键工艺设计标准 | 17-11 |
| 表17-2: | 主要装备清单 | 17-12 |
| 表20-1: | 关键授予许可 | 20-6 |
| 表21-1: | LOM资本成本估算 | 21-3 |
| 表21-2: | LOM营业成本总计 | 21-5 |
| 表21-3: | LOM单位运营成本(矿石加工) | 21-5 |
| 表22-1: | 关键财务指标 | 22-3 |
| 表22-2: | 按年计算的现金流预测(第1-7年) | 22-4 |
| 表22-3: | 按年计算的现金流预测(第8-14年) | 22-5 |
| 表22-4: | 按年计算的现金流预测(15-20年)- | 22-6 |
数字
| 图1-1: | 灵敏度分析 | 1-30 |
| 图2-1: | 位置计划 | 2-2 |
| 图4-1: | 批给矿产保有权位置图 | 4-7 |
| 图7-1: | 区域地质 | 7-2 |
| 图7-2: | 区域结构设置 | 7-3 |
| 图7-3: | 项目地质图 | 7-5 |
| 图7-4: | 横截面,格拉玛洛特岭矿床 | 7-8 |
| 图7-5: | 横截面,特立尼达存款 | 7-11 |
| 图7-6: | 横断面,Monjas West矿床 | 7-13 |
| 图9-1: | 位置图、2020-2024年岩屑和沟槽采样 | 9-3 |
| 图9-2: | 位置图,2020-2024年岩屑和沟槽样本结果 | 9-4 |
| 图9-3: | 前景领域 | 9-7 |
| 图10-1: | 项目钻领位置图 | 10-3 |
| 图10-2: | Gramalote Ridge矿产资源钻领位置图 | 10-6 |
| 图10-3: | 特立尼达矿产资源钻领位置图 | 10-7 |
| 图10-4: | Monjas West矿产资源钻领位置图 | 10-8 |
| 图10-5: | 项圈位置图、岩土、冶金和谴责钻孔 | 10-12 |
| 图13-1: | 冶金测试工作程序流程图 | 13-2 |
| 图13-2: | 主粉碎复合和粉碎变异性样本的位置 | 13-3 |
| 图13-3: | Master Metallurgical Composite和Recovery Variability样本的位置 | 13-4 |
| 图13-4: | 黄金引力和浮选尾与头部品位对比 | 13-17 |
| 图13-5: | 银重力和浮选回收率与头部品位对比 | 13-17 |
| 图14-1: | 格拉玛洛特岭矿化带三维透视图 | 14-4 |
| 图14-2: | 特立尼达矿化带3D透视图 | 14-5 |
| 图14-3: | Monjas West矿化带3D透视图 | 14-7 |
| 图14-4: | 对坑优化的基础设施约束 | 14-21 |
| 图15-1: | 拟议的坑口期 | 15-5 |
| 图16-1: | 计划矿坑分期 | 16-5 |
| Gramalote项目 哥伦比亚 NI 43-101技术报告 |
| 图16-2: | 拟议的露天坑、库存和WRSF位置计划 | 16-6 |
| 图16-3: | 按坑口阶段、物料移动和带钢比划分的矿山产量 | 16-9 |
| 图16-4: | 按坑口阶段、矿石吨位和品位划分的矿山产量 | 16-9 |
| 图16-5: | 库存等级和处理吨 | 16-10 |
| 图16-6: | LOM黄金产量 | 16-10 |
| 图17-1: | 提议的工艺流程表 | 17-2 |
| 图18-1: | 拟议基础设施布局计划 | 18-2 |
| 图18-2: | 场地布局图显示拟议的坑、库存、WRSF和工厂位置 | 18-3 |
| 图18-3: | 拟议的TMF位置计划 | 18-4 |
| 图20-1: | 影响力研究项目领域 | 20-7 |
| 图22-1: | 灵敏度分析 | 22-7 |
| Gramalote项目 哥伦比亚 NI 43-101技术报告 |
1.0总结
1.1导言
Stephen Jensen先生(P.Geo.)、Peter Montano先生(PE)、John Rajala先生(PE)和Ken Jones先生(PE)为B2Gold Corp.(B2Gold)编写了一份关于Gramalote Gold项目(即Gramalote项目或该项目)的National Instrument 43-101技术报告(报告)。该项目位于哥伦比亚西北部的安蒂奥基亚省内。
Gramalote Limited在哥伦比亚注册为Gramalote Colombia Limited(Gramalote Colombia Limited),是该项目的运营实体。Gramalote Limited是B2Gold的全资子公司。
1.2职权范围
该报告是为支持2025年7月14日提交的题为“B2Gold宣布Gramalote项目的积极可行性研究结果”的新闻稿而编写的。
该报告包括Gramalote Ridge、Trinidad和Monjas West矿床的矿产资源估计以及Gramalote Ridge矿床的矿产储量估计。
报告中使用的单位为公制单位,除非另有说明。除非另有说明,货币单位以美元(US $)为单位。该报告使用加拿大英语。矿产资源按照加拿大矿业、冶金和石油学会(CIM)矿产资源和矿产储量定义标准(2014年5月;2014年CIM定义标准)进行报告。
在早期的项目报告中,Gramalote Ridge矿床也被称为Gramalote Central矿床。目前首选的命名法是Gramalote Ridge。
1.3项目设置
该项目位于哥伦比亚首都波哥大西北正方约200公里,公路距离约408公里,安蒂奥基亚省地区首府麦德林东北100公里。
从麦德林(开车约2小时)和波哥大(开车约8-10小时)可通过一条维护良好的铺面道路进入项目现场。麦德林和波哥大每天都有国际航班提供服务。
该项目周边地区属于温和热带气候,支持计划中的全年采矿作业。
| Gramalote项目 哥伦比亚 NI 43-101技术报告 |
项目地点距离贝里奥港约55公里,公路距离约73公里。从贝里奥港出发,可直达加勒比海岸主要海港巴兰基亚的水上通道。
Providencia是距离项目地点最近的城镇,是由圣罗克市管理的历史悠久的采矿供应中心,位于Gramalote项目西南12公里处。项目区1公里范围内通过一条非活动货运、客运铁路线,连同活动高压电线。B2Gold拥有的一座2.3兆瓦水力发电厂目前正在Gramalote项目区内的Guacas Creek发电。最近的适合并网的高压变电站位于距项目现场约30公里处。
项目所在地附近的几个小镇,有着悠久的牧场历史和小规模采矿,可以提供现成的劳动力。麦德林提供支持勘探、建设和生产活动的人员、设备和承包商。
该项目位于努斯河河谷形成的地形洼地南缘沿线。项目区海拔范围为海拔800-1500米(masl),而安蒂奥基亚高原的海拔一般在2300-2500 masl之间。天然基岩露头罕见。从冲积岩和硬岩来源进行小规模手工采金的证据在整个努斯河谷地区都很明显。在手工矿区之外,该地区主要被草牧场和农田所覆盖,自然植被有限且分散。努斯河流域的农业活动以放牛和种植甘蔗、原糖(panela)和热带水果生产为中心。
1.4矿产保有权、地表权、水权、特许权使用费和协议
B2Gold通过Gramalote Colombia持有11,008.26公顷的三个已登记特许权合同,即综合采矿权14292,总计8,720.71公顷(简称Gramalote Ridge所有权)、特许权所有权4894,总计2,277.77公顷(简称特立尼达所有权)和特许权所有权QHQ-16081,总计9.78公顷。此外,还有一个矿业权申请,LJC-08012,总面积94.14公顷。
为延长特许权所有权4894的勘探活动,Gramalote Colombia于2023年8月提交了特许权所有权4894与特许权所有权QHQ-16081之间的整合请求。如果矿业当局批准整合,Gramalote Colombia将能够推进这些地区的勘探。
B2Gold已开始收购地面权利以支持采矿作业,已完成对所需区域的大部分购买。根据所进行的数据和研究,Gramalote Colombia制定了一项战略,在建设和运营阶段必要时收购仍有待收购的物业。
| Gramalote项目 哥伦比亚 NI 43-101技术报告 |
Guacas Creek将提供饮用水。Gramalote Colombia目前持有40 L/s的提取许可证。水将通过常规的16 L/s水处理厂进行处理。项目位于高雨量区域,年降水量约2.4米。水管理系统旨在处理正的水平衡,确保所有工艺用水需求的充足供应。
一旦投产,国家对黄金和白银的特许权使用费为厂址金属总值的4%(根据1994年第141号法第16条)。然而,总金属价值是使用伦敦金属交易所黄金和白银现货价格的80%确定的,因此有效权利费率为3.2%。这些国家特许权使用费独立于国家、部门和市级税收。
1.5地质和矿化
Gramalote Ridge、Trinidad和Monjas West矿床是构造控制的、与侵入有关的金矿的例子。
该项目位于哥伦比亚中部科迪勒拉的北部。地体主要包括一个变质基底复合体和安蒂奥基亚基岩。一般项目区内,安蒂奥基亚岩基岩内主要成分类型为云长岩和花岗闪长岩,次生二长岩和辉长岩。阿拉斯喀特、长英岩、安山岩堤防侵入了该建筑群。
格拉玛洛特岭位于两条向西北偏西走向的宏观尺度曲线之间,这些曲线向东伸展着巴勒斯坦断层,并横贯安蒂奥基亚岩底石,被称为努斯河和埃尔索科罗线。沿Nus和El Socorro线的差异运动被认为在云长岩内产生了西北偏北、南北和东北走向的张拉扩张,反映在网状片状石英和石英碳酸盐细脉的形成上。
Gramalote Ridge矿床的尺寸为1,300x1,500x700米。该矿化已被钻探测试到约750米的深度。Gramalote Ridge的矿化位于均匀的中粒英云母中,有少量花岗闪长岩和细长岩脉。蚀变是结构控制的,发生在矿脉周围既有宽阔的带又有狭窄的接缝。矿化带宽度变化,真实宽度10-150米,向东南偏南垂直至亚垂直倾角。该矿床在深度和沿走向保持开放。原生矿化由黄铁矿和黄铜矿组成。次生矿物包括金红石和一种含钛矿物。游离金与几种碲化物和铋硫盐矿同时发生,表现为含银黄金。
| Gramalote项目 哥伦比亚 NI 43-101技术报告 |
特立尼达矿床的尺寸约为1,500x500米。已对矿化进行钻探测试,深度约为300米。该矿床在深度和沿走向保持开放,尤其是向西。矿化分布在与Gramalote Ridge矿床相似的岩石类型中。改动与Gramalote Ridge描述的相似。特立尼达的矿化带厚度为10-80米,这些带沿走向和下倾都周期性地合并。矿化与沿缘的网状细脉和蚀变有关。
Monjas West矿床的尺寸约为1000 x 500米,已被钻探测试到400米深度。该矿床在深度和沿走向保持开放,尤其是向西。蚀变和矿化样式与特立尼达和格拉玛洛特岭相似,金与铋相关。矿化带10-80m厚,带间沿走向和下倾周期性聚结。
已经确定了一些额外的前景,需要进行额外的勘探检查。
1.6历史
格拉玛洛特地区的手工采金业历史悠久,可能可以追溯到前哥伦比亚时代至今。历史上的生产以液压技术为主。矿工们在Gramalote Ridge周围的表层氧化带以及冲积矿床中开采了富集残留物的崩积层和矿化的原位腐泥土。
在B2Gold的项目权益之前,勘探由Metallica Resources,Inc.、Gridiron Exploration Ltd.、Placer Dome Exploration Inc.、Industrias Pe ñ oles(Grupo Nus的附属公司)和Sociedad Kedahda S.A.(现为AngloGold Ashanti Colombia S.A.(AngloGold Ashanti))进行。这些公司完成了物业审查,以及Gramalote Ridge地区的地表采样和测绘。AngloGold Ashanti在2003-2007年间进行了勘探,包括河流沉积物、土壤、抓取、芯片、通道和面板采样、Gramalote Ridge的地质和结构测绘、试验性地面地球物理调查、岩心钻探、冶金测试工作和资源估算。
B2Gold于2008年获得其在该项目中的权益。此后,工作包括地质和结构测绘、岩石和土壤采样、地球物理、岩心和逆循环(RC)钻探、工程调查、资源估算、冶金测试工作、环境和社会基线研究和数据收集,以及采矿研究。
1.7钻探和采样
截至2025年5月21日,该项目已完成的钻探包括岩心和RC钻探,共计1,408个钻孔(约269,049米)。自那时以来没有进行过钻探。
| Gramalote项目 哥伦比亚 NI 43-101技术报告 |
Gramalote Ridge的资源钻探截止日期为2022年3月9日。有907个钻孔(约193,126米)和两个坑道样本(481米)支持Gramalote Ridge的矿产资源估算。特立尼达的资源钻探截止日期为2025年7月14日,有165个钻孔(约29,137 m)支持特立尼达的矿产资源估算。Monjas West的资源钻探截止日期为2023年1月4日,有55个钻孔(约20,416 m)支持Monjas West的矿产资源估算。
除勘探、加密和跨步钻探外,还完成了冶金、岩土、水文和谴责等用途的钻孔。
初始岩心测井最初记录在纸质测井纸上,预设测井参数包括岩性、蚀变(显性、从属和痕量)、细脉类型、硫化物矿化和评论。目前,B2Gold钻探数据直接输入到Excel电子表格中,随后导入到特定项目的访问数据库中。岩土测井包括岩石质量指定(RQD)、岩心回收和岩石强度。此外,还测量了磁化率和比重。为记录目的,对所有钻芯拍摄了数字照片。
岩心回收率普遍优异,整体项目平均为96.8%。
在2006-2007年计划期间,使用高精度差分全球定位系统(GPS)仪器对钻孔项圈进行了测量。自2007年起,使用总台测量仪器将钻孔项圈定位在钻台上。
根据钻探活动、地面条件和钻孔目的,可在3米、6米、7米、12米、20米、30米、50米或100米间隔进行井下测量。使用的仪器包括Pajari、Reflex Maxibor II、E-Z Track、Icefield和Gyro Master工具。
RC样本取自2米运行。所有项目的岩心样本均以标称2米长为目标,但可能会更短,具体取决于采样观察到的蚀变、矿化强度和岩性中断的情况。
平均而言,Gramalote Ridge、Trinidad和Monjas West矿床的矿化真实宽度范围约为井下钻探长度的70-80 %,但取决于矿化带的局部方向和钻孔。
比重或密度测定是从2008年开始收集的,使用阿基米德或蜡浸法。此外,在最初的钻探活动中收集了pycnometer测量值。
样品制备设施包括以下实验室:ALS Bogota(2012年11月之前);ALS Bucaramanga(2012年12月);ALS Medellin(2013年1月至2018年11月);Bureau Veritas Medellin(2019年至报告生效日期的一级制剂实验室);SGS Medellin(2021年11月至2022年1月的二级制剂实验室);ALS Medellin(2020年4月、2020年9月至10月、2022年2月使用的二级制剂实验室)。ALS拥有哥伦比亚制备设施和秘鲁利马分析设施的ISO 17025认证。必维国际检验集团(Bureau Veritas)持有哥伦比亚制剂设施ISO 9001:2015认证证书。SGS Colombia持有哥伦比亚制备设施的认证ISO/IEC 17021-1:2015。
| Gramalote项目 哥伦比亚 NI 43-101技术报告 |
ALS Lima是2019年之前的主要分析实验室。该实验室在2010年之前获得了INDECOPI的认证,自2010年以来一直持有选定分析技术的ISO 17025认证。ALS Lima自2019年起被用作Bureau Veritas Lima和SGS Medellin原件的检查实验室。
必维国际检验集团(Bureau Veritas Lima)自2019年起担任主要分析实验室。Bureau Veritas Lima持有选定分析技术的认证,包括ISO 17025、ISO 9001:2015、ISO 14001:2015和OSHAS 18001:2007。Bureau Veritas Lima还被用作2018年和2020年9月原始AngloGold Ashanti ALS Lima分析的检查实验室。
SGS麦德林在2021年11月至2022年1月期间被用于初步分析。SGS麦德林在2019年之前也被用作裁判实验室(根据ALS Lima原始分析)。该实验室目前拥有以下选定分析技术的认证:ISO 9001:2015、ISO 45001:2018和ISO 14001:2015。
2020年,由于利马与新冠病毒相关的延误,ALS Medellin和BV Medellin都向各自的温哥华实验室提交了一些纸浆。ALS Vancouver自2005年起持有ISO/IEC 17025:2017认证,Bureau Veritas Vancouver自2011年起持有ISO/IEC 17025:2017认证。温哥华实验室使用与秘鲁同类实验室相同的金银分析技术,但银测定上的编码不同(下文讨论)。
ACME Santiago于2009年初被B2Gold用作2008年ALS Lima原件的检查实验室。ACME Santiago当时持有的认证不为人所知。
所使用的所有实验室均独立于当时的项目运营商。
样品制备程序因所使用的实验室而异。所有实验室将样品干燥,然后粉碎至70%通过2 mm、85%通过2 mm或90%通过2 mm,最后粉碎至> 85%通过75 μ m或> 90%通过106 μ m。
分析方法包括:
| Gramalote项目 哥伦比亚 NI 43-101技术报告 |
银:四酸消解及电感耦合等离子体(ICP)质谱(MS)、ICP发射光谱(ES)或ICP光学发射光谱;
多元:四酸消化后ICP-MS为48元组;ICP-MS或ICP-ES获得59元组。
质量保证和质量控制(QA/QC)计划已包括提交经认证的标准材料(CRM或标准)、毛坯以及粗废品和纸浆重复样品。
样本安全历来没有受到监测。从钻探点到实验室的样本收集依赖于这样一个事实,即样本要么始终得到照顾,要么储存在锁定的现场制备设施中,要么在运往实验室之前储存在安全区域。监管链程序包括向实验室发送样品提交表格以及样品发货,以确保实验室接收所有样品。
钻芯、纸浆、废渣存放在项目现场的专用仓储设施中,接受全时监管。
1.8数据验证
B2Gold工作人员的内部数据验证包括通过一组脚本检查数据,这些脚本显示与项目日志记录规则相关的任何不一致的数据。从2020年起,高级地质学家定期审查用于矿产资源估算的数据库子集、信息一致性、使用指定代码的一致性以及数据完整性。2022年进行了详细的数据验证,以支持更新的Gramalote Ridge模型。注意到错误或遗漏的,按要求予以更正。
外部核查包括实验室审计,以及在编制项目技术报告时审查可用的质量保证/质量控制和支持数据。这些审查没有发现任何重大数据问题。
合格人员(QP)对其专业领域的数据进行了验证,得出的结论是,项目数据和数据库可用于矿产资源估算,并可用于支持概念性矿山规划。
1.9冶金试验工作
参与初步测试工作的冶金测试设施包括位于加拿大安大略省Lakefield的SGS Lakefield;位于智利圣地亚哥的SGS分析实验室;位于智利圣地亚哥和澳大利亚珀斯的ALS分析实验室;位于犹他州盐湖城的FLSmidth;位于加拿大多伦多的Jenike and Johanson Limited(Jenike and Johanson);位于澳大利亚珀斯的ADP Holdings(Lycopodium)、位于美国宾夕法尼亚州的Metso Outotec Corporation(Metso Outotec);位于澳大利亚布里斯班的Julius KruttSchnitt矿物研究中心(JKMRC);以及位于澳大利亚布里斯班的优化资源提取合作研究中心(CRC-ORE)。所使用的实验室和测试工作设施独立于B2Gold。除化学分析外,冶金实验室通常不会获得测试工作的认可。早期阶段完成的测试工作被用于完善可行性研究(2025年可行性研究)所采取的方法。
| Gramalote项目 哥伦比亚 NI 43-101技术报告 |
支持2025年可行性研究的大部分测试工作计划由SGS Lakefield进行,其余的要么在顾问或专家的监督下在SGS Lakefield完成,要么在另一个实验室完成。该计划包括测试工作,以建立:
矿石粉化特性,采用1个粉碎主复合和9个粉碎性变异性样品;
两种复合材料的材料处理性能;
冶金母体复合材料矿物学;
对1个冶金母合、10个冶金变异性样品进行综合头部分析;
冶金母材复材重力可回收含金量,浮选前随体重力分离试验;
一种冶金母复材浮选最佳研磨尺寸;
采用冶金母料复配的浮选精矿浸出的最佳回磨粒度;
采用冶金母合材料的浮选精矿浸出的最佳浸出停留时间;
重力、重力精矿浸出、浮选和浮选精矿浸出性能十个冶金变异性样品使用优化工艺条件;
使用冶金母复材生产的精矿浸出尾矿进行氰化物破坏停留时间和试剂剂量;
工程数据,包括对冶金母材复材所得产品的吸氧量、浆料流变学、碳动力学、回磨比功率和增厚特性的测试。
Gramalote Ridge矿床在Bond球磨机工作指数方面的特点是中硬能力和中等软到中等硬。该矿石被认为适用于高压磨辊(HPGR)-球磨机电路,是该矿石能力最节能的选择。矿化被认为是中等程度的磨蚀性到磨蚀性。
| Gramalote项目 哥伦比亚 NI 43-101技术报告 |
基于SGS Lakefield进行的测试工作和FLSmidth的建模,推荐了一种重力分离电路。
Gramalote Ridge矿石适合在P粗磨尺寸下通过泡沫浮选回收黄金80250 μ m。20分钟的浮选时间(实验室)和一个简单的戊基黄原酸钾(PAX)和起泡试剂方案将回收浮选进料中大约3-4 %的质量和93-98 %的金。只有粗糙/清道夫的流程图是最佳的,不需要清洗。浮选流程图设计还将允许作为仅粗糙电路的操作灵活性。
大约P的regrind大小80需要20 μ m才能在精矿浸出前充分释放黄金。
鉴定为实现高提金的精矿浸出条件为:预曝气6小时,然后在35%固体(w/w)下进行氰化物浸出30小时,用石灰、1 kg/t硝酸铅、2 g/l NaCN维持pH 10.5至11,溶解氧含量在20-25 mg/L之间。
基于极低水平的浸润性元素和非常好的吸附性能,推荐了一种碳浆(CIP)电路。
精矿浸出尾矿利用SOO对氰化物破坏反应良好2/空气方法。要求的氰化物破坏停留时间为240分钟。
浮选尾矿比浓缩机吞吐速率0.035m2/t/天。浮选尾矿浓缩机将需要20g/t的絮凝剂,以实现55-60 %(w/w)的底流密度。
由于泡沫问题,浮选精矿和预浸增稠器已按2 m/h上升速率确定尺寸。增稠剂将分别需要50和55克/吨的絮凝剂添加量。增稠器底流密度将分别为50%和45%(w/w)。
测试结果表明,当使用选定的流程图时,可以预期Gramalote Ridge矿石的总体金回收率在92-98 %范围内,总体银回收率在27-60 %范围内。所有变异性样品的平均金和银回收率分别为95.5%和46.3%,而主复合材料的回收率分别为95.7%和54.1%。
金头品位与整体金回收率(包括重力、重力精矿浸出、浮选和浮选精矿浸出)之间存在对数关系。银头品位与整体白银回收率也存在对数关系。
黄金总体回收率与计算出的金头品位的对数关系表现为:
| Gramalote项目 哥伦比亚 NI 43-101技术报告 |
在2.5克/吨AU的金头品位下,预测整体黄金回收率平均为97.2%。
通常情况下,应用高达1.0%的工厂回收折扣来核算可能影响整体回收的可溶性金损失、精细碳损失和工厂问题。然而,冶金测试工作尚未考虑通过进一步浸出精矿浸出回路中的密集氰化残渣而回收的额外黄金。计划在精矿浸出前将这种残渣引入回矿回路。因此,没有应用回收折扣,因为认为实验室结果适当保守,可能进一步优化。
银的回收关系由以下等式表示:
在1.9克/吨Ag的银头品位下,预计整体白银回收率平均为50.1%。
同样,白银也不会申请折扣。
从加工角度看不存在有害因素。
1.10矿产资源估算
Gramalote Ridge的矿产资源模型建立于2022年,基于截至2022年3月9日收集的钻探数据。9个钻孔(1795米)在资源估算库截止日期后。这些钻孔是出于谴责/基础设施目的而钻的,通常位于矿产资源区之外。截至报告生效日期,Gramalote Ridge没有额外钻探。特立尼达的矿产资源模型建立于2025年,基于截至2025年7月14日收集的钻探数据。截至报告生效日期,特立尼达没有额外钻探。Monjas West的矿产资源模型建立于2023年,基于截至2023年1月4日收集的钻探数据。截至报告生效日期,Monjas West没有额外钻探。模型使用2025年8月6日提供的坑壳假设进行约束,矿产资源估算的生效日期为2025年8月6日。
在Gramalote Ridge、特立尼达和Monjas West,以0.1 g/t Au的标称边界品位创建了低品位(LG)域。此外,在Gramalote Ridge,在标称0.5 g/t的金边界上创建了一个高品位(HG)域。考虑了最小厚度、测井脉络、硫化物、结构模型。
在Gramalote Ridge,使用第二次方(ID2)插值的逆距离加权对块模型估计体积密度。矿化带和风化域被用作这一估计的边界。在特立尼达和蒙哈斯西部,按矿化带和风化域对基于区块模型的比重样本平均值应用了体积密度。
| Gramalote项目 哥伦比亚 NI 43-101技术报告 |
利用分布(概率)图、十分位和高等级测定的空间观测,在每个域/子域中确定封顶水平。化验在合成前被封顶。
为Gramalote Ridge和Monjas West创建了4米长的井下复合材料。特立尼达合成以2米为间隔。
以Gramalote Ridge和Monjas West的4 m封顶复合材料为模型,对变异函数进行了建模,以评估金矿化的空间连续性,并用于金品位估算检查。在特立尼达的2米封顶复合材料上运行变异函数,以评估空间连续性和金矿化趋势,并用于金品位估算检查。模型变异函数块向下调整用于普通克里金插值,以更好地与支持变化分布相协调。
在Gramalote Ridge,矿化域线框被编码为15 x 5 x 10 m块,沿域/风化边界具有低至5 x 0.2 x 0.5 m的亚单元。LG和HG矿化域作为相对于废物域的硬边界用于品位估算。由于HG/LG触点处品位的可变性,一个触点的井上和井下2 m的材料与邻接域共享。搜索方向由Datamine的动态各向异性搜索控制。复合材料在氧化物(腐泥石)/新鲜边界共享以进行估算。使用反向距离加权到三次方(ID3)、普通克里金(OK)和最近邻(NN)算法,将黄金和白银品位估计为父母大小的块。矿产资源报告从OK估计。
特立尼达的矿化域线框被编码为15x5x10m块,沿域边界具有低至3x1x1m的子单元。LG矿化域充当了品位估算的硬边界。使用2米封顶复合材料,金和银品位估计成15 x 5 x 10米块。搜索方向由Datamine的动态各向异性搜索控制。复合材料在氧化物(腐泥石)/新鲜边界共享以进行估算。使用ID2、OK和NN插值到母体大小的块中估算黄金和白银品位。矿产资源报告来自ID2估计。
区块模型估计值使用不同去集散(NN和单元去集散)方法的比较进行检查;区块等级与复合体在横截面和水平上的可视化比较;来自不同估计技术的全局区块统计数据的比较;用于审查估计中潜在的局部偏差的条带图;以及支持比较的全局变化。
| Gramalote项目 哥伦比亚 NI 43-101技术报告 |
Gramalote Ridge资源分类钻孔间距如下:
无实测分类;
标明:50-60米钻孔间距;
推断:100-120米钻孔间距。
特立尼达资源分类钻孔间距如下:
未测量或指示分类;
推断:100-120米钻孔间距或30-40米内任意钻孔。
Monjas West资源分类钻孔间距如下:
未测量或指示分类;
推断:100-120米钻孔间距或30米以内的任何钻孔。
Gramalote Ridge、特立尼达和Monjas West被认为可能适合露天采矿方法的矿产资源被限制在概念性的Lerchs-Grossmann矿坑外壳内。计算得到的盈亏平衡边界品位,氧化物为0.13克/吨金,硫化物为0.16-0.18克/吨金。所有矿床可能适合露天开采的矿产资源高于氧化物0.13克/吨金的边界,高于硫化物0.16克/吨金的边界。
对Gramalote Ridge坑优化的限制被应用在一些规划的基础设施周围,具体来说是工厂、主要运输道路和Guacas河改道。
1.11矿产资源报表
指示矿产资源列于表1-1,包括转换为概略矿产储量的指示矿产资源。未转化为矿产储量的矿产资源不具备经济可行性证明。推断的矿产资源见表1-2。
该估算的QP是B2Gold美洲勘探经理Stephen Jensen先生,P.Geo.。
| Gramalote项目 哥伦比亚 NI 43-101技术报告 |
表1-1:指示矿产资源报表
| 面积 | 吨 (x1,000) |
黄金 等级 (g/t AU) |
含金 盎司 (x1,000) |
银 等级 (g/t Ag) |
含银 盎司 (x1,000) |
| Gramalote Ridge Oxide | 4,908 | 0.51 | 81 | 2.12 | 335 |
| Gramalote Ridge硫化物 | 151,501 | 0.71 | 3,443 | 0.88 | 4,307 |
| 指示矿产资源总量 | 156,409 | 0.70 | 3,524 | 0.92 | 4,642 |
表1-2:推断矿产资源报表
| 面积 | 吨 (x1,000) |
黄金 等级 (g/t AU) |
含金 盎司 (x1,000) |
银 等级 (g/t Ag) |
含银 盎司 (x1,000) |
| Gramalote Ridge Oxide | 730 | 0.43 | 10 | 0.85 | 20 |
| 氧化特立尼达 | 9,070 | 0.43 | 124 | 1.05 | 305 |
| Monjas West Oxide | 2,285 | 0.53 | 39 | 0.77 | 56 |
| 小计氧化物推断 | 12,085 | 0.45 | 173 | 0.98 | 381 |
| Gramalote Ridge硫化物 | 9,666 | 0.53 | 164 | 0.81 | 251 |
| 特立尼达硫化物 | 80,090 | 0.48 | 1,244 | 0.53 | 1,361 |
| Monjas西硫化物 | 21,118 | 0.63 | 430 | 0.40 | 274 |
| 推断的硫化物小计 | 110,873 | 0.52 | 1,839 | 0.53 | 1,886 |
| 推断矿产资源总量 | 122,958 | 0.51 | 2,012 | 0.57 | 2,267 |
矿产资源表随附注意事项:
1.矿产资源已使用2014年CIM定义标准进行分类。
2.报告的矿产资源包括那些转换为矿产储量的矿产资源。不属于矿产储量的矿产资源不具备经济可行性证明。
3.该资源估算的QP是B2Gold美洲勘探经理Stephen Jensen,P.Geo.。
4.矿产资源按100%项目上报。Gramalote Ridge、特立尼达和Monjas West的估计生效日期为2025年8月6日。
5.Gramalote Ridge的矿产资源假设氧化物的冶金回收率为84%,硫化物的冶金回收率为92.7-97.6 %,运营成本估计平均开采成本为2.59美元/吨,处理氧化物的加工成本为6.13美元/吨,处理硫化物的加工成本为9.74美元/吨,一般和行政成本为2.10美元/吨,处理和销售成本为82.84美元/盎司生产的AU。
6.特立尼达的矿产资源假设氧化物的冶金回收率为81.7%,硫化物的回收率为90.9%,运营成本估计平均开采成本为2.41美元/吨,处理氧化物的加工成本为6.13美元/吨,处理硫化物的加工成本为9.74美元/吨,一般和行政成本为2.10美元/吨,处理和销售成本为82.84美元/盎司生产的金。
7.Monjas West的矿产资源假设氧化物的冶金回收率为81.7%,硫化物的回收率为87.6%,运营成本估计平均开采成本为2.58美元/吨,处理氧化物的加工成本为6.28美元/吨,处理硫化物的加工成本为9.89美元/吨,一般和行政成本为2.10美元/吨,处理和销售成本为82.84美元/盎司生产的金。
| Gramalote项目 哥伦比亚 NI 43-101技术报告 |
8.Gramalote Ridge、特立尼达和Monjas West的矿产资源报告为氧化物0.13g/t Au和硫化物0.16g/t Au的边界。
9.所有吨位、品位和所含金属含量估计数均已四舍五入;四舍五入可能会导致吨位、品位和所含金属含量之间的明显加总差异。
可能影响矿产资源估算的因素包括:金属价格和汇率假设;用于生成黄金品位边界品位的假设的变化;对矿化几何和矿化带连续性的当地解释的变化;对地质和矿化形状以及地质和品位连续性假设的变化;密度和区域分配;对岩土、采矿和冶金回收假设的变化;与限制估算的概念矿坑有关的输入和设计参数假设的变化;以及对进入现场、保留矿产和地表权所有权的持续能力的假设,保有环境等监管许可,保有社会许可探索取得社会许可经营。
1.12矿产储量估算
矿产储量仅由Gramalote Ridge矿床的指示矿产资源转换而来。推断的矿产资源被设定为浪费。
该矿山规划假定采用常规开采方法和设备进行露天开采。
使用Geovia Whittle坑优化软件完成坑优化。为了定义内部和最终坑阶段,完成了86项优化,从525美元/盎司AU开始,运行到3500美元/盎司AU。1750美元/盎司的AU坑壳被选为终极坑的设计基础。使用768美元/盎司的AU外壳定义了更小的Phase 1,允许更低的剥离率和早期获得更高等级的材料以支持快速回收。
总共只选择了两个采矿阶段。1期目标为从坑心向东部坑壁延伸的中高品位带。这一阶段旨在在运营的最初几年交付更高品位的矿石,同时为开发第2阶段最终矿坑留出足够的时间。
对于矿产储量报告,采用0.40克/吨金的应用边界品位。矿山计划将只处理硫化物材料。氧化物材料不包括在矿产储量中。
1.13矿产储量报表
Gramalote Ridge最终矿坑设计内报告的项目矿产储量估算见表1-3。
| Gramalote项目 哥伦比亚 NI 43-101技术报告 |
表1-3:矿产储量报表
| 面积 | 吨 (x1,000) |
金级 (g/t AU) |
含金 盎司 (x1,000) |
| 格拉马洛特岭露天矿坑 | 76,700 | 0.96 | 2,360 |
| 概略储量合计 | 76,700 | 0.96 | 2,360 |
矿产储量表随附说明:
1.矿产储量已使用CIM定义标准进行分类,在交付给加工厂时报告,生效日期为2025年4月1日。
2.矿产储量按100%项目上报。
3.矿产储量估算的QP是PEE,B2Gold项目副总裁Peter Montano先生。
4.矿产储量基于常规露天采矿方法,金价为每盎司1750美元,冶金回收率平均为95.6%,包括特许权使用费在内的销售成本为每盎司60.00美元,平均开采成本为每吨开采的2.70美元,平均加工成本为每吨加工的8.50美元,平均场地一般成本为每吨加工的3.80美元。
5.通过整块平均应用储量模型稀释和矿石损失,使得在0.40克/吨的AU边界下,与矿产资源模型相比,吨增加1.2%,品位减少4.6%,盎司减少3.5%。
6.矿产储量报告超过0.40克/吨金的边界品位。
7.所有吨位、品位和所含金属含量估计数均已四舍五入;四舍五入可能会导致吨位、品位和所含金属含量之间的明显加总差异。
该估算的QP是PEE,B2Gold项目副总裁Peter Montano先生。该概算生效日期为2025年4月1日。
可能影响矿产储量估算的因素包括:黄金价格假设的变化;矿坑坡度和岩土假设的变化;不可预见的稀释或矿石损失;水文地质和矿坑脱水假设的变化;资本和运营成本估算投入的变化;约束矿坑外壳中使用的运营成本假设的变化;重新安置和搬迁计划的延迟或变化;矿坑设计与目前设想的变化;采矿或碾磨生产力假设的变化;以及修改因素假设的变化,包括环境、许可和社会经营许可。
1.14采矿方法
采矿作业将采用常规的露天采矿方法和设备,使用业主-经营者采矿设备和人工。
岩土设计是基于从几年的地表测绘方案收集的信息、岩土测井数据、光测井观测、定向岩心数据、声学电视检视仪数据以及实验室测试结果,以评估完整的岩石强度。板凳高度规划为20米。坡间角在新鲜岩石中约为53-60 °,在覆盖层和风化岩石中约为37 °。
| Gramalote项目 哥伦比亚 NI 43-101技术报告 |
完成了水力场试验,确定了项目现场各水文地质单元的水文特征。其中包括压力计测量、恒定放电测试、落头测试和Lugeon/packer水力传导率测试。预计在氧化物和新鲜岩石的接触处会出现地下水渗漏,并将在坑内的这一水平设置一个25米的护堤进行管理,以引导地下水。井下用水将采用移动式柴油泵和油底池进行管理。根据季节情况,估计抽水率将在100-400 m丨/小时之间。
硫化物材料的计算边界品位为0.24克/吨金;然而,出于矿山规划目的,应用了0.40克/吨金的提高边界品位。
Gramalote Ridge矿床计划分两个阶段开采:
Pit Phase 1计划在建设的第二年开始,并持续到运营的第四年,深度达到370米。开采结束时,坑口1期长约900米,宽约500米,深约370米。这一坑阶段设计包含102公吨,即LOM总吨位的32%;
Pit Phase 2计划在运营的第3年开始,进展到510 m的最终深度。开采结束时,矿坑二期长约1300米,宽约750米,深约510米。这一坑阶段设计包含217公吨,即LOM总吨位的68%。
Pit Phase 1的设计是为了避免Guacas Creek的分流需要,这对生产规划和资本成本都是有利的。然而,Guacas Creek改道将需要在开始矿坑第2阶段之前进行。
主要坡道设计为30米宽,可双向进入,包括排水和护堤津贴,最大坡度为10%。双坡道系统将从660米高程开始,向上延伸至坑口,位于820米高程附近。双坡道系统支持超过75%的总开采盎司。660米标高以下,规划单一坡道系统,由30米宽坡道10%坡度组成,延伸至500米标高。
生产第一年之前的一段时间,预剥削量估计为13公吨。最初的矿石将在ROM地区储存,随后将在El Balzal地区储存。期间运输的部分废料将用于矿山平台和运输道路的建设。
预计最大开采率为35mt/年,包括预剥采期在内的矿山寿命为11年。整体剥采比预测为3.1:1(废料:矿石)。采矿作业将在适用时储存较低品位的材料,这些材料将在矿山寿命结束时进行处理。第一阶段的矿坑将在LOM早期开采,以在生产的最初几年提高植物饲料品位,并保持相对稳定的黄金产量超过LOM。
| Gramalote项目 哥伦比亚 NI 43-101技术报告 |
矿山规划战略包括使用四种库存:
新鲜矿石高品位:≥ 2.1克/吨AU;
新鲜矿石中品位:1.3-2.1克/吨AU;
新鲜矿石低品位:0.6-1.3克/吨AU;
鲜矿极低品位:0.4-0.6克/吨金。
矿化品位0.25-0.4 g/t Au,介于矿山规划的计算边界和高架边界之间,计划放置在圣安东尼奥WRF地区。
WRSF的设计目的是储存大约240公吨的废物,如果需要,还可以增加容量以适应未来的扩张。被归类为潜在产酸(PAG)的废石将被腐泥石包覆。
将需要一支由4台挖掘机、32辆拖运卡车和各种保障设备组成的高峰车队来支持LOM计划。
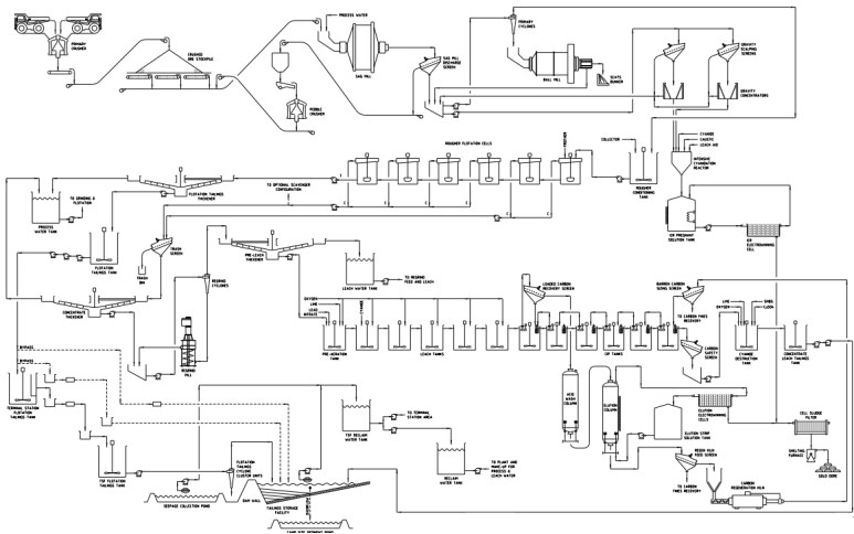
1.15恢复方法
加工厂设计基于稳健的冶金流程图,旨在以最小的运营成本实现最佳回收。该流程图基于在工业中得到充分证明的单元操作。
工厂设计假定的关键项目和矿石特定标准包括:
矿石量6mt/a;
主要单位操作和设备将以20%的设计余量进行尺寸调整,浮选精矿浸出流设备除外;
由于典型的浮选精矿质量拉力预计为3%,因此浮选精矿浸出流设备的尺寸将为5%的质量拉力,没有进一步的设计余量;
加工厂可用性为92%,由破碎矿石储存、关键区域的备用设备和电网供电支持;
充分的自动化工厂控制,最大限度地减少对连续操作员界面的需求,并允许在需要时手动覆盖和控制。
装置设计从单级初级破碎开始,使用回转破碎机生产80%通过率的破碎产品尺寸(P80)150毫米。以名义2.1万t活容量提供设计工厂吞吐量15小时运行的碎矿堆存。在长达三天的初级破碎机设备维护延长期间,来自库存死区的矿石将由挖掘机或推土机回收,以继续向下游二次筛选和破碎回路投料。
| Gramalote项目 哥伦比亚 NI 43-101技术报告 |
来自库存的破碎矿石将由位于库存下方的停机坪馈线回收,以馈送下游电路。
使用值班/备用圆锥破碎机的闭路二次破碎将产生破碎产品尺寸P80约27毫米。与标准SAG磨机电路相比,研磨高效HPGR-球磨机电路需要二次破碎产品的进料尺寸准备。HPGR将与湿法上浆筛处于闭合电路中,尺寸偏小的浆料通过旋风进给泵箱向铣削电路报告。采用水力旋流器闭合回路的球磨机将产生P80研磨尺寸250 μ m。旋风溢流流将通过重力流向浮选回路。
根据冶金试验工作结果和建模优化研究,纳入了重力金回收电路。该电路将包含两个离心重力集中器和一个密集氰化浸出反应器。
该浮选电路将有五个浮选槽串联排列,将采用简单的捕收剂(PAX)和起泡试剂添加方案。如果需要针对更高的精矿品位或更低的质量回收率,则浮选槽只能在更粗糙的或更粗糙的/清除剂流程图中操作。然而,预计仅粗糙的流程图将是主要的操作方法。
浮选精矿将在回料回路之前被泵送到浮选精矿浓缩机。增稠器在初级研磨和浮选回路和再研磨机之间提供缓冲。它还将提供对再研磨电路周围水平衡的控制,并帮助分解可能是再研磨电路问题的泡沫。
再研磨电路将包括一个垃圾屏,用于在碾磨之前清除任何垃圾或垃圾。再研磨机将与水力旋流器处于闭环状态。P的旋风溢流积大小80预计在15%固体(w/w)的低旋风溢流浆密度下可实现20 μ m,以促进更好的分类效率。旋风溢流流将通过重力流向预浸增稠器。
将需要一种用于增加细磨浮选精矿流到浸出回路的浆料密度的预浸出增稠器,以最大限度地减少对浆液槽体积的要求,并减少总体试剂消耗。
预曝气和浸出回路将由六个罐体组成,在设计工厂吞吐量处进行6小时的预曝气和30小时的浸出停留时间。在预曝气和浸出池中加入溶石灰浆料,进行pH调节。加入氰化钠溶液,在溶解氧水平升高和硝酸铅溶液存在的情况下启动黄金浸出过程。
| Gramalote项目 哥伦比亚 NI 43-101技术报告 |
纸浆中的碳(CIP)电路将包括六个阶段的碳吸附,用于回收溶解在浸出电路中的金。将使用压力Zadra洗脱电路将黄金回收到dor é。该电路将包括一个酸洗柱,用盐酸从碳中去除无机污物。
包括一种碳再生窑,用于通过加热从碳中去除有机污垢,包括任何残留的浮选回路试剂。
一种使用SO的氰化物销毁电路2并将利用空气将浮选精矿浸出尾矿排放流中的弱酸解离氰化物浓度降至环境可接受水平。
设计中包括一种浮选尾矿浓缩机,用于在尾矿排放到尾矿管理设施(TMF)之前提高水回收的浆料密度。
该加工厂的电力需求将由国家电网供应提供。该工厂将需要约238,649,287千瓦/a。
该加工厂将使用工艺水、浸出水、再生水、淡水、处理水、腺体水、饮用水。工艺水和浸出水的补给水需求将从再生水塘中抽取,该再生水塘将接受从TMF的尾矿倾液泵回收的水。来自浓缩器溢流的水将在加工厂内循环使用,以减少外部用水需求。约1,200米3/h的醒酒回水从TMF循环到工艺装置。另有约56米3/h的淡水将被要求补充加工厂的用水量。淡水将来自瓜卡斯溪。
该工艺装置内将使用的主要试剂包括熟石灰、PAX捕收剂、起泡剂、氰化钠、硝酸铅、烧碱、盐酸、焦亚硫酸钠、五水硫酸铜、絮凝剂、防垢剂、助熔剂、柴油。
1.16项目基础设施
2025年可行性研究中设想的支持运营的地面基础设施包括:
1个露天矿;分两期开采;
废石储存设施、库存和引水,包括Guacas Creek引水;
工艺厂房:粉磨、浮选、浸出设施、管理及工程处、变屋、车间、仓库、电网开关柜变电站;
| Gramalote项目 哥伦比亚 NI 43-101技术报告 |
矿山设施:重型装备车间、库房和安放区、燃料储存库、燃料配料舱、洗涤舱、轮胎舱、焊接铺、化验室、换房、食堂、炸药库、炸药转运厂、混凝土配料厂;
内部矿山道路,包括拖运道路;
通往Cristales村的社区绕行道路;
矿坑入口和营地住宿;
控沙池塘;
采石场借坑;
Guacas Creek和相关水处理厂的取水口;
尾矿管理设施;
公用事业包括饮用水和废水系统、消防、通信和天然气。
TMF将位于Palestina山谷,设计用于在13年的加工期内储存76.7公吨的尾矿。如果未来任何潜在的矿山扩建或矿山寿命延长需要,该山谷可以容纳更大的设施。220公吨产能的更大容量TMF于2016年获得批准,该批准是当前环境影响评估(环评)的一部分。TMF将是首要水库,将具备时刻管理可能的最大洪水的能力。
TMF将浮选和浸出回路氰化物破坏尾矿流都储存起来,分别处理和存放。尾矿料中含有较高比例的成砂粗粒,拟直接放置在起动坝下游,形成大型砂坝。
由于主要收集在TMF中的大量地表径流,该项目将有一个正的水平衡,这将需要排放。水质模型目前表明,水的排放将符合哥伦比亚的所有监管标准。治水水库、渗淀池和沉淀池将位于不同的集水区,以管理沉积物排放、风暴事件和接触水,包括来自露天矿坑、TMF和WRSF。
淡水将来自Guacas Creek,并将形成饮用水供应。
Guacas Creek需要一条导流通道,因为露天矿坑的后期阶段将冲击小溪通道。水将从目前的小溪航道经大堤分流,进入新航道。
计划中的新的约200人住宿营地将位于行政办公室附近,并将支持建设和运营。现有营地,距离项目区20分钟路程,将提供额外的住宿灵活性,可容纳70个床位。预计很大一部分建筑工人将从附近社区通勤,从而最大限度地增加当地的住宿和交通服务机会。
| Gramalote项目 哥伦比亚 NI 43-101技术报告 |
电力计划通过管道来自以天然气为基础的自发电,利用该项目靠近供应麦德林地区的主要天然气管道2公里的优势。2025年可行性研究假设将与管道所有者就电力供应谈判达成照付不议协议。该协议设想,管道所有者将提供管道到现场,并建设现场电站。
该电厂将由四台燃气发动机组成,总装机容量约为44兆瓦,足以满足约30兆瓦的高峰项目需求。三台发动机将运行,其中一台处于待命状态。该工厂将包括减载能力。
1.17环境、许可和社会考虑
1.17.1环境考虑
项目环评的职权范围由国家环境许可管理局(ANLA)于2012年发布。2015年初提交环评,当年晚些时候获得环境许可。2019年完成了一项修改后的环评(MEIA),并于2019年和2024年批准了对环境许可证的进一步修改。计划提交一份反映2025年可行性研究的更新的MEIA。
基线数据收集始于2011年,并在环境和社会专家的支持下继续更新以支持MEIA。研究包括地质学、土壤、水、生物多样性、气候和社会经济因素。
环境许可证建立了具体的管理和监测方案,以防止、减轻或纠正环境和社会影响。这些方案涵盖项目生命周期(LOM)的所有阶段,包括规划、建设、运营和关闭。
B2Gold还在实施补偿计划,以解决生物多样性丧失、对木质植被和受威胁物种的影响以及土地使用的变化等问题。这些方案包括创建或扩大保护区、建立自愿保护协议、开展生态修复等保护行动。水管理方案已经到位,以保护流域并支持可持续用水。
| Gramalote项目 哥伦比亚 NI 43-101技术报告 |
1.17.2关闭和填海规划
ANLA已根据目前的环境许可批准了该项目的概念性关闭计划(Closure Plan),其中包括有效和逐步恢复受到项目活动影响的区域的战略。概念性关闭计划将在整个项目生命周期内定期修改和更新,以反映设计、建设、运营和关闭阶段的重大变化。
B2Gold估计该项目的环境复垦和关闭负债成本约为5120万美元。根据《哥伦比亚矿业法》(2001年第685号法律),要求一家公司提供财务担保,以确保关闭计划能够得到充分实施,支付与环境整治相关的费用,并履行适用的社会义务。
1.17.3允许考虑
B2Gold通过第1514(2015)号、第309(2016)号和第00782(2019)号决议获得环境许可。该许可证规定了支持项目开发、运营、结项必须满足的条件和要求。B2Gold将根据哥伦比亚立法提交更新的MEIA以供批准,以反映项目变化。
B2Gold持有许多其他关键许可证,但是,该项目将需要一些额外的许可证和授权,包括:
获取和使用爆炸物的授权;
受控化学物质及产品证书;
饮用水供应卫生许可;
建筑许可证;
电气装置技术规程(RETIE);
现有电力线搬迁。
1.17.4社会考虑
该项目的社会经济基线研究作为2015年环评和2019年MEIA的一部分进行,并更新至2025年,评估了对项目直接和间接影响区域内社区的潜在影响。社区参与贯穿了整个环评和MEIA进程,包括100多次利益相关者会议,并将继续作为更新后的MEIA的一部分。已制定管理和监测方案,以预防、减轻和应对潜在的社会影响,涵盖社区参与、健康、教育、文化遗产、土地准入和机构支持等领域。
| Gramalote项目 哥伦比亚 NI 43-101技术报告 |
项目开发需要征地和受影响住户的实物或经济安置。根据哥伦比亚立法、环境许可义务和国际标准,B2Gold制定了重新安置行动计划(RAP)。总共已确定327户家庭受到影响,225户将实际搬迁,102户经济上流离失所。截至报告生效日期,98%的家庭已签署个人协议,其余家庭持续参与。B2Gold已获得土地、完成住房和基础设施设计,并正在实施生计恢复、社区融合和公共服务措施,每季度向ANLA报告直至完成。
手工和小规模采矿(ASM)是该地区的传统经济活动,但会带来环境和社会风险,例如土地和水的退化、童工和非正规就业。自2011年以来,B2Gold一直在监测ASM,2025年约有500名矿工活跃,其中一半在项目足迹内运营。为降低风险和支持社区,B2Gold已在22个采矿协会下正式设立了73个采矿生产单位,使180多名矿工受益,并创造了560多个有社会保障的正式工作岗位。正在进行的举措包括正规化支持、协会发展、环评准备援助和技术培训,正在考虑扩展到新的领域。
1.18市场和合约
没有完成市场研究。该矿将生产的dor é很容易上市。海运和精炼成本预计为黄金3.00美元/盎司,白银1.34美元/盎司。
矿产资源和储量估算中使用的商品价格由B2Gold在企业层面设定。为矿产储量估算提供的黄金价格为1750美元/盎司,2500美元/盎司用于矿产资源估算。财务模型假设长期金价为2500美元/盎司。
收到支持2025年可行性研究的重大合同报价。主要合同将包括通过Indumil(哥伦比亚法律下爆炸物的唯一选择)爆破爆炸物和配件、燃料提供、电力提供、轮胎服务、与基础设施建设相关的联系,以及根据需要的其他采矿和加工消耗品合同。合同将根据需要进行谈判和续签,条款预计将与行业标准保持一致,并与此前由B2Gold执行的类似合同相当。
| Gramalote项目 哥伦比亚 NI 43-101技术报告 |
1.19资本成本估算
LOM计划假设业主运营的矿山运营在特定区域获得承包商支持。建设期假定为两年,在本报告中安排为2027年和2028年,等待许可。
资本和运营成本根据类别以哥伦比亚比索或美元估计,并在适用时按4200 COP:美元的汇率换算。
资本成本主要包括加工设施、场地基础设施、采矿设备和重建,以及重新安置和购买土地。资本成本分为:
维持资本:支持现有LOM计划的成本;
非持续性资本:成本为不一定取决于矿山计划的长期结构或外部项目。非持续性资本包括营地、道路、初始采矿设备车队、矿山服务区和车间、加工厂、尾矿储存设施、重新安置,以及采矿和加工作业所需的其他主要基础设施发展。
商业生产前的建设资本成本估计为7.401亿美元。预计在开始商业化生产后,建设后的资本成本为6770万美元。
采矿船队和基础设施资本总额估计比LOM高出1.405亿美元。建设后,1.495亿美元的资本化废物计入采矿资本成本。建设后的总采矿资本成本估计比LOM高出2.899亿美元。
流程资本成本,建设后,估计为4650万美元超过LOM。
总站点一般资本成本估计比LOM高出600万美元。
填海和关闭的总资本成本估计为5120万美元。
总体资本成本估计汇总于表1-4,估计为12.36亿美元。
1.20营业成本估算
部门费用独立估算。有些部门作为发电、重型设备维修等可分配成本处理,根据使用情况分配给其他部门。
矿山运营成本估计为2.71美元/吨开采的岩石,包括资本化废料。
| Gramalote项目 哥伦比亚 NI 43-101技术报告 |
表1-4:资本成本估算汇总
| 面积 | 分区 | 单位 | 价值 |
| 非持续资本 | 采矿和相关基础设施 | $ m | 87 |
| 废料预条和矿石库存 | $ m | 42 | |
| 加工 | $ m | 313 | |
| 场地一般基础设施 | $ m | 186 | |
| 安置和土地购置 | $ m | 32 | |
| 应急 | $ m | 81 | |
| 建筑小计(商业生产前的所有场地开发) | $ m | 740 | |
| 后期建设(商业生产开始后的所有场地开发) | $ m | 68 | |
| 非持续性资本小计 | $ m | 808 | |
| 维持资本 | 采矿-资本化废物 | $ m | 149 |
| 采矿-不包括资本化废物 | $ m | 140 | |
| 加工 | $ m | 46 | |
| 现场总 | $ m | 6 | |
| 应急 | $ m | 34 | |
| 维持资本小计 | $ m | 376 | |
| 关闭资本 | 关闭成本 | $ m | 51 |
| 所有资本成本合计 | $ m | 1,236 | |
注:由于四舍五入,总数可能不相加。
库存和矿石再处理费用包含在处理费用中。在加工操作的整个生命周期内,总工艺操作成本估计为8.16美元/吨碾磨。
现场一般运营总成本估计为3.64美元/吨,在运营的整个生命周期内处理。
LOM计划运营成本估算列示于表1-5和表1-6。
| Gramalote项目 哥伦比亚 NI 43-101技术报告 |
表1-5:LOM营业成本合计
| 面积 | 单位 | 价值 |
| 采矿成本 | $ m | 823 |
| 资本化废物 | $ m | -149 |
| 加工 | $ m | 626 |
| 现场总 | $ m | 279 |
| 发电厂 | $ m | 0.4 |
| 库存矿石变化 | $ m | 23 |
| 白银销售/信贷 | $ m | -29 |
| 多尔运输、保安、保险 | $ m | 3 |
| 炼油厂收费 | $ m | 7 |
| 总运营成本 | $ m | 1,583 |
注意事项:
1.可分配成本包含在区域总额中。由于四舍五入,总数可能不相加。
2.营业成本总额仅从生产年份报告,不包括预计建设周期。
表1-6:LOM单位运营成本(矿石加工量)
| 面积 | 矿石加工 (美元/吨) |
生产的黄金 (美元/盎司AU) |
| 采矿(所有地区) | 11.27 | 382.58 |
| 加工 | 8.16 | 276.95 |
| 现场总 | 3.64 | 123.63 |
| 合计 | 23.08 | 783.16 |
注:采矿成本为2.71美元/吨,用于采矿,包括资本化废料。加工成本包括库存再处理和适用时的矿石运输。由于四舍五入,总数可能不相加。
运营成本总计15.83亿美元超过LOM。采矿成本将平均11.27美元/吨矿石处理,工艺成本将平均8.16美元/吨矿石处理和现场一般成本将平均3.64美元/吨矿石处理,整体矿石处理成本为23.08美元/吨。
LOM计划运营成本预估总计783.16美元/盎司金产量,或23.08美元/吨加工量。
| Gramalote项目 哥伦比亚 NI 43-101技术报告 |
1.21经济分析
1.2 1.1前瞻性信息声明
识别具有前瞻性的信息包含在本报告前面的声明中。
1.2 1.2使用的方法
以独立模型支持矿产储量申报的财务模型,该模型根据预定的矿石产量、假定的加工回收率、金属销售价格、4200 COP/美元的汇率、预计的运营和资本成本以及估计的税收计算年度现金流。
财务分析基于5%的税后贴现率。所有成本和价格均以未升级的真实美元计算。
所有成本均基于拟建格拉玛洛特岭矿的预测成本。收入根据第19.2节中描述的可回收金属和长期金属价格以及汇率预测计算得出。
1.2 1.3假设
Royalites较LOM平均上涨3.2%。
经济分析以100%股权融资为基础,以100%项目所有权为基础进行报告。经济分析假设价格不变且没有通胀调整,长期金价为2500美元/盎司。
在哥伦比亚,金矿商就提取的黄金“矿头”价值向国家支付4%的特许权使用费,按国际金价的80%计算,导致有效的特许权使用费率约为市场价值的3.2%。作为基准的国际黄金价格以伦敦金银市场协会(LBMA)等公认金融机构或其他广泛接受的国际大宗商品交易所发布的每日现货价格为基础。
此外,金矿公司需缴纳35%的企业所得税,虽然根据哥伦比亚2022年的税收改革,特许权使用费最初不可扣除,但2024年宪法法院的一项裁决恢复了它们的可扣除性,允许矿商从其应税收入中减去特许权使用费。
1.2 1.4经济分析
估价日期为2027年1月1日,被建模为建造决定的日期,等待许可。采用5%的贴现率。税后项目NPV为9.41亿美元,计算内部收益率为22.4%,投产后回收期为3.4年。
| Gramalote项目 哥伦比亚 NI 43-101技术报告 |
财务结果摘要见表1-7。
1.2 1.5敏感性分析
金属价格、黄金品位、资本成本和运营成本假设的变化,使用基本案例值上下25%的范围进行测试。结果如图1-1所示。未显示对黄金等级的敏感性,因为它反映了这一敏感范围内的金价敏感性。
该项目对黄金价格和品位的变化最为敏感,对运营成本和资金成本的变化敏感度较低,表现出相似的敏感性。
1.22风险
许可时间假设到2027年将获得所有关键许可,以支持项目建设。延迟发放许可证可能会影响本报告中关于建设和运营的假定日期。
安置假设随着项目的进展而完成。安置过程中的延迟可能会影响本报告中关于建设和运营的假定日期。
项目设计基础包含了在报告生效日期现行的监管要求。在报告生效日期之后更新或更改法规可能需要实施额外的控制措施。
当前通货膨胀和关税带来的持续经济不确定性可能会影响与资本和运营成本估计相关的假设,因此会影响本报告中的经济分析。
由于其对场地准入和开发、当地安全以及接收环境的潜在影响,项目区域内正式开展ASM活动、确定指定的ASM地点以及管理与ASM相关的潜在影响非常重要。
1.23机会
如果能够将指示的矿产资源转换为矿产储量,并通过额外研究将其纳入更新的矿山计划,那么特立尼达和蒙哈斯矿床的矿产资源代表着上行机会。
| Gramalote项目 哥伦比亚 NI 43-101技术报告 |
表1-7:关键财务指标
| 项目 | 单位 | 价值 |
| 生产概况 | ||
| 已加工的含金盎司 | 莫兹 | 2.36 |
| 黄金回收 | % | 95.7 |
| 平均黄金品位 | 克/吨 | 0.96 |
| 生产的黄金盎司 | 莫兹 | 2.26 |
| 年均黄金产量 | koz/年 | 177 |
| 矿山生活 | 年 | 11.0 |
| 磨坊生活 | 年 | 13.0 |
| 加工的矿石吨 | 公吨 | 76.7 |
| 开采的废料 | 公吨 | 241 |
| 废矿剥采比 | 废料:矿石 | 3.1 |
| 项目经济性-2500美元/盎司项目平均金价 | ||
| 非持续性资本-建设 | $ m | 740 |
| 非持续性资本-邮政建设 | $ m | 68 |
| 维持资本 | $ m | 376 |
| 外部项目、填海、封控资本 | $ m | 51 |
| 黄金总收入 | $ m | 5,650 |
| 净现金流 | $ m | 1,630 |
| 净现值5.0% | $ m | 941 |
| 内部收益率 | % | 22.4 |
| 投产后的投资回收期 | 年 | 3.4 |
| 单位运营成本 | ||
| LOM现金运营成本(采矿、加工、场地一般) | $/oz金 | 700 |
| LOM AISC | $/oz金 | 985 |
| 平均LOM开采成本 | $/t岩石开采 | 2.71 |
| 平均LOM加工成本 | $/t已处理 | 8.16 |
NPV =净现值;IRR =内部收益率;AISC =全部维持成本。每盎司AISC是现金运营成本、特许权使用费和生产税、本质上可持续的资本支出、企业一般和行政成本、社区关系支出的总和,所有这些都除以售出的总黄金盎司,得出每盎司的数字。AISC既是卖出的美元/盎司,也是生产的美元/盎司,因为没有时间延迟,因为盎司是在同一时期生产和销售的。
.
| Gramalote项目 哥伦比亚 NI 43-101技术报告 |
图1-1:敏感性分析

注:图由B2Gold编制,2025年。运营支出-运营成本估算;资本支出=资本成本估算。
如果目前被归类为推断的矿化可以升级为更高置信度的矿产资源类别,则估计值有上行潜力。
第9节讨论的众多未钻探前景代表了上行勘探潜力。需要进行钻探以测试这种潜力。
1.24释义和结论
在本报告中的假设下,该项目显示出超过LOM的正现金流,并支持矿产储量估计。矿山计划在所使用的一组假设和参数下是可以实现的。
1.25建议
由于2025年的可行性研究表明一个项目具有积极的经济性,并且建设决策由B2Gold董事会酌情决定和权限,因此QP没有任何有意义的建议可提出。
| Gramalote项目 哥伦比亚 NI 43-101技术报告 |
2.0介绍
2.1导言
Stephen Jensen先生(P.Geo.)、Peter Montano先生(PE)、John Rajala先生(PE)和Ken Jones先生(PE)为B2Gold Corp.(B2Gold)编写了一份关于Gramalote Gold项目(项目)的NI 43-101技术报告(报告)。该项目位于哥伦比亚西北部的安蒂奥基亚省(图2-1)。
Gramalote Limited在哥伦比亚注册为Gramalote Colombia Limited(Gramalote Colombia Limited),是该项目的运营实体。Gramalote Limited是B2Gold的全资子公司。
2.2职权范围
该报告是为支持2025年7月14日提交的题为“B2Gold宣布Gramalote项目的积极可行性研究结果”的新闻稿而编写的。
该报告包括Gramalote Ridge、特立尼达和Monjas West矿床的矿产资源估计以及Gramalote Ridge矿床的矿产储量估计。
报告中使用的单位为公制单位,除非另有说明。除非另有说明,货币单位以美元(US $)为单位。该报告使用加拿大英语。矿产资源按照加拿大矿业、冶金和石油学会(CIM)矿产资源和矿产储量定义标准(2014年5月;2014年CIM定义标准)进行报告。
在早期的项目报告中,Gramalote Ridge矿床也被称为Gramalote Central矿床。目前首选的命名法是Gramalote Ridge。
2.3合资格人士
根据National Instrument 43-101(矿产项目披露标准)中的定义,以下B2Gold员工担任本报告的QP,并遵守表格43-101F1:
| Gramalote项目 哥伦比亚 NI 43-101技术报告 |
图2-1:位置平面图

注:图由B2Gold编制,2025年。
2.4实地考察和个人考察范围
2.4.1 Stephen Jensen先生
Stephen Jensen先生自2008年6月以来连续访问了Gramalote项目现场,最近一次访问是在2025年7月4日。在实地考察期间,他观察了活跃的钻探地点,确认了勘探进展,并审查了测井和取样程序。与B2Gold、Gramalote Colombia以及在与AngloGold Ashanti Colombia S.A.(AngloGold Ashanti)合资期间,与AngloGold Ashanti的工作人员就地质、矿化和资源进行了讨论。
2.4.2 Peter Montano先生
Peter Montano先生于2024年10月24日参观了Gramalote项目现场。在现场时,他视察了拟议的基础设施地点,包括露天矿坑、加工厂、库存、El Balzal废石储存设施(WRSF)和尾矿储存设施(TSF)。
| Gramalote项目 哥伦比亚 NI 43-101技术报告 |
2.4.3 John Rajala先生
John Rajala先生于2011年10月4日至6日访问了Gramalote项目现场。拉贾拉先生在核心棚内查看了核心,并参观了现场,重点关注了总体地形以及潜在的基础设施场地。
2.4.4 Ken Jones先生
Ken Jones先生于2019年8月19日至20日访问了Gramalote项目现场,并于2021年9月29日至10月7日再次访问。
在2021年的现场访问期间,Jones先生观察了主要的拟议基础设施场地,包括加工厂、TMF和矿坑,参观了项目矿权地内的手工采矿场地,并检查了当时存在于La Mayoria的场地设施。在哥伦比亚与Gramalote Sustainability团队合作期间,他还讨论了哥伦比亚的监管框架、包括环境许可证义务在内的项目许可历史,并审查了现有和拟议的环境和社会监测计划。
2.5生效日期
与该报告相关的生效日期有多个,具体如下:
– Gramalote Ridge:2022年3月9日;
–特立尼达:2025年7月14日;
– Monjas West:2023年1月4日;
– Gramalote Ridge:2022年5月11日;
–特立尼达:2025年8月6日;
– Monjas West:2023年2月7日;
矿产资源概算日期:2025年8月6日;
矿产储量估算日期:2025年4月1日;
支撑矿产储量的经济分析日期:2025年7月14日。
整体报告生效日期为2025年7月14日。
2.6信息来源和参考
本报告第27节所列报告和文件被用于支持报告的编写。根据要求,B2Gold和Gramalote Colombia人员提供了更多信息。
| Gramalote项目 哥伦比亚 NI 43-101技术报告 |
2.7以前的技术报告
B2Gold已就该项目提交了以下技术报告:
Gorham,J.P.,2008,哥伦比亚安蒂奥基亚部Gramalote Property更新报告,为B2Gold Corp.编写的43-101技术报告,2008年6月。
Meister,S.N.,2009:Gramalote Ridge Project,Department of Antioquia,Colombia,NI 43-101 Technical Report:Report prepared for B2Gold,effective date 27 February 2009;
Hulse,D.E.,2012:NI 43-101 Technical Report on Resources,Gramalote Project,Providencia,Colombia:Gustavson Associates为B2Gold编写的报告,生效日期2012年6月1日;
Hulse,D.E.,Sobering,G.,Newton,M.C. III,Malhotra,D.,and Daviess,F.,2014:NI 43-101初步经济评估,Gramalote项目,西北哥伦比亚:Gustavson Associates为B2Gold编写的报告,生效日期2014年2月1日;
Garagan,T.、Pemberton,K.、Rajala,J.和Jones,K.,2019:Gramalote Project,Colombia,NI 43-101 Technical Report:Report prepared for B2Gold,effective date 31 December 2019。
| Gramalote项目 哥伦比亚 NI 43-101技术报告 |
3.0依赖其他专家
本节与本报告无关。
| Gramalote项目 哥伦比亚 NI 43-101技术报告 |
4.0财产描述和位置
4.1导言
该项目位于哥伦比亚首都波哥大西北正方约200公里,公路距离约408公里,安蒂奥基亚省地区首府麦德林东北100公里。
该项目的地理中心位于UTM Zone 18N(WGS84):东509,180;北720,330(6 ° 31‘N,74 ° 55’W)。
4.2哥伦比亚的财产和产权
本小节中的信息汇总自Ruiz(2019)、Zapata和Villada(2016)以及哥伦比亚国家矿务局(2019)。
4.2.1矿产权
哥伦比亚的宪法和第685/2001号法律《采矿法典》概述了哥伦比亚采矿活动的监管框架。矿业和能源部发布与矿业部门管理相关的政府政策。分部门包括负责矿产所有权的国家矿务局(NMA)、开展科学研究的哥伦比亚地质局以及处理政策和发展问题的矿业和能源规划股。
哥伦比亚国家拥有土壤和底土的矿产资源。采矿勘探和开采权通过在国家矿业登记处登记的采矿特许权授予私人当事人(包括外国人)。
根据2001年《采矿法》,唯一的矿产所有权是采矿特许权,授予期限为30年。没有自动延长任期;任何延长都必须与NMA协商。NMA可能会对延期许可施加额外的条款和条件,或者可能会拒绝延期授予。
根据1988年《采矿法》授予的矿产所有权包括出资协议、勘探许可证、开采许可证和特许权协议,它们对2001年《采矿法》规定的采矿特许权有不同的条款、权利和义务。除非根据2001年《采矿法》提出了管辖特定许可证的请求,否则这些1988年《采矿法》使用权仍然有效,并受1988年《采矿法》管辖。
采矿活动就采矿特许权管理而言分为三个阶段:勘探、建设和安装以及开采。
采矿被认为是一种公共利益活动,这在实践中使采矿所有权持有人能够要求对采矿项目开发所需的财产进行征收。矿业权持有人也有能力要求对位于矿业权所涵盖区域之外或内部的财产征收地役权。地役权一般在与采矿特许权相同的授予期限内设立。
| Gramalote项目 哥伦比亚 NI 43-101技术报告 |
勘探、建造和组装阶段每年需支付地面费用。这些都是根据采矿特许面积计算的,以及目前的最低月法定工资。额外费用可适用于根据1988年采矿法典授予的采矿权,或与NMA协商并延长特许期限。
土着和非裔哥伦比亚人社区享有优先获得采矿特许权的权利,而不是位于土着和非裔哥伦比亚人社区居住地区的采矿矿床。
4.2.2工作和建设计划(Plan de Trabajos y Obras)
工作和建设计划(Plan de Trabajos y Obras或PTO)是一项强制性技术和操作文件,采矿所有权持有人在根据采矿特许权合同授予的区域内开始任何采矿活动之前必须准备好并向NMA提交该文件。采矿特许权合同是赋予公司在规定区域内勘探、开采矿产资源权利的法律文书。PTO描述了开发阶段的技术、环境、安全、社会和生产计划,必须经过NMA的审查和批准。没有获得批准的PTO,采矿所有权持有人不能合法地开始开采活动。
4.2.3采矿管理整体系统(ANNA Minera)
2019年11月,NMA推出了新的采矿地籍系统,即采矿管理整体系统(ANNA Minera),该系统改变了哥伦比亚采矿地籍。该系统对所有采矿索赔使用网格单元参考,并消除了在前一种系统下相邻索赔之间可能出现的索赔边界位置(“走廊”)中的明显间隙、条子、分数和错误。Gramalote项目索赔已转移到新系统。
4.2.4表面权利
地面权独立于采矿权。预计公司将获得必要的采矿地役权,直接获得地表权利,并进行地表协议以支持计划中的采矿作业。
哥伦比亚约40%的土地已登记产权。哥伦比亚的所有土地都必须在土地注册处登记,每个地块都有一个登记号保存在土地注册处的地籍中。
| Gramalote项目 哥伦比亚 NI 43-101技术报告 |
4.2.5特许权使用费
一旦投产,国家对黄金和白银的特许权使用费为厂址金属总值的4%(根据1994年第141号法第16条)。然而,总金属价值是通过使用伦敦金属交易所黄金和白银现货价格的80%确定的,因此有效的权利费率为3.2%。
这些国家特许权使用费独立于国家、部门和市级税收。
4.2.6环境
环境和可持续发展部、国家环境许可证管理局(ANLA)和地区环境主管部门负责采矿建设和开发阶段的环境许可,以及采矿所有权期限内所需的任何其他环境许可。
可能严重影响自然资源的项目和活动需要以环境许可证的形式进行环境许可。根据采矿项目的规模,环境许可证将由环境许可证机构或区域环境管理局授予,这些机构是在全国不同区域工作的独立和自治组织,负责对其区域内的采矿项目执行环境法规。
根据2015年第1076号法令,目前在勘探阶段不需要环境许可证,但在建设、安装和开发阶段需要。
根据2001年第685号法律、1993年第99号法律和2015年第1076号法律要求进行环境影响评估,并且必须符合环境评估呈报一般方法和具体职权范围的规定。有一项规定是通过修改环境许可证(MEIA)来修订环评。
采矿权人需取得采矿和环境保险保单,该保单必须在整个项目期间内有效。保险要求是,勘探阶段每年计划勘探支出的5%,装配和施工阶段计划投资的5%必须承保。开采阶段需要按照哥伦比亚政府制定的政策,在估计年生产量乘以提取矿物的矿坑价格时,涵盖总量的10%。保险单必须在采矿特许权期限、任何延期期限以及任何此类特许权终止后的三年内到位。
没有关于矿山关闭整治的具体规定。关闭和补救义务在环境许可证中规定,并视具体情况而定,具体取决于矿山类型、矿物和位置。
| Gramalote项目 哥伦比亚 NI 43-101技术报告 |
4.3项目所有权
2005年7月,Sociedad Kedahda S.A.(Kedahda;(现AngloGold Ashanti Colombia S.A)与总部位于哥伦比亚的Grupo Nus订立期权协议,以获得Gramalote项目75%的权益。2007年10月,B2Gold购买了Grupo Nus期权协议的权利,包括Grupo Nus在Gramalote项目中持有的剩余25%权益。
2008年5月15日,B2Gold与AngloGold Ashanti订立协议,据此,AngloGold Ashanti向B2Gold转让Gramalote JV的2%权益,并向B2Gold转让与Gramalote Colombia有关的其他权利,包括AngloGold Ashanti获得额外24%权益的权利,从而B2Gold随后持有Gramalote JV的51%权益(AngloGold Ashanti保留49%),并接受管理Gramalote项目的勘探。此外,AngloGold Ashanti将其在与原始Gramalote财产相邻的额外索赔中的权益转让给Gramalote JV。
2010年,AngloGold Ashanti同意与B2Gold修订股东协议。根据经修订的条款,AngloGold Ashanti重新获得其在合资企业的51%权益,并成为该项目的管理人(运营商),而B2Gold则保留49%的权益。
2017年,Gramalote Colombia和AngloGold Ashanti完成了详细的项目评估。根据Gramalote Colombia和AngloGold Ashanti向B2Gold报告的边际项目经济性,B2Gold选择仅资助2018年Gramalote项目支出中的500万美元,导致该项目的权益减少至48.3%。
2018年末和2019年初,新的资源解读和经济分析表明,该项目具有变得更加稳健的潜力。2019年12月23日,B2Gold与AngloGold Ashanti就Gramalote项目订立经修订和重述的协议,使该项目成为50:50的合资企业。2020年1月1日,B2Gold担任Gramalote项目的运营商。
2023年10月5日,B2Gold收购AngloGold Ashanti拥有的Gramalote项目剩余50%权益,导致B2Gold拥有Gramalote项目100%权益。
4.4矿产保有权
B2Gold通过Gramalote Colombia持有11,008.26公顷的三个已登记特许权合同,即综合采矿权14292,总计8,720.71公顷(简称Gramalote Ridge所有权)、特许权所有权4894,总计2,277.77公顷(简称特立尼达所有权)和特许权所有权QHQ-16081,总计9.78公顷。此外,还有一份矿业权申请,LJC-08012,总面积94.14公顷。
| Gramalote项目 哥伦比亚 NI 43-101技术报告 |
矿业权概要见表4-1,已授予矿业权和采矿权申请的位置图见图4-1。
4.4.1综合采矿权14292
Gramalote Ridge所有权为编号为14292的综合采矿所有权,由11份已登记的特许权合同组成,总面积为8,720.71公顷。
向安蒂奥基亚州长办公室提交了一份单独勘探和开采计划申请,以将采矿所有权6194B、2042、14292、6263、6185B、6054、6032、ICQ-0800631X、7153、5917、IFC-08021整合为单一所有权。2012年5月2日第040497号决议批准将特许权分组为单一采矿特许权协议,采矿权号为14292,所有权转让给Gramalote Colombia。
从采矿法律角度来看,编号14292的采矿业权目前处于建设阶段,拥有由安蒂奥基亚矿业部长签发的2015年12月22日第S201500356632号决议和2016年10月21日第2016060082224号决议批准的专利商标证。ANLA根据2015年11月15日第1514号决议和2016年3月29日第309号决议授予环境许可证,用于高级勘探、建设和调试、开采和关闭活动。
根据2018年批准的PTO修改,建设阶段将在安置义务完成时开始。
根据2021年8月18日第1447号决议,ANLA授权在重新安置过程中开展建筑活动,但须遵守受影响社区的必要重新安置。
4.4.2采矿权4894
特立尼达产权为采矿权编号4894,面积2,277.77公顷。
采矿权地4894原为勘探许可证,根据1999年12月30日第12423号决议授予五年。根据2016年8月11日第2016060072784号决议,安蒂奥基亚矿业部根据2001年第685号法律授权执行采矿特许权合同,并下令按照2016年5月13日的技术概念1239565和2016年8月4日的1242953编制特许权合同。
特许权合同于2019年5月22日由安蒂奥基亚总督签署,并于2019年6月12日登记。
| Gramalote项目 哥伦比亚 NI 43-101技术报告 |
表4-1:矿产保有权表
| 物业单位 | 注册 日期(dd/mm/yr) |
注册 数 |
标题类型 | 产权持有人 | 物业单位 到期日 (dd/mm/yr) |
物业单位 面积RNM (哈) |
评论 |
| 14292(格拉玛洛特岭) | 2013年4月3日 | GAGB-07 | 综合特许经营合同 | Gramalote哥伦比亚有限公司 | 43年4月2日 | 8,720.7095 | 有效的采矿所有权 |
| 4894(特立尼达) | 2019年6月12日 | HDMG-04 | 特许权合同 | Gramalote哥伦比亚有限公司 | 11-Jun-44 | 2,277.7721 | 有效的采矿所有权 |
| QHQ-16081 | 22年8月4日 | QHQ-16081 | 特许权合同 | Gramalote哥伦比亚有限公司 | 52年8月3日 | 9.7817 | 有效的采矿所有权 |
| LJC-08012 | 应用程序 | 不适用 | 应用程序 | Gramalote哥伦比亚有限公司 | - | 94.1378 | 在技术评估中的应用 |
| Gramalote项目 哥伦比亚 NI 43-101技术报告 |
图4-1:授予矿产保有权位置计划

注:图由B2Gold编制,2025年。采矿权4894最下部的小切口代表了正在进行土地归还程序的一部分土地,据此,一名法官裁定,在法庭程序解决之前,这块特定的土地不能提供给一方。
| Gramalote项目 哥伦比亚 NI 43-101技术报告 |
为延长特许权所有权4894的勘探活动,Gramalote Colombia于2023年8月提交了特许权所有权4894与特许权所有权QHQ-16081之间的整合请求。矿业当局于2025年6月批准了整合,然而,整合合同仍需签署:这一过程可能需要6至12个月。
4.4.3采矿权QHQ-16081
采矿权QHQ-16081面积9.78公顷。
2022年7月27日,安蒂奥基亚州长办公室在申请QHQ-16081覆盖的前区域授予采矿特许权。注册于2022年8月4日执行。
关于保有期限,哥伦比亚矿业法规定,一旦特许权合同在国家矿业登记处登记,勘探阶段就开始了。特许权合同(勘探、建设、开采)的总期限为30年,可再延长20年。
根据哥伦比亚的矿业法,生产矿山需缴纳相当于金银生产总值4%的联邦特许权使用费。毛金属价值是使用伦敦金属交易所黄金和白银现货价格的80%确定的,因此有效的权利费率为3.2%的市值。
采矿权是4.4.2节讨论的整合申请的一部分。
4.5表面权利
Gramalote Colombia已开始收购地面权利以支持采矿作业,已完成对所需区域的大部分购买。
2011-2013年进行了一次拿地流程(第一轮收购),协议收购物业34处。由于正在购买土地的区域内的条件(例如受暴力影响、土地所有权缺乏正式性、继承程序未解决、土地所有者未对其财产行使主权等原因),Gramalote Colombia在进行了相关的先前研究后,决定与必须通过司法程序获得该财产的土地所有者协商购买七处财产,然后将其转让给Gramalote Colombia。
根据所进行的数据和研究,Gramalote Colombia制定了一项战略,在建设和运营阶段所需的地方收购那些仍有待收购的物业。征用土地的谈判过程可以由Gramalote Colombia直接进行,也可以通过专家顾问进行,在符合征用土地程序的透明度框架内进行。
| Gramalote项目 哥伦比亚 NI 43-101技术报告 |
4.6水权
Guacas Creek将提供饮用水。Gramalote Colombia目前持有40 L/s的提取许可证。水将通过常规的16 L/s水处理厂进行处理。
该项目位于高雨量区域,年降水量约2.4米,水管理系统将处理正水平衡,确保所有工艺用水需求的充足供应。
4.7特许权使用费和产权负担
4.7.1特许权使用费
特许权使用费在第4.2.4节中讨论。
4.7.2产权负担
截至报告生效日期,由第三方Natalia Nohaba Vallejo针对矿业管理局(Antioquia Mines Secretary of Mines)发布的行政法案提起的法律诉讼正在进行中。矿业管理局(Antioquia Mines Secretary of Mines)没有授予第三方要求的对综合采矿权14292区域内存在的一些“走廊”的采矿权。“走廊”源于哥伦比亚矿业Cadaster图形中的缺陷。
Gramalote Colombia请求成为司法程序的一方,并于2019年8月28日获得接受。因此,Gramalote Colombia将能够在整个诉讼过程中支持矿务局(Antioquia Mines Secretary of Mines)陈述的法律和技术论点。
在Gramalote Colombia的评估中,对该项目产生潜在影响的风险很低。如果法律先例得以维持,那么矿区现状也应得以维持。哥伦比亚矿业Cadaster的“走廊”或图形缺陷不被视为免费区域。如果解释确实将“走廊”视为免费区域,Gramalote Colombia将在时间上拥有优先权利,因为它是第一个申请人。
4.8允许考虑因素
操作的许可考虑因素在第20节中讨论。
在勘探的钻探阶段,需要获得用水和砍树的环境许可。现行用水许可有效。在已授予的Gramalote项目环境许可范围内的区域批准了树木砍伐许可。特立尼达地区的钻探只在那些不需要砍伐树木的地区进行。未来的钻探计划可能需要砍树许可。
| Gramalote项目 哥伦比亚 NI 43-101技术报告 |
不需要特别债券,因为所有特许权合同都需要一份涵盖环境和采矿责任的保险单。
4.9环境考虑
操作的环境考虑因素在第20节中讨论。在项目保有权范围内有活跃的手工采矿团体;这些也在第20节中讨论。
目前的环境负债包括勘探营地、通道和钻探道路以及钻台。
4.10社会许可考虑因素
运营的社会许可考虑因素在第20节中讨论。
4.11关于物业说明和位置的评论
在QP已知的范围内,不存在本报告未讨论的其他可能影响访问、所有权或在项目上执行工作的权利或能力的重大因素和风险。
| Gramalote项目 哥伦比亚 NI 43-101技术报告 |
5.0无障碍、气候、当地资源、基础设施、物理学
5.1可访问性
该项目位于Nus河谷,这是一条连接哥伦比亚首都波哥大和麦德林市至贝里奥港Magdalena河的铺设公路运输走廊。从麦德林(开车约2小时)和波哥大(开车约8-10小时)可通过一条维护良好的铺面道路进入项目现场。
18.2节提供了有关项目访问考虑因素和可用端口的更多信息。
麦德林和波哥大都有每日国际航班服务,
5.2气候
项目周边地区为温和热带气候,全年白天平均气温约24 ° C。每年的降雨量平均约为200厘米,大部分落在3月至5月和9月至12月的两个雨季。
未来的采矿作业计划全年进行。
5.3地方资源和基础设施
项目地点距离贝里奥港约55公里,公路距离约73公里。从贝里奥港出发,可直达加勒比海岸主要海港巴兰基亚的水上通道。
距离项目地点最近的城镇普罗维登西亚是一个历史悠久的采矿供应中心,由圣罗克市管理,位于格拉马洛特项目西南12公里处。碎石路将小镇和农场人口与Nus河谷基础设施连接起来。
项目区1公里范围内有一条非活动的货运、客运铁路线,伴随着活动的高压电线通过。就区域而言,中部安蒂奥基亚省是大规模水力发电的枢纽。Gramalote Colombia拥有一座2.3兆瓦的水电站,目前正在Gramalote项目区内的Guacas Creek发电。最近的适合并网的高压变电站位于距项目现场约30公里处。
项目所在地附近的几个小镇,有着悠久的牧场历史和小规模采矿,可以提供现成的劳动力。当地劳动力没有接受现代勘探和采矿技术的培训,因此对一些外籍人员的培训和输入很可能是必要的。麦德林提供支持勘探、建设和生产的人员、设备和承包商。
| Gramalote项目 哥伦比亚 NI 43-101技术报告 |
第18节提供了有关拟议基础设施的更多信息。
5.4生理
该项目位于努斯河河谷形成的地形洼地的南缘,努斯河河谷是哥伦比亚中科迪勒拉大致平面的南向和东向倾斜的安蒂奥基亚高原内的一个主要西北向结构性洼地。努斯河从安蒂奥基亚高原中部地区向东流入马格达莱纳盆地。在拟建的格拉马洛特岭矿址区域内还发现了另外两个主要排水系统:巴勒斯坦河谷,以及瓜卡斯溪,此外还有努斯河。
努斯河河谷沿线地形起伏,局部有陡坡和切口。项目区域内的海拔范围为800-1500masl,而安蒂奥基亚高原上空的海拔一般在2300-2500masl之间。
天然基岩露头罕见。热带风化拉土溶胶剖面很常见,在未受扰动地区平均15米厚。
来自冲积层和硬岩来源的小规模手工采金业在努斯河河谷的整个地区都很明显。
在手工矿区之外,该地区主要被草牧场和农田所覆盖,以郁郁葱葱、低生长的安第斯森林为主的自然植被斑块有限且分散,大部分保留在河道和排水渠源头沿线。
努斯河流域的农业活动以放牛和种植甘蔗、原糖(panela)和热带水果生产为中心。
5.5地震活动
作为MEIA的一部分,对项目区域可能发生的地震活动进行了概率评估。所使用的记录来自国家地震台网,涵盖1993-2003年期间,以及来自麦德林国立大学地震信息处理中心编制的哥伦比亚历史目录,涵盖1656-1993年期间。
预测项目区域500年回报周期平均峰值加速度为0.14g。这种重力加速度估计代表了低到中等水平的地震风险。
| Gramalote项目 哥伦比亚 NI 43-101技术报告 |
5.6地表权利的充分性
为本报告所讨论的计划矿山寿命和矿山计划的露天矿坑、废石储存设施、厂房、尾矿储存设施、相关基础设施和其他运营要求,有足够的表面积。
Gramalote Colombia已开始收购地面权利以支持采矿作业(另见第20节中的讨论),已完成对所需区域的大部分购买。采购包括位于瓜卡斯溪瀑布底部的2.2兆瓦水电站,该电站于2021年获得担保。
| Gramalote项目 哥伦比亚 NI 43-101技术报告 |
6.0历史
6.1勘探历史
格拉玛洛特地区的手工采金业历史悠久,可能可以追溯到前哥伦比亚时代至今。历史上的生产以水力技术为主,到1900年代初,许多作业在整个Nus河谷生产黄金,包括在Gramalote Ridge、Guacharacas、La Trinidad、Cisneros和El Limon。矿工们在Gramalote Ridge周围的表层氧化带以及冲积矿床中开采了富集残留物的崩积层和矿化的原位腐泥土。
现代勘探活动汇总于表6-1。该表格还提供了有关合资公司完成的内部研究的信息。
6.2生产
从项目地区一直没有正式生产。
没有关于历史手工生产的记录。根据由B2Gold赞助的正规化进程,手工采矿者生产了约11,000盎司黄金。
| Gramalote项目 哥伦比亚 NI 43-101技术报告 |
表6-1:勘探历史
| 年份 | 接线员 | 注意事项 |
| 16第至20日下旬第几个世纪以来 | 手工采矿活动。 | |
| 2005年前 | Aristizabal家族 | Aristizabal家族对目前项目区域的一部分拥有所有权,该区域现在以采矿权14292持有。 |
| 1995 | Metallica Resources,Inc.(MRI) | 与Sergio Aristizabal执行初步勘探协议。完成Gramalote Ridge地区地表采样测绘。 |
| 1997 | Gridiron勘探有限公司 | 简要评价研究。 |
| 1999 | Placer Dome Exploration Inc。 | |
| 2000 | Industrias Pe ñ oles(Grupo Nus附属公司) | |
| 2003 | Sociedad Kedahda(AngloGold Ashanti) | 已审核物业面积。 |
| 2003-2007 | AngloGold Ashanti | 巩固矿产勘探权,并于2005年与Grupo Nus正式订立合资协议。完成格拉玛洛特岭及周边地区详细地形测量。地表采样包括277个溪流沉积物样本、50-200米中心的区域土壤采样(2853个样本)、Gramalote Ridge上空50 x 100米中心的填充土壤采样(491个样本);Gramalote Ridge周围外采矿化的抓取、芯片、通道和面板采样(266个样本);区域侦察岩屑采样(1384个样本)。格拉玛洛特海岭地质构造详图。 格拉玛洛特岭上空试验性内部地基磁强计勘测,共勘测59条线路116线公里。岩石学薄抛光断面及金分布的微探针研究。挖掘和完成通道和散装矿物采样240米长的隧道(adit),横截面积2 x 2米,在新鲜(未风化)的岩石中,漂流到格拉玛洛特岭的东北侧翼。共钻取岩心孔43个(12,312米)。对格拉玛洛特岭周边各地从地下隧道和钻芯采集的矿化含硫化物材料进行两个阶段的初步冶金试验工作。初步矿产资源估算。 |
| 2008-2009 | B2Gold | 完成了主要格拉玛洛特海岭地区众多矿脉走向的地表构造测绘和岩石取样。重新映射并重新采样平行线。岩心钻探计划包括89个钻孔(29,87.70米),其中包括位于格拉玛洛特岭的21,548.90米(65个钻孔)和位于特立尼达的70,19.26米(20个钻孔)。Gramalote Ridge矿产资源估算于2009年更新。 |
| Gramalote项目 哥伦比亚 NI 43-101技术报告 |
| 年份 | 接线员 | 注意事项 |
| 2010-2011 | AngloGold Ashanti | 评估研究、初步工程调查、冶金测试样品钻探(10个岩心孔2,811.36米)在Gramalote Ridge、特立尼达、Monjas West、Monjas East、Limon和Topacio勘探钻探72个岩心钻孔(25,798.64米)。 |
| 2012 | 在Gramalote Ridge、Monjas West和La Maria的26个岩心孔中进行14,0 19.65米的资源和勘探钻探。2012年更新的矿产资源估算。 完成内部评估研究(2012年评估研究);未满足AngloGold Ashanti内部障碍。2012年末第二次内部评估研究更新(2012年评估研究更新)。 |
|
| 2013 | Gramalote Ridge、Monjas West和Limon共有29,140.87 m(128个岩心孔)。2011-2013年,完成基础设施报废77个岩心孔11,68 2.50米,完成格拉玛洛特岭冶金13个岩心孔5,125米。内部评价研究进一步更新(2013年评价研究)。AngloGold Ashanti内部门槛率仍未达到。 | |
| 2014 | 在Gramalote Ridge完成14个核心孔7,160.13 m。完成了初步经济评估(PEA;2014年PEA)。在研究中的假设和解释下,研究显示了积极的经济学。 | |
| 2015-2016 | Gramalote Ridge腐泥岩区完成211个岩心孔(3482.64m)。矿产资源估算更新。内部评价研究更新(2016年评价研究)。在勘探靶区钻出7,039.34米(28个岩心孔),其中有几个在现产区域外。 | |
| 2017 | 在Gramalote Ridge完成14个岩心孔(3,320.09 m)。更新的矿产资源估算。完成内部采矿研究,简称‘预可行性研究’。 | |
| 2018 | 在Gramalote Ridge完成了2个岩心孔(1,589.61 m)和105个RC钻孔(8,484 m)以及在外部目标的10个勘探孔中完成了1928.98 m。 | |
| 2019 | B2Gold | 编制了更新的资源模型,并完成了新的资源估算。进行了第二次PEA(2020年PEA)。启动Gramalote Ridge钻探计划,以支持将推断矿产资源潜在转化为指示资源。 |
| 2020-2022 | 完成格拉玛洛特岭资源转换钻探项目78,638 m(233个岩心钻孔)。可行性研究相关基础设施117个岩心孔共计3,417.26米。完成了可行性研究。 2022年8月,合资伙伴确定2022年可行性研究中设想的Gramalote项目未达到项目开发的投资门槛。 |
|
| 2023-2025 | B2Gold更新了较小规模项目场景的可行性研究。完成勘探取样(岩屑、挖沟)和基础设施位置相关钻探。 |
| Gramalote项目 哥伦比亚 NI 43-101技术报告 |
7.0地质环境和矿化
7.1区域地质
该项目位于哥伦比亚中部科迪勒拉的北部。地体主要由一个变质基底复合体和安蒂奥基亚基岩组成(图7-1)。Cajamarca-Valdivia基底地体(Cediel and Ciceres,2000 and Cediel et al,2003)由早古生代变质岩组成;以及蛇绿岩、海洋岩、火山岩和侵入岩。
白垩纪期间,古生代基底杂岩和中生代层序受到安蒂奥基亚岩的侵扰。这种多相、钙碱性、I型侵入杂岩主要由有局域闪长岩和花岗闪长岩相的云长岩组成,暴露面积> 7800km2.
在西面,Cajamarca-Valdivia基底以浪漫断层和缝合系统为界,这是一个一般向北和右旋横流的巨型结构,记录了整个中生代晚期和新生代沿安第斯山脉北部边缘额外的异域海洋地体的就位。在基岩内部注意到主要的线条,特别是在其东部区域(图7-2)。这些线条通常是西北偏西走向,并记录了自转和左旋剪切事件。南北向延伸和东北向剪切的下属带与区域左旋剪切模式有关,似乎为晚岩浆-热液活动和金(± Cu、Mo、Pb、Zn、Ag)矿化在岩基各板块的集中提供了重要的控制机制。
7.2项目地质
7.2.1岩性
一般项目区内,安蒂奥基亚岩基岩内主要成分类型为云长岩和花岗闪长岩,次生二长岩和辉长岩。阿拉斯喀特、长英岩和安山岩堤侵入了该建筑群。主要岩石类型汇总于表7-1。图7-3中包含一张项目地质图。
AngloGold Ashanti进行的年龄测定表明,金矿化与59.2 ± 1.2至60.7 ± 1.0Ma的岩基结晶的最后阶段有关。
| Gramalote项目 哥伦比亚 NI 43-101技术报告 |
图7-1:区域地质

注:图由B2Gold编制,2025年。除Gramalote矿床外,B2Gold对图中显示的项目没有兴趣。
| Gramalote项目 哥伦比亚 NI 43-101技术报告 |
图7-2:区域结构设置

注:图由B2Gold修改,2025,后为Valencia,2007。
| Gramalote项目 哥伦比亚 NI 43-101技术报告 |
表7-1:主要岩石类型
| 单位 | 注意事项 |
| 铁榴石、花岗闪长岩 | 主要由斜长石晶体、石英和镁铁质矿物(黑云母和角闪石)组成。 |
| 石英闪长岩 | 石英含量10-20 %,以钙质斜长石和镁铁质矿物为主,含量可变(角闪石和/或黑云母)。镁铁质矿物可以被改变为绿泥石。 |
| 细粒斑状闪长岩 | 斑状火成岩纹理,斜长石和石英表晶直径0.5-2.0毫米,嵌入隐晶基质中。基质中还含有镁铁质矿物,如角闪石和云母(黑云母)。 |
| 微闪长岩堤防 | 与斑状闪长岩相似,但晶体尺寸< 0.5mm。在Gramalote Ridge的邻近地区获得认可。在与宿主云闪岩/花岗闪长岩接触的地方形成偶尔受到热液事件影响的厘米堤防。 |
| 二长花岗岩 | 本质上由黑云母和斜长石组成。包括中至大型等粒粉K长石,和微红石英。 |
| 尖晶石和伟晶岩 | 晶粒主要由碱长石、石英和云母(当地为黑云母)组成。典型的,隐匿性纹理,大小从mm到cm尺度不等。 伟晶岩有相似的成分,但更粗糙。 |
| Gramalote项目 哥伦比亚 NI 43-101技术报告 |
图7-3:项目地质图

注:图由B2Gold编制,2025年。Gramalote = Gramalote Ridge
| Gramalote项目 哥伦比亚 NI 43-101技术报告 |
7.2.2 Structure
构造设置以两个北南向断裂带为主,东为巴勒斯坦断裂带,西为米拉弗洛雷斯断裂带。这些通过‘马尾’区域延伸结构与北部的努斯河结构断裂和南部的克里斯塔莱斯剪切带联系在一起。在这两个区域结构之间发展出双复剪切带作为二阶结构,在二阶结构之间发展出从属的三阶和四阶张力间隙。
格拉玛洛特岭位于两条向西北偏西方向的宏观尺度曲线之间,这些曲线向东伸展着巴勒斯坦断层,并横断了安蒂奥基亚基岩,被称为努斯河和埃尔索科罗线。
沿Nus和El Socorro线的差异运动被认为在云长岩内产生了西北偏北、南北和东北走向的张拉扩张,反映在网状片状石英和石英-碳酸盐细脉的形成上。
7.3存款说明
7.3.1格拉玛洛特岭
尺寸
Gramalote Ridge矿床的尺寸为1,300x1,500x700米。该矿化已被钻探测试到约865米的深度。
岩性
Gramalote Ridge的矿化位于区域石英闪长岩和闪长岩内的均匀的中粒英云母-花岗闪长岩体中,该闪长岩和闪长岩构成了大部分Antioquia基岩。云长岩中常见的是坡岩和伟晶岩岩脉,以及次要的安山岩岩岩脉。内部相变化在托纳利岩体内也很常见,托纳利岩体向南与承载Limon和La Maria矿脉的石英闪长岩有过渡侵入性接触。
改建
蚀变是结构控制的,发生在矿脉周围既有宽阔的带又有狭窄的接缝。在Gramalote Ridge,静脉镶边的范围从几毫米到多达10厘米。
较宽的蚀变带模拟了脉缘,从外部石英-绢云母带向内部碳酸盐和钾带发展。在地表发现了一个小的表生泥质蚀变带。从新鲜岩石到最强烈蚀变岩石的磁铁矿逐渐被破坏,这使得蚀变在某种程度上可以利用岩石的磁化率进行‘映射’。
| Gramalote项目 哥伦比亚 NI 43-101技术报告 |
三、在一般< 20厘米的范围内,从新鲜岩石向矿化脉移动的典型的是弥漫性、重叠的蚀变带:
远端初生绢云母(斜长石蚀变为细云母)带部分氧化磁铁矿、黑云母蚀变为绿泥石;
以黄铁矿取代磁铁矿的中间广泛绢云母化和初期碳酸盐带,初期碳酸盐化;
无磁铁矿、± K长石、白云母充分替代绿泥石、碳化程度增加的近区。
风化
腐泥岩和saprock(氧化物)中的矿化是原位风化的,没有显示出显着迁移或位移的迹象。风化矿化仅限于新鲜矿化正上方的区域,占矿化的一小部分。腐泥石/叶板厚5-55米不等,Gramalote Ridge整体平均厚18米,矿化以上厚约14米。
矿化
Gramalote Ridge矿化发生在几个沿走向和下倾周期性聚结的区域内。区域宽度变化,真实宽度为10-150米,向东南偏南垂直或亚垂直倾斜。这些东-东北走向的矿化廊道由脉密微微到中度增加、聚结蚀变垫长、硫化物百分比组成,内部细脉呈三个主要方向(西北、南北和东北)。
该矿床保持深度开放。
矿化是矿脉宿主,要么在片状细脉中,要么在当地的库存中,并且是结构控制的。由于与矿化细脉相关的蚀变光晕,矿化带在磁图中形成了磁低。图7-4显示了穿过Gramalote Ridge矿床的横截面。
| Gramalote项目 哥伦比亚 NI 43-101技术报告 |
图7-4:横截面,Gramalote Ridge矿床

注:图由B2Gold编制,2025年。
| Gramalote项目 哥伦比亚 NI 43-101技术报告 |
以下共生阶段被确定并与静脉和改变类型相关:
具有弱钾蚀变晕和细粒黄铁矿的石英-碳酸盐细脉;
石英-方解石-黄铁矿或黄铜矿-金细脉;与发育良好的钾长石或碳酸盐蚀变有关。与黄金等级升高有关。金与黄铜矿一起出现在黄铁矿的裂缝中。硫化物可以包括辉钼矿,更罕见的是闪锌矿;
黄铁矿-白色云母细脉,有少量方解石或石英。伴生于主岩中到强烈发育的白色云母蚀变。很少矿化;
粗粒黄铁矿细脉和透镜。通常与最高等级的黄金价值相关联。优先位于石英-碳酸盐细脉的边缘或中心线处。
1-6型静脉汇总,从最小到最大,见表7-2。横切关系可能非常多变,大多数静脉类型,特别是类型1-4也可能是同步的。异常金矿化伴生类型1、类型2和类型5的脉型,类型1和类型2最为普遍。7型矿脉与侵入性织物有关,而不是与矿化系统有关。
银金比约为1:1。游离金与几种碲化物和铋硫盐矿同时发生,表现为含银黄金。
原生硫化物矿化由黄铁矿和黄铜矿组成。
7.3.2特立尼达
尺寸
特立尼达矿床的尺寸约为1,500x500米。已对矿化进行钻探测试,深度约为521米。
岩性
特立尼达矿化位于与Gramalote Ridge描述的岩石类型相似的岩石类型中。
宿主英云母-花岗闪长岩具有弱磁性,矿化/蚀变具有磁性破坏性,因此矿化带在磁图上显示为磁低。与特立尼达有关的磁低支持~075-080的打击方向o,这与间隔较近的钻孔中明显的成矿连续性相吻合。这些钻孔还支撑着一个陡峭的(~80-85o)矿化向北倾斜。
| Gramalote项目 哥伦比亚 NI 43-101技术报告 |
表7-2:静脉类型
| 舞台 | 作文 | 注意事项 |
| 类型7 | 绿泥石±绿帘石 | 可变量的碳酸盐和偶尔的细黄铁矿。通常伴生于主侵入性织物,而不是矿化系统。 |
| 类型6 | 碳酸盐 | 没有硫化物的碳酸盐矿脉。 |
| 类型5 | 粗黄铁矿+石英 | 黄铁矿多于石英的细脉。不规则的边缘,黄铜矿的量不定。黄铁矿呈自面体,粗粒到中粒,与在3型矿脉中发现的灰色、非常细粒的黄铁矿相比。 |
| 类型4 | 石英+辉钼矿±黄铁矿 | 带蓝灰色的颜色,富含辉钼矿。形状多变,边缘一般不规则。含有可变量的黄铁矿和黄铜矿。通常是厘米厚。 |
| 第3类 | 细黄铁矿 | 几乎完全由黄铁矿和可变量石英组成的细脉。形成角砾状编织细脉。因黄铁矿含量而呈深灰色。 |
| 类型2 | 石英+碳酸盐+黄铁矿+黄铜矿 | 典型呈现不规则边缘,有透镜体形状当厘米厚。含有可变量的黄铁矿和黄铜矿。碳酸盐通常是菱铁矿或铁石矿。主要伴生石英-绢云母蚀变晕。 |
| 类型1 | 石英±黄铁矿 | 可能有黄铜矿。定义明确的边缘和一般笔直的形状与表格方面。石英多于硫含量,一般伴有钾蚀变晕。 |
改建
改动与Gramalote Ridge描述的相似。
风化
腐泥岩/腐泥岩厚度可变,整体平均厚度为31米,在矿化上方厚度约为33米。
矿化
特立尼达矿化带厚度为10-80米,沿走向连续长达1500米,向下倾角> 500米。就像在格拉玛洛特海岭一样,这些区域沿着走向和向下倾角周期性地合并。该矿床在深度和沿走向保持开放,尤其是向西。图7-5提供了穿过特立尼达矿床的横截面。
矿化与沿缘的网状细脉和蚀变有关。细脉被划分为七种类型(参见表7-2),金矿化伴生类型1(石英含细黄铁矿)、类型2(石英含碳酸铁)和类型5(石英含粒状黄铁矿)矿脉。
| Gramalote项目 哥伦比亚 NI 43-101技术报告 |
图7-5:横截面,特立尼达矿床

注:图由B2Gold编制,2025年。
| Gramalote项目 哥伦比亚 NI 43-101技术报告 |
7.3.3 Monjas West
尺寸
Monjas West矿床的尺寸约为1,000 x 500 m。矿化已被钻探测试到400 m的深度。
岩性
Monjas West矿化位于三种岩石类型中,包括云长岩/白角岩、斑状英安岩和安山岩斑岩。
宿主英云母是弱磁性的,矿化/蚀变具有磁性破坏性,因此矿化带在磁图上显示为位于矿床稍偏北的磁低点。磁低支持~080 °的走向方向,这与更近间距钻孔中地球物理异常以南的明显矿化连续性相吻合。这些钻孔还支持矿化向南的陡峭(~80 °-85 °)倾角。
改建
改动与Gramalote Ridge和特立尼达所描述的相似。石英-绢云母优于钾蚀变,碳酸盐-绢云母准时。
风化
腐泥岩/腐泥岩厚度可变,整体平均厚度为25m,在矿化上方厚度约为27m。
矿化
Monjas West矿化带厚度10-80 m,沿走向连续,最高700 m,下倾> 350 m。就像在格拉玛洛特海岭一样,这些区域沿着走向和向下倾角周期性地合并。该矿床在深度和沿走向保持开放,尤其是向西。图7-6提供了穿过Monjas West矿床的横截面。
矿化与沿缘的网状细脉和蚀变有关。细脉被划分为七种类型(参见表7-2),金矿化伴生类型1(石英含细黄铁矿)、类型2(石英含碳酸铁)和类型5(石英含粒状黄铁矿)矿脉。
| Gramalote项目 哥伦比亚 NI 43-101技术报告 |
图7-6:横截面,Monjas West矿床

注:图由B2Gold编制,2025年。
| Gramalote项目 哥伦比亚 NI 43-101技术报告 |
7.4前景/勘探目标
前景在第9节中讨论。
7.5地质设置及成矿情况点评
对项目地质和矿化的了解足以支持矿产资源和矿产储量估算和矿山规划。
| Gramalote项目 哥伦比亚 NI 43-101技术报告 |
8.0存款类型
8.1存款模式
Gramalote Ridge、特立尼达和Monjas West矿床是侵入性相关金矿的例子。
侵入性相关的金矿床有许多同义词,包括侵入性相关的金系、金斑岩、深成岩相关的金石英脉等。下面的存款模型取自Lefebure和Hart(2005)。
这类存款的特点包括:
常见于大陆边缘沉积组合,曾被大陆边缘弧后的岩体侵入。典型发育于造山运动后期或碰撞后环境;
可以是任何年龄的,虽然它们在古生代到中生代的岩石中最为人所知;
主岩为花岗质侵入体和变质沉积岩。伴生的火山岩很少见。花岗岩类岩石在岩性上是可变的,但典型的是花岗闪长岩、石英二长岩到花岗岩。大多数侵入体都有一定程度的岩性变化,表现为多相,可包括二长岩、二长花岗岩、钠长石花岗岩、碱正长岩和正长岩。分化较大的相中通常含有长石和石英以及不到5%的镁铁质矿物。中到粗粒侵入体通常是等颗粒状的,但可以包含钾长石的巨晶或石英、斜长石或黑云母的斑状斑晶。黑云母很常见,角闪石只在局部观察到,辉石很少,白云母和电气石在更高的分馏相、裂片或伟晶岩中很常见。侵入体具有还原的初级氧化态;
矿化与高度分化的花岗岩类侵入体具有较强的结构控制性和空间相关性。矿化通常由侵入体的最演化阶段所承载或接近;
片状脉是平面的,通常与区域结构平行。矿脉一般是伸展的,没有壁偏移,虽然有些矿脉系统也可能包括剪切为主的矿脉;
相对受限的蚀变带,沿矿脉最明显为狭窄的蚀变花边。蚀变通常由与矿脉中相同的非硫化物矿物组成,典型的是钠长石、钾长石、黑云母、绢云母、碳酸盐(白云石)和微量黄铁矿。普遍蚀变,以绢云母为主,仅与品位较好的矿带伴生;
| Gramalote项目 哥伦比亚 NI 43-101技术报告 |
等粒状至斑状花岗岩侵入体和邻近角长围岩中的毫米至米宽石英脉所承载的金矿化。矿脉形成平行阵列(片状),不太典型,发育较弱的矿库;矿脉和细脉的密度是定义矿石的关键因素。原生黄金与微量黄铁矿、毒砂、磁黄铁矿、白钨、铋和碲化物矿物伴生;
硫化物矿物含量一般< 3%,可< 1%。许多矿床/侵入体具有晚期和/或外围毒砂、辉锑矿或方铅矿矿脉。原生黄金,有时可见,与伴生的微量黄铁矿、毒砂铁矿、斜棱石、磁黄铁矿、数量不等的白钨矿或更少的黑钨矿一起出现,有时与辉钼矿、铋矿、原生铋、玛氏石、透辉石矿、铋矿、碲化物、四边石、方铅矿和黄铜矿一起出现。
8.2存款类型点评
这些矿床显示出与侵入性相关的黄金矿床相关的几个特征,包括:
蚀变和矿化在结构上受到控制,仅限于沿脉、片脉和网状阵列的小光晕;
硫化物含量< 5%;
一些证据表明,主岩与从冷却岩体演化而来的流体直接相关,包括伟晶岩、碎屑岩和K长石蚀变(Rodr í guez,2009)。
Gramalote项目的矿化是矿床类型的一个不寻常的例子,因为Gramalote Ridge、特立尼达和Monjas West宿主侵入体具有与典型宿主侵入体不同的氧化状态,从而减少了。这体现在钛铁矿的稀缺,原生磁铁矿的普遍存在。
QP认为,使用侵入性相关黄金模型的勘探方案适用于项目区域。
| Gramalote项目 哥伦比亚 NI 43-101技术报告 |
9.0探索
9.1网格和调查
所有坐标均参考UTM84-18N投影。
直到2020年,地形模型基于1:2000比例尺的测绘,使用1:10,000的全色航拍照片摄影测量还原。对接入点和排水系统进行了抓拍,并构建了2m间隔等高线的数字高程模型。0.3厘米像素分辨率的正射影像支持识别1米大小的物体。
从航拍彩色照片中以1:12,000的比例生成了0.8厘米像素的半控式马赛克。航拍照片和半控马赛克面积达6.2万公顷。这些数据由采用双频毫米精度GPS设备测量的16个大地测量控制点进行补充和控制,提供高达厘米级的精度。
2020年1月,一条125公里2光探测和测距(LiDAR)调查由位于波哥大的Geoscan Ingenier í a(Geoscan)完成。使用的系统是ALIS-560,激光脉冲速率高达400千赫,有效测量速率为每秒150次测量,探测角度为+ 30/-30(60)度。飞行标高为地形(地形最高标高)以上500m,线间重叠率100%,RMS精度< 10cm(有控制点)。一个PPK主动GPS被用于控制,基地位于相距50公里的地方。两个地理参考的控制顶点和12个基地覆盖了该区域。垂直精度达5厘米的高分辨率DTM和帝斯曼型号采用WGS84和MAGNA-SIRGAS两种投影系统交付。Geoscan提交了576份LAS文件。有了这些,Gramalote地形学家使用LAS云和Global Mapper V21软件生成了数字地形模型,并完成了概览验证。
钻领地形测量依靠大地测量点或纪念碑来确保< 10厘米的精度。2020年1月,在Mirador、Bateita、Balsal和特立尼达地区安装了几个控制点,以补充此前由AngloGold Ashanti安装的控制点。这些纪念碑的位置是使用TOPCon Ref的高科技GNSS差分设备进行的。GR-5n与基地和漫游者接收天线,以及用于后处理的TOPCon Tools软件。
9.2地球化学
地表地球化学项目由AngloGold Ashanti在2003-2007年期间进行,包括河流沉积物、侦察和填充土壤采样,以及选择性和连续抓取、芯片、通道和面板采样。
| Gramalote项目 哥伦比亚 NI 43-101技术报告 |
B2Gold在2008-2009年完成了以区域为基础的河流地球化学分析、探矿和地表岩石取样,以及对远景区的填充土壤地球化学和地表挖沟计划。采样被用来定义,然后细化,需要进行钻探测试的区域。若干地球化学异常仍有待跟进。
当B2Gold在2020年恢复项目管理时,探矿计划重新开始,B2Gold在远景区域以及已知矿床的延伸上完成了地表测绘和挖沟计划。2020-2024年期间共采集岩屑样本829个,开挖沟槽1261个,共计23510.12米。样本位置如图9-1所示,结果如图9-2所示。多个地球化学异常仍有待跟进。
9.3地球物理学
关于Gramalote项目区的勘探活动,地球物理数据已被钻探数据所取代。以下小节中的信息仅为完整起见而提供。
9.3.1机载地球物理调查
在Gramalote项目区完成两项机载地球物理研究。
2009年,AngloGold Ashanti应B2Gold的要求完成了一次490线公里的机载磁强计测量(南北线)。
2012年,MPX为哥伦比亚格拉玛洛特公司完成了直升机载磁强计辐射测量。共有约3,000线公里飞越面积35,000公顷,涵盖当时的物业单位持有200米间距的南北线。
9.3.2地面地球物理调查
在2003-2007年期间,AngloGold Ashanti完成了对Gramalote Ridge和一些外围前景的试验性内部地基磁强计调查。该计划旨在测试在区域一级将磁场信息用于勘探目的的可能性。共勘查59条线路116线公里。
9.4岩石学、矿物学和研究研究
完成了面向金分布的岩石学薄抛光剖面和制备岩心样品的微探针研究。
主岩到金矿化分为英云长岩和花岗闪长岩。矿脉和浸染中的主要矿物包括黄铁矿、黄铜矿、闪锌矿、游离金、金红石等。黄铁矿是最常见的硫化物。
| Gramalote项目 哥伦比亚 NI 43-101技术报告 |
图9-1:位置图,2020-2024年岩屑和沟槽采样

注:图由B2Gold编制,2025年。
| Gramalote项目 哥伦比亚 NI 43-101技术报告 |
图9-2:位置图,2020-2024年岩屑和沟槽样本结果

注:图由B2Gold编制,2025年。
| Gramalote项目 哥伦比亚 NI 43-101技术报告 |
区分了三种黄铁矿和两种黄铜矿,分别对应不同的成矿热液事件。
游离金以细长晶体(板)或反面体晶体的形式出现,主要表现为与几种碲化物和双硫盐矿物同时存在的含银金。在块状硫化物矿脉中,含银的碲化金组合晚于粗粒黄铁矿。游离金出现在断裂的黄铁矿内部,与第二种黄铜矿类型,以及与蚀变矿物绢云母和方解石密切相关。更罕见的是,游离金可以被封装在第二种黄铜矿类型中。
9.5勘探潜力
Gramalote Ridge矿床在深处仍然开放。矿化向主要矿床区域的东部和西部(Monjas东部地区)较窄。
特立尼达和蒙哈斯西部矿藏在深处、向东、特别是向西仍然开放。
如表9-1所示,确定了一些前景。前景位置如图9-3所示。
| Gramalote项目 哥伦比亚 NI 43-101技术报告 |
表9-1:勘探潜力
| 目标名称 | 评论 |
| 蒙哈斯西延 | 位于格拉玛洛特岭以西1,700米。有手工作业。土壤和岩屑采样确定了一个面积为1,200 x450米的不连续金异常。经53个岩心孔(19,977米)测试。有限的冶金测试工作在两个岩心孔中完成。西延未钻探测试。 |
| 特立尼达西延 | 位于格拉玛洛特岭西北4.8公里处。具有中度石英-绢云母蚀变的东北向和东西向脉/细脉。岩石和挖沟样本确定了特立尼达矿床可能向西延伸的异常金。西延未钻探测试。 |
| 圣安东尼奥 | 位于格拉玛洛特岭西北500米。西北-南北走向的1型脉矿化。选择性静脉采样提示异常金值。该区域作为谴责钻探的一部分进行了测试,共完成44个岩心孔(5272m)。 |
| 维博拉斯 | 位于格拉玛洛特岭以南1.8公里处。有手工作业。局部小规模开采具有石英-绢云母蚀变的富黄铜矿剪切脉。土壤采样定义了一个400 x 250米的金异常。未经钻探测试。小型矿工正规化方案中使用的潜在区域。 |
| 拉玛利亚 | 位于格拉玛洛特岭以东2.5公里。有手工作业。局部小规模开采具有石英-绢云母蚀变的富黄铜矿剪切脉。土壤采样定义了一个400 x 120米的金异常。经26个岩心孔(7,562 m)测试。小型矿工正规化方案中使用的第一个区域(目前正在生产的矿山)。 |
| 拉普拉塔 | 位于Gramalote Ridge东北2.3公里处。西北向和南北向片状细脉。950x450m区域内岩屑采样返回的异常金值。地区拟纳入小矿工正规化方案。未经钻探测试。 |
| 拉马拉西亚 | 位于格拉玛洛特岭西南偏南3公里处。La Malasia Creek一段400米河段沿线有强石英-绢云母-黄铁矿±黄铜矿填充物的亚平行东北、西北和东西走向剪切脉。土壤中的金异常定义。经3个岩心孔(1,001 m)测试。小型矿工正规化方案中使用的区域。 |
| 拉贝拉 | 位于格拉玛洛特岭以西5.7公里。东北型和北南型走向的1型脉/脉矿化。岩石取样显示异常金值。未经钻探测试。 |
| Cristales South | 位于格拉玛洛特岭东南偏南3.9公里。东北型和北南型走向的1型脉/脉矿化。岩石取样显示异常金值。未经钻探测试。 |
| Gramalote项目 哥伦比亚 NI 43-101技术报告 |
图9-3:前景领域

注:图由B2Gold编制,2025年。
| Gramalote项目 哥伦比亚 NI 43-101技术报告 |
10.0钻探
10.1导言
表10-1汇总了截至2025年5月21日的全项目钻探情况。图10-1显示了衣领位置。项目上完成的钻孔包括钢筋混凝土和岩心钻孔,共计1,408个钻孔(269,049米)。自2025年5月21日以来没有钻探。
Gramalote Ridge的资源钻探数据库截止日期为2022年3月9日。有907个钻孔(约193,126米)和两个坑道样本(481米)支持Gramalote Ridge的矿产资源估算(表10-2)。有147个钻孔(约23,944米)支持特立尼达矿产资源估算(表10-3)。特立尼达估计的数据库截止日期是2025年7月14日。Monjas West的资源钻探数据库截止日期为2023年1月4日。有55个孔(约20,416 m)支持Monjas West矿产资源估算(表10-4)。
矿产资源估算中使用的钻孔套环位置如图10-2所示为Gramalote Ridge,图10-3为特立尼达钻探,图10-4为Monjas West。
为岩土和冶金目的完成的钻孔计入资源钻探总量。这些钻孔没有经过系统化验,但测井提供了关于风化表面和结构解释的输入,这些都是资源模型的一部分。
10.2钻孔方法
AngloGold Ashanti为2006-2007年的钻探计划与几家哥伦比亚钻探公司签约,包括Terramundo Drilling、Perfotec Ltda.、Geominas Ltda.和Perforaciones Andina S.A.。这四个承包商使用了多种芯管尺寸,包括HQ(芯径63.5毫米)、NQ(47.6毫米)、BQ(36.4毫米)。
B2Gold在2008年的钻探活动中使用了三个钻探承包商:波哥大的Kluane Colombia Empresa Unipersonal(钻机KD600)、利马的AK Drilling International S.A.(钻机UDR 200D LS)和麦德林的Perfotec(钻机LF70PQ和Longyear 38)。这三个承包商使用了包括HQ、NQ、BTW(42.1毫米)和NTW(56毫米)在内的多种核心枪管尺寸。
Gramalote Colombia自2008年以来一直使用自己的5台钻机和偶尔的承包商组成的钻井队。钻探了多种岩心尺寸,包括NQ、NQ3(45.1毫米)、HQ、HQ3(61.1毫米)、PQ、BTW。RC孔直径为5 ½英寸。
| Gramalote项目 哥伦比亚 NI 43-101技术报告 |
表10-1:项目演练汇总表
| 目的 |
年份 |
类型 |
没有。钻孔 |
米 |
| 2006-2007 |
探索 |
核心 |
46 |
13,062.11 |
| 2008 |
谴责 |
核心 |
1 |
200.9 |
| 2008 |
探索 |
核心 |
29 |
9,849.33 |
| 2008 |
填充/定义 |
核心 |
60 |
20,138.37 |
| 2010-2017 |
探索 |
核心 |
74 |
24,928.89 |
| 2010-2017 |
冶金 |
核心 |
18 |
4,035.26 |
| 2010-2017 |
填充/定义 |
核心 |
350 |
58,902.38 |
| 2010-2017 |
岩土工程 |
核心 |
32 |
6,629.13 |
| 2010-2017 |
谴责 |
核心 |
76 |
12,341.25 |
| 2010-2017 |
填充/定义 |
RC |
180 |
14,134.00 |
| 2019-2022 |
填充/定义 |
核心 |
234 |
77,021.21 |
| 2019-2022 |
探索 |
RC |
89 |
4,184.50 |
| 2019-2022 |
冶金 |
核心 |
22 |
9,632.07 |
| 2019-2022 |
探索 |
核心 |
24 |
7,186.38 |
| 2019-2022 |
基础设施 |
核心 |
124 |
3668.02 |
| 2019-2022 |
谴责/探索 |
核心 |
6 |
1699.64 |
| 2022 |
水文地质学 |
核心 |
11 |
527.62 |
| 2024 |
基础设施 |
核心 |
7 |
211.88 |
| 2025 |
基础设施 |
核心 |
25 |
695.54 |
| 总计 |
1,408 |
269,049 |
||
| Gramalote项目 哥伦比亚 NI 43-101技术报告 |
图10-1:项目钻领位置图

注:图由B2Gold编制,2025年
| Gramalote项目 哥伦比亚 NI 43-101技术报告 |
表10-2:Gramalote Ridge矿产资源钻探汇总表
| 接线员 | 竞选活动 | 目的 | 类型 | 没有。孔洞 | 米钻探 |
| AngloGold Ashanti | 2006-2007 | 探索 | 阿迪特 | 1 | 240.00 |
| AngloGold Ashanti | 2006-2007 | 探索 | 核心 | 43 | 12,312.34 |
| B2Gold | 2008 | 探索 | 阿迪特 | 1 | 241.10 |
| B2Gold | 2008 | 探索 | 核心 | 6 | 1,829.23 |
| B2Gold | 2008 | 填充/定义 | 核心 | 60 | 20,138.37 |
| B2Gold | 2008 | 谴责 | 核心 | 1 | 200.90 |
| AngloGold Ashanti | 2010-2017 | 冶金 | 核心 | 14 | 3,148.06 |
| AngloGold Ashanti | 2010-2017 | 探索 | 核心 | 23 | 8,183.11 |
| AngloGold Ashanti | 2010-2017 | 填充/定义 | 核心 | 308 | 44,129.36 |
| AngloGold Ashanti | 2010-2017 | 岩土工程 | 核心 | 17 | 6,048.91 |
| AngloGold Ashanti | 2010-2017 | 谴责 | 核心 | 16 | 2,488.63 |
| AngloGold Ashanti | 2010-2017 | 填充/定义 | RC | 180 | 14,134.00 |
| B2Gold | 2019-2022 | 冶金 | 核心 | 22 | 9,632.07 |
| B2Gold | 2019-2022 | 填充/定义 | 核心 | 211 | 69,437.80 |
| B2Gold | 2019-2022 | 基础设施 | 核心 | 1 | 30.08 |
| B2Gold | 2019-2022 | 探索 | 核心 | 5 | 1,413.44 |
| adit小计 | 2 | 481.1 | |||
| 钻孔小计 | 907 | 193,126.3 | |||
| 合计 | 909 | 193,607.40 | |||
| Gramalote项目 哥伦比亚 NI 43-101技术报告 |
表10-3:特立尼达矿产资源钻探汇总表
| 接线员 |
竞选活动 |
目的 |
类型 |
没有。孔洞 |
米钻探 |
| B2Gold |
2008 |
探索 |
核心 |
20 |
7,019.26 |
| AngloGold Ashanti |
2010-2017 |
探索 |
核心 |
12 |
4,230.10 |
| AngloGold Ashanti |
2010-2017 |
冶金 |
核心 |
2 |
347.2 |
| B2Gold |
2019-2022 |
探索 |
RC |
89 |
4,184.50 |
| B2Gold |
2019-2022 |
填充/定义 |
核心 |
23 |
7,583.41 |
| B2Gold |
2019-2022 |
探索 |
核心 |
19 |
5,772.94 |
| 合计 |
165 |
29,137.41 |
|||
表10-4:Monjas West矿产资源钻探汇总表
| 接线员 | 竞选活动 | 目的 | 类型 | 没有。孔洞 | 米钻探 |
| AngloGold Ashanti | 2010-2017 | 谴责 | 核心 | 1 | 150.00 |
| AngloGold Ashanti | 2010-2017 | 探索 | 核心 | 13 | 4,956.84 |
| AngloGold Ashanti | 2010-2017 | 填充/定义 | 核心 | 39 | 14769.52 |
| AngloGold Ashanti | 2010-2017 | 冶金 | 核心 | 2 | 540.00 |
| 合计 | 55 | 20,416.36 | |||
| Gramalote项目 哥伦比亚 NI 43-101技术报告 |
图10-2:Gramalote Ridge矿产资源钻领位置图

注:图由B2Gold编制,2025年
| Gramalote项目 哥伦比亚 NI 43-101技术报告 |
图10-3:特立尼达矿产资源钻领位置图

注:图由B2Gold编制,2025年
| Gramalote项目 哥伦比亚 NI 43-101技术报告 |
图10-4:Monjas West矿产资源钻领位置图

注:图由B2Gold编制,2025年
| Gramalote项目 哥伦比亚 NI 43-101技术报告 |
从2019年至报告生效日期,B2Gold使用了钻井承包商Kluane Drilling和Logan Drilling,以及三台Gramalote Colombia拥有的钻机。这两家承包商和Gramalote Colombia使用了HQ、NQ、HTW(81毫米)和NTW(56毫米)的核心尺寸。RC孔径114.3毫米。
岩心和RC钻孔分为四个阶段,按作业方:
AngloGold Ashanti:2006-2007年;
B2Gold:2008年;
AngloGold Ashanti:2010-2018年;
B2Gold:2019年-至报告生效日期。
定向核心测量数据由B2Gold在2008和2019-2022两个阶段使用Orishot Gen4多摄核心定向工具收集。
RC钻孔分两期完成:
AngloGold Ashanti:2013年和2018年;在Gramalote Ridge完成测试品位控制目的。方案包括180个钻孔,间隔约12.5米,分布在三个独立区域;深度范围为27-100米(平均79米),倾角范围为-54 °至-72 °;
B2Gold:2019-2020年;在特立尼达测试氧化物潜力。程序由80个孔组成,深度范围为16-98米(平均46米),倾角范围为-52 °至-61 °。
10.3测井程序
钻芯用有盖的芯盒从钻机中运出。岩芯由钻探承包商运送到测井区或与公司车辆一起取回。
随着时间的推移,地质测井协议经历了修改。
在2008年的B2Gold活动中,数据被捕获在纸上,输入到Excel(双数据输入、比较、更正)中,然后导入并存储在Access数据库中。从2010-2015年,所有地质数据都被输入到A3尺寸的测井纸上,这些测井参数必须注意到,包括岩性、蚀变(显性、从属和痕迹)、细脉类型、硫化物矿化和评论。这些数据随后被输入DH Logger,然后导入Century Systems Fusion数据库。在2015-2018年期间,直接将数据输入到随后导入Fusion数据库的Excel捕获模板中。
最近的演练程序将演练数据直接输入到Excel并导入到项目特定的访问数据库中。
| Gramalote项目 哥伦比亚 NI 43-101技术报告 |
岩心测井通常能捕捉到岩性、蚀变和成矿特征。Excel模板包括用于快速和详细的地质测井的表格、岩圈和井下调查数据、结构数据、岩芯盒信息、回收率、RQDD和岩石硬度、磁化率和比重,以及随后修改的任何测井方面的信息。
定向岩心观测是在定向岩心运动期间使用详细的地质模板捕获的。岩土测井包括测定RQD、岩心采收率和岩石强度。
以20厘米间隔进行磁化率测量,每30米进行一次质量保证和质量控制(QA/QC)读数。
所有钻芯的数字岩芯照片都是在取样前拍摄的,但在取样标记之后。照片同时拍摄了两个盒子,既拍了一张干照片,也拍了一张湿照片。
RC测井包括记录岩性、风化剖面、氧化百分比、蚀变、石英百分比和硫化物百分比(如果观察到)。
10.4复苏
岩心回收率普遍优异,整体项目平均为96.8%。
2006-2007年AngloGold Ashanti运动期间的恢复率平均为96.8%。
在钻探计划持续期间,2008年的岩心回收率平均为96.47%。
2010-2017年期间完成的Gramalote哥伦比亚钻探的岩心回收率平均为95.8%。
在2019年至2022年的B2Gold活动期间,核心回收率平均为98%。
10.5项圈调查
使用高精度差分GPS仪器对2006-2007年方案钻孔项圈进行了测量。
在2008年计划期间,通过全站测量在钻台上找到了钻孔项圈。钻机开钻后,在钻头内一根钻杆的顶部和底部完成第二次高精度全站测量,这样就可以计算出一个起始方位和起始倾角。该程序在2008-2009年被B2Gold用于永久标记钻孔位置。
在2019-2022年期间,拟议钻孔的位置是使用GNSS TOPCon GR-5设备完成的,在RTK模式下。使用总台仪完成了实际钻孔的最终位置和开始钻孔的对齐。
| Gramalote项目 哥伦比亚 NI 43-101技术报告 |
10.6井下调查
使用Pajari仪器在钻孔末端测量了2006-2007年活动的钻孔1至7。钻孔8至43每100米井下和钻孔末端勘测一次。
2008年钻探计划的井下测量由一名B2Gold岩土技师在钻孔完成后进行。Reflex Maxibor II是一种连续光学钻孔测量系统,记录了井下每3米的方位和倾角。在出现虚假读数的情况下,对这个洞进行了重新勘测。
Gramalote Colombia钻探计划使用了许多不同的仪器,测量深度各不相同:
EZ-track:12 m间隔;
Maxibor 11:6 m间隔;
冰原:间隔7米;
帕贾里:30米间隔。
从2019年的钻探活动开始,使用陀螺Master工具进行井下测量。这个系统记录了方位和向下钻孔每一米的倾角。在每个钻孔的前100米期间,每20米进行一次井下测量,以确保钻孔达到建议的目标。进深100米后,每隔50米测量一次,直到钻孔结束。
10.7岩土和水文钻探
岩土钻探提供了拟议露天矿坑和厂址基础设施区域的岩土数据。对于选定的钻孔,岩土测井辅之以结构测井、实验室测试和声学Televiewer调查。
这些钻孔包含在表10-1的项目总数中。钻铤位置见图10-5。
10.8冶金钻探
在2019年之前,用于冶金目的的钻探包括在Gramalote Ridge地区的14个钻孔(3,148.06米),在特立尼达地区的两个钻孔(347.20米),以及在Monjas West地区的两个钻孔(540米)。这些钻孔包含在表10-1的项目总数中。钻领位置包含在图10-5中。
| Gramalote项目 哥伦比亚 NI 43-101技术报告 |
图10-5:套管位置图、岩土、冶金及雷击钻孔

注:图由B2Gold编制,2025年。
| Gramalote项目 哥伦比亚 NI 43-101技术报告 |
从2019年至2022年,在Gramalote Ridge地区完成了22个钻孔(9,632.07米),用于冶金测试。2019-2020年冶金钻探计划与加密钻探计划并行执行。其意图是将相同的钻孔用于填充目的,并收集剩余的半芯用于冶金复合材料。主粉碎复合体和主冶金复合体是从位于Gramalote Ridge矿床核心的钻孔中采集的。完成一个钻孔,用于主域粉碎测试。Master Metallurgical Composite完成2个钻孔,沿走向间隔200m。这些岩心孔被认为是Gramalote Ridge矿化的代表,用于回收测试和工艺设计。此外,从相同数量的钻孔中收集了9个粉碎变异性复合材料和10个回收变异性复合材料。约81%的Gramalote Ridge矿石是使用从2019-2020计划中选择的不同冶金样品进行采样的。
2022年初,完成了一个钻孔,用于高压研磨(HPGR)回收测试。这个钻孔位于格拉玛洛特岭的中部。
10.9谴责
2019年之前,在紧邻的Gramalote Ridge地区完成了17个谴责钻孔(2,288.63 m)。在圣安东尼奥和巴勒斯坦地区又完成了60个谴责钻孔(9,852.62 m)。
在2022年钻探活动期间,在Gramalote Ridge附近的Concha地区完成了6个谴责钻孔(1,699.64 m)。
这些钻孔包含在表10-1的项目总数中。钻领位置包含在图10-5中。
10.10样片长度/真实厚度
在2006-2007年的钻探计划中,这些钻孔通常以-60 º的倾角在正东或正西钻孔,平均长度为290 m。选择的方位是基于早期地表构造和地质填图数据。钻孔间距从50-120米不等,测试面积约为900x400米。
B2Gold在2008年期间主要使用了西北方向(315 °)的钻探方位角,这是基于一个以东北向多元素为基础的钾富集和钠耗减异常,以及当时可获得的地表结构和地质测绘结果。西北方向的钻头方位被认为与不同的矿脉组和蚀变包最佳相交是合适的。
Gramalote Colombia岩心孔主要以西北方位(315 º)钻孔,倾角为47-50 º。钻孔间距从25x25m到100x100m不等。在Gramalote Ridge高品位带内的200x100m区域在12.5x12.5m网格上钻探,用于地质统计目的。
| Gramalote项目 哥伦比亚 NI 43-101技术报告 |
B2Gold在2019年至2022年的活动中使用了西北(315 °)钻头方位,倾角为32-60 º。西北方向的钻头方位仍被认为是合适的,以最好地与不同的矿脉组和蚀变包相交。在填充区内使用了60x60m的钻孔间距。在Gramalote Ridge中至低品位带内的两个面积约为150 x 150米的区域在一个25 x 25米的网格上进行了钻探,用于地质统计目的。第一个网格覆盖了沿走向约125米的距离和100米的高程,钻孔可达地表以下175米。第一个网格主要针对费利佩区和下盘线框区域。第二个网格还覆盖了约125米的沿走向和100米的高程;测试到地表以下185米。此次钻探针对的是Retiro和Main Gramalote线框。
Gramalote Ridge矿化带一般走向075 º,向南倾斜75 º。大多数钻孔的方位角为315 º,但向右偏,因此钻孔的方位角通常为317-318 º,倾角约为45-50 º。平均而言,矿化的真实宽度约为井下钻探长度的75-80 %,但取决于矿化带和钻孔的局部方向。
特立尼达矿化带一般走向260-265 °,向北倾角85°。大多数钻孔的趋势为140 °,倾角为45°。平均而言,矿化的真实宽度约为钻探长度的70%,但取决于矿化带和钻孔的方向。
Monjas West矿化带一般走向070-075 º,向南倾斜75 º。大多数钻孔的方位角为290 º,但向右偏,因此钻孔的方位角通常为295-300 º,倾角约为45-50 º。平均而言,矿化的真实宽度约为井下钻探长度的65-70 %,但取决于矿化带的局部方向和钻孔。
10.11自矿产资源数据库关闭以来的钻探
在资源估计截止日期之后,在Gramalote Ridge、特立尼达和Monjas West没有完成额外的加密钻探。迄今为止的钻探结果证实了当前矿产资源估算中提出的大致矿化宽度。
Gramalote Ridge资源估算数据库截止日期后有9个钻孔(1,795 m)。这些洞是为谴责/基础设施而钻的,一般都在资源区之外。
| Gramalote项目 哥伦比亚 NI 43-101技术报告 |
10.12钻井评论
QP认为,在勘探钻探计划中收集的测井地质数据、岩领和井下调查数据的数量和质量足以支持矿产资源和矿产储量估算以及概念采矿研究:
岩心和RC测井符合金银勘探行业标准;
已使用行业标准仪器仪表进行了项圈调查;
使用行业标准仪器进行井下勘察;
来自岩心和RC钻探程序的回收数据是可以接受的;
钻探方向一般适合于成矿类型和成矿方向的大块矿床区域;
钻探没有专门针对矿床的高品位部分。
没有QP已知的可能对矿产资源和矿产储量估算中使用的钻探结果的准确性和可靠性产生重大影响的钻探、取样或采收率因素。
| Gramalote项目 哥伦比亚 NI 43-101技术报告 |
11.0样本准备、分析和安全性
11.1采样方法
11.1.1 RC
样本取自2米跑。样品通过软管被带到集流体旋流器。集流体旋流器下方是分流器,该分流器具有两个斜槽,用于将样品分成两个相等的部分。第一个二分之一样品到实验室分析(样品),第二个二分之一样品返回钻孔(现场拒绝)。只有来自实验室的粗废品被保存和储存起来。在样品之间,分离器分三步使用空气清洁,然后是水,最后是空气喷射。
样品被放入贴有标签的塑料袋中,塑料袋又被放入米袋中。米袋标记包括样本号、钻孔ID、井下深度等。将样品装进双塑料袋后,取一份放入芯片托盘中进行地质复核。塑料袋随后密封装入米袋,通常每米袋一个样品作为样品重量为25-30公斤。
11.1.2核心
2006-2007年AngloGold Ashanti项目期间的岩心采样以标称2米间隔进行。用芯锯将样品切成两半。从2m开始长度的变化是由于矿化或岩性变化。
使用可变岩心长度观察蚀变、成矿强度和岩性差异的断裂,从上到下对2008年项目的B2Gold岩心孔进行了采样。大部分样品长度在1.6米以下,平均1.1米。
2010-2018年Gramalote Colombia项目期间的岩心采样按标称2米间隔进行。用芯锯将样品切成两半。从2m开始长度的变化是由于矿化或岩性变化。
在B2Gold 2019-2022活动期间,样品的长度保持在2米,尽管有时更短,以避免混合非常不同的蚀变或矿化特征,特别是在可能的矿化接触处。最小样本量约为0.5米。用芯锯将样品切成两半。
11.2密度测定
自2008年起,使用阿基米德或蜡浸法对项目岩心样品进行比重(SG)或密度测定。此外,还为第一次钻探活动收集了pycnometer措施。现有密度数据汇总见表11-1。
| Gramalote项目 哥伦比亚 NI 43-101技术报告 |
表11-1:密度数据汇总
| 演练活动 持续时间 |
年份SG 样本 采取 |
数量 浸入科技 SG 样本 |
平均 浸入科技 SG |
数量 Pycnometer SG |
平均 Pycnometer SG |
| 2008 | 2008 | 1,142 | 2.67 | 261 | 2.62 |
| 2010-2017 | 2010 | 54 | 2.45 | 6 | 1.95 |
| 2010-2017 | 2011 | 1,065 | 2.57 | 68 | 2.40 |
| 2010-2017 | 2012 | 743 | 2.64 | 26 | 1.84 |
| 2010-2017 | 2013 | 1,054 | 2.64 | 27 | 1.82 |
| 2010-2017 | 2014 | 283 | 2.66 | - | - |
| 2010-2017 | 2015 | 126 | 2.68 | - | - |
| 2010-2017 | 2016 | 72 | 2.68 | - | - |
| 2010-2017 | 2017 | 164 | 2.49 | 14 | 1.89 |
| 2010-2017 | 2018 | 63 | 2.65 | - | - |
| 2019-2022 | 2019 | 150 | 2.66 | - | - |
| 2019-2022 | 2020 | 2,336 | 2.56 | - | - |
| 2019-2022 | 2021 | 2,389 | 2.56 | - | - |
| 2019-2022 | 2022 | 470 | 2.39 | - | - |
| 合计 | 10,111 | 2.58 | 402 | 2.44 |
2020年前可获得的比重信息在统计上并不能代表所有类型的材料;测量主要是对新鲜的云母岩和代表性不足的风化材料进行的。从2020年起,特别是在2021年钻探活动期间,将测量来自风化材料的比重数据,并在可能的情况下每3米收集一次样本。
2020年9月期间共挖掘了29个测试坑,用于计算原位腐泥土密度,为从岩心样品中获得的密度值增添信心。
11.3分析和测试实验室
样品制备由以下实验室完成:
ALS波哥大(2012年11月之前);
ALS Bucaramanga(2012年12月);
ALS麦德林(2013年1月-2018年11月);
必维股份麦德林(初级制剂实验室;2019-报告生效日期);
| Gramalote项目 哥伦比亚 NI 43-101技术报告 |
SGS麦德林(二级制剂实验室;2021年11月-2022年1月);
ALS麦德林(二级制剂实验室;2020年4月、9月-10月、2022年2月至报告生效日期)。
ALS拥有哥伦比亚制备设施和秘鲁利马分析设施的ISO 17025认证。必维国际检验集团(Bureau Veritas)持有哥伦比亚制剂设施ISO 9001:2015认证证书。SGS Colombia持有哥伦比亚制备设施的认证ISO/IEC 17021-1:2015。
ALS Lima是2019年之前的主要分析实验室。该实验室在2010年之前获得了秘鲁消费者机构INDECOPI的认证,自2010年以来一直持有选定分析技术的ISO 17025认证。ALS Lima自2019年起被用作Bureau Veritas Lima和SGS Medellin原件的检查实验室。
必维国际检验集团(Bureau Veritas Lima)自2019年起担任主要分析实验室。Bureau Veritas Lima持有选定分析技术的认证,包括ISO 17025、ISO 9001:2015、ISO 14001:2015和OSHAS 18001:2007。Bureau Veritas Lima也被用作原始ALS Lima分析的检查实验室。
SGS麦德林在2021年11月至2022年1月期间被用于初步分析。SGS麦德林在2019年之前也被用作裁判实验室(在ALS Lima原始分析中)。该实验室目前拥有以下选定分析技术的认证:ISO 9001:2015、ISO 45001:2018和ISO 14001:2015。
2020年,由于利马与新冠病毒相关的延误,ALS Medellin和BV Medellin都向各自的温哥华实验室提交了一些纸浆。ALS Vancouver自2005年以来一直保持ISO/IEC 17025:2017认证。必维股份有限公司(Bureau Veritas Vancouver)自2011年起举办ISO/IEC 17025:2017。温哥华实验室使用与秘鲁同类实验室相同的金银分析技术,但银测定上的编码不同(下文讨论)。
ACME Santiago于2009年初被B2Gold用作2008年ALS Lima原件的检查实验室。实验室当时使用的认证并不为人所知。
本小节中列出的所有实验室在进行分析工作时均独立于项目操作员。
11.4样品制备与分析
11.4.1样品制备
ALS实验室的样品制备包括干燥、破碎至70%通过2 mm(2011年前);破碎至85%通过2 mm(2011年后),以及粉碎至> 85%通过75 μ m。
| Gramalote项目 哥伦比亚 NI 43-101技术报告 |
Bureau Veritas Medellin的样品制备包括干燥、破碎至85%通过2 mm,以及粉碎至> 85%通过75 μ m。
SGS麦德林的样品制备包括干燥、粉碎至90%通过2 mm和粉碎至> 90%通过106 μ m。
11.4.2分析
ALS Lima和ALS Vancouver的分析工作包括:
火法和原子吸收光谱法(AAS)ALS法金分析Au-AA24,其检测下限和上限分别为0.005g/t Au和10g/t Au。对10g/t Au以上的测定,采用重量法(方法Au-GRA22),检出下限为0.05g/t Au,检出上限为10000 g/t Au;
四酸消解质谱法(方法MS62)分析银,其检测下限和上限分别为0.02 g/t Ag和100 g/t Ag。2019年之前测定> 100g/t Ag的样品采用Ag-AA62法重新分析,检测上限为1500 g/t Ag。当测定值> 1,500 g/t Ag时,使用检测上限为10,000 g/t Ag的重量法(方法AG-GRA21)对样品进行分析;
使用四酸消解的多元素测定随后电感耦合等离子(ICP)质谱(MS),使用方法ME-MS61提供48元素套件。
必维国际检验集团的分析工作包括:
Bureau Veritas Lima和Bureau Veritas Vancouver均完成了原子吸收(AA)光洁度(方法FA450)的火法分析金,检测下限和上限分别为0.005 g/t Au和10 g/t Au。对于> 10 g/t Au的测定,使用重量法(FA550法)进行重新测定,检测下限和上限分别为0.9 g/t Au和1,000 g/t Au;
Bureau Veritas Lima采用多酸消解后ICP-MS(方法4A200-AG)进行银分析,检测下限和上限分别为0.1 g/t Ag和200 g/t Ag;
Bureau Veritas Vancouver采用多酸消解法、ICP-MS或ICP发射光谱(ES)、MA200-AG法进行银分析,检测下限和上限分别为0.1 g/t Ag和200 g/t Ag。这与Bureau Veritas Lima使用的方法相同;Bureau Veritas Vancouver使用不同的方法代码;
Bureau Veritas Lima使用多酸消解剂完成多元素分析,然后使用ICP-MS或ICP-ES(方法4A250)获得59元素套件;
| Gramalote项目 哥伦比亚 NI 43-101技术报告 |
SGS麦德林的分析工作包括:
金分析由AAS表面处理的火法分析(方法FAA515)组成,检测下限和上限分别为0.05g/t Au和10g/t Au。对于> 10g/t Au的测定,使用重量法(方法FAG505)对样品进行重新测定,检测下限和上限分别为0.05 g/t Au和10,000 g/t Au;
银分析采用一乘四酸消解、ICP MS或ICP光学发射光谱、质谱定量(ICM40B-ICP-OES/ICO-MS)完成,检测下限和上限分别为0.02 g/t Ag和50 g/t Ag。超限样品(> 50g/t)采用多酸消解AAS(方法AAS41B)重新测定,检测下限和上限分别为10g/t Ag和4000 g/t Ag。
11.5质量保证和质量控制
分析质量保证/质量控制计划包括提交经认证的标准材料(CRM或标准)、空白以及粗废品和纸浆重复样品。
CRM采购自第三方供应商Geostats Pty Ltd、Rocklabs(现为SCOTT的一部分)和CDN Resource Laboratories Ltd。粗毛坯材料采购自SGS Colombia SA。
2008-2009年,标准按样本1:35的比例插入,空白和重复按1:40的比例插入。
2010-2018年,根据样本数量最终数字,在100个样本组中插入14个对照样本。每25个样本插入一个标准或空白。
自2019年以来,分析批次规模定为78个样本。每批添加6个QC样品,由两个标准、两个空白、两个重复组成。复制品包括一个制备复制品,在破碎后和粉碎前从粗废品中收集;和一个现场复制品,在RC样品的情况下,它要么是四分之一核心样品,要么是旋转分离器的横向结果。样品破碎和制粉通过对破碎和制粉过程后随机抽取的样品进行筛检进行监测。未发现重大准备问题。
确定故障时应重新分析多少样品的决定取决于哪个质量控制样品不合格、一个标准和/或空白。如果一个批次中插入的两个标准或所有空白均未通过,将要求对该批次中的所有样品重新运行。B2Gold人员准备月度QA/QC报告。迄今为止,QA/QC评估结果未发现任何重大问题。
| Gramalote项目 哥伦比亚 NI 43-101技术报告 |
总体标准不合格率不到2%。大多数未通过的标准被重新运行,并在重新运行时被传递。空白故障率非常低,在~6,100次插入中只有四次失败。与公认结果相关的化验的总体标准分析偏差是中性的。现场复制精度曲线相当平坦,为92%。这表明矿化内部存在非均质性。粗废复制品在0.5ppm时精度为17.6%,纸浆复制品在0.5ppm时精度为27%。
当B2Gold于2019年开始使用必维麦德林作为样品制备实验室时,从2019年到2020年底,使用75 μ m材料进行了一系列银分析和粒度测试,以验证实验室程序。裁判颗粒度测试结果在预期的表现水平之内。
11.6检查化验
2007-2013年期间,AngloGold Ashanti向ACME和SGS Medellin发送了用于检查分析的样本。
2014-2017年期间没有完成检查化验。
B2Gold将2018年钻探计划的选定样品送至Bureau Veritas Lima进行检查化验。不幸的是,2014-2017年期间的纸浆已经变质,无法使用。从2020年1月起,B2Gold常规提交纸浆样品进行检查化验:
Bureau Veritas Lima原样送往ALS Lima;
SGS麦德林原样送往ALS利马;
ALS Lima原始样品被送往Bureau Veritas Lima。
黄金由裁判实验室使用与原始样本相同的方法进行分析。
B2Gold每季度提交并评估检查化验计划的结果。裁判分析2017-2022年的原件平均为97.7%,远在可接受的限度内,为原件分析提供了良好的支持。
11.7数据库
最初的数据库是在2006年,是Century Systems的Fusion数据库。2008年,数据被迁移到Access平台。当AngloGold Ashanti在2010年恢复项目控制时,数据被重新转移到Fusion平台。
| Gramalote项目 哥伦比亚 NI 43-101技术报告 |
B2Gold目前在Access中管理项目特定数据。数据被输入到Excel捕获模板中,这些模板被导入并编译到Access数据库中。数据库每周更新产生的任何新数据,包括新的测井数据、新的化验结果或测井数据更正。它通过Box.com与B2Gold温哥华总部共享,更新后的Excel导出存储在Project服务器上。
11.8样本安全
样本安全历来没有受到监测。从钻探点到实验室的样本收集依赖于这样一个事实,即样本要么始终得到照顾,要么储存在锁定的现场制备设施中,要么在实验室装运之前储存在安全区域。
钻芯、纸浆、废渣存放在项目专用仓储设施中,由闭合摄像电路持续监督监测。
监管链程序包括将样品提交表格与样品装运一起发送到实验室,以确保实验室接收所有样品。
11.9样品储存
钻芯存放在该项目的专用存储设施中,并接受摄像监督。
纸浆和废品存放在项目区域内的单独现场设施中,该设施也由摄像头电路进行监测。
11.10样品制备、分析和安全性的评论
在QP看来:
RC和岩心钻探方案的样本采集、制备、分析和安全符合行业标准的金银矿床方法;
钻探程序包括插入空白、重复、标准参考材料样品;
QA/QC方法在密度测量项目中实践,这是行业领先的实践;
QA/QC程序结果未表明分析程序存在任何问题(参考第12节讨论);
数据需要经过验证,其中包括对调查、领子坐标和化验数据的检查。检查适当,并与行业标准保持一致(参考第12节讨论);
| Gramalote项目 哥伦比亚 NI 43-101技术报告 |
QP认为,金银分析数据的质量足够可靠,可以支持矿产资源估算,而不受矿产资源信心类别的限制。该数据可以支持矿产储量估计。
| Gramalote项目 哥伦比亚 NI 43-101技术报告 |
12.0数据验证
12.1内部数据核查
12.1.1数据核查
内部数据验证包括使用软件工具,这些工具使用一组脚本来识别和显示与项目日志记录规则相关的任何不一致的数据。Excel捕获模板中的选择列表、查找和公式有助于防止缺失或重叠的区间条目和错误代码的输入。
数据库中的验证查询集评估数据表内部和数据表之间任何给定钻孔的数据集的完整性/完整性。
从2020年起,高级地质学家定期审查用于矿产资源估算的数据库子集,以确保信息一致性、使用指定代码的一致性和数据完整性。
2022年进行了详细的数据验证,以支持更新的Gramalote Ridge模型。作为该过程的一部分审查的信息包括详细的测井、结构数据、项圈、调查、回收、RQD和磁化率数据,验证包括将原始来源数据与数据库中的数据进行比较。注意到错误或遗漏的,按要求予以更正。
12.1.2实验室检查
在项目生命周期内,B2Gold、Gramalote Colombia和Anglo Gold Ashanti参观了制备设施并进行了详细检查。
最近的一次访问是由B2Gold人员进行的,他们于2021年1月和2022年3月视察了必维股份有限公司麦德林制剂设施。这些审查没有发现任何重大问题。
12.2外部数据核查
12.2.1以往技术报告
2008年、2009年、2012年、2014年对该项目进行技术报告备案,2020年完成自愿备案报告。作为这些文件汇编的一部分,当时的QP审查了可用的QA/QC和支持数据。这些审查没有发现任何重大数据问题。
12.2.2实验室检查
第三方顾问JSAnalytical Laboratory Consultants Ltd(JSAnalytical)于2019年12月对必维麦德林制剂设施进行了审计。审查结果未发现任何实质性问题。JSAnalytical提出了一些改进选定实验室做法的建议,必维集团麦德林执行了这些建议。
| Gramalote项目 哥伦比亚 NI 43-101技术报告 |
12.2.3外部审计
AngloGold Ashanti要求在2013年(Parker,2013年)和2019年(Wood,2019年)对当时的模型和资源估算进行两次外部审计。审计提供了对估算过程的评论,Wood(2019)审计也涉及钻孔间距。Wood(2019)观察到,指示(50x50m)和推断(100x100m)的钻孔间距分类是可以接受的,但实施后导致大量钻孔间距比报告和建议中所述更宽的区块。有必要进行额外的加密钻探以缩小间距,特别是为了支持指示矿产资源分类。
外部审计期间审查的模型被第14节中描述的模型和方法所取代。
12.3 QP数据验证
12.3.1 Stephen Jensen先生
Jensen先生进行了实地考察(见第2.4.1节)。
在这些现场访问期间,他亲自审查和检查了各个钻探和现场的金刚石岩芯和RC钻探以及岩芯检索和处理程序;岩芯和RC测井和数据收集程序、协议和地质控制;岩芯摄影程序和质量;岩芯和RC切割和采样程序,包括样品QAQC协议;钻领和井下调查实践;岩芯储存和安全;密度测量和密度QA/QC程序;以及样品运输和监管链程序。
Jensen先生还审查了数据录入、核实和归档程序,包括检查数据组织和归档;数据库管理程序;以及在断面和水平以及在地质模型中的地质和等级解释的准确性。
Jensen先生审查了矿产资源估算程序和方法,包括数据制表、建模和验证。
作为数据验证的结果,Jensen先生得出结论,项目数据和数据库可用于矿产资源和矿产储量估算,并可用于支持矿山规划。
12.3.2 Peter Montano先生
Montano先生进行了实地访问(见第2.4.2节)。
| Gramalote项目 哥伦比亚 NI 43-101技术报告 |
他进行了多项审查,以支持露天矿的矿产储量和成本假设,其中包括:矿坑设计和优化参数;露天矿岩土工程设计;设备选择;生产和开发率;持续和非持续的资本和运营成本;以及成本对关键投入参数的敏感性。Montano先生审查了矿产储量矿山计划、生产假设和结果。
他查看了财务模型,特别是模型值对照资本和运营成本估算,并回顾了模型结果。
作为数据核查的结果,Montano先生得出结论,这些数据可用于矿产储量估算,并可用于支持矿山规划。
12.3.3 John Rajala先生
Rajala先生进行了实地访问(见第2.4.3节)。
他审查了支持LOM计划中使用的冶金回收和LOM计划内矿化对拟议工艺设施的适用性的可用冶金测试工作数据;评估了适合LOM计划目的的加工厂消耗品要求;并审查了LOM计划中加工厂的维持和运营成本预测。作为数据核实的结果,Rajala先生认为矿产资源、矿产储量和支持矿产储量的经济分析中使用的冶金回收预测是适当的。LOM计划的工艺部分可用于支持矿产储量估算。
12.3.4 Ken Jones先生
Jones先生进行了实地考察(见第2.4.4节)。
他对环境审批进行了审查并讨论了相关方面;环境合规和环境问题;关闭和复垦规划以及关闭的成本估算;以及与当地利益相关者和社区的社会接触,并配备了适当的B2Gold工作人员。他参加了与负责获得和维护许可证的工作人员的审查和讨论。
作为数据核实的结果,Jones先生认为该矿山计划是可以实现的。
| Gramalote项目 哥伦比亚 NI 43-101技术报告 |
13.0矿物加工和冶金检测
13.1导言
13.1.1历史测试工作
参与初步测试工作的冶金测试设施包括位于加拿大安大略省Lakefield的SGS Lakefield;位于智利圣地亚哥的SGS分析实验室;位于澳大利亚圣地亚哥和珀斯的ALS分析实验室;位于犹他州盐湖城的FLSmidth;位于加拿大多伦多的Jenike and Johanson Limited(Jenike and Johanson);位于澳大利亚珀斯的ADP Holdings(Lycopodium)、位于美国宾夕法尼亚州的Metso Outotec Corporation(Metso Outotec);位于澳大利亚布里斯班的Julius KruttSchnitt矿物研究中心(JKMRC);以及位于澳大利亚布里斯班的优化资源提取合作研究中心(CRC-ORE)。所使用的实验室和测试工作设施独立于B2Gold。除化学分析外,冶金实验室通常不会获得测试工作的认可。
早期阶段完成的测试工作被用于完善为2025年可行性研究采取的方法。
13.1.2当前测试工作
支持2025年可行性研究的大部分测试工作计划由SGS Lakefield在2019-2020年期间进行,其余的要么在SGS Lakefield在顾问/专家的监督下完成,要么在另一个实验室完成。
SGS Lakefield冶金测试工作计划完成后,美卓奥图泰于2022年6月进行了额外的冶金测试工作,以支持高压磨辊(HPGR)电路选择。
完成的程序汇总于图13-1。
13.2冶金样品
13.2.1冶金域
由于该矿床在主岩、金与细脉的关联、金头品位上的向域推荐等方面的相对一致性,使用了三个金头品位范围对冶金样品进行分类,而不是传统的冶金域:
低品位:0.30-0.69克/吨AU;
中等品:0.70-0.95克/吨AU;
高品位:> 1.1克/吨金。
各种复合材料的样品位置如图13-2和图13-3所示。
| Gramalote项目 哥伦比亚 NI 43-101技术报告 |
图13-1:冶金测试工作程序流程图

注:图由石松编制,2025年
| Gramalote项目 哥伦比亚 NI 43-101技术报告 |
图13-2:主粉碎复合和粉碎变异样本位置

注:图由石松编制,2025年
| Gramalote项目 哥伦比亚 NI 43-101技术报告 |
图13-3:Master Metallurgical Composite和回收率变量样本位置

注:图由石松编制,2025年
| Gramalote项目 哥伦比亚 NI 43-101技术报告 |
13.2.2掌握复合材料样品
主粉碎复合材料(MCC)和主冶金复合材料(MMC)样品来自位于Gramalote Ridge矿床中心区域的钻孔,被认为是Gramalote Ridge矿化的代表,用于回收和粉碎测试。
13.2.3变量样本
在不同的高程范围和提出的坑阶段选择变异性样本。
粉碎和回收变异性样品也大致按坑相比例分布。
粉碎性变异性样本
收集了9个粉碎变异性样本,每个样本来自单独的钻孔,特别关注高值RQDD间隔。对于这些样本,56%的样本的RQDD为90-100 %,33%的样本的RQDD在80-85 %之间,一个样本的RQDD为57.9%。虽然粉碎变异性样品不是为了回收目的而收集的,但这九种复合材料也分布在各个等级范围内。
恢复可变性样本
收集了10个回收率变异性样本,每个样本都来自一个钻孔。选择的依据是复合材料内的品位范围和单样品的金属贡献。不包括外部稀释;然而,由于Gramalote Ridge矿床内普遍存在非常低品位的层段,80%的复合材料包括内部稀释,层段低于0.1g/t AU边界品位。没有一种复合材料包含> 15 g/t AU的间隔。
13.3冶金检测
13.3.1头部检测
对主(冶金)复合材料和10种冶金变异性(回收)复合材料进行了一套综合化验,包括以下内容:
金:三次火测法;筛选金属;氰化物可溶性;
白银:AA;
硫磺:ST,S=,S(0o),so4=;
碳形态:总量、石墨、有机、碳酸盐;
| Gramalote项目 哥伦比亚 NI 43-101技术报告 |
还对冶金变异性复合材料进行了汞含量测定。变异性样品和母复合物提交比重计测重。
对粉碎主复合材料进行了以下分析:
金:一式三份火测法;筛选金属;
白银:AA;
硫磺:ST和S=.
主要意见包括:
主合金头品位1.59g/t Au(筛选金属),三次化验1.66-2.22g/t。头部检测中的等级变异性表明存在金块效应。因此,应进行重力测试工作;
主复合物的银分析为1.4 g/t Ag,得到金银比为1.1;
变异性复合材料的金分析范围为0.40-6.07 g/t Au(筛选金属)。在多个样本的一式三份金分析中发现了金块效应;
变异性复合材料的银分析范围为< 0.5 g/t(低于检测限值)至2.9 g/t,得到的金银比范围为0.2-2.1,平均为1.2;
所有复合材料中的铜含量都是低到中等,表明没有冷氰化物洗涤的标准洗脱电路将是合适的;
硫形态分析表明,大多数硫以硫化物硫(S=);
碳物种形成显示有机碳水平较低,因此不认为抢预是一个问题;
汞< 0.3克/吨,低于所有检测样品的检测限值。
13.3.2矿物学
在冶金母复材上使用QDEMSCAN分析和金相分析完成了矿物学评价。
大宗矿物学
冶金母复材中含有大量的斜长石(33%)、适量的石英(26.9%)、云母(13.4%)、钾长石(11.4%),微量的粘土(5.9%)、亚氯酸盐(3%)、方解石(2.8%),微量(< 2%)的黄铁矿(0.9%)、其他硅酸盐(0.9%)、其他矿物。主要的粘土矿物包括伊利石和蒙脱石。
| Gramalote项目 哥伦比亚 NI 43-101技术报告 |
黄金神态研究
金相研究的样品制备程序包括通过重力分离进行预浓缩,然后进行重液分离(HLS)和超级淘洗。对所有预浓缩产品制备的抛光段进行光学显微镜和SEM-EDS,用于金矿物扫描、鉴定、晶粒尺寸测量和缔合特性。
约95.8%的金集中在HLS汇部分,占总质量的6.7%。重力恢复对样品来说是非常有效的。还使用化学分析确定了预浓缩馏分中按品位和按缔合类别的金矿物的分布,并加权到整体样本中。
样本中共发现595粒金粒。这些发生为释放(44.8%)、暴露(29.4%)和锁定颗粒(25.8%),平均尺寸分别为16.3 μ m、6.4 μ m和3.9 μ m。查明的黄金矿产为:原生金(82.3%),Electrum(16.6%),其他矿产~1%。金的主要伴生是黄铁矿(88.2%),黄铜矿/黄铁矿复合物伴生量较少(4.5%)和黄铜矿(4.0%)。
13.3.3粉碎测试工作
进行了一套粉碎测试,以确定整个矿床的粉碎参数的可变性。
粉碎主复合材料提交了全套粉碎性测试,包括JK跌落重量测试(DWT)、SMC测试、MacPherson自磨性(AWi)测试、Bond棒磨机(RWi)和球磨机(BWi)测试,以及Bond磨损测试(AI)。
另外还提交了9个粉碎变异性样品,用于SMC测试以及RWI、BWI和AI测定。
测试工作由SGS Lakefield完成,Drop-weight和SMC测试结果由JKTech进行解读和排名。
对于粉碎主复合,得出以下结论:
| Gramalote项目 哥伦比亚 NI 43-101技术报告 |
该样品在抗冲击破碎性(AXB)和耐磨性(TA)破碎性方面的特点是坚硬,相对于MacPherson自磨性试验的所有指标,落在中等硬度范围;
RWI值为14.8kWh/t,算中硬度;
采用425 μ m和355 μ m闭屏尺寸的BWI值分别为16.7 kWh/t和17.0 kWh/t;
BWI值,对于300 μ m(48 Tyler Mesh)的闭合屏幕,为15.8 kWh/t,这被认为是中等硬度。当使用更精细的关闭屏幕时,看到更低的BWI值是不寻常的。SGS Lakefield证实,此次测试使用了较低的体积密度,这可能影响了结果。由于未使用粉碎主复合材料进行粉碎化建模,这不影响设备尺寸;
AI值在0.599g时测得,这被认为是磨料。
对于粉碎性变异性复合材料,可以得出以下结论:
样品从A x b值范围从中到硬,范围从51.8-30.1,平均37.7;
RWI值通常在12.4-15.6 kWh/t之间,将它们置于SGS数据库的中等偏软到中等偏硬范围内,但发现一个样本ComM4在9.9 kWh/t时明显偏软。整体均值为13.6千瓦时/吨;
对于300 μ m的闭合屏幕,BWI值范围为12.2-17.0 kWh/t,将其置于SGS数据库的中等软到中等硬范围。整体平均14.9千瓦时/吨。comm4再次显示比其他样本更软,BWI为12.2千瓦时/吨;
变异性样品的AI值范围为0.447-0.620g,涵盖中等磨料到磨料范围;
总体来看,9个变异性样本中粉化测试结果的变异性与历史结果相似;然而,A x b和BWi分布在80上分别为7%和10%更难第与历史分布对比的九个新变异样本的百分位设计基础。
13.3.4重力集中测试工作
扩展重力可回收金测试工作
冶金母体复合材料提交了完整的扩展重力可回收金(E-GRG)测试工作程序。三阶段重力测试在SGS Lakefield完成,并将结果转发给FLSmidth进行分析和建模。
| Gramalote项目 哥伦比亚 NI 43-101技术报告 |
根据AMIRA晶粒尺寸分类,冶金母材复合材料被认为是粗糙的。由于粗重力可回收金量较高,非常容易受到重力回收的影响。建议安装重力回路。
重力分离测试工作
使用冶金母体复合材料完成了3次散装重力分离试验(G-1至G-3),为台架规模浮选试验工作创建样品。使用粉碎母体复合材料(G-4)完成了一项批量测试,以创建供供应商测试的样本。首次试验(G-1)的目标研磨尺寸为P80300 μ m。试验G-1的尾矿样品主要用于研磨尺寸优化试验,评估样品在P处的浮选响应80300、250、200和150 μ m。P的选定研磨尺寸80250 μ m被用作其余测试的目标。
地面矿石使用标准条件通过Knelson MD-3实验室精矿进行处理。Knelson精矿使用Mozley C-800分离器进行了升级,但测试G-2除外,Knelson精矿没有经过进一步加工。
冶金母料复合料平均金回收率为30.4%。这些测试的精矿质量回收率在0.10-0.15 %之间。银回收率对重力精矿的影响范围约为7-13 %。
平均计算金头品位为1.92克/吨金,略高于经筛选的1.59克/吨金的金属头品位。平均计算银头品位为1.8克/吨Ag,略高于直接银头品位1.4克/吨AU。
结果证实了工艺流程中应包含重力回路的E-GRG测试工作结论。
13.3.5台式刻度浮选试验工作
对冶金母材复材进行台架规模浮选试验工作分为多个工段:
测试F-1到F-4、F-1R和F-2R,评估了研磨尺寸对金回收率的影响;
测试R2、R3和R4,它们在选定的研磨尺寸下评估了一种替代起泡剂和场地水;
测试LCT-1到LCT-4,其中比较了更粗糙/清除剂流程图与回收的清除剂浓缩物,以及更粗糙/更清洁的电路;
| Gramalote项目 哥伦比亚 NI 43-101技术报告 |
批量测试F-5和F-6生产样品,用于下游精矿浸出测试工作;
批量测试F-7生产样品,用于精矿再磨供应商测试工作。
研磨尺寸对回收率的影响
使用G-1重力测试工作的尾矿进行了四次测试。每次试验使用2公斤重力尾矿装料,戊基黄原酸钾(PAX)作为捕收剂,MIBC作为起泡剂。所有测试均使用自然酸碱度。测试的研磨尺寸大约为P80s 300 μ m、250 μ m、200 μ m和150 μ m。对两个最粗的研磨尺寸进行了重复测试,以确保测试结果在这样的粗尺寸(F-1R和F-2R)下是可重复的。300 μ m试验的尾矿含量分别为0.03和< 0.02 g/t Au,而250 μ m试验的两种试验均给出< 0.02 g/t Au。这些测试显示出良好的重复性,因此对测试结果有信心。
对于这些测试,较粗的浮选20分钟后的质量回收率范围为2.9-3.3 %,总重力加浮选金回收率为98.4-98.9 %。硫磺回收率在96.6-96.8 %之间。所有浮选试验都实现了非常高的金和硫回收率,但质量回收率较低。
在P的研磨尺寸下测试F-180301 μ m显示出明显慢于重复测试的动力学,尽管,20分钟后的质量和硫回收率与其他测试相似。该测试在浮选阶段的黄金回收率也略低,为97.6%,而该系列其他测试的平均回收率为98.4%。
在对试验结果分析的基础上,提出了一种P的初级研磨尺寸80所有进一步的浮选工作都选择了250 μ m。
优化测试工作
这些测试检查了另一种更高闪点的起泡剂和现场水的使用。
使用W31起泡剂而不是MIBC完成的测试给出了类似的总体金和硫回收率略高的质量回收率。使用SGS Lakefield河水的F-2R2的质量回收率为3.9%,黄金的总体回收率为98.8%,硫的总体回收率为96.7%。F-2R4使用现场水加热到环境温度,质量回收率为4.6%,总回收率为98.9% AU和96.7% S。相比之下,使用MIBC在研磨尺寸为P的两个测试的平均质量回收率80250 μ m为3.0%。
试验F-2R3是用已冷藏的现场水进行的。与其他W31测试相比,该测试给出了低硫回收率和质量回收率。然而,整体黄金复苏并未受到影响。
| Gramalote项目 哥伦比亚 NI 43-101技术报告 |
锁定循环测试
进行了多项锁定循环测试,以评估流程图选项,例如使用回收的清道夫精矿的更粗糙/清道夫流程图和更粗糙/更清洁的电路。测试LCT-1、LCT-3和LCT-4是更粗糙/清道夫的测试,而LCT-2是更粗糙/更清洁的测试。
所有测试都使用了G-2测试的重力尾矿。所有的锁定循环测试都使用了六个循环,以达到平衡。
对于更粗糙/清道夫的测试工作,使用了以下条件:
粗浮7分钟,清道夫浮选13分钟;
清道夫浓缩物在下一个循环中回收到粗料头。
对于更粗糙/更清洁的测试,使用了以下条件:
较粗浮选20分钟;
清洁浮选7分钟;
3分钟清洁剂清道夫浮选;
更清洁的清道夫浓缩物在下一个循环中回收到粗糙物的头部。
锁定循环试验结果表明,对于粗/清除剂试验,在总硫回收率为96.5-97.0 %的情况下,实现了98.9%的总金回收率。根据起泡剂类型的不同,质量回收率在2.1-2.9 %之间。较粗糙/较清洁试验的回收率为87.4%的总金和83.4%的总硫。尽管质量回收率要低得多,为1.1%,而更粗糙/更清洁的测试的精矿品位更高,但由于项目经济性有利于更高回收率的情况,因此没有进一步追求更清洁的流程。
W31测试
从工厂设计的角度来看,W31是优选的,因为MIBC由于闪点低而需要危险区域分类,这是不可取的。W31试验结果形成了厂房设计的基础。
总体黄金回收率为98.8%至98.9%,硫磺回收率为96.5%至96.7%。
试验工厂工作的选定流程图是仅粗糙的流程图。如果需要针对更高的精矿品位或更低的质量回收率,工厂设计允许仅使用更粗糙的流程和更粗糙的/清道夫流程。然而,预计更粗糙的唯一流程图将是主要的操作方法。
| Gramalote项目 哥伦比亚 NI 43-101技术报告 |
Bulk Rough Test Results
使用冶金母材复合材料生产材料进行了两次散装粗糙剂试验,以供下游测试。
F-6试验的精矿用于初步研磨/回收氰化物浸出试验。
13.3.6浮选中试装置测试工作
在完成对冶金母材复合材料的台架规模测试工作后,通过重力/浮选中试装置处理了990公斤的散装样品,为下游测试工作创造了充足的样品。
中试工厂的重点目标如下:
K的浮选进料尺寸80250 μ m;
50kg/h处理率;
只有较粗的电路;
3%粗精矿质量拉力;
粗精矿品位约40克/吨AU、20% S;
粗尾品位约0.02g/t Au、0.02% S;
金、硫浮选回收率97~98%;
30g/t的PAX捕收剂添加率;
W31起泡剂添加率30g/t;
Gravity(Knelson)精矿质量拉力为0.1%。
中试装置运行三天,运行时间约为20小时;第1天启动,第2天和第3天用于采集复合样品以实现整体质量平衡。PAX和W31平均添加量分别为33g/t和30g/t,平均pH值为8.1。
中试工厂得以维持其K的目标80在为期三天的运动中达到250 μ m。
冶金平衡
复合样本,在稳态运行期间超过一小时采集,在第2天和第3天采集。这些复合样品被用于冶金天平。对于浮选电路,使用广义最小二乘法(Bilmat 10.2)对来自每一次运行的分析进行了核对。
| Gramalote项目 哥伦比亚 NI 43-101技术报告 |
平衡中试装置的金和硫回收率分别为95%至98%的金和92%至94%的硫。尾矿品位0.03-0.05 g/t Au、0.05% S略高于台式水垢工作。中试规模设备尾矿品位较高的情况并不少见,因此这些结果与台架规模试验相比很好。随着精矿的质量回收率更高,尾矿品位很可能会进一步降低。
中试厂平均整体浮选加重力金回收率为97.3%。这并没有考虑到下游密集的氰化物浸提。平均平衡粗精矿品位为39.2克/吨金,17.7% S。
中试装置重力银回收率为10.2%,计算出的头部品位为1.6克/吨Ag。浮选回收率为69.6%,得到总重力和浮选银回收率为72.7%。
对PP3调查样本进行精矿和尾矿比重测量。
块状重力-浮选试验工作
使用粉碎主复合材料进行了300公斤的散装重力和浮选试验(F-7),以便为回料供应商试验生产样品。试验使用为冶金母材复合材料建立的最佳初级研磨尺寸和浮选条件完成。
样品被研磨至P的研磨尺寸80250 μ m,然后分三个100 kg批次(G-4)通过Knelson选矿厂。组合Knelson精矿提交了一次密集的氰化物浸出试验(CN-28)。Knelson尾矿被组合、混合和旋转分割成30个单独的10公斤样品。这些炉料被用于30个更粗糙的浮选试验。
重选加浮选回收率94.8%金、64.7%银,浮选质量回收率3.1%。
试验G-4的重力精矿被提交进行密集的氰化物浸出
48小时后金银浸出率分别为98.7%、83.3%。
13.3.7氰化物浸出试验工作
重力浓缩液的密集氰化物浸出
使用冶金母体复合重力精矿完成CN-1、CN-2、CN-15和CN-28四项强化氰化试验。此外,还进行了一次再浸出测试,测试CN-15的残留物被提交使用优化的浮选精矿浸出条件进行额外的浸出测试。样品被重新研磨成P80测试前21 μ m。该试验模拟了密集氰化尾矿被导向浮选精矿浸出回路。
| Gramalote项目 哥伦比亚 NI 43-101技术报告 |
密集氰化尾矿的再浸出不包括在整体工厂回收计算中,应被视为潜在的项目上行空间。
密集氰化试验使用的条件如下:
20至40%固体(w/w),视样本量而定;
用石灰维持pH10.5至11;
20克/升NaCN,维持;
基于冶金母料复合金头品位和试验质量的“浸助剂”添加;
48小时浸出持续时间,附子样本24小时;
环境温度;
不通气。
密集氰化试验48小时黄金提取率96.8-98.7 %不等,平均97.5%。银萃取量66.2-84.5 %不等,平均76.9%。再浸出试验经研磨至P后浸出30小时,金的提取率为81.9%,银的提取率为40.2%8021 μ m。
测试的所有重力精矿都可以进行密集的氰化物浸出。
浮选精矿氰化物浸出
对F-6散装浮选精矿进行研磨和浸出回收试验,确定最佳目标回磨粒度和浸出停留时间。研磨尺寸从P80250 μ m(as is)to P80评估了16 μ m。
氰化试验工作在以下条件下以瓶卷方式进行:
35%固体(w/w);
用石灰维持pH10.5至11;
浸出前预曝气6小时;
预曝气时添加1000克/吨硝酸铅;
2克/升NaCN;
溶解氧目标20至25mg/L;
72小时保留时间;
温度维持35 ° C。
| Gramalote项目 哥伦比亚 NI 43-101技术报告 |
最初进行了六次测试,并进行了一系列重复测试以确认观察结果。对残留物进行了黄金分析,一式三份,但为简洁起见,仅提供了平均值。
结果表明,在第一个系列中,残渣品位下降,直到研磨尺寸为P80达到27 μ m,P处残留品位意外提升8022 μ m前再次在P处减少8016 μ m。在第二个系列中,残渣等级随研磨尺寸而下降。氰化物和石灰用量普遍随着研磨尺寸的减小而增加。金回收率的改善在P的研磨尺寸之间相对较小8016-24 μ m。
总体黄金提取范围从84.6%的测试9在P80试验8和14在P时为263 μ m至97.7%8016 μ m。残渣品位范围为11.2-0.17克/吨金。更精细研磨尺寸的动力学非常快,大部分黄金在24小时内提取。
与黄金类似,白银总体呈现随研磨尺寸减小而增加回收的趋势。在P时,测试3的整体银提取率为42.1%80试验14在P时263 μ m至70.2%8016 μ m。残渣品位区间为7.0-26.7克/吨Ag。
P的研磨大小8020 μ m被选为所有进一步工作的目标。
进一步进行了一系列三次硬停试验,以选择最佳浸出停留时间,a使用中试装置浮选精矿。其他情况与研磨/回收浸出测试相比没有变化。实测研磨尺寸为P80每次测试17 μ m。
三个测试中的每一个的黄金提取量都是相同的,对于更长的停留时间来说,银的提取量略高。黄金浸出量为97.9%,总体黄金回收率为95.7%。重复金渣品位变化非常小,这给测试结论带来了信心,并表明样品中的游离金非常少。
根据测试结果,选择30小时的浸出停留时间进行所有进一步测试。选定的停留时间包括一个设计因素,允许绕过一个浸出池,并且仍然实现24小时停留时间。
散装氰化物浸出
使用大约6.7公斤的中试工厂浮选精矿完成了一次单一的批量测试,以创建用于氰化物销毁测试工作的样本。在30小时浸出后,纸浆与碳接触六小时,模拟模拟纸浆中的碳(CIP)回路。在进行氰化物销毁测试之前,已从溶液中去除装载的碳。提交了贫瘠的浸出液,以进行全面的溶液分析,从而可以指定氰化物破坏测试程序的参数。
| Gramalote项目 哥伦比亚 NI 43-101技术报告 |
本体浸出试验的黄金提取量低于可比的硬停试验结果,为93.1%,低于95.7%。本体试验的残渣品位为2.03克/吨金和19.1克/吨银,而硬停试验的平均品位为0.81克/吨金和12.5克/吨银。由于可能的混合和氧分散效率低下,与瓶卷测试相比,小型罐体浸出中的残留物等级略高的情况并不少见。24-30小时的溶解氧读数仅为13.6mg/L,而目标为20-25mg/L。可能是较低的氧水平影响了本体试验的浸出动力学。氰化物和石灰消费量也低于硬停测试。
13.3.8变异性测试工作
使用10种可变性复合材料中的每一种进行了最佳条件下标准流程图的测试。每项测试包括以下步骤:
使用Knelson选矿机对20公斤的样品进行重力分离,然后使用Mozley台式清洁剂阶段,以20克(~0.1%质量)总重力浓缩物为目标。
重力精矿密集氰化物浸出at as received K80.
使用10公斤Knelson尾矿进行更粗浮选,目标是大约3%的质量回收率。
较粗的浮选精矿的回磨至约P的研磨尺寸8020 μ m。
重磨粗浮选精矿氰化物浸出30小时。
考虑到重力精矿密集氰化物浸出提取,计算了每个样品的总体金和银回收率。
变异性样本的重量金回收值范围为16.6%至46.7%,平均为28.5%。重力银回收值范围为4.1%至18.6%,平均为8.5%。
10次变异性试验的平均浮选质量回收率为2.9%。金浮选装置回收率93.0%-97.8 %,平均95.6%,综合重力加浮选回收率96.8%。平均总重力加浮选银回收率为60.7%。硫磺和硫化物平均回收率分别为93.6%和88.0%。
图13-4和图13-5表明,头部品位和较粗浮选尾矿测定之间存在良好的关系。这可以用来预测整体重力加浮选回收率。硫化物头部品位和浮选质量回收率之间也存在一种关系,这将有助于操作预测目的。
| Gramalote项目 哥伦比亚 NI 43-101技术报告 |
图13-4:黄金重力和浮选尾与头部品位对比

注:图由石松制作,2022。
图13-5:银重力和浮选回收率与头部品位对比

注:图由石松制作,2022。
| Gramalote项目 哥伦比亚 NI 43-101技术报告 |
密集氰浸出金提取78.1%-98.9 %,平均93.2%。银的提取率平均为79.2%。平均总重力精矿和密集氰化物浸出金提取率为27.0%。
浮选精矿黄金浸提97.1-99.2 %,平均98.4%。银的提取率为57.3-92.2 %,平均为75.1%。计算得到的头部品位与直接(浮选精矿子样本)头部品位比较好。平均计算金头品位为29.1克/吨金,而直接金头品位为29.9克/吨金。计算得到的平均银头品位为31.2克/吨Ag,而直接银头品位为32.4克/吨Ag。试剂用量,以kg/t氰化物浸出料计,平均为4.59 kg/t NaCN和3.57 kg/t CaO。
氰化物消耗与进料中铜含量测定(到重力和浮选)有很好的关系。铜没有在精矿浸出进料中测量,但很可能也与这个参数有关系,如果有的话。
考虑到密集的氰化物浸出提取,平均总体黄金和白银回收率分别为95.5%和45.5%。整体黄金回收率与计算出的金头品位之间存在对数关系,白银也存在类似关系。
13.3.9金银整体回暖
整体重力、浮选加氰化物浸出金和银回收率对于冶金母复材和变异性样本表明,整体金回收率在92-98 %范围内,整体银回收率在27-60 %范围内,可以在使用选定的流程图时从Gramalote Ridge矿石中预期。所有变异性样品的平均金和银回收率分别为95.5%和46.3%,而主复合物回收率分别为95.7%和54.1%。
13.3.10浸出动力学与碳建模
使用最佳浸出条件浸出F6散装rougher试验的粗精矿,用于下文描述的碳吸附和平衡测试工作的后续使用。进行了三次浸出试验:
CN-23,~200g浸出动力学试验在滚瓶中进行,共72小时。于1、2、4、8、12、24、30、48小时采集溶液亚样。
CN-24,~1.2公斤散装浸出试验在滚瓶中进行72小时。该试验产生的纸浆用于平衡等温线试验。
| Gramalote项目 哥伦比亚 NI 43-101技术报告 |
浸出动力学
黄金的浸出速度非常快,大约在12小时左右开始趋于平稳。浸出动力学常数,ks,对于Gramalote Ridge样品按0.325计算。
碳吸附动力学
散装浸出试验的纸浆在滚瓶中与新鲜、磨损的Calgon GRC-22碳进行批量试验72小时接触。在1、4、6、9、24、48和72小时取出溶液样品进行分析,以建立吸附动力学曲线。
测试样品产生的动力学(k)和平衡(K)吸附常数为0.023h-1和10,388克/吨,分别。动力学常数k是一个一级速率常数,它描述了吸附过程初始阶段氰化金在碳上的薄膜扩散速率。平衡常数K表示从含1 mg/L Au的溶液中预测的氰化金对碳的平衡负荷量(g/t)。两个常数(kK)的乘积为CIP/浸出中的碳(CIL)在处理特定纸浆时是否会有效发挥作用提供了有用的指导。对此,经验表明,当KK值< 50h-1,碳吸附过程将是缓慢和低效的,需要许多吸附阶段和高碳库存。当kK值> 100h时-1,不过,良好的CIP/CIL表现可期。在此背景下,可以看出Gramalote Ridge Master复合金吸附性能优异,数值为239h-1.
碳吸附平衡等温线
为生成平衡数据,将本体浸出测试的预定量纸浆与预定量活性炭接触,以实现目标溶液/碳比例(或目标碳负荷)。浆料被搅拌,在有碳的滚动瓶中,72小时,以使活性炭与溶液中的金平衡,然后通过筛选回收碳,并过滤浆料样品以生成碳、溶液和洗过的残留物样品,用于金和银分析。
结果
计算出浸出动力学常数和碳吸附常数为:
浸出动力学常数,ks: 0.325;
动力学吸附常数,k,h-1: 0.023;
| Gramalote项目 哥伦比亚 NI 43-101技术报告 |
平衡吸附常数,K,g/t:10,388;
平衡与动力学常数的乘积,kK,h-1: 239.
总体来看,两个常数的乘积是239h-1,表明优异的金吸附性能。基于这个常数和母体和可变性复合材料的非常低的有机碳分析,CIP被选为拟议的工艺装置。SGS Lakefield建模研究表明,CIP性能优异,可溶性金损失低。
13.3.11吸氧测试工作
采用200g中试装置浮选精矿进行吸氧试验。试验在配备架空搅拌机的1升反应釜中进行,持续时间为36小时。将水壶盖上,在果肉中加入空气和氧气的混合物,使溶解氧浓度达到20-25mg/L之间。在整个试验过程中加入石灰,使pH值达到10.5至11.0。
测定浆液溶解氧含量,总时间15分钟,间隔1分钟。在这些读数期间,氧气被关闭。预曝气期间0、1、2、3、4、5、6小时采集溶氧读数。然后加入氰化物以表示浸出条件,浓度维持在0.5克/升,读数持续在1、2、3、4、5、6、7、9、24和30小时。
预曝气期间吸氧率高很多,添加氰化物后明显下降。这复制了在几个地点的工厂运营中注意到的情况,在存在氰化物的情况下,这些地点的氧气需求显着下降。任何未来的Gramalote工厂都应该在泵吸中加入添加氰化物的外部氧接触器,以利用这种效果。
13.3.12氰化物破坏试验工作
与碳接触后,将试验CN-26(冶金母复材生产)的本体浸出浆料样品用于氰化物破坏试验工作。该试验工作的目的是得到处理后的纸浆,其中含有< 10mg/L的残余弱酸解离氰化物(CN瓦德)使用SO2/空气销毁过程,以及优化试剂添加率。
试验工作中调整的主要参数为化学计量添加焦亚硫酸钠(SO2source)和硫酸铜的添加。试验以批量、连续方式完成。样品对使用SOO的氰化物破坏处理反应良好2/空气过程。所有测试均在35 ° C、35%固体(w/w)、pH8.5、保持时间约195分钟的条件下进行。使用石灰浆进行pH调节。
| Gramalote项目 哥伦比亚 NI 43-101技术报告 |
在完成氰化物销毁程序后,以下操作条件实现了排放CNN瓦德浓度< 10mg/L:
35%固体(w/w);
添加比4.3g SO2每克CNN瓦德;
pH值为8.5,按要求使用石灰(~5 kg/t);
停留时间195分钟。
未要求硫酸铜达到目标排放浓度。然而,建议在工艺装置设计中纳入硫酸铜添加系统,用于启动和翻车条件。
氰化物销毁试验工作由冶金顾问指导,并为格拉玛洛特氰化物销毁电路推荐了以下设计条件:
35%固体(w/w);
4.5克SO的添加比例2每克CNN瓦德;
添加10mg/l铜2+;
pH值为8.5,按要求使用石灰(~5 kg/t);
空中新增3500 SCFM;
停留时间240分钟。
此测试工作表示SOO2/空气工艺可成功用于处理CIP尾矿流降低CNN瓦德到所需的浓度。
13.3.13流变学测试工作
对以下样品进行了流变学测试工作:
中试装置浮选尾矿;
氰化物破坏饲料(pH值为11);
氰化物破坏排放(pH值为8.5)。
所有样品均在先前35%固体(w/w)测试的as received浆料密度下进行测试。
粘度测试结果
氰化物破坏进料样品被提交用于粘度研究,其中包括在5秒的恒定剪切速率下的测量-1在四种不同的泥浆密度下持续120秒。所有测试均在纸浆pH值为11和37 ° C下进行。氰化物破坏电路测试工作的合适起点是大约35%固体(w/w)的浆料密度。
| Gramalote项目 哥伦比亚 NI 43-101技术报告 |
流变试验结果
流变学试验结果采用主轴和罩杯构型的同心圆柱旋转粘度法进行。
浮选尾矿样品临界固体密度为71.5%。氰化物破坏样品进料、出料样品临界固体密度分别为57.5%、59.5%。浸出和CIP普遍接受的极限是10Pa的屈服应力;因此,大约48%的固体(w/w)是可用于浸出和CIP的最大值。35%固体(w/w)的设计浸出密度远低于该值,因此浆液流变不会对浸出或碳吸附动力学产生不利影响。
13.3.14增稠剂和絮凝试验工作
来自中试工厂的三个样品被提供给FLSmidth进行浓缩机测试工作;一个浮选精矿样品、一个重新研磨的浮选精矿(预浸出浓缩机)样品和一个浮选尾矿样品。试验工作包括絮凝剂筛选、静态和动态沉降试验以及增厚泥浆流变学评估。
增厚测试显示:
与其他絮凝剂相比,具有高分子量和中等电荷密度的阴离子聚丙烯酰胺絮凝剂产生了最佳的溢出清晰度和沉降速度。MF 1011被用于测试活动,但任何符合上述标准的絮凝剂都可能是可以接受的;
推荐的絮凝剂用量约为尾矿干固体20-25克/吨,两种精矿样品干固体50-60克/吨;
助熔剂测试表明,絮凝的最佳给料井密度,浮选尾矿在13-15 %固体(w/w)之间,浮选精矿在11-13 %固体(w/w)之间,重新研磨浮选精矿在6-10 %固体(w/w)之间;
浮选尾矿55-60 %固体(w/w)、浮选精矿50%固体(w/w)和重新研磨浮选精矿45%固体(w/w)所需的浓缩机底流密度很容易达到。如果需要,可以瞄准更高的密度,因为在动态测试中分别达到了72%、64%和55%(w/w)固体的底流固体浓度。
| Gramalote项目 哥伦比亚 NI 43-101技术报告 |
13.3.15 Regrind TestWork
向美卓奥图泰提供散装重力和浮选试验(F-7)的浮选精矿样品,用于JAR Mill测试。使用Jones Riffle分流器将接收后的材料混合和分裂,以获得具有代表性的试验进料样品,用于测定粒度分布和体积密度。
采用20.3厘米乘25.4厘米的轧罐机,以71.3转(理论临界速度的76%)旋转,装载15.9公斤直径为19毫米的钢球进行测试。加入所需数量的水,以达到制罐厂内部60%固体(w/w)的所需浆料密度。多个子样品被拆分以执行一系列具有不同研磨保持时间的Jar Mill运行。罐磨机在每次运行开始时,层层加载研磨介质、固体和水,以产生混合研磨环境。使用Jones Riffle对Jar Mill产品进行混配和拆分,并获得子样品进行粒度分布测量。
上报的比能量24.19 kWh/t含10%安全系数。转换为Vertimill比能量使用了基于美卓奥图泰经验的0.66的效率系数,得到了15.75 kWh/t的值。
13.3.16物料搬运测试作业
2011年,Jenike和Johanson对两个标有早期矿山寿命复合材料和剩余矿山寿命复合材料Gramalote Silica的样品进行了材料处理测试工作。2011年后没有在这方面进行额外的测试工作。
测试程序包括以下测试:
可压缩性,用于确定容重与固结压力关系;
流量函数,用于计算临界出口尺寸;
壁面摩擦力,用于确定壁面摩擦角和质量流漏斗角;
休息和缩放的台式比例尺角度,用于确定休息和缩放的角度。
一般试验条件如下:
环境实验室条件,~22 ° C和50%相对湿度;
尺寸分数测试,-6目(3.35毫米);
水分含量,按收(0.37%,0.32%);
休息时间,0和24小时。
| Gramalote项目 哥伦比亚 NI 43-101技术报告 |
收到的水分含量被认为是进行测试工作的一个非常低的点,考虑到可能的年度降雨量,可能不代表潜在的格拉玛洛特操作。
在接收后的水分含量下,早期矿山寿命复合样本的预期容重范围在1,455-1,557千克/米之间3.
在待收水分含量下,剩余矿山寿命复合格拉玛洛特二氧化硅样品的预期容重范围在1,493-1,572千克/米之间3.
两个样品的测试结果都显示粘结强度较低,并且没有要求最小出口尺寸来防止粘结起拱。因此,鉴于矿石的磨粒指数较高,与质量流设计相比,建议采用岩石箱设计以改善磨损性能。
这种材料很容易流动,有轻微的破洞倾向。
在接收到的含水率下,预计休止角范围为31至37 °(从水平),下降角范围为54至59 °(从水平)。
测试的材料表现非常好,与其他硫化物/新鲜矿石相似。应采用摇滚盒设计,以避免过度磨损。
13.3.17现场用水分析
SGS Lakefield对取自TMF足迹区域内的La Palestina溪流的现场水样本进行了分析。样本是在降雨后采集的,因此预计浊度会比平时更高。根据pH值、碱度和硬度,水是不结垢的,除了用于加工厂的一般用途的过滤外,很可能需要很少的水处理。随着TMF尾矿沉积的开始,很可能会停止获得这一水源。
另一个淡水来源很可能来自瓜卡斯溪。2016年从Guacas Creek采集了4个水样,并由MCS Consulting and Environmental Monitoring进行了分析。
根据pH值、碱度和硬度,水是不结垢的,除了用于加工厂的一般用途的过滤外,很可能几乎不需要水处理。由于不了解全年水质的可变性,将在整个加工厂使用的水流中以非常低的加药率添加抗标量试剂溶液。该工厂的设计将包括一个具有反渗透技术的水处理厂,因为洗脱电路在使用更高质量的水时表现更好。
住宿营地将按照饮用水标准生产饮用水。这些水将被进一步氯化并用紫外光处理,然后被网状处理到加工厂区域内的建筑物中。
| Gramalote项目 哥伦比亚 NI 43-101技术报告 |
13.3.18高压磨辊试验工作
美卓奥图泰于2022年6月对3.0t钻芯样品进行了一系列HPGR测试。用于测试的HPGR单元是一台新的HRC 800e机器,它是商业单元的全尺寸版本,只是减少了轮胎宽度。
完成开路HPGR测试程序,建立随进料水分和辊速变化而变化的比力对比通量、操作间隙、功率拉伸和颗粒破碎的影响。在完成HPGR测试后,对饲料和所有产品样品进行BWI测试。
结果表明:
HPGR测试结果与总体预期相符,包括比能量随作用力增加而增加,而水分和速度影响不大;
HPGR进料的闭合屏幕尺寸为300 μ m的BWI值为16.1 kWh/t,HPGR测试产品的BWI值范围为15.1-16.1 kWh/t。
13.3.19粉碎电路选择
Gramalote Ridge矿床在BWI方面的特点是中等到硬的能力和中等软到中等硬的能力。它被认为是中等程度的磨蚀性到磨蚀性。
粉碎电路设计是在磨料尺寸为F的情况下,以初级破碎机产品为原料的硫化矿的工厂吞吐量为6.0mtpa80~150毫米至最终产品研磨尺寸为P80250 μ m。设计基于85第粉碎测试工作结果的百分位。SGS Lakefield完成了粉碎测试工作,随后使用过程仿真软件JKSimMet进行建模。
Metcom Technologies使用基于功率的磨机尺寸方法进行了进一步的粉碎建模,包括Bond、Barratt、Morrell和MacPherson。这四种不同建模方法的平均总和与当前的粉碎建模和磨机尺寸建议一致。
13.3.20重力电路建模
SGS Lakefield对冶金母材复材样品进行重力可回收金含量检测。2012年,两个标有GER和GIR的样品也进行了GRG含量检测。
重力可采金的大小可以用AMIRA刻度来表示。通常,重力可回收金越粗,对重力回收的顺应性越高。重力可回收金越细,越适合使用闪选等技术进行回收。冶金母材在AMIRA规模上被认为是粗的,而2012年的样本被认为是中等粗的。因此,这三者都可以接受重力黄金回收。
| Gramalote项目 哥伦比亚 NI 43-101技术报告 |
13.4冶金变量
为冶金测试选择的样品代表了Gramalote Ridge矿床内各种类型和类型的矿化。样本是从矿床区域内的一系列地点中选择的。采集了足够的样本,以便在足够的样本质量下进行测试。
13.5恢复估计数
测试结果表明,总体金回收率在92-98 %范围内,总体银回收率在27-60 %范围内,在使用选定的流程图时可以预期从Gramalote Ridge矿石。所有变异性样品的平均金和银回收率分别为95.5%和46.3%,而主复材回收率分别为95.7%和54.1%。
黄金总体回收率与计算出的金头品位的对数关系表现为:
在2.5克/吨AU的金头品位下,预测整体黄金回收率平均为97.2%。
通常情况下,应用高达1.0%的工厂回收折扣来核算可能影响整体回收的可溶性金损失、精细碳损失和工厂问题。然而,冶金测试工作尚未考虑通过进一步浸出精矿浸出回路中的密集氰化残渣而回收的额外黄金。计划在精矿浸出前将这种残渣引入回矿回路。因此,没有应用回收折扣,因为认为实验室结果适当保守,可能进一步优化。
白银也有类似的关系,表现为以下关系:
在1.9克/吨Ag的银头品位下,预计整体白银回收率平均为50.1%。
白银不打折。
13.6有害元素
从加工的角度来看,没有有害元素是已知的。
| Gramalote项目 哥伦比亚 NI 43-101技术报告 |
13.7对第13款的评论
QP指出:
Gramalote Ridge矿床在BWI方面的特点是中等到硬能力和中等软到中等硬。该矿石适用于SABC电路,其中包括一个卵石破碎机。它被认为是中等程度的磨蚀性到磨蚀性;
基于SGS Lakefield进行的测试工作和FLSmidth的建模,保证了重力分离电路;
Gramalote Ridge矿石适合在P粗磨尺寸下通过泡沫浮选回收黄金80250 μ m。20分钟的浮选时间(实验室)和一个简单的PAX和起泡剂方案将回收浮选进料中大约3%到4%的质量和93%到98%的金。A rougher/scavenger only flow sheet is optimal,and no required cleaning;
大约P的regrind大小80要求20 μ m在精矿浸出前充分释放金;
鉴定为实现高提金的精矿浸出条件为:预曝气6小时,然后在35%固体(w/w)下进行氰化物浸出30小时,pH10.5至11保持石灰、1 kg/t硝酸铅、2 g/l NaCN和溶解氧水平在20至25 g/L之间;
金头品位与整体金回收率(包括重力、重力精矿浸出、浮选和浮选精矿浸出)之间存在对数关系。银头品位与整体白银回收率也存在对数关系;
Gramalote Ridge矿石的总体金银回收率预计在黄金的92-98 %和白银的27-60 %之间。变异性样本的平均总体金银回收率分别为95.7%和45%;
基于极低水平的预抢元素和非常好的吸附性能,为拟建的Gramalote工艺装置选择了CIP电路;
精矿浸出尾矿利用SOO对氰化物破坏反应良好2/空气方法。要求的氰化物破坏停留时间为240分钟;
浮选尾矿比浓缩机吞吐速率0.035m2/t/天。浮选尾矿浓缩机将需要20g/t的絮凝剂,以实现55-60 %(w/w)的底流密度。
| Gramalote项目 哥伦比亚 NI 43-101技术报告 |
14.0矿产资源估计
14.1导言
Gramalote Ridge的矿产资源模型已于2022年5月11日使用钻探至2022年3月9日完成。9个钻孔(1795米)在资源估算库截止日期后。这些钻孔是出于谴责/基础设施目的而钻的,通常位于矿产资源区之外。
特立尼达的矿产资源模型于2025年8月6日使用截至2025年7月14日的钻探完成。截至报告生效日期,特立尼达没有额外钻探。
Monjas West的矿产资源模型于2023年2月17日使用截至2023年1月4日的钻探完成。截至报告生效日期,Monjas West没有额外钻探。
模型使用2025年8月6日提供的坑壳假设进行约束,矿产资源估算的生效日期为2025年8月6日。
钻孔测井和化验被用作岩性、风化、矿化带和金品位估计的3D模型的基础。
用于估算的软件包括Leapfrog Geo(建模)、Supervisor(地质统计和变异)、Datamine Studio RM(估算)和Whittle(矿坑优化)。
Block建模在Gramalote Ridge使用15x5x10m的母块大小,在域边界使用低至5x0.2x0.5m的子块。在特立尼达,15 x 5 x 10 m的母块与低至3 x 1 x 1 m的子块一起使用。Monjas West的母区块大小为10 x 10 x 10 m,子区块低至2 x 2 x 1 m。
针对露天矿规划和转化为储量,在Gramalote Ridge使用15x5x10m的区块大小创建了一个完全稀释的整块模型。
手工小型矿工(ASM)一直专注于风化岩石中的材料,但最近也在新鲜岩石中开采狭窄的矿脉。2020年进行的高分辨率激光雷达调查考虑了具有历史意义的地表水力采矿;但是,由于涉及的材料数量很少以及隧道调查不充分,模型中没有考虑到ASM隧道。
14.2探索性数据分析
对钻芯的审查和对金品位的统计分析(相对于测井特征)支持Gramalote Ridge的主要矿化控制是:
| Gramalote项目 哥伦比亚 NI 43-101技术报告 |
石英-绢云母、钾(K长石)和绢云母蚀变(中等强度以上);
指定为1型、2型、5型的静脉(参见表7-2说明);
Gramalote Ridge的较高品位与黄铁矿和黄铜矿丰度升高有关。
在特立尼达和Monjas West,矿化与网状细脉和沿细脉边缘的蚀变有关。蚀变主要是石英-绢云母,虽然已经观察到一些钾蚀变。小静脉与在Gramalote Ridge观察到的相同类型(类型1、类型2和类型5)相关。
白银一般与黄金有相同的联想。银金比在不同矿床和品位区间变化在1.1-1.6之间,AU:AG平均为1.4。
14.3地质模型
对岩性、构造、风化和矿化域进行了建模。
14.3.1岩性模型
Gramalote Ridge、Trinidad和Monjas West位于双闪长岩/花岗闪长岩内。Gramalote Ridge东南面的矿床和闪长岩所在的云长岩之间有一个渐变的东北走向接触。区域岩性接触以3D方式建模,并在适用的情况下应用于模型。
14.3.2结构和脉络
基于测井钻孔数据和地球物理/地形线,创建了脆性结构和构造廊道模型。
基于记录的钻孔数据和手工矿工隧道的测绘,创建了较大矿脉的模型。
构造和脉络模型用于指导矿化带解释和品位估算中的趋势。
14.3.3成矿带
格拉玛洛特岭
从RC和岩心钻孔对Gramalote Ridge的LG和HG矿化域进行了解释。
在LG域,如果钻孔间隔达到0.1 g/t Au的标称边界品位,则将其标记为低品位。基于1型+ 2型+ 5型矿脉含量和周边钻孔,省略或纳入了阈值处的样本。使用了一般的6米最小厚度,但考虑到了与相邻孔洞的连续性。LG线框是通过轮廓(isoshell)手动标签的高分辨率指示块模型创建的。在域内考虑了指标值≥ 0.5的块。调整了局部方向以模拟结构和脉络解释,并增加了一些手动点以控制模型趋势。
| Gramalote项目 哥伦比亚 NI 43-101技术报告 |
在HG域中,如果间隔满足标称的0.5 g/t AU边界,则将其标记为HG。与LG域一样,基于矿化矿脉丰度、黄铁矿和黄铜矿含量以及相邻钻孔,在阈值处的样品被省略或包括在内。使用了一般的最小厚度4 m,有时为了与相邻的孔保持连续性而更少。HG线框是通过轮廓(isoshell)手动标签的高分辨率指示块模型创建的。在域内考虑了指标值≥ 0.5的块。调整了局部方向以模拟结构和脉络解释,并增加了一些手动点来控制模型。
在极低品位域(晕)中,如果记录到钻孔间隔被标记为甚至弱蚀变并且含有> 0.5%的脉络,则标记钻孔间隔。使用了一般的6米最小厚度。光环材料一般是亚经济的。Halo线框是使用与HG和LG域相同的指标方法创建的。
一张3D透视图(图14-1)显示了Gramalote Ridge矿化带的总体方向和宽度。
特立尼达
特立尼达的低品位矿化区是使用与Gramalote Ridge相同的方法创建的。钻孔间隔如果达到0.1 g/t AU的标称边界品位,则被标记为低品位。基于1型+ 2型+ 5型矿脉含量,以及周边钻孔,省略或纳入了阈值处的样本。使用了一般的6米最小厚度,但考虑到了与相邻孔洞的连续性。
LG线框是通过轮廓(isoshell)手动标签的高分辨率指示块模型创建的。在域内考虑了指标值≥ 0.5的块。调整了局部方向以模拟结构和脉络解释,并增加了一些手动点来控制模型。
3D透视图(图14-2)显示了特立尼达矿化带的总体方向和宽度。
| Gramalote项目 哥伦比亚 NI 43-101技术报告 |
图14-1:格拉玛洛特岭矿化带三维透视图

注:图由B2Gold编制,2025年。
| Gramalote项目 哥伦比亚 NI 43-101技术报告 |
图14-2:特立尼达矿化带三维透视图

注:图由B2Gold编制,2025年。
| Gramalote项目 哥伦比亚 NI 43-101技术报告 |
蒙哈斯西
在Monjas West,低品位矿化区基于0.1 g/t Au的名义边界建模,同时考虑了类型1、类型2和类型5的矿脉百分比和硫化物丰度。
在Leapfrog Geo中创建了低品位矿化域的3D实体,如图14-3所示。
14.3.4风化模型
创建了六个风化和覆盖层表面:
冲积沉积物基;
土壤/冲积层表面基部;
回填材料固体(与试验RC区域有关);
小型矿工弃料桩的固体;
红土基(仅特立尼达);
腐泥石基;
saprock的底座。
土壤/冲积层、冲积层、回填和废弃桩域被用于密度分配;这些材料类型的等级没有估计。腐土岩和saprock被用于指定密度和坑坡/工作指数域,但不作为品位估计的边界。
腐泥岩和砂岩内的矿化是原位风化的,相对于未风化岩石中的下伏矿化没有显示出明显的位移。
格拉玛洛特岭
土壤/崩积层、冲积层、回填层、弃置层、腐泥岩和树脂层表面的基部是基于钻孔记录的风化代码,作为地形表面的偏移量。详细的表面映射也被用来控制各种表面。
特立尼达
土壤/崩积层、红土、腐泥石和树瓣表面的基部基于钻孔记录的风化代码,作为地形表面的偏移量。
蒙哈斯西
土壤/崩积层、腐泥岩和树瓣表面的基部基于钻孔记录的风化代码,作为地形表面的偏移量。
| Gramalote项目 哥伦比亚 NI 43-101技术报告 |
图14-3:Monjas West矿化带三维透视图

注:图由B2Gold编制,2025年。
| Gramalote项目 哥伦比亚 NI 43-101技术报告 |
14.4密度分配
14.4.1格拉玛洛特岭
在Gramalote Ridge,使用ID2插值估计块模型的体积密度。矿化带和风化域被用作这一估计的边界。在估计之前,数据集中排除了明显的异常值。表14-1显示了样本的平均密度值和块模型估计。
14.4.2特立尼达
在特立尼达,基于矿化带和风化域的SG样本平均值,使用表14-2中的值,将体积密度应用于区块模型。
14.4.3 Monjas West
在Monjas West,使用表14-3中的值,基于矿化带和风化域的SG样本平均值,将体积密度应用于区块模型。
14.5等级上限/异常值限制
利用分布(概率)图、十分位和高等级测定的空间观测,在每个域/子域确定封顶水平。
14.5.1格拉玛洛特岭
每个矿化域(HG、LG、废物)内的化验分别封顶。此外,化验被结构部门分隔,以代表矿床的不同区域。封顶水平见表14-4。总体而言,封顶去除了大约4%的金金属含量。
14.5.2特立尼达
每个矿化域的化验分别封顶。此外,为了封顶的目的,化验被分为结构性部门。特立尼达的封顶水平见表14-5。整体金属减少量为5%。在关键域,LG1和LG5,封顶分别去除3%和5%的金金属含量。
14.5.3蒙哈斯西部
每个矿化域的化验分别封顶。域被进一步划分为封顶区。黄金和白银上限水平见表14-6。封顶可去除Monjas West 9%的金金属含量。
| Gramalote项目 哥伦比亚 NI 43-101技术报告 |
表14-1:样本和块模型密度,Gramalote Ridge
| 风化 | 矿化 | 废物 | ||||||||
| n | 平均 SG |
标准 开发 |
简历 | 模型 SG |
n | 平均 SG |
标准 开发 |
简历 | 模型 SG |
|
| 丢弃(820) | 不适用 | 0 | 1.60 | |||||||
| 回填(810) | 不适用 | 0 | 1.60 | |||||||
| 冲积层(710) | 不适用 | 0 | 1.60 | |||||||
| 土壤/崩塌(700) | 不适用 | 11 | 1.60 | 0.33 | 0.21 | 1.57 | ||||
| 腐蚀岩(300) | 162 | 1.66 | 0.31 | 0.19 | 1.66 | 115 | 1.64 | 0.28 | 0.17 | 1.65 |
| Saprock(200) | 63 | 2.23 | 0.38 | 0.17 | 2.15 | 59 | 2.18 | 0.40 | 0.18 | 2.19 |
| 新鲜(100) | 5477 | 2.65 | 0.05 | 0.02 | 2.64 | 1305 | 2.65 | 0.05 | 0.02 | 2.65 |
注:n = number,std dev =标准差,CV =变异系数,SG =比重。
表14-2:分配给Block模型的密度,特立尼达
| 风化 | 矿化 | 废物 | ||||||
| n | 平均 SG |
标准 开发 |
简历 | n | 平均 SG |
标准 开发 |
简历 | |
| 土壤/崩塌(700) | 不适用 | 13 | 1.68 | 0.14 | 0.08 | |||
| 红土(400) | 4 | 1.60 | 0.09 | 0.06 | 3 | 1.48 | 0.05 | 0.03 |
| 腐蚀岩(300) | 53 | 1.59 | 0.14 | 0.09 | 118 | 1.61 | 0.25 | 0.16 |
| Saprock(200) | 14 | 2.29 | 0.31 | 0.14 | 28 | 2.30 | 0.31 | 0.13 |
| 新鲜(100) | 350 | 2.65 | 0.04 | 0.02 | 699 | 2.63 | 0.06 | 0.02 |
注:n = number,std dev =标准差,CV =变异系数,SG =比重。
| Gramalote项目 哥伦比亚 NI 43-101技术报告 |
表14-3:Monjas West的Block模型分配密度
| 风化 | 矿化 | 废物 | ||||||
| n | 平均SG | 标准开发 | 简历 | n | 平均SG | 标准开发 | 简历 | |
| 土壤/崩塌(700) | 不适用 | * | 1.57 | 不适用 | 不适用 | |||
| 腐蚀岩(300) | * | 1.65 | 不适用 | 不适用 | * | 1.65 | 不适用 | 不适用 |
| Saprock(200) | * | 2.40 | 不适用 | 不适用 | 4 | 2.47 | 0.11 | 0.04 |
| 新鲜(100) | 96 | 2.63 | 0.07 | 0.03 | 646 | 2.62 | 0.11 | 0.04 |
注:n = number,std dev =标准差,CV =变异系数,SG =比重。*样本不足的域的值由其他域外推。
表14-4:AU和AG封顶水平,Gramalote Ridge
| 结构性板块 | AU封顶水平 | AG封顶水平 | ||||
| HG | LG | 废物 | HG | LG | 废物 | |
| 圣安东尼奥 | 6.0 | 2.0 | 0.3 | 10.0 | 4.0 | 2.0 |
| 费利佩·北 | 10.0 | 3.0 | 0.5 | 7.0 | 5.0 | 2.0 |
| 费利佩·南 | 20.0 | 6.0 | 0.5 | 20.0 | 15.0 | 2.0 |
| 格拉玛洛特东 | 5.0 | 3.0 | 1.0 | 2.0 | 5.0 | 0.5 |
| Gramalote Main | 45.0 | 6.0 | 1.0 | 50.0 | 40.0 | 1.0 |
| 格拉玛洛特西 | 5.0 | 3.0 | 1.0 | 12.0 | 4.0 | 1.0 |
| retiro | 20.0 | 5.0 | 1.0 | 60.0 | 20.0 | 3.0 |
| 巴尔萨尔 | 12.0 | 4.0 | 0.5 | 12.0 | 9.0 | 1.5 |
| 雷纳 | 6.0 | 3.5 | 0.2 | 4.0 | 3.0 | 2.0 |
| 利蒙 | 6.0 | 3.0 | 0.5 | 1.5 | 1.5 | 2.0 |
表14-5:AU和AG封顶水平,特立尼达
| 结构性板块 | AU封顶水平 | AG封顶水平 |
| 废物 | 1 | 20 |
| 改动光环 | 2 | 8 |
| LG-1 | 7 | 11 |
| LG-2 | 4 | 4 |
| LG-3 | 3.5 | 10 |
| LG-5 | 6 | 35 |
| LG-6 | 3 | 5 |
| LG-7 | 2 | 2 |
| Gramalote项目 哥伦比亚 NI 43-101技术报告 |
表14-6:AU和AG封顶水平,Monjas West
| 结构性板块 | AU封顶水平 (g/t AU) |
AG封顶水平 (g/t Ag) |
| 废物 | 0.8 | 8 |
| LG-1000 | 5 | 4 |
| LG-2000 | 3.5 | 3 |
14.6复合材料
为Gramalote Ridge创建了4米长的井下复合材料,为特立尼达创建了2米长的复合材料,为Monjas West创建了4米长的复合材料。选择复合长度作为减少变异和克里金复合方差之间的平衡,同时保持在矿床中观察到的合理方差。
封顶是在合成之前完成的。在矿化带边界开始时开始新的复合材料,并允许复合材料宽度变化,以避免在间隔结束时出现短复合材料。Gramalote Ridge的复合分布统计见表14-7,Trinidad的表14-8和Monjas West的表14-9。
14.7变异谱
14.7.1格拉玛洛特岭
在4米封顶复合材料上运行变异函数,以评估金矿化的空间连续性和趋势,并用于金品位估计检查。对于普通克里格德(OK)估计,金块下调了40%,第一个范围增加了50%,以便更好地与支持变化分布相协调。其他结构的窗台按比例增加。表14-10总结了Gramalote Ridge使用的变异函数模型。
14.7.2特立尼达
在特立尼达的2米封顶复合材料上运行变异函数,以评估空间连续性和金矿化趋势,并用于金品位估算检查。对于普通克里格德(OK)估计,金块下调了约50%,以便更好地与支持变化分布相协调。其他结构的窗台按比例增加。
表14-11汇总了特立尼达使用的变异函数模型。
| Gramalote项目 哥伦比亚 NI 43-101技术报告 |
表14-7:金品位统计、4m复合材料、Gramalote Ridge
| HG域 | LG域 | |||||||
| 统计数字 | 未封顶 化验 |
封顶 化验 |
4米 康普斯 |
散列 4米Comps |
未封顶 化验 |
封顶 化验 |
4米 康普斯 |
散列 4米Comps |
| N | 11,840 | 11,840 | 4,937 | 4,937 | 29,623 | 29,623 | 13,207 | 13,207 |
| 民 | 0.0025 | 0.0025 | 0.0025 | 0.0025 | 0.0025 | 0.0025 | 0.0025 | 0.0025 |
| 平均 | 1.89 | 1.81 | 1.69 | 1.72 | 0.43 | 0.37 | 0.36 | 0.36 |
| 中位数 | 0.87 | 0.87 | 1.08 | 1.08 | 0.17 | 0.17 | 0.22 | 1.08 |
| 最大 | 134.50 | 45.00 | 26.20 | 26.20 | 142.40 | 6.00 | 5.43 | 26.2 |
| 简历 | 2.21 | 1.85 | 1.18 | 1.20 | 3.78 | 1.89 | 1.29 | 1.26 |
| 变种 | 17.39 | 11.30 | 3.94 | 4.22 | 2.62 | 0.42 | 0.21 | 0.21 |
注:LG域包含HG域。N = number,min = minimum,max = maximum,CV =变异系数,var =方差,comps = composites。
表14-8:金品位统计,2m复合材料低品位域,特立尼达
| 统计数字 | 未封顶 化验 |
封顶 化验 |
4米 康普斯 |
散列 4米Comps |
| N | 6,249 | 6,249 | 4,716 | 4,716 |
| 民 | 0.003 | 0.003 | 0.003 | 0.003 |
| 平均 | 0.564 | 0.534 | 0.483 | 0.471 |
| 中位数 | 0.267 | 0.267 | 0.289 | 0.286 |
| 最大 | 21.4 | 7 | 6.15 | 6.15 |
| 简历 | 1.89 | 1.47 | 1.232 | 1.223 |
| 变种 | 1.13 | 0.614 | 0.355 | 0.331 |
注:N = number,min = minimum,max = maximum,CV =变异系数,var =方差,comps = composites。
| Gramalote项目 哥伦比亚 NI 43-101技术报告 |
表14-9:金品位统计、4m复合、低品域、Monjas West
| 统计数字 | 未封顶 化验 |
封顶 化验 |
4米 康普斯 |
散列 4米Comps |
| N | 1271 | 1271 | 676 | 676 |
| 民 | 0.003 | 0.003 | 0.003 | 0.003 |
| 平均 | 0.565 | 0.528 | 0.521 | 0.535 |
| 中位数 | 0.193 | 0.195 | 0.297 | 0.312 |
| 最大 | 20.7 | 5 | 3.315 | 3.315 |
| 简历 | 2.053 | 1.561 | 1.099 | 1.085 |
| 变种 | 1.344 | 0.680 | 0.328 | 0.337 |
注:N = number,min = minimum,max = maximum,CV =变异系数,var =方差,comps = composites。
表14-10:黄金变异函数模型,Gramalote Ridge
| 领域 | 金块 | Structure 1-球形 | Structure 2-球形 | ||||||
| 西尔 | 范围- 罢工 |
范围- 跨越 |
范围- 点滴 |
西尔 | 范围- 罢工 |
范围- 交叉 |
范围- 点滴 |
||
| LG | 0.50 | 0.40 | 20 | 25 | 40 | 0.10 | 110 | 40 | 200 |
| HG | 0.60 | 0.35 | 20 | 20 | 20 | 0.05 | 120 | 60 | 150 |
表14-11:黄金变异函数模型,特立尼达
| 领域 | 金块 | Structure 1-球形 | Structure 2-球形 | ||||||
| 西尔 | 远程打击 | 范围-跨 | 区间倾角 | 西尔 | 远程打击 | 范围交叉 | 区间倾角 | ||
| LG | 0.37 | 0.38 | 75 | 25 | 60 | 0.26 | 150 | 40 | 110 |
14.7.3蒙哈斯西部
Variograms在Monjas West.的4 m封顶复合材料上运行,以评估空间连续性和金矿化趋势,并用于金品位估算检查。对于普通克里格德(OK)估计,金块下调了约40%,以便更好地与支持变化分布相协调。其他结构的窗台按比例增加。
表14-12总结了Monjas West使用的变异函数模型。
| Gramalote项目 哥伦比亚 NI 43-101技术报告 |
表14-12:黄金变异函数模型,Monjas West
| 领域 | 金块 | Structure 1-球形 | Structure 2-球形 | ||||||
| 西尔 | 范围- 罢工 |
范围- 跨越 |
范围- 点滴 |
西尔 | 范围- 罢工 |
范围- 交叉 |
范围- 点滴 |
||
| LG | 0.28 | 0.42 | 75 | 25 | 60 | 0.3 | 150 | 40 | 110 |
14.8估计/插值方法
14.8.1格拉玛洛特岭
矿化域线框被编码到Gramalote Ridge的15 x 5 x 10 m的母块上,在域边界有低至5 x 0.2 x 0.5 m的子块。LG和HG矿化域作为相对于废物域的硬边界用于品位估算。
由于HG/LG触点处品位的可变性,一个触点的井上和井下2 m的材料与邻接域共享。
使用4米封顶复合材料,金和银品位估计成15 x 5 x 10米块。搜索方向由Datamine的动态各向异性搜索控制。使用这种方法,搜索椭圆被重新定向(在用户设定的限制范围内)到矿化带的局部方向。
复合材料在氧化物(腐泥石)/新鲜边界共享以进行估算。在腐泥石矿化的地方,它相对于新鲜的岩石具有相似的金品位。
所有钻孔都被用来估算腐泥岩和saprock区块;然而,专注于腐泥岩的特定Hydracore钻探被排除在对新鲜岩石的估算之外。
使用ID3、OK和NN算法对黄金和白银品位进行了估算,并将其转化为母体大小的块。矿产资源报告从OK估计。
估算方案汇总于表14-13。
14.8.2特立尼达
矿化域线框被编码为15x5x10m母块,子块在域边界低至3x1x1m。LG矿化域作为相对于废物域的硬边界进行品位估算。
使用2米封顶复合材料,金和银品位估计成15 x 5 x 10米块。搜索方向由Datamine的动态各向异性搜索控制。使用这种方法,搜索椭圆被重新定向(在用户设定的限制范围内)到矿化带的局部方向。
| Gramalote项目 哥伦比亚 NI 43-101技术报告 |
表14-13:格拉玛洛特岭品位估算方案
| 通过 | 搜索 (m) |
Min Comps | Max Comps | 每个钻头的最大值 孔 |
| 1 | 80 x 16 x 80 | 4 | 12 | 3 |
| 2 | 120 x 24 x 120 | 5 | 12 | 3 |
| 3 | 200 x 40 x 200 | 1 | 12 | 3 |
复合材料在氧化物(腐泥石)/新鲜边界共享以进行估算。在腐泥石矿化的地方,它相对于新鲜的岩石具有相似的金品位。
所有钻孔都被用来估算腐泥岩、树瓣和新鲜块。
使用ID3、OK和NN插值到母级块中估算黄金和白银品位。矿产资源报告来自ID2估计。
废块等级也为矿山规划目的进行了估算。
估算方案汇总于表14-14。
14.8.3蒙哈斯西部
矿化域线框被编码为10 x 10 x 10 m母块,子块低至2 x 2 x 1 m。LG矿化域作为相对于废物域的硬边界进行品位估算。
所有钻孔都被用来估算腐泥岩、树瓣和新鲜块。
使用ID3、OK和NN插值到母体大小的块(10 x 10 x 10 m)中估计金和银品位。矿产资源报告来自ID3估计。
废块等级也为矿山规划目的进行了估算。
估算方案汇总于表14-15。
14.9 Block模型验证
使用以下方法验证了分类为指示和推断的Block品位估计:
不同去簇法(NN和细胞去簇法)的比较;
块等级与复合材料在横截面和水平上的可视化比较;
不同估计技术的全局区块统计比较;
Swath地块,以审查估计中潜在的当地偏见;
支持比较的全球变化。
| Gramalote项目 哥伦比亚 NI 43-101技术报告 |
表14-14:特立尼达等级估算方案
| 通过 | 搜索 (m) |
Min Comps | Max Comps | 每个钻头的最大值 孔 |
| 1 | 90 x 25 x 90 | 5 | 22 | 4 |
| 2 | 135 x 37.5 x 135 | 5 | 22 | 4 |
| 3 | 225x62.5x225 | 1 | 22 | 4 |
表14-15:Monjas西等级估算方案
| 通过 | 搜索 (m) |
Min Comps | Max Comps | 每个钻头的最大值 孔 |
| 1 | 80 x 25 x 80 | 5 | 16 | 4 |
| 2 | 120 x 37.5 x 120 | 5 | 16 | 4 |
| 3 | 200 x 62.5 x 200 | 1 | 16 | 4 |
14.9.1格拉玛洛特岭
复合分解
运行了两种复合去簇法,包括吨位加权NN法和单元去簇法(单元尺寸为60x20x60m,八个偏移量)。这两种去簇法产生了相似的结果。
视觉对比
在25米间距垂直剖面和25米间距水平上对成矿域、复合品位和块体模型品位进行了详细复核。通常,该模型很好地代表了钻孔品位,在最终模型中没有观察到明显的高或低品位的过度投影。
全球模型统计
ID2、ID3、OK和NN估计值在0 g/t AU截止时的全球均值在指示区块(大约1%的差异)和指示加上推断区块(2-3 %的差异)的可接受水平范围内进行比较。这些比较完全在行业标准可接受水平之内。
Swath地块
Swath地块显示,ID3和OK模型很好地跟踪了NN模型(代表去集簇复合材料),没有明显的低于或超过等级投影的区域。
| Gramalote项目 哥伦比亚 NI 43-101技术报告 |
支持的全球变化
使用离散-高斯法对指示和推断区块完成了NN、ID3、OK和理论支撑变化分布的建模吨数和品位的比较。变更支护假设15x5x10m选采单元,考虑到信息效应,没有来自矿坑轮廓的约束。
在0 g/t至1.0 g/t的黄金边界品位下,OK模型在变更支撑法预测的理论吨和品位的5%以内。
结论
选择OK模型而不是资源报告的其他估计,因为它与支持的变化结果进行了很好的比较,并且从横截面的视觉审查中显示出更好的代表性。
14.9.2特立尼达
视觉对比
在50米间距垂直剖面和25米间距水平上对成矿域、复合品位、块体模型品位进行了详细复核。该模型被认为可以合理地代表钻孔等级。
Swath地块
Swath图显示,ID2和OK模型相当好地跟踪了NN模型(代表分离的复合材料),没有明显的低于或超过等级投影的区域。
全球模型统计
ID2、OK和NN估计在0 g/t AU边界品位的全球均值在推断区块的可接受水平范围内进行比较(大约有3%的差异)。这些比较完全在行业可接受的差异水平之内,特别是对于推断的矿产资源而言。
支持的全球变化
对推断区块完成了NN、ID2、OK的建模吨数和品位的比较,并使用离散-高斯法对理论上的支承变化进行了比较。的支持假设了一个15x5x10m的选择性采矿单元,并且没有来自坑口轮廓的约束。
在金边界品位范围为0-1.0 g/t Au的情况下,ID2模型在理论吨和改变支承法预测的品位的5%以内。
| Gramalote项目 哥伦比亚 NI 43-101技术报告 |
结论
对特立尼达模型完成的检查支持该模型可用于推断的矿产资源。
14.9.3蒙哈斯西部
视觉对比
在50米间距垂直剖面和25米间距水平上对成矿域、复合品位、块体模型品位进行了详细复核。模型合理表示钻孔等级。
Swath地块
Swath地块显示,ID3和OK模型很好地跟踪了NN模型(代表去集簇复合材料),没有明显的低于或超过等级投影的区域。
全球模型统计
ID3、OK和NN估计在0 g/t AU边界品位下的全球均值在推断区块的可接受水平范围内进行比较(大约3%的差异)。这些比较完全在行业可接受的差异水平之内,特别是对于推断的矿产资源而言。
结论
对Monjas West模型完成的检查支持该模型可用于推断的矿产资源。
14.10矿产资源分类
Gramalote Ridge资源分类钻孔间距如下:
无实测分类;
标明:50-60米钻孔间距(包括三个12.5米间距的RC试验区和两个25米间距的岩心孔试验区);
推断:100-120米钻孔间距。
特立尼达资源分类钻孔间距如下:
未测量或指示分类;
推断:100-120米钻孔间距或一个钻孔30-40米范围内的任何块。
Monjas West资源分类钻孔间距如下:
| Gramalote项目 哥伦比亚 NI 43-101技术报告 |
未测量或指示分类;
推断:100-120米钻孔间距或钻孔30米以内的任何块。
14.11最终经济采掘的合理前景
Gramalote Ridge、特立尼达和Monjas West被认为可能适用于露天采矿方法的矿产资源被限制在使用表14-16中参数的概念性Lerchs-Grossmann优化坑壳内。
基于这些成本和假设,计算出的盈亏平衡边界品位,氧化物为0.13克/吨金,硫化物为0.16-0.18克/吨金。
所有矿床可能适合露天开采的矿产资源高于氧化物0.13克/吨金和硫化物> 0.16克/吨金的边界。
对Gramalote Ridge坑优化的限制适用于Gramalote Ridge的选定规划基础设施;具体而言是工厂、主要运输道路和Guacas河改道。图14-4显示了约束基础设施的位置。
14.12矿产资源报表
指示矿产资源列于表14-17,包括那些转化为概略矿产储量的指示矿产资源。未转化为矿产储量的矿产资源不具备经济可行性证明。推断的矿产资源见表14-18。
该估算的QP是B2Gold美洲勘探经理Stephen Jensen先生,P.Geo.。
14.13可能影响矿产资源估算的因素
可能影响矿产资源估算的因素包括:
金属价格和汇率假设;
用于生成黄金品位边界品位的假设发生变化;
矿化几何和矿化带连续性局部解释的变化;
改变地质和矿化形状以及地质和品位连续性假设;
密度和域分配;
更改岩土、采矿和冶金回收假设;
| Gramalote项目 哥伦比亚 NI 43-101技术报告 |
表14-16:概念坑壳参数
| 参数 | 单位 | 格拉玛洛特岭 | 特立尼达 | 蒙哈斯 |
| 黄金价格 | 美元/盎司 | 2,500 | 2,500 | 2,500 |
| 白银价格 | 美元/盎司 | 28 | 28 | 28 |
| 黄金回收(工艺) 硫化物 |
% | 92.7-97.6 | 90.9 | 87.6 |
| 黄金回收(工艺) 氧化物 |
% | 84 | 81.7 | 81.7 |
| 银回收(工艺) 硫化物 |
% | 39.4 | 52.7 | 60.9 |
| 银回收(工艺) 氧化物 |
% | 22 | 46.8 | 46.8 |
| 平均开采成本 | 美元/吨开采 | 2.59 | 2.41 | 2.58 |
| 工艺成本,硫化物 | 美元/吨加工 | 9.74 | 9.74 | 9.89 |
| 工艺成本,氧化物 | 美元/吨加工 | 6.13 | 6.13 | 6.28 |
| 现场总 | 美元/吨加工 | 2.10 | 2.10 | 2.10 |
| 销售成本 | $/oz生产 | 82.84 | 82.84 | 82.84 |
| 坑坡 | 学位 | 31.6o在风化 44.5-50.3o在新鲜 |
28o在风化 45-51o在新鲜 |
30o在风化 48o在新鲜 |
| Gramalote项目 哥伦比亚 NI 43-101技术报告 |
图14-4:基础设施对坑位优化的制约

注:图由B2Gold编制,2025年。所示基础设施位置被提议。北到地图的顶端。
| Gramalote项目 哥伦比亚 NI 43-101技术报告 |
表14-17:指示矿产资源报表
| 面积 | 吨 (x1,000) |
黄金 等级 (g/t AU) |
含金 盎司 (x1,000) |
银 等级 (g/t Ag) |
含银 盎司 (x1,000) |
| Gramalote Ridge Oxide | 4,908 | 0.51 | 81 | 2.12 | 335 |
| Gramalote Ridge硫化物 | 151,501 | 0.71 | 3,443 | 0.88 | 4,307 |
| 指示矿产资源总量 | 156,409 | 0.70 | 3,524 | 0.92 | 4,642 |
表14-18:推断矿产资源报表
| 面积 | 吨 (x1,000) |
黄金 等级 (g/t AU) |
含金 盎司 (x1,000) |
银 等级 (g/t Ag) |
含银 盎司 (x1,000) |
| Gramalote Ridge Oxide | 730 | 0.43 | 10 | 0.85 | 20 |
| 氧化特立尼达 | 9,070 | 0.43 | 124 | 1.05 | 305 |
| Monjas West Oxide | 2,285 | 0.53 | 39 | 0.77 | 56 |
| 小计氧化物推断 | 12,085 | 0.45 | 173 | 0.98 | 381 |
| Gramalote Ridge硫化物 | 9,666 | 0.53 | 164 | 0.81 | 251 |
| 特立尼达硫化物 | 80,090 | 0.48 | 1,244 | 0.53 | 1,361 |
| Monjas西硫化物 | 21,118 | 0.63 | 430 | 0.40 | 274 |
| 推断的硫化物小计 | 110,873 | 0.52 | 1,839 | 0.53 | 1,886 |
| 推断矿产资源总量 | 122,958 | 0.51 | 2,012 | 0.57 | 2,267 |
矿产资源表随附注意事项:
1.矿产资源已使用2014年CIM定义标准进行分类。
2.报告的矿产资源包括那些转换为矿产储量的矿产资源。不属于矿产储量的矿产资源不具备经济可行性证明。
3.资源估算的QP是B2Gold美洲勘探经理Stephen Jensen先生,P.Geo.。
4.矿产资源按100%项目上报。Gramalote Ridge、特立尼达和蒙哈斯西部的估计生效日期为2025年8月6日。
5.Mineral Resources假设采用露天开采方式,金价为2500美元/盎司。
6.Gramalote Ridge的矿产资源假设氧化物的冶金回收率为84%,硫化物的冶金回收率为92.7-97.6 %,运营成本估计平均开采成本为2.59美元/吨,处理氧化物的加工成本为6.13美元/吨,处理硫化物的加工成本为9.74美元/吨,一般和行政成本为2.10美元/吨,处理和销售成本为82.84美元/盎司生产的AU。
7.特立尼达的矿产资源假设氧化物的冶金回收率为81.7%,硫化物的回收率为90.9%,运营成本估计平均开采成本为2.41美元/吨,处理氧化物的加工成本为6.13美元/吨,处理硫化物的加工成本为9.74美元/吨,一般和行政成本为2.10美元/吨,处理和销售成本为82.84美元/盎司生产的金。
8.Monjas West的矿产资源假设氧化物的冶金回收率为81.7%,硫化物的回收率为87.6%,运营成本估计平均开采成本为2.58美元/吨,处理氧化物的加工成本为6.28美元/吨,处理硫化物的加工成本为9.89美元/吨,一般和行政成本为2.10美元/吨,处理和销售成本为82.84美元/盎司生产的金。
| Gramalote项目 哥伦比亚 NI 43-101技术报告 |
9.Gramalote Ridge、Trinidad和Monjas West的矿产资源报告的氧化物边界品位为0.13克/吨金,硫化物边界品位为0.16克/吨金。
10.所有吨位、品位和所含金属含量估计数均已四舍五入;四舍五入可能会导致吨位、品位和所含金属含量之间的明显加总差异。
与概念坑有关的输入和设计参数假设的变化限制了估计;
关于持续进入现场、保留矿产和地表权所有权、维护环境和其他监管许可、维持社会许可勘探和获得社会许可经营的能力的假设。
14.14关于第14款的评论
矿产资源按照2014年CIM定义标准进行报告。
没有其他环境、法律、所有权、税收、社会经济、营销、政治或QP已知的其他相关因素会对矿产资源的估算产生重大影响,而本报告未对此进行讨论。
| Gramalote项目 哥伦比亚 NI 43-101技术报告 |
15.0矿产储量估计
15.1导言
Gramalote Ridge的矿产储量已由指示矿产资源转化而来。推断的矿产资源被设定为浪费。
该矿山规划假定采用常规开采方法和设备进行露天开采。
15.2矿产储量报表
Gramalote Ridge最终矿坑设计内报告的项目矿产储量估算见表15-1。
该估算的QP是PEE,B2Gold项目副总裁Peter Montano先生。该概算生效日期为2025年4月1日。
15.3可能影响矿产储量的因素
可能影响矿产储量估算的因素包括:
对黄金价格假设的改变;
改变坑坡和岩土假设;
意外稀释或矿石损失;
更改水文地质和坑口脱水假设;
对资本投入和业务费用估计数的变动;
约束坑壳中使用的运营成本假设变更;
延迟或变更移民搬迁计划;
与目前设想的方案相比,对矿坑设计进行更改;
采矿或铣削生产率假设的变化;
修改因素假设的变化,包括经营的环境、许可和社会许可。
| Gramalote项目 哥伦比亚 NI 43-101技术报告 |
表15-1:矿产储量报表
| 面积 | 吨 (x1,000) |
金级 (g/t AU) |
含金 盎司 (x1,000) |
| 格拉马洛特岭露天矿坑 | 76,700 | 0.96 | 2,360 |
| 概略储量合计 | 76,700 | 0.96 | 2,360 |
矿产储量表随附说明:
1.矿产储量已使用CIM定义标准进行分类,在交付给加工厂时报告,生效日期为2025年4月1日。
2.矿产储量按100%项目上报。
3.矿产储量估算的QP是PEE,B2Gold项目副总裁Peter Montano先生。
4.矿产储量基于常规露天采矿方法,金价为每盎司1750美元,冶金回收率平均为95.6%,包括特许权使用费在内的销售成本为每盎司60.00美元,平均开采成本为每吨开采的2.70美元,平均加工成本为每吨加工的8.50美元,平均场地一般成本为每吨加工的3.80美元。
5.通过整块平均应用储量模型稀释和矿石损失,使得在0.40克/吨的AU边界下,与矿产资源模型相比,吨增加1.2%,品位减少4.6%,盎司减少3.5%。
6.矿产储量报告超过0.40克/吨金的边界品位。
7.所有吨位、品位和所含金属含量估计数均已四舍五入;四舍五入可能会导致吨位、品位和所含金属含量之间的明显加总差异。
15.4坑优化
使用Geovia Whittle坑优化软件完成坑优化。对优化得到的坑壳序列进行分析,为坑口阶段设计定义了一个实用的开采序列。
利用区块模型、成本、回收率、坡度数据,惠特尔软件确定了一系列增量坑壳,其中每个壳都是价格略高因素的最优。在对增量坑壳的分析中,指示性净现值(NPV)是通过对初步现金流进行随时间的折现计算得出的。来自坑优化结果的报告的NPV仅为相对比较目的提供指示性运营值。除了指示性的NPV,坑壳每盎司的增量运营成本也被用来指导坑壳的选择和设计过程。
对基本情况优化进行了额外的优化,以确定围绕基本情况结果的敏感性。
主要优化参数见表15-2。
| Gramalote项目 哥伦比亚 NI 43-101技术报告 |
15.5终坑及相位选择
为了定义内部和最终坑阶段,完成了86项优化,从525美元/盎司AU开始,运行到3500美元/盎司AU。优化导致每个壳的现金流不同。
最终选择壳实现最优项目净现值(NPV),选择一个内部阶段改善项目现金流,同时考虑其他因素,如矿石进给磨机、矿山车队规模、最小开采宽度、实际下沉率,以及其他规划考虑。
1750美元/盎司的AU坑壳被选为终极坑的设计依据。使用768美元/盎司的AU外壳定义了更小的Phase 1,允许更低的剥离率和早期获得更高等级的材料以支持快速回收。
总共只选择了两个采矿阶段(图15-1)。1期目标为从坑心向东部坑壁延伸的中高品位带。这一阶段旨在在运营的最初几年交付更高品位的矿石,同时为开发第2阶段最终矿坑留出足够的时间。测序策略详见第16.9节。
阶段设计和最终的矿坑布局均以惠特尔矿坑优化结果为基础,并结合了所选采矿设备、岩土参数、台架高度、各阶段坡角、护堤宽度等。
15.6截止等级
截止等级见表15-2。对于矿产储量报告,采用0.40克/吨金的应用边界品位。矿山计划中仅处理硫化物材料。氧化物材料不包括在矿产储量中。
15.7稀释和矿石损失
对于矿产储量报告,将15x5x10m母块和5x0.2x5m子块的资源模型正规化为15x5x10m块。对于2025年可行性研究矿产储量坑内的指示区块,在0.40克/吨AU的边界以上,与资源模型相比,正则化模型的吨位+ 1.2%,品位-4.6 %,含金-3.5 %。没有对矿产储量报告申请额外稀释或矿石损失。
| Gramalote项目 哥伦比亚 NI 43-101技术报告 |
表15-2:坑优化参数
| 说明 | 单位 | 价值 |
| 黄金价格 | 美元/盎司金 | 1,750 |
| 白银价格 | 美元/盎司金 | 24 |
| 开采成本(820m标高) | 美元/吨开采 | 2.21 |
| 矿山下沉率调整 | US $/t 10m bench | -0.018上涨 0.02 9降 |
| 矿山修复费用 | 美元/吨开采 | 0.05 |
| 矿坑优化开采成本 | 美元/吨开采 | 2.26 |
| 加工成本 | 美元/吨加工 | 7.33 |
| 尾矿成本 | 美元/吨加工 | 0.33 |
| 一般和行政费用 | 百万美元/年 | 22.8 |
| 加工厂吞吐量** | t/年 | 6,000,000 |
| 一般和行政费用 | 美元/吨加工 | 3.80 |
| 维持资本 | 美元/吨加工 | 0.37 |
| 关闭资本 | 美元/吨加工 | 0.46 |
| 坑优化处理成本 | 美元/吨加工 | 12.30 |
| 黄金回收 | 包含的百分比 | 0.927-0.976 |
| 白银复苏 | 包含的百分比 | 0.394 |
| 黄金的销售成本 | 美元/盎司产 | 60.00 |
| 白银卖出成本 | 美元/盎司产 | 2.04 |
| 截止品位-计算 | 克/吨 | 0.24 |
| 截止等级-应用 | 克/吨 | 0.40 |
| 坑坡 | 度数 | 31.6-50.3 |
注意:*应用沉降率调整后的平均开采成本为2.70美元/吨开采**只加工硫化物矿石。氧化物材料不列入矿坑优化矿石储量。***最终坑壳选择后的平均黄金回收率为95.6%。
| Gramalote项目 哥伦比亚 NI 43-101技术报告 |
图15-1:拟建坑口阶段

注:图由B2Gold编制,2025年。绿线和蓝线显示收益因子坑轮廓。
15.8对第15款的评论
矿产储量按照2014年CIM定义标准上报。
没有其他环境、法律、所有权、税收、社会经济、营销、政治或QP已知的其他相关因素会对矿产储量的估算产生重大影响,而本报告未对此进行讨论。
| Gramalote项目 哥伦比亚 NI 43-101技术报告 |
16.0采矿方法
16.1概述
采矿作业将采用常规的露天采矿方法和设备。
总有效运营年限为11年,含施工期间预剥离。在主动采矿停止后,加工将再持续两年。
矿坑的开采将分两个开采阶段进行。
矿山规划的依据是由指示矿产资源转化而来的矿产储量。区块模型中未估算出实测资源。推断的矿产资源被设定为浪费。氧化物材料也被认为是废物。
16.2岩土工程考虑
岩土工程设计是基于从几年的地表测绘方案、岩土测井数据、光测井观测、定向岩心数据、声学电视数据和实验室测试结果收集到的信息,以评估完整的岩石强度。
无侧限抗压强度试验表明,未改变的云闪岩具有“非常强”的岩土等级,改变的云闪岩可被定性为“强”。
岩土设计参数反映了针对特定设计扇区平面滑动危险的缓解方法,并纳入了基于最小经验的护堤宽度设计。
所有岩土工程数据和建议都是在AngloGold Ashanti岩土工程团队于2021年完成的岩土工程活动中汇编的,该团队是Gramalote项目的先前合资伙伴(Walker等人,2021年)。
岩土设计参数,以20米高的台架为基础,列于表16-1。
自2025年可行性研究以来,矿坑设计完全保持在2021年AngloGold Ashanti研究中定义的矿坑边界内。当时确定的岩土参数仍然有效,适用于目前的矿产储量和矿坑设计。
斜坡设计建议基于20米长凳高度,围绕在120米堆垛高度上定义坡道间角(IRA)展开。这种方法主要是由研究结果推动的,研究结果表明,落石的可能性是坡道间稳定性的控制因素。因此,斜坡间角度被限制在已知在类似采矿条件下可以实现的角度。
| Gramalote项目 哥伦比亚 NI 43-101技术报告 |
表16-1:坑坡设计参数
| 领域 | 墙 部门 |
坡度定向 范围, 格拉马洛特岭坑 (º) |
板凳 身高 (m) |
板凳脸 角度 (º) |
板凳 宽度 (m) |
匝道间 角度 (º) |
| 1风化 | 风化 | 全部 | 20 | 50 | 10 | 36.8 |
| 2公平 | 南 | 330-000-090 | 20 | 85 | 9.8 | 60 |
| 西 | 090-150 | 20 | 75 | 9.8 | 52.8 | |
| 北 | 150-270 | 20 | 85 | 9.8 | 60 | |
| 易事特 | 270-330 | 20 | 75 | 9.8 | 52.8 | |
| 3好 | 南 | 330-000-090 | 20 | 85 | 9.8 | 60 |
| 西 | 090-150 | 20 | 75 | 9.8 | 52.8 | |
| 北 | 150-270 | 20 | 85 | 9.8 | 60 | |
| 易事特 | 270-330 | 20 | 85 | 9.8 | 60 |
该设计还为未来的优化提供了灵活性,因为实际采矿实践可能证明,只要观察到的落石发生率保持足够低,提议的斜坡配置可以安全地变陡。
使用Gem4D软件对矿坑设计进行了审查,以确保符合规定的岩土域。还检查了坑设计是否存在与岩土结构、岩石坠落潜力和牛鼻形成相关的超限。岩土工程审查的结论是,矿坑设计可用于拟议矿山计划的调度和预算目的。
为验证方法学,确保正确应用岩土设计参数,生成了多个断面,检查各坑区使用的台面角度和护堤构型。
16.3水文地质考虑
伊塔斯卡在整个项目现场进行了全面的水文地质调查,以表征各地质单位的水文行为。这场运动包括安装58个压力计,并执行包括恒放、下降和上升头部、Lugeon(packer)测试在内的多种测试类型。这些分布在TMF、废石储存设施(WRSF)和矿区等重点区域,为地下水建模和边坡稳定性评估提供了有价值的数据。
结果表明,谷底冲积沉积物具有较高的渗透性,水力传导率值在3.5x10到5.2x10 m/s之间,透过率在20-180m ²/天之间,与非承压含水层一致。相比之下,腐泥土材料表现出较低的渗透性,水力传导性通常在10丨至10 m/s之间。由于泵测试的水量不足,在腐泥土中完成了下降和上升水头测试。腐泥岩和新鲜岩的过渡带表现出可变的渗透率,取决于风化和压裂。
| Gramalote项目 哥伦比亚 NI 43-101技术报告 |
在云母岩基底岩中,在矿区进行的61次Lugeon测试以及在计划的TMF和WRSF位置进行的80多次额外测试证实了中到低渗透率,数值从10到10 m/s。渗透率增加与断裂频率相关,由于设备限制,没有在200 m以下进行测试。总体而言,测试方案为了解地下水流量提供了坚实的基线,并支持项目的岩土和环境设计方面。
预计在氧化物和新鲜岩石的接触处会发生地下水渗透。在坑内这一层,设计了一个20米宽的护堤,作为被动式地下水捕获系统。大部分渗水可以沿着护堤引向远离矿坑的出水点。
流入矿坑的水将使用移动式柴油泵进行管理,根据矿山发展情况,根据需要将其重新安置到各个坑内集水坑。抽水将通过连接加工厂和La Palestina山谷的通道输送到TMF(有关TMF的讨论,请参见第18.3节)。
根据季节条件,估计抽水率范围为100-400 m丨/小时。在1/100年一次的降雨事件下,预计降雨量将增加到约570 m丨/小时。
第一个坑阶段的设计是为了避免在最初几年需要对Guacas Creek进行改道。然而,在开发最终矿坑之前将需要这种改道(见第18.5.4节的讨论)。
16.4坑优化
坑优化在第15节中讨论。
16.5截止等级
计算了硫化物材料的边界品位,以确定将产生边际经济效益的最低黄金品位。用于支持项目边界品位测定的参数汇总于表15-2。
虽然硫化物材料的计算边界品位为0.24克/吨金,但为矿山规划目的应用了0.40克/吨金的提高边界品位。0.24-0.40克/吨的材料分级,介于矿山规划的计算边界和高架边界之间,将在圣安东尼奥WRSF进行储存。氧化物材料没有经过加工,因此,没有规定的截止品位。然而,矿化氧化物材料也计划在圣安东尼奥WRSF进行储存。随着额外的研究,这种储存的材料可能代表了未来工厂饲料材料的来源。
| Gramalote项目 哥伦比亚 NI 43-101技术报告 |
16.6露天矿坑设计
Gramalote Ridge矿床计划分两个阶段开采:
Pit Phase 1计划在建设的第二年开始,并持续到运营的第四年,深度达到370米。开采结束时,坑口1期长约900米,宽约500米,深约370米。这一坑阶段设计包含102公吨,即LOM总吨位的32%;
Pit Phase 2计划在运营的第3年开始,进展到510 m的最终深度。开采结束时,矿坑2期的范围长约1300米,宽约750米,深约510米。这一坑阶段设计包含217公吨,即LOM总吨位的68%。
两个阶段的坑相如图16-1所示。
Pit Phase 1的设计避免了Guacas Creek改道的必要性,这对生产规划和资金成本都是有利的。然而,Guacas Creek改道将需要在开始矿坑第2阶段之前进行。
主要坡道设计为30米宽,可双向进入,包括排水和护堤津贴,最大坡度为10%。双坡道系统将从海拔660m开始,向上延伸至坑口,位于海拔820m左右。双坡道系统支持超过75%的总开采盎司。660米标高以下,规划单一坡道系统,由30米宽坡道10%坡度组成,延伸至500米标高。
通往矿坑的通道位于西北侧,以连接一条运输道路。两个坡道都将在海拔~820处退出。此外,如图16-1所示,西墙包括三个折返。
预剥离时,将建立30米的开拓道路,创造一个宽阔的平台,让大型/重型采矿设备运行。
一期包括单通道匝道,宽30米,坡度10%。1期匝道在坑口西北侧海拔834处出口。第1阶段的特点是东墙折返。
| Gramalote项目 哥伦比亚 NI 43-101技术报告 |
图16-1:计划坑分阶段

注:图由B2Gold编制,2025年。
16.7库存
矿山规划战略包括使用库存。主要库存将位于El Balzal地区(图16-2),将有足够的能力处理矿山寿命期间预期的所有吨位需求。
制定了一项停产策略,将矿石箱中的矿石划分如下:
新鲜矿石高品位:≥ 2.1克/吨AU;
新鲜矿石中品位:1.3-2.1克/吨AU;
新鲜矿石低品位:0.6-1.3克/吨AU;
鲜矿极低品位:0.4-0.6克/吨金。
矿化品位0.25-0.4 g/t Au,介于矿山规划的计算边界和高架边界之间,将被放置在圣安东尼奥WRF地区。
所有储存区在作业时都将设置30米宽、最高10%品位、临时面角36 º的进出坡道。
| Gramalote项目 哥伦比亚 NI 43-101技术报告 |
图16-2:拟建露天坑、堆存、WRSF选址方案

注:图由B2Gold编制,2025年。MSA =矿山服务区域;ROM = run-of-mine。
| Gramalote项目 哥伦比亚 NI 43-101技术报告 |
设计中纳入了全面的水管理系统,包括接触式和非接触式引水通道(见第18.5节讨论)。接触水将在矿山服务区与一条通往La Colorada沉积池的通道相连。非接触式水将与流程工厂东侧的通道连接,并在La Colorada沉积池后排放。这些组成部分计划在施工阶段实施。
16.8废石储存设施
将位于圣安东尼奥地区的WRSF(参见图16-2)设计用于储存约240公吨废物,如果需要,还将增加容量以适应未来的扩张。该设施设计包括20米长凳、30米护堤和30米拖运道路,允许最终填海斜坡约为18 °或3:1的水平与垂直比例。最后的工作台达到1,010米的标高,设施楼层为860米。
WRSF的建设将首先在海拔870米处开发一个大型平台,从运输道路延伸至占地约70公顷。将采用自下而上的施工方法,由双坡道系统支持,以进入废石处置区和沉积区的材料品位为0.25-0.4克/吨Au。
将全面的水管理系统纳入设计。这包括接触式和非接触式导流通道以及位于圣安东尼奥和El Banco盆地的两个沉积池。这些组成部分计划在施工阶段实施。
一些废石被归类为潜在的产酸(PAG)。这种材料将用腐泥土封装,用于氧控制屏障。考虑到可用的腐泥土材料量,研究和测试表明PAG材料将被完全封装,从而防止对环境的任何排放/影响。
16.9生产计划
在生产计划中应用的主要限制因素包括:
在工厂调试前提供400kt的矿石,以便在启动期间提供足够的缓冲;
在整个矿山生命周期内保持相对一致的开采率,以实现更好的采矿设备利用率,从最初的预剥矿坑开始爬升,并在运营的第3年达到稳定运营状态;
在矿山寿命结束时平衡运距,避免额外购买使用寿命不长的卡车;
| Gramalote项目 哥伦比亚 NI 43-101技术报告 |
采矿序列是使用电子表格、矿山设计软件和其他工程工具的组合开发的。它考虑了生产计划、运输距离,以及按台架和材料类型的详细吨位调度。
生产第一年之前的一段时间,预剥削量估计为13公吨。最初的矿石将在ROM地区储存,随后将在El Balzal地区储存。一部分废料将用于矿山平台和运输道路的建设。
预计最高提取率为35mt/a,含预剥采期的LOM为11年。在主动采矿停止后,加工将再持续两年。整体剥采比预测为3.1:1(废料:矿石)。采矿作业将在适用时储存较低品位的材料,这些材料将在矿山寿命结束时进行处理。第一个矿坑阶段将在LOM早期开采,以在生产的最初几年提高植物饲料品位,并保持相对稳定的黄金产量超过LOM。
图16-3是一张图表,显示了预计的总移动吨数(矿石和废料)和LOM上的剥离率。图16-4是一张图表,显示了LOM上方的预测矿石吨数和品位。图16-5显示了计划从库存中处理的材料。图16-6总结了整体LOM黄金产量预测。
表16-2汇总了LOM产量预测。表16-3和表16-4分别提供了按年计算的采矿和工艺生产预测。
采矿将与业主运营的车队在整个LOM进行。
16.10品控
品位控制钻探将使用直径140毫米的RC钻探,在15 x 10米的孔距上对矿石附近的废物进行,在7.5 x 5米的矿石上进行。
样品将被送到现场实验室进行黄金和多元素分析,纸浆样品部分将保留在仓库中。
| Gramalote项目 哥伦比亚 NI 43-101技术报告 |
图16-3:矿山产量按坑口阶段、物料移动和带钢比

注:由B2Gold编制,2025年。
图16-4:按坑口阶段、矿石吨位和品位划分的矿山产量

注:由B2Gold编制,2025年。
| Gramalote项目 哥伦比亚 NI 43-101技术报告 |
图16-5:库存品位及加工吨数

注:图由B2Gold编制,2025年。
图16-6:LOM黄金产量

注:图由B2Gold编制,2025年。
| Gramalote项目 哥伦比亚 NI 43-101技术报告 |
表16-2:LOM生产进度汇总
| 项目 | 单位 | 价值 |
| 露天矿生活 | 年 | 11 |
| 露天矿名义开采率 | MT/a矿石(最大) | 35.0 |
| 加工工厂寿命 | 年 | 13 |
| 处理率 | 公吨/年 | 6.0 |
| 加工回收 | % | 95.7 |
| 平均开采矿石品位 | g/t金 | 0.96 |
| 最大长期库存吨位 | 公吨 | 19.2 |
| 矿山黄金生产总寿命 | 科兹 | 2,260 |
| 矿山黄金生产平均寿命 | koz/a | 177 |
| 前五年平均黄金产量 | koz/a(前五年) | 227 |
注:数字已四舍五入。
| Gramalote项目 哥伦比亚 NI 43-101技术报告 |
表16-3:LOM矿山生产计划
| 联合LOM矿 生产计划 |
单位 | 合计 LOM |
Y-1 | Y1 | Y2 | Y3 | Y4 | Y5 | Y6 | Y7 | Y8 | Y9 | Y10 |
| 露天坑总计 | |||||||||||||
| 总浪费 | kt | 240,900 | 10,500 | 16,400 | 24,700 | 21,400 | 28,200 | 29,700 | 28,000 | 27,900 | 25,700 | 18,900 | 9,700 |
| 剥离率 | w:o | 3.1 | 4.1 | 3.0 | 2.3 | 1.5 | 4.1 | 6.1 | 5.6 | 5.5 | 4.1 | 1.7 | 1.7 |
| 矿石 | kt | 77,500 | 2,500 | 5,400 | 10,600 | 14,100 | 6,800 | 4,800 | 5,000 | 5,100 | 6,300 | 11,100 | 5,700 |
| 等级 | g/t金 | 0.78 | 0.74 | 0.69 | 0.79 | 0.98 | 0.84 | 0.57 | 0.63 | 0.64 | 0.79 | 0.79 | 0.71 |
| 含金 | KOZ AU | 2,374 | 74 | 152 | 330 | 506 | 217 | 123 | 136 | 137 | 197 | 341 | 162 |
| 第1阶段 | |||||||||||||
| 总浪费 | kt | 65,200 | 10,500 | 16,400 | 24,700 | 12,100 | 1,500 | - | - | - | - | - | - |
| 剥离率 | w:o | 1.8 | 4.1 | 3.0 | 2.3 | 0.9 | 0.4 | - | - | - | - | - | - |
| 矿石 | kt | 36,600 | 2,500 | 5,400 | 10,600 | 13,900 | 4,100 | - | - | - | - | - | - |
| 等级 | g/t金 | 1.03 | 0.90 | 0.88 | 0.97 | 1.12 | 1.17 | - | - | - | - | - | - |
| 含金 | KOZ AU | 1,214 | 74 | 152 | 330 | 503 | 155 | - | - | - | - | - | - |
| 第2阶段 | |||||||||||||
| 总浪费 | kt | 175,800 | - | - | - | 9,300 | 26,600 | 29,700 | 28,000 | 27,900 | 25,700 | 18,900 | 9,700 |
| 剥离率 | w:o | 4.3 | - | - | - | 56.2 | 9.8 | 6.1 | 5.6 | 5.5 | 4.1 | 1.7 | 1.7 |
| 矿石 | kt | 41,000 | - | - | - | 200 | 2,700 | 4,800 | 5,000 | 5,100 | 6,300 | 11,100 | 5,700 |
| 等级 | g/t金 | 0.88 | - | - | - | 0.59 | 0.70 | 0.79 | 0.84 | 0.84 | 0.97 | 0.95 | 0.89 |
| 含金 | KOZ AU | 1,160 | - | - | - | 3 | 62 | 123 | 136 | 137 | 197 | 341 | 162 |
注:数字已四舍五入。
| Gramalote项目 哥伦比亚 NI 43-101技术报告 |
表16-4:LOM处理汇总
| LOM处理 总结 |
单位 | LOM总计 | Y1 | Y2 | Y3 | Y4 | Y5 | Y6 | Y7 | Y8 | Y9 | Y10 | Y11 | Y12 | Y13 |
| 矿石 | kt | 76,700 | 4,700 | 6,000 | 6,000 | 6,000 | 6,000 | 6,000 | 6,000 | 6,000 | 6,000 | 6,000 | 6,000 | 6,000 | 6,000 |
| 等级 | g/t金 | 0.96 | 1.13 | 1.28 | 1.29 | 1.29 | 1.21 | 0.82 | 0.78 | 0.99 | 1.25 | 0.96 | 0.49 | 0.49 | 0.49 |
| 含金 | KOZ AU | 2,360 | 171 | 247 | 249 | 249 | 233 | 158 | 151 | 192 | 242 | 185 | 94 | 94 | 94 |
| 复苏 | % | 95.7 | 95.9 | 96.2 | 96.1 | 96.2 | 96.1 | 95.4 | 95.3 | 95.8 | 96.1 | 95.6 | 94.2 | 94.2 | 94.2 |
| 生产的黄金 | KOZ AU | 2,260 | 164 | 238 | 239 | 240 | 223 | 151 | 144 | 184 | 233 | 177 | 89 | 89 | 89 |
注:数字已四舍五入。
| Gramalote项目 哥伦比亚 NI 43-101技术报告 |
16.11爆破
爆破服务将是一个井下合同,包括卡车、炸药和所有配件,按合同单位成本。根据哥伦比亚法律,所有爆炸物和配件只能由Indumil(哥伦比亚的军事工业)制造、供应和销售。
爆破设计将ANFO、重型ANFO或乳液分别作为干孔或湿孔的主要炸药。
钻探和爆破作业将采用露天采矿行业广泛接受的做法进行。
钻孔和爆破模式信息基于Orica在2021年提供的建议,这是该项目最近的设计审查。
10米台架生产爆破,采用直径200毫米爆破孔。模式将根据所需的碎片化而有所不同。矿石爆破模式计划在5.2x5.0m生产,而废料拍子计划在7.5x8.7m。爆破模式,和孔径将更小的缓冲爆破沿坑壁。
目前平均粉因数预测在0.46-1.18公斤/米不等3.在近地表氧化物材料中,钻孔和爆破要求将减少。
16.12矿山设备
标准露天采矿设备是按照常规钻孔、爆破、装载、拖运等设想进行选择的。
将使用一个承包商执行对挖掘区域的初步访问,该承包商拥有一支小型铰接卡车车队、小型挖掘机和所需的支持设备。这支车队还将用于工厂平台建设和初期道路开发期间的大宗土方工程。
矿山附属设备将用于支持群体性土方工作活动和加快准备平台开始预剥离。
该设备是根据具有常规钻孔、爆破、荷载和拖运活动的标准露天采矿作业进行选择的。设备选择考虑了使用液压挖掘机对矿石和废料进行批量挖掘。
矿用将采用液压200t级挖掘机,配100 t级拖运车。从第2年到第7年的生产期间将需要四台主挖机,随后随着材料的减少,数量将下降到矿山寿命结束。
| Gramalote项目 哥伦比亚 NI 43-101技术报告 |
一支辅助装备车队,将通过发展便道、拖运道路维护、建设安全护堤、挖掘机支护和清理、维护废物堆、库存控制、扬尘控制、钻孔爆破等方式,支持矿山作业。
表16-5详细列出了LOM期间计划使用的高峰重型和辅助采矿设备。
| Gramalote项目 哥伦比亚 NI 43-101技术报告 |
表16-5:业主设备要求
| 设备类型 | 单位编号 |
| 200mm生产钻头 | 3 |
| 140毫米的预制/缓冲钻头 | 1 |
| 140毫米时的品控钻头 | 2 |
| 100吨级拖运货车 | 32 |
| 200-230t级挖掘机 | 4 |
| 11-13米3轮式装载机 | 1 |
| 采矿推土机 | 5 |
| 轮式推土机 | 2 |
| 平地机 | 2 |
| 100t级送水车 | 4 |
| Gramalote项目 哥伦比亚 NI 43-101技术报告 |
17.0恢复方法
17.1工艺流程
选定的流程图基于第13节中描述的冶金测试工作和权衡研究,并使用在工业中得到充分证明的单元操作。提出的流程图如图17-1所示。
工厂设计假定的关键项目和矿石特定标准包括:
吞吐量6mt/a;
泵和输送机的尺寸将有20%的设计裕度,而除浮选精矿浸出流设备外的所有其他工厂设备将有15%的设计裕度;
由于典型的浮选精矿质量拉力预计为3%,因此浮选精矿浸出流设备的尺寸将为5%的质量拉力,没有进一步的设计余量;
加工厂可用性为92%,由破碎矿石储存、关键区域的备用设备和独立电力供应支持;
充分的自动化工厂控制,以最大限度地减少对连续操作员接口的需要,并允许在需要时手动覆盖和控制。
17.2厂房设计
17.2.1破碎电路
收矿和破碎
来自露天矿坑的原矿(ROM)矿石,最大块尺寸为900毫米,将由90吨容量的后倾卸卡车运送到工厂。卡车将直接翻入ROM口袋;不过,将考虑纳入ROM库存。ROM库存将主要用于紧急储存和配矿。ROM矿石将由前端装载机回收,通过ROM垫从库存到ROM口袋。
将安装一个破石器,以协助分解ROM口袋上保留的超大材料。矿石将从ROM口袋中取出,材料通过重力直接落到回转破碎机上。来自破碎机的破碎矿石直接排放到牺牲输送机上,然后再通过库存进料输送机输送到破碎的矿石库存。储备饲料输送机将安装一个计重器,以监测破碎区吞吐量并控制矿石通过ROM口袋的流动。
| Gramalote项目 哥伦比亚 NI 43-101技术报告 |
图17-1:提议的工艺流程

注:图由Lycopodium编制,2025年。
| Gramalote项目 哥伦比亚 NI 43-101技术报告 |
破碎回路将由单一的集尘系统进行维修。从该系统收集的粉尘将被排放到库存饲料输送机上,然后用水进行精细喷洒以抑制粉尘。还将按要求安装用于破碎机排放产品抑尘的泡沫添加系统以供使用。
破碎矿石库存
破碎矿石库存的活体容量约为9000吨(相当于6mt/a的12小时磨机进料)。
破碎的矿石将通过三台变速停机坪给料机从库存中回收。给料器将排放到SAG磨机给料输送机上,该输送机将把破碎的矿石输送到SAG磨机给料槽。SAG磨机进给输送机将安装一个计重器,用于控制回收给料机的速度和对提供给研磨回路的进料进行质量核算。
SAG磨机的研磨介质将通过SAG磨机球斗使用前端装载机从滚筒添加到SAG磨机进料输送机上。这个定位在计重器之后的料斗,还可以使清理物料通过SAG磨机进给输送机返回电路。
通风扇将迫使空气进入混凝土堆料回收室,以确保新鲜空气使室内的上部通风,否则自然通风将受到限制。
17.2.2研磨与分类
磨削回路将是传统的SABC回路,由单台SAG磨机和单台球磨机组成。SAG磨机将与卵石破碎机闭环运行,而球磨机将与水力旋流器闭环运行。离开研磨回路(旋风溢流流)的产品粒度将包含80%通过250 μ m的材料。
SAG磨机将安装弯曲的提浆机和排放格栅,这将允许浆料通过磨机,还将缓解磨机的卵石堆积。SAG磨机卸料流将通过SAG磨机卸料筛进行筛选,超大尺寸的鹅卵石排放到SAG磨机超大输送机上。
SAG磨机卸料筛超大尺寸将被输送到一个卵石破碎回路。来自筛网的Undersize将通过重力流向旋风进给泵箱,在那里它将与球磨机的排放浆料和重力选矿机和剥头皮筛网oversize的尾矿结合。部分矿浆将被泵送至重力回路,用于回收重力金。剩余的泥浆流将被泵送到气旋群。SAG磨机进料槽将加入工艺水,用于磨机密度控制。此外,还将在旋风进给泵箱中添加工艺水,用于旋风进给密度控制。
| Gramalote项目 哥伦比亚 NI 43-101技术报告 |
旋风团溢流将通过重力通过用于粒度分析的工艺采样器,然后是用于冶金核算目的的冶金采样器,流向浮选回路。来自旋风底流清洗的浆料,将通过沸腾箱返回球磨进料槽进行进一步研磨。球磨机排放将通过球磨机trommel之前排放到旋风进给泵箱。拒绝oversize材料,从球磨机trommel屏幕,将收集在球磨机scats沙坑内。
研磨介质将通过球磨进料槽从滚筒添加到球磨机中,使用专用介质提升机、粗磨和进料槽。
研磨电路内的溢漏将得到管理,使用专用的驱入式污水池和污水泵。将在球磨机区提供第二台污水泵。研磨区产生的任何溢出物都将返回旋风进给泵箱。
17.2.3卵石破碎
来自SAG磨机卸料筛的Oversize将通过一系列皮带式输送机输送到卵石破碎机进料仓。自清洁皮带磁铁将被放置在第一个输送机的头部斜槽处,以清除任何可能损坏卵石破碎机的废旧金属和钢铁介质。第二个自清洁皮带磁铁将位于第二个输送机的皮带上。
在自清洁带状磁铁的下游,鹅卵石在排入鹅卵石破碎机进料仓之前通过金属探测器下方。进料仓将在卵石破碎机之前提供浪涌容量,并允许将受控进料呈现给正在操作的破碎机。如果卵石破碎机进料仓达到较高水平,那么卵石破碎机进料仓前面的分流闸门将允许卵石绕过卵石仓和破碎机,直接进给下面的卵石破碎机排料输送机。如果金属探测器检测到踩踏金属(未被皮带磁铁移除),卵石破碎机进料仓前面的分流闸门将自动使卵石绕过卵石仓和破碎机,直接排放到下方的卵石破碎机排放输送机。
卵石将通过振动馈线从馈料箱中取出,并排放到只有责任的卵石破碎机中。破碎的卵石将直接排放到卵石破碎机排放输送机上,后者又将破碎的卵石送回SAG磨机进料输送机。
17.2.4重力电路
重力金的回收将通过两个平行运行的值班重力离心选矿机实现。重力回路给料泵将通过剥头皮筛网将浆料引导至离心选矿机,以防止粗重颗粒和磨球钢屑被重力选矿机回收。
| Gramalote项目 哥伦比亚 NI 43-101技术报告 |
重力选矿机回收的精矿在经过密集氰化反应器处理之前,会通过重力流向重力精矿沉降锥。来自剥头皮筛网的Oversize和来自重力集中器的尾矿将通过重力流向旋风进给泵箱。
密集氰化反应器(ICR)将被编程为使用浓缩氰化物溶液进行金溶解的自动序列。完成一批后,溶液中的溶解金将被泵送到ICR孕溶液罐中,通过电积进行回收。ICR尾矿流将被泵送到浮选精矿再研磨回路,以进行进一步的研磨和黄金提取。因此,任何含氰溶液或固体都不会被导向研磨或浮选回路,因为硫铁矿等硫化铁矿物很容易被游离氰化物压低,并对浮选回路性能产生负面影响。
重力回路内的溢漏将被管理,使用专用的地沟泵。重力区产生的任何溢出物都将被泵送到再磨旋风进给泵箱,以避免任何含氰料进入研磨或浮选回路。
17.2.5浮选电路
旋风溢流流将通过重力流向更粗糙的调理槽。浮选将包括更粗的和清道夫浮选,较粗的精矿报告给浮选精矿浓缩器和清道夫精矿要么报告给浮选精矿浓缩器,要么回收给较粗的调理池。预计更粗糙的唯一流程图将是主要的操作方法。然而,如果需要针对更高的精矿品位或更低的质量回收率,可以使用更粗糙/清除剂的流程图布置来代替。
六个浮选槽单元将串联布置。采用PAX捕收剂和W31起泡剂的试剂添加方案,模拟浮选槽选定尺寸和数量的实验室试验工作。浮选回路尾矿将通过专用水泵转运至浮选尾矿浓缩机。
将在浮选尾矿浓缩机进料箱之前安装浮选尾矿冶金采样器,用于冶金核算。
浮选回路内的溢漏将得到管理,利用若干地底泵。浮选区域产生的任何溢出物都将返回到更粗糙的调理槽或精矿泵箱。
17.2.6精矿增厚
浮选精矿将被抽到垃圾桶,超大的物料被收集在垃圾桶里。然后,底码将被引导到再研磨电路之前的精矿浓缩机。浓缩机在浮选回路和回磨机之间提供缓冲。它还提供了对再研磨电路周围水平衡的控制,并有助于分解泡沫,否则可能是再研磨电路中的一个问题。
| Gramalote项目 哥伦比亚 NI 43-101技术报告 |
来自精矿浓缩机的溢液将通过重力流向精矿浓缩机溢流池,然后被泵送到工艺水箱。来自精矿浓缩机的底流,在50%的固体,将被泵送到再磨旋风进料泵箱。
精矿浓缩机区域将由专用的地沟泵进行维修。污水泵收集到的溢出物和冲洗物将返回到增稠机给料箱。
17.2.7精矿回料
浮选精矿浓缩机底流将被直接泵送到再磨旋风进料泵箱。再磨旋风进料流将通过水力旋流器进行分类,旋风底流将通过重力流向再磨机进行研磨。P的旋风溢流积大小8020 μ m有望在15%固体(w/w)的低旋风溢流浆密度下实现,以促进更好的粒度分离效率。旋风溢流流将通过重力流向预浸增稠器。
来自滚筒的研磨介质将通过溜槽添加到回磨机中,使用专用的媒体提升机和粗磨。
再粉磨区将由专用的地沟泵进行维修。污水泵收集到的溢出物和冲洗物将返回到再磨旋风进料泵箱。
17.2.8预浸出增厚
再磨旋风溢流浆流将通过重力直接流向预浸增稠器给料箱。来自预浸增稠器的溢液将通过重力流向浸出水箱。来自预浸增稠器的底流,在45%的固体,将被泵送到浸出饲料分配箱。
预浸增稠器区域将由专用底污泵进行维修。污水泵收集到的溢出物和冲洗物将返回到增稠机给料箱。
17.2.9浓缩浸出电路
浸出浓缩机底流将被泵送至浸出饲料分配箱。浸出进料分配箱的浆料将通过重力流向一个预曝气池,随后是5个浸出池。
精矿浸出回路将由六个机械搅拌、串联运行的渣浆罐组成。这相当于预曝气停留时间为6小时,浸出停留时间为30小时,设计进料速率为6mt/a,浮选精矿质量拉力为5%,浆料密度为35%固体(w/w)。30h的选定浸出停留时间包括一个设计因素,以允许绕过一个浆池,并且仍然实现24h停留时间。每个液浆罐的活体容积为500m φ。
| Gramalote项目 哥伦比亚 NI 43-101技术报告 |
目标精矿浸出条件包括用熟石灰浆、1 kg/t硝酸铅、2 g/l氰化钠和20至25 g/L的溶解氧水平维持pH10.5-11。
现场产生的氧气将通过加氧装置和专用氧接触器浆泵分别添加到6个浆液罐中。熔化石灰浆将根据需要通过环主添加到浸出饲料分配箱和浸出池中。
用于在线监测游离氰化物浓度的氰化物分析仪将允许根据需要向罐体中受控添加氰化钠溶液。
如果一个浸出池下线维护,将有可能绕过任何一个浸出池。通过安装位于浸出级间洗涤器内的气动门,将能够绕过水箱。
浸出回路将由两台地面污水泵进行维修。污水泵会将浆液外溢返回附近的浸出池,并将暴雨水送至预浸增稠器饲料箱。
17.2.10纸浆电路中的碳
CIP电路将由六个机械搅拌的CIP罐组成,串联运行。每个CIP罐的活体容积为200m φ。CIP罐的总容积将超过设计工厂吞吐量和浆料密度要求的6小时停留时间,但如果浆料密度被污水泵或装载的碳回收筛水喷雾稀释,则将确保实现足够的停留时间。
浸出回路将溶解存在的金,CIP回路将通过碳吸附回收这些溶解的金。活性炭将通过罐间筛网保留在每个CIP罐中。
当浆液流过CIP罐时,碳将与浆液流动逆流前进。这将通过平衡每个CIP储罐中的碳库存、定期测量碳浓度来管理。碳推进将通过CIP碳凹叶轮转运泵实现。
来自第一个CIP罐的装载碳将被泵送到装载的碳回收筛,在那里将被清洗以去除多余的泥浆。多余的浆料(筛分底流)将通过重力流向原产地CIP罐,而装载的碳将通过重力流向酸洗柱。
再生碳(或新鲜碳)将从碳再生电路添加到CIP电路中。再生碳(或新鲜碳)将通过贫瘠的碳施胶屏被泵送到CIP电路。上浆筛子将去除多余的水和碳粉。脱水后的碳将排放到最后一个在线CIP罐中,多余的水和碳粉被导向碳粉收集漏斗。从那里开始,它将通过碳粉过滤器被泵送到区域污水泵,然后再将过滤后的水泵送到CIP尾矿泵箱进行处置。
| Gramalote项目 哥伦比亚 NI 43-101技术报告 |
排出最后一个CIP罐的浆料将通过重力流向碳安全屏。碳安全屏幕将捕获和回收任何退出CIP电路的碳。安全屏oversize将向精细碳素垃圾箱报告,而undersize将被泵送到氰化物销毁馈料箱。
如果一个CIP罐体下线进行维护,将有可能绕过任何一个CIP罐体。通过安装位于CIP罐级间洗涤器内的气动门,将使绕过罐体的能力成为可能。
CIP电路将由地沟泵进行维修。污水泵会将溢出物返回到附近的CIP罐或CIP饲料分配箱。
17.2.11酸洗、洗选、电积和黄金室
碳解吸回路包括单独的同等尺寸的酸洗和洗脱柱。冷酸洗将用于去除碳中的无机污物。在酸洗之后,将利用压力Zadra洗脱电路从碳中实现金的脱附。每天运行4t的洗脱柱尺寸将满足CIP电路所需的碳运动。压力Zadra电路可以根据需要每天操作多达两次。溶解金将通过电积到编织、不锈钢丝网阴极上,从孕洗脱带溶液中回收。
密集氰化反应器还将产生用于电积的孕溶液。将使用专用电积电池和ICR孕溶液储罐将金回收到电积电池阴极上。
在电积池中收集的金污泥将被回收到污泥斗中,从那里通过污泥压滤机进行过滤。
金轴承滤饼将在电动干燥炉中进行热干燥。干燥的滤饼将与规定的助熔剂混合物(二氧化硅、硝基、纯碱和硼砂)混合,然后装入电感应炉。熔融的金属将被倒入模具中,形成dor é铸锭,这些铸锭将被清洗、化验、冲压,并储存在安全的金库中,以备调度。产生的矿渣将定期返回研磨回路,通过SAG磨机给料槽。
| Gramalote项目 哥伦比亚 NI 43-101技术报告 |
17.2.12碳再生
洗脱后,贫瘠的碳将从洗脱柱被泵送到碳再生回路。碳和转移水将被引导到再生窑进料筛,允许在碳排放到再生窑进料斗之前去除多余的水。
碳将通过窑螺送料机从再生窑进料斗中取出,直接排入碳再生窑。在电卧式回转窑内,碳将被加热到650 ° C,以去除碳表面的挥发性有机污垢,从而恢复碳活性。
退出窑炉的再活性炭将排入碳淬料斗,然后被泵送到位于CIP电路上方的贫碳施胶筛。
17.2.13氰化物销毁
CIP尾矿将被泵送到氰化物销毁罐,在那里使用SOO实现氰化物销毁2/空气过程。在SO2/空气工艺,焦亚硫酸钠、空气、硫酸铜(催化剂)、熟石灰浆(按要求)加入,将残留的游离弱酸解离(WAD)氰化物氧化为氰酸盐。销毁回路将把尾矿流中所含的残留氰化物降至10毫克/升WAD氰化物以下。氰化物销毁电路将由一个机械搅拌罐体组成,停留时间为240分钟。
排出氰化物破坏回路的浆料将通过重力流向精矿浸出尾矿池。在排放线上安装氰化物破坏排放过程采样器,采集样品进行监测,确保有效完成氰化物破坏过程。
17.2.14精矿沥青尾矿处置
氰化物销毁后,精矿浸出尾矿将被泵送到TMF。精矿浸出尾矿排放到TMF中是在水下进行的。
17.2.15浮选尾矿增厚
浮选回路尾矿将通过浮选尾矿冶金采样器泵送至浮选尾矿浓缩机。来自浮选尾矿浓缩机的溢液将通过重力流向工艺水箱。浮选尾矿浓缩机底流,在55-60 %固体的浆料密度,将被泵送到浮选尾矿槽,供后续处置到TMF。
| Gramalote项目 哥伦比亚 NI 43-101技术报告 |
17.2.16浮选尾矿泵送及尾矿储存设施
浮选尾矿浆将通过三台渣浆泵串联泵送至终点站浮选尾矿槽。从那里,它将通过三个滴箱通过重力流动到一个扼流站,扼流站调节流量和压力以防止浪涌,然后通过最后一个滴箱到达TMF浮选尾矿罐之前。将浆料稀释后泵送至个别旋风筒进行脱泥,将旋风溢流浆流或泥浆排入TMF,采用旋风下流浆流或流经< 15% 75 μ m的砂石进行坝墙堤防施工。旋风器将安装在大坝墙上,通常一次操作四到五个值班旋风器,以便在需要的地方提供沙子沉积。随着沉积的进行,气旋结构被定期挖掘和重新定位,以保持所需的堤岸剖面。
浮选尾矿浆在不脱泥的情况下,会有一条旁流会通过类似的落管箱和扼流站布置重力流经,然后多点排入TMF。此外,将使用没有滴箱的替代旁路浆液流,通过单独的扼流站直接排放到TMF中。尾矿顾问制定了全面的尾矿处置战略,包括砂坝和砂堆开发计划。
来自TMF的再生水通过倒注泵输送到TMF再生水箱。一台泵组将向终点站区域供应旋风进料稀释水和压盖水,另一台泵组则一路回水至主流程工厂回收水箱。TMF蓄水及坝墙施工的渗水量在集渗池中收集并泵送至TMF再生水箱。
TMF中多余的水通过侧山倾析系统进行管理,在该系统中,水将通过隧道和管道系统以重力方式流向营地沉积池。
精矿浸出尾矿浆以水下方式排入TMF池。
17.3设备尺寸
该设备清单是根据表17-1所列关键工艺设计标准得出的。
主要装备需求见表17-2。
| Gramalote项目 哥伦比亚 NI 43-101技术报告 |
表17-1:关键工艺设计标准
| 参数 | 单位 | 设计 |
| 工厂吞吐量 | t/a | 6,000,000 |
| 头部等级,设计 | 金克/吨 | 2.50 |
| 重力金回收 | % | 11.0 |
| 黄金整体回暖1 | % | 97.2 |
| 破碎厂可用性 | % | 65.0 |
| 工厂可用性 | % | 92.0 |
| 破碎作业指数(CWI) | kWh/t | 17.0 |
| 粘结棒轧机工作指数(RWI) | kWh/t | 15.3 |
| 邦德球磨机工作指数(BWI) | kWh/t | 15.7 |
| SMC测试参数,A*b1 | 31.9 | |
| 债券磨损指数(AI) | 0.599 | |
| 研磨电路产品尺寸,P80 | μ m | 250 |
| 总浮选停留时间(实验室) | 最小 | 20 |
| 植物浮选停留时间 | 最小 | 50 |
| 大量回收到浮选精矿 | % | 5.0 |
| 浮选精矿增稠剂上升率 | 米/小时 | 2 |
| 浮选精矿浓缩机底流密度 | %固体(w/w) | 50 |
| 再磨电路产品尺寸,P80 | μ m | 20 |
| Vertimill比能量 | kWh/t | 15.75 |
| 预浸增稠剂上升率 | 米/小时 | 2 |
| 预浸增稠器底流密度 | %固体(w/w) | 45 |
| 精矿浸出密度 | %固体(w/w) | 35 |
| 预曝气停留时间 | h | 6 |
| 精矿浸出停留时间 | h | 30 |
| CIP停留时间 | h | 6 |
| 预曝气槽数量 | 1 | |
| 浸出池数量 | 5 | |
| 吸附池数量(级) | 6 | |
| Conc.浸出pH值 | 10.5-11.0 | |
| Conc.浸出石灰添加2 | kg/t conc。 | 4.13 |
| Conc.浸出氰化钠加成3 | kg/t conc。 | 5.58 |
| CONC.浸出硝酸铅添加 | kg/t conc。 | 1.0 |
| 预曝气和浓缩浸出中的溶解氧水平 | ppm | 20-25 |
| Gramalote项目 哥伦比亚 NI 43-101技术报告 |
| 参数 | 单位 | 设计 |
| 洗脱电路类型 | 压力Zadra | |
| 洗脱电路尺寸 | t | 4 |
| 洗脱频率 | 条/周 | 7 |
| 氰化物破坏电路类型 | 所以2&空气 | |
| 氰化物破坏停留时间 | h | 4 |
| 所以2/CNWad重量比 | g所以2:g CNWad | 4.5 |
| 浮选尾矿浓缩机固体装料 | m2/t/天 | 0.035 |
| 浮选尾矿排出泥浆密度 | %固体(w/w) | 55-60 |
注意事项:
1.设计由15导出的x b值第为每个单独的矿石类型确定的特定能量的百分位排名。
2.以供给浓度88% CaO为基准的生石灰添加。
3基于98.0% NaCN供应纯度的氰化钠添加。
表17-2:主要装备清单
| 设备说明 | 详情 |
| 初级破碎机 | 42“x65”MKII回转 |
| SAG磨机 | 32‘直径x17.5’EGL2 x 5MW驱动器 |
| 球磨机 | 17‘dia x27’EGL1 x 5MW驱动 |
| 卵石破碎机 | 1 x Raptor 450圆锥破碎机,提供额外的未来破碎机 |
| 一级气旋 | 10 x 650毫米旋风集群-6值班,2待命,2备用 |
| 重力集中器 | 2 x KC-QS48 |
| 密集氰化反应器 | CS4000 |
| 浮选槽 | 6 x 300米3坦克细胞 |
| 浓缩浓缩机 | 12米直径高倍率 |
| 再磨机 | VTM-1000-WB |
| 再磨旋风 | 7 x 150毫米旋风集群-4值班,1待命,2备用 |
| 预浸增稠剂 | 12米直径高倍率 |
| 浸出罐 | 1 x预曝气+ 5 x浸出池,508 m3每个 |
| CIP坦克 | 6 x 266米3坦克,每辆2米2坦克间屏幕 |
| 碳安全屏 | 1.2米x2.4米单层振动筛 |
| 氰化物销毁罐 | 1 x 407米3坦克 |
| 浮选尾矿浓缩机 | 30米直径高倍率 |
| 浮选尾矿旋风 | 10 x单566毫米旋风-4值班、6待机 |
| 洗脱电路 | 4t压力Zadra电路 |
| 电积细胞 | 3 x 33阴极电芯,1 x 13重力用阴极电芯 |
| 熔炉 | 感应炉,500 KC |
| 再生窑 | 366kg/hr电窑 |
| Gramalote项目 哥伦比亚 NI 43-101技术报告 |
17.4控制策略
工厂控制系统将主要由分布式控制系统组成,并围绕适度的自动化和监控水平进行设计。
大多数电驱动和致动阀的启停将从分布式控制系统操作员接口终端进行。
一般来说,将在工厂周围使用驱动隔离阀或控制阀进行自动控制回路或排序,作为工厂控制或洗脱序列的一部分。
大多数设备联锁将是软件可配置的。来自现场或本地面板安装触点的所有报警和跳闸电路将基于故障安全激活。该工艺厂房将配备一个主控室。
17.5电力和消耗品
17.5.1耗材
试剂
该工艺工厂内使用的主要试剂将包括:
用于精矿浸出和氰化物破坏中pH控制的石灰泥;
泡沫浮选用戊基黄原酸钾(PAX)捕收剂;
起泡剂,为泡沫浮选提供稳定的泡沫;
氰化钠(NACN)用于精矿浸出和密集氰化反应器及碳解吸中的金溶解;
硝酸铅(PB(NO3)2)用于增强金溶出度;
用于密集氰化反应器pH控制、碳酸洗涤中和、碳解吸和电积的烧碱或氢氧化钠(NaOH);
碳酸洗涤用盐酸(HCL);
氰化物销毁用焦亚硫酸钠(SMBS);
| Gramalote项目 哥伦比亚 NI 43-101技术报告 |
五水硫酸铜(CuSO4.5H2O)用于氰化物销毁;
增稠用絮凝剂;
熔炼用通量;
防垢剂最大限度减少工艺配水、浸出配水、中水配水、淡水配水、腺体配水、洗脱回路中的结垢。
水务
该加工厂将使用工艺水、浸出水、再生水、淡水、处理水、腺体水和饮用水。工艺水和浸出水的补给水需求将从再生水箱中抽取,再生水箱接收从尾矿库回收的水。
一个事件池将容纳来自过程工厂堤坝(不含氰化物的浆料)的任何溢出物,以及从过程工厂南侧收集的雨水。事件池中的物料如含有任何浆料将被泵送至精矿浓缩区污水泵,或在必要时将雨水泵送至再生水箱。一个雨水池,将容纳从加工厂北侧收集的任何雨水,必要时将被泵送到回收水箱。任何含有氰化物的浆液或水的外溢都将被控制在加工厂的堤坝内。
航空服务
850kPag的高压空气将由两台高压空气压缩机提供。
低压空气将由两个之一供应到浮选和氰化物破坏区域,低压鼓风机将在每个区域安装。
氧气,用于精矿浸出回路,将由两个氧气变压吸附厂之一提供。
17.5.2功率
该加工厂的电力需求,连同场地和营地的其余部分,将由一个自发天然气发电厂提供。功率估计为:
装机功率:38210千瓦;
平均连抽:20388千瓦;
年工艺厂房耗电量:178,602,267千瓦。
| Gramalote项目 哥伦比亚 NI 43-101技术报告 |
17.5.3用水量
加工厂的水平衡已经完成。来自浓缩器溢流的水在加工厂内循环使用,以减少外部用水需求。大约657米的最小平均流量3/h的醒酒回水需要从TMF循环到工艺装置,而额外的496m丨/h则需要从TMF循环到终点站使用。另有约29米3/h的淡水需要补足加工厂的用水量。
| Gramalote项目 哥伦比亚 NI 43-101技术报告 |
18.0项目基础设施
18.1导言
2025年可行性研究中设想的支持运营的地面基础设施包括:
1个露天矿;分两期开采;
废石储存设施、库存和引水,包括Guacas Creek引水;
工艺厂房:粉磨、浮选、浸出设施、管理及工程处、变屋、车间、仓库、电网开关柜变电站;
矿山设施:重型装备车间、库房和安放区、燃料储存库、燃料配料舱、洗涤舱、轮胎舱、焊接铺、化验室、换房、食堂、炸药库、炸药转运厂、混凝土配料厂;
内部矿山道路,包括拖运道路;
通往Cristales村的社区绕行道路;
矿坑入口和营地住宿;
控沙池塘;
采石场借坑;
Guacas Creek和相关水处理厂的取水口;
尾矿管理设施;
公用事业包括饮用水和废水系统、消防、通信和天然气。
图18-1提供了显示拟议基础设施的布局图。图18-2为展示规划露天矿坑大致面积的嵌图。图18-3是一个插图,说明了TMF的位置。
| Gramalote项目 哥伦比亚 NI 43-101技术报告 |
图18-1:提出的基础设施布局规划

注:图由Integral Colombia编制,2025,基于Tierra Group International、B2Gold、Integral Colombia的设计。
| Gramalote项目 哥伦比亚 NI 43-101技术报告 |
图18-2:显示拟建矿坑、库存、WRSF和工厂位置的场地布局图

注:图由B2Gold编制,2025年。
| Gramalote项目 哥伦比亚 NI 43-101技术报告 |
图18-3:拟议的TMF位置规划

注:图由B2Gold编制,2025年。Tierra Group International、Integral Colombia、B2Gold设计。
| Gramalote项目 哥伦比亚 NI 43-101技术报告 |
18.2道路和物流
随着Tunel De La Quiebra-Vias Del Nus隧道的开通,从麦德林到格拉玛洛特项目现场的100公里公路行程缩短至约1.5-2.0小时,该隧道于2022年年中完工。
哥伦比亚在大西洋(卡塔赫纳和巴兰基亚)和太平洋(布埃纳文图拉)都有港口,可以接收大型设备。没有发现影响使用公路路线从大西洋或太平洋港口运输正常货物或普通货物的重大问题。宽度3-5米的货物可凭许可证从太平洋和大西洋港口通过公路运输。宽度超过5米的货物可以使用Magdalena河上的驳船与从Berrio港到项目现场的公路运输相结合的方式运输,使用国家62号公路的距离为73公里。贝里奥港通过河流与巴兰基亚和卡塔赫纳直接相连。大约700公里距离的驳船服务需要7-13天,这取决于使用哪个航运港口。
规划的运营将与25公里的建设和运输道路互联互通。这些道路的设计旨在最大限度地减少与62号国道上公共交通的任何互动。
需要一条4公里长的社区旁路才能绕过拟议的TMF。它将在矿山生命早期建造。绕行将允许Cristales社区维持与国家62号公路的道路连接。
18.3尾矿管理设施
TMF设计用于在13年的工艺期内储存76.7公吨尾矿。如果未来任何潜在的矿山扩建或矿山寿命延长需要,TMF将位于巴勒斯坦河谷,可以容纳更大的设施。2016年批准了一个容量更大、为220公吨的TMF,该批准是当前环评的一部分。
拟议中的TMF将是一个跨山谷蓄水池,有一个横跨巴勒斯坦河谷的单一堤岸,位于该河谷与努斯河交汇处上游约1公里处。该设施将不会被衬里。岩土调查显示,巴勒斯坦河谷由平均厚度约30米的腐泥土剖面组成。渗流分析和水文地质模型表明,由于该土壤类型和规划的设施渗流收集系统,对地下水的影响很小甚至可以忽略不计。
浮选尾矿和浸出回路氰化物破坏尾矿流实行单独管理:
| Gramalote项目 哥伦比亚 NI 43-101技术报告 |
浮选尾矿将被泵送到集水槽,并被送入水力旋流器,后者将使用中心线提升方法沉积尾矿。用当地借来的残余材料建造的30米高的起动路堤上将开始旋风沉积;
浸出回路尾矿将被单独泵送,并在上清液池内以水下方式沉积,以防止氧化和产生酸势。
尾矿料中含有较高比例的成砂粗粒,拟直接放置在起动坝下游,形成大型砂坝。
该设施的设计目的是接收24小时可能的最大降水量而不会超顶。将在北坡中央设置一个侧坡倒车结构。流经侧山和隧道的上清水将进入El Torito沉积池,在那里可提取再生水并返回加工厂。加工不需要的水将被排放到环境中(见第18.5节)。
作为矿山关闭的一部分,将通过北部巴勒斯坦山谷边的斜坡挖掘一条溢洪道。
18.4废石储存设施和库存
WRSF和矿化库存的设计考虑在第16.8节中讨论。
一系列残留废料堆,将在建设活动期间位于整个项目区域,将用于覆盖层和表土储存。
18.5水管理
18.5.1概述
开发了水管理系统,以最大限度地重复使用工艺水,最大限度地减少淡水水源补给水的使用。该项目的水平衡为正,这将需要排放,这主要是由于将在TMF中收集到大量的地表径流。TMF将是首要水库,将有足够的能力随时管理可能的最大洪水。
治水水库、渗淀池和沉淀池将位于不同的集水区,以管理沉积物排放、风暴事件和接触水,包括来自露天矿坑、TMF和WRSF。
| Gramalote项目 哥伦比亚 NI 43-101技术报告 |
水平衡模型显示,沉积池经过适当设计,可以管理所有地表水径流、TMF和WRF渗流,以及所有气候情景下的降水事件。
水质模型预测的所有排放池的模拟成分浓度将满足所有气候情景下的所有哥伦比亚监管标准。
回收和处理等应急措施被纳入矿山计划,以管理任何潜在的超标情况。WRSF设计为分阶段开发,将减少初始环境影响并减少下游沉积物负荷。
预测TMF水质在任何时候都符合排放标准要求。因此,在正常和潮湿的条件下,TMF水将通过倒浆结构持续排放到El Torito沉积池并从那里排放到Nus河。
来自TMF的再生水将被直接泵送到主流程工厂再生水箱。来自TMF蓄水池的渗漏将被收集在一个集渗池中,并将被泵送到TMF的一个再生水箱。
18.5.2沉积物/渗水池
沉积物/渗水池将位于每个自然排水盆地的下游,该盆地将容纳与矿山相关的设施。这些池塘将收集径流、夹带的沉积物以及排水沟捕获的渗漏。池塘被设想用于向环境放水,但也可用于向加工厂提供紧急供水。沉积池的设计是为了避免使用絮凝剂来满足哥伦比亚排放限值(50毫克/升)。这是通过提高池塘内压力容器的高度来实现的,以保持足够的池塘大小,以允许沉积物沉降。
将有六个沉积物/集渗池,位于所有主要排水口的下游:
El Banco沉积池:WRSF西池;
圣安东尼奥沉积池:WRSF东北池;
La Colorada沉积池:植物/堆积物北池;
El Torito沉积池:TMF排放点;
La Palestina沉积池:TMF池,将主要在TMF建设期间使用,将由集渗池取代;
TMF渗流采集箱:TMF东塘。
| Gramalote项目 哥伦比亚 NI 43-101技术报告 |
除沉积池外,每次土方基础设施扰动都会在沉积物到达主要收集池之前对其进行拦截。每个沉积池都将排入堤岸直接下游的努斯河。每个沉淀池都设计了应急溢洪道。
18.5.3水的储存和水的排放
除沉积池外,主要储水地点将包括:
露天矿;
Guacas Creek的取水设施(淡水);
TMF。
在确保遵守哥伦比亚法规后,水排放将包括:
蒸发;
TMF通过消融隧道排放到El Torito沉积池,然后进入Nus河;
沉积池排入努斯河。
接触水将主要来自露天矿坑、WRSF、库存和TMF渗流池。这些接触水的预期质量预计适合加工厂回收。
每年的水平衡反映了TMF和露天矿坑内所有水的收集和储存情况。该项目旨在最大限度地利用再生水,并在可行的情况下尽可能多地回收利用水。
将从Guacas Creek的取水口抽取淡水,最大速度为35米3/小时。工艺装置所需的剩余容积将以约500米的速率从TMF渗漏-旋风站区再循环3/小时。
18.5.4瓜卡斯溪改道
Guacas Creek必须在项目运营阶段改道,因为最后的坑阶段将影响现有的小溪通道。一项权衡研究评估了开放通道与隧道选择,或两者的组合。采用了开放通道设计,因为这将降低坍塌/洪水的风险。
这条小溪有62.5公里的大集水区2,并排出高雨量区域。分流系统为相当于100000年回归期风暴的可能最大降水事件设计,设计流量950m3/s,所有流量都要包含在通道的底座内。上游建设17米高土堤引水坝,将小溪分流入明渠,保护露天坑不受淹。
| Gramalote项目 哥伦比亚 NI 43-101技术报告 |
一个淡水取水设施将设在通道入口处,水将通过一条3.5公里长的管道泵送到位于加工厂的水箱。
18.6作业区基础设施
设施建设分三个区域,由1.5公里长的主通道连接:
行政办公,拟在主体工程入口旁建设;
加工厂办公室,拟在加工厂区建设;
采矿服务区。这将包括一个重型设备车间,由几个带有架空桥吊的托架组成;一个用于采矿和轻型车辆的柴油储存和燃料区;仓库;焊接车间、轮胎储存、轮胎处理和洗涤舱;以及矿山办公室。
轻型车辆和采矿设备的交通在整个现场的设计过程中被分开,以减少两类设备之间的相互作用。
爆炸弹库和转运将位于格拉玛洛特岭露天矿的东南边缘,紧邻储存区。
18.7营地和住宿
将需要一个新的营地来支持该项目的建设和运营阶段。为此目的,在主要行政办公室附近确定了一个合适的地点。选择了模块化设计,将包括住宿单元、自助餐厅、厨房、行政区域、洗衣房、娱乐设施和医疗诊所。
现有营地距离项目区30分钟路程,将提供额外的住宿灵活性,可容纳70个床位。
预计很大一部分建筑工人将从附近社区通勤,从而最大限度地增加当地的住宿和交通服务机会。
在运营期间,拟议的新营地将可容纳约200人。
18.8电力电气
电力计划通过管道来自以天然气为基础的自发电,利用该项目靠近供应麦德林地区的主要天然气管道2公里的优势。2025年可行性研究假设将与管道所有者就电力供应谈判达成照付不议协议。该协议设想,管道所有者将提供管道到现场,并建设现场电站。
| Gramalote项目 哥伦比亚 NI 43-101技术报告 |
该电厂将由四台燃气发动机组成,总装机容量约为44兆瓦,足以满足约30兆瓦的高峰项目需求。三台发动机将运行,其中一台处于待命状态。该工厂将包括减载能力。
18.9燃料
燃料将通过卡车从麦德林或贝里奥港运入,用于运营目的。
在建设阶段,在加油站建成之前,燃料将通过当地零售市场采购。
18.10供水
Guacas Creek将是饮用水水源,如第4.6节所述。
| Gramalote项目 哥伦比亚 NI 43-101技术报告 |
19.0市场研究和合同
19.1市场研究
目前没有相关的市场研究,因为Gramalote项目将以dor é的形式生产出一种易于销售的商品。海运和精炼成本预计为黄金3.00美元/盎司,白银1.34美元/盎司。
19.2商品价格预测
矿产资源和矿产储量估算中使用的商品价格由B2Gold公司制定。为矿产储量估算提供的黄金价格为1750美元/盎司,2500美元/盎司用于矿产资源估算。
财务模型假设长期金价为2500美元/盎司。
19.3合约
收到支持2025年可行性研究的重大合同报价。
主要合同将包括通过Indumil(哥伦比亚法律下爆炸物的唯一选择)爆破爆炸物和配件、燃料提供、电力提供、轮胎服务、与基础设施建设相关的联系,以及其他必要的采矿和加工消耗品合同。
合同将根据需要进行谈判和续签,条款预计将与行业标准保持一致,并与此前由B2Gold执行的类似合同具有可比性。
19.4市场研究及合约评论
QP注意到以下几点。
该矿生产的dor é很容易上市。金属价格由企业为矿产资源和矿产储量估算定价,本报告中用于矿产资源和矿产储量的黄金价格分别为2500美元/盎司和1750美元/盎司。
QP审查了商品定价假设、营销假设和当前的主要合同区域,并考虑了可用于估算矿产储量和支持矿产储量的经济分析的信息。
| Gramalote项目 哥伦比亚 NI 43-101技术报告 |
20.0环境研究、许可和社会或社区影响
20.1简介
根据2015年第1076号法令的规定,在哥伦比亚,采矿项目需要获得ANLA授权的环境许可证才能开发项目。环境许可证授权采矿项目使用环境资源,包括项目开发的相关必要环境许可。
Gramalote项目的环评职权范围由ANLA于2012年发布。环评于2015年2月报批。环境许可证是根据2015年第1514号决议和2016年第0309号决议授予的。2018年4月,B2Gold提交了MEIA,并根据2019年第00782号决议获得批准。
ANLA已批准对几项决议中正式确定的环境许可证进行进一步修改。2019年第2427号决议规定了分阶段重新安置受项目影响的人员。2021年第1447号决议授权同时开展重新安置和建设活动。第2292号和第2976号决议,在2024年更新了重新安置时间表和某些环境管理计划。B2Gold还持有推进互补项目活动所需的各种区域环境许可和授权。
2015年环评和2019年MEIA评估了项目影响范围内项目开发的潜在环境和社会经济影响。这些评估包括必要的拟议缓解措施,以将潜在影响减少到可接受的水平。制定了独立的管理方案,以解决残留影响,并确保项目符合其监管和许可要求以及B2Gold的环境和社会标准。
为遵守哥伦比亚的环境立法,并根据2025年可行性研究结果,B2Gold将提交更新的MEIA以供批准,以反映项目变化。此次更新将根据采矿项目职权范围(ANLA,2016年)和环境研究编制和提交的一般方法(环境和可持续发展部(哥伦比亚),2018b)进行。
对于更新的MEIA提交,B2Gold还必须根据影响区域定义、识别和划定指南(ANLA,2018)评估项目影响区域。该区域被定义为该项目在其各个阶段预计将发生重大环境影响的地理区域,影响到非生物、生物和社会经济成分。因此,圣罗克市、Maceo市、Yolomb ó市和Cisneros市仍被确定为预计该项目最有可能产生环境和社会影响的地点。
| Gramalote项目 哥伦比亚 NI 43-101技术报告 |
20.2基线研究
在环境和社会专家的支持下,根据国家和国际标准开始收集综合基线数据,以支持项目设计、影响评估和获得环境许可。正在收集更新的基线数据,以支持计划中的MEIA提交。迄今为止的研究包括:
地质;
地貌;
岩土工程;
地震活动;
土壤;
气候;
水文;
水质;
泥沙负荷;
用水单位和用途;
景观;
空气质量;
噪声;
植物;
陆生动物;
水生生态系统;
健康表征;
人口研究;
考古学。
| Gramalote项目 哥伦比亚 NI 43-101技术报告 |
20.3环境考虑/监测方案
环境许可证规定了拟议矿址周围的生物和非生物环境必须满足的具体管理和监测计划。这些措施包含在一套管理方案中,这些方案描述了旨在预防、减轻或纠正项目开发可能产生的重大环境和社会影响的活动。这些管理方案将为LOM到位,从规划期间开始,一直持续到建设、运营和关闭阶段完成:
为预防、减轻或纠正重大项目影响,将需要以下方案:
土壤管理方案;
废石和碎屑管理方案;
水资源管理和侵蚀控制方案;
空气质量管理方案;
废物管理方案;
化学物质和燃料管理方案;
爆破和爆炸物管理方案;
标牌管理方案;
景观管理方案;
氰化物管理方案;
动物管理和救援方案和规程;
植被覆盖清除方案;
鱼类重新安置和救助方案;
修复、修复、土地回收方案;
濒危、特有、受保护动植物保护方案;
生态系统保护和生态系统服务管理方案。
除管理计划外,B2Gold还必须实施以下补偿计划:
| Gramalote项目 哥伦比亚 NI 43-101技术报告 |
这些补偿方案可能包括各种保护行动,例如创建或扩展公共或私人保护区、产生自愿保护协议和/或开展生态恢复行动。大约3,500公顷将受拟议补偿方案的约束。
B2Gold还将被要求制定水管理计划,以监测、养护和保护项目从中提取水的流域(简称1%投资计划)。项目规划投资以下三个方面:
圣罗克市努斯河流域植被覆盖保护;
Providencia村生活残余水处理厂的融资;
在圣罗克市农村地区安装生活残水处理系统。
20.4关闭计划
ANLA已根据现行环境许可批准了该项目的概念性关闭计划(根据2015年第1514号决议、2016年第0309号决议和2019年第00782号决议批准),其中包括有效和逐步恢复受项目活动影响地区的战略。封闭计划包括拆除/拆除和拆除构筑物、稳定地貌、修复受项目活动干扰的区域等措施。概念性关闭计划将在整个项目生命周期内定期修改和更新,以反映设计、建设、运营和关闭阶段的重大变化。对于矿山关闭计划的更新,B2Gold将使用指南来编制所介绍的采矿项目的关闭和废弃计划(ANLA,2022)。
B2Gold估计该项目的环境回收和关闭负债成本约为5120万美元。《采矿守则》(2001年第685号法律)包括提供财务担保的义务,以确保能够完成关闭计划,支付与环境修复相关的成本,并遵守社会义务。
20.5许可
如第20.1节所述,该项目已通过第1514(2015)号、第309(2016)号和第00782(2019)号决议获得环境许可。该许可证规定了支持项目开发、运营、结项必须满足的条件和要求。B2Gold将提交更新的MEIA以供批准,以反映项目变化。此次更新将根据采矿项目职权范围(ANLA,2016年)和环境研究编制和提交的一般方法(环境和可持续发展部(哥伦比亚),2018b)进行。
| Gramalote项目 哥伦比亚 NI 43-101技术报告 |
该项目此时授予的关键许可汇总于表20-1。将需要其他机构和当局的额外许可和授权,包括:
获取和使用爆炸物的授权;
受控化学物质及产品证书;
饮用水供应卫生许可;
建筑许可证;
调整或干预国家、区域、农村通行道路;
电气装置技术规程(RETIE);
现有电力线搬迁。
B2Gold有一个PTO,于2018年获批。该公司将需要更新PTO,以捕捉本报告中提出的对矿山计划的变化。
20.6社会和社区影响的考虑
如第20.2节所述,2015年环评和2019年MEIA的制定包括收集项目区域的综合基线数据。社会经济基线研究用于评估项目开发对周边社区的潜在影响。
为评估项目的潜在社会经济影响,将项目区域划分为直接和间接影响区域(图20-1):
直达区:18个地方(村庄和农村地区的人口中心)在当地直接影响区域内,在圣罗克、约伦博、马塞奥市范围内;
间接地区:Maceo市、Cisneros市、San Roque市、Yolombo市。
在2015年环境影响评估和2019年环境影响评估编制期间,开展了社区参与进程,与相关利益攸关方共举行了104次会议。对于MEIA的拟议更新,将开展利益相关者参与和沟通活动,以确定和评估项目影响领域内潜在的积极和消极影响。
| Gramalote项目 哥伦比亚 NI 43-101技术报告 |
表20-1:重点授予许可
| 方面 | 许可证/ 牌照编号 |
说明 |
| 社会环境 | 第1514号决议(2015年11月25日) 第0309号决议(2016年3月29日) |
环境许可 |
| 社会环境 | 第0782号决议(2019年5月8日) | 环境许可证的修改 |
| 社会环境 | 第02427号决议(2019年12月11日) 第01447号决议(2021年8月18日) 第2292号决议(2024年10月21日) |
环境许可证的修改:
|
| 生物多样性 | 第943号决议(2023年5月9日) 第2649号决议(2023年11月14日) |
国家和区域禁止的植物区系物种管理方案 |
| 生物多样性 | 汽车3607(2019年5月29日) 第00725号决议(2022年4月7日) 第01380号决议(2022年6月24日) 第0356号决议(2024年3月7日) |
补偿计划,生物多样性 |
| 环境-水 | 第1514号决议(2015年11月25日) 汽车3607(2019年5月29日) 第0535号决议(2023年3月14日) |
1%投资计划- 用水用 |
| 考古学 | 第439号决议(2020年6月23日) 第1143号决议(2020年12月31日) |
考古管理 |
| Gramalote项目 哥伦比亚 NI 43-101技术报告 |
图20-1:影响力研究项目领域

注:图由B2Gold编制,2025年。
更新后的MEIA将概述旨在预防、减轻和解决对位于项目影响区域的社区的潜在重大影响的具体管理措施和行动;
与受影响社区密切合作并根据哥伦比亚法规和国际惯例制定了以下方案:
社区援助、信息、参与方案;
采购货物和服务方案;
社区培训和教育方案;
| Gramalote项目 哥伦比亚 NI 43-101技术报告 |
工人环境培训和教育方案;
重新安置方案;
支持公共和私营机构管理的方案;
土地准入方案;
迁徙压力管理方案;
第三方参与方案;
促进文化遗产计划;
健康促进和预防方案;
预防性考古计划。
如上文所述,为每个社会管理方案制定了监测方案。监测方案力求核实所提出的环境和社会管理措施的效率和有效性,并在必要时及时适用缓解措施。
如果管理不当,可能面临潜在重大负面影响的两个方面是在项目区工作的手工采矿者和因项目开发造成的个人安置问题。这些方面将在以下小节中讨论。
20.6.1重新安置
项目开发将对附近社区产生重大影响,这主要是由于征地的需要以及位于基础设施足迹内的住户的物质和经济安置。B2Gold一直在按照哥伦比亚立法、环境许可证的义务和国际标准推进重新安置规划。
社会经济基线数据是在之前的环评研究期间收集的,随后在2018年进行了更新。2020年进行的额外评估确认了最终的重新安置家庭数量,并与项目受影响者一起验证了影响和缓解措施。总共有327户家庭被确定为受到重大影响并被纳入重新安置行动计划。其中,225户将实际搬迁,而102户将仅经历经济流离失所。
环境许可要求,直接影响区域内的移民必须在批准的采矿计划(采矿计划)实施前完成。通过第2427(2019)号决议和第1447(2021)号决议,国家环境许可局(ANLA)授权延长重新安置阶段,并批准在重新安置过程的同时开始项目建设,但须遵守这些决议中概述的技术要求。2024年通过第2292号决议进一步更新了重新安置时间表,目前计划于2026年底完成。有可能,时间表将需要进一步调整,以与当前的矿山计划和建设时间表保持一致。如果是这样,B2Gold将向ANLA提交更新的时间表以供批准。
| Gramalote项目 哥伦比亚 NI 43-101技术报告 |
安置过程包括以下几个阶段:
确定基线人口并确定项目受影响人员;
重新安置行动计划的制定和正规化;
与项目受影响人员签订集体协议;
与项目受影响人员签署个人协议;
监测重新安置行动计划执行情况;
移民安置行动计划完成审计。
B2Gold已经获得了足够的土地来满足安置要求。规划和开发活动正在进行中,每季度向ANLA报告进展情况。2022年,与受影响社区达成协议,正式确定了重新安置行动计划,并在2023年和2024年期间完成了集体和个人谈判阶段。截至报告生效日期,98%的受影响住户已签署个人协议。只有2%-相当于九个家庭-没有达成协议。与这些剩余家庭的接触和谈判正在进行中,并将继续进行,直到达成解决方案。
B2Gold已完成指定搬迁地点房屋、公共设施、配套基础设施等设计。施工正在按照批准的设计和技术规范推进。此外,B2Gold还在实施生计恢复计划、社区融合倡议,以及确保提供必要公共服务的措施。将继续密切监测执行工作,并向ANLA报告,直到所有承诺得到履行,RAP完成审计顺利结束。
20.6.2手工和小规模采矿
ASM是更广泛项目领域中一项长期存在的经济活动,但它也带来环境和社会风险,包括土地和水的退化、童工、非正规就业以及职业健康危害。
自2011年开始基线研究以来,B2Gold一直在监测ASM活动。随着时间的推移,该地区的个体矿工数量有所不同;2025年,采矿许可证14292范围内的平均活跃矿工人数约为500人,其中约50%在项目足迹内作业。
| Gramalote项目 哥伦比亚 NI 43-101技术报告 |
为减少环境影响、支持当地社区并促进社会稳定,B2Gold与地方和国家当局协调,推进了ASM正规化举措。迄今,22个矿业协会下设73个矿业生产单位正规化,惠及180多名矿工,产生560多个享受社保待遇的正式就业岗位。
这些举措是在一项战略框架内制定的,该战略包括:
评估矿业生产单位并支持其正规化为小公司;
协助组建正规化矿工联合团体;
通过国家立法中建立的机制支持正规化进程;
协助正规矿业生产单位依法编制和取得环评及补充工作计划;
提供技术培训,以提高运营、环境和安全绩效。
B2Gold将继续推进ASM正规化工作,包括根据国家政策、社区优先事项及其对负责任采矿实践的承诺,评估新的潜在纳入区域。
| Gramalote项目 哥伦比亚 NI 43-101技术报告 |
21.0资本和运营成本
21.1介绍
资本和运营成本估算基于截至报告生效日期2025年4月1日的预测成本,用于开采和处理来自露天矿作业的矿产储量。
LOM计划假设业主运营的矿山运营在特定区域获得承包商支持。建设期假定为两年,在本报告中安排为2027年和2028年,等待许可。
资本和运营成本根据类别以哥伦比亚比索或美元估计,并在适用时按4200 COP:美元的汇率换算。
21.2资本成本估算
21.2.1估算基础
资本成本主要包括加工设施、场地基础设施、采矿设备和重建,以及重新安置和购买土地。资本成本分为:
维持资本:支持现有LOM计划的成本;
非持续资本:成本为长期结构或外部项目,不一定取决于矿山计划。非持续性资本包括营地、道路、初始采矿设备车队、矿山服务区和车间、加工厂、尾矿储存设施、重新安置,以及采矿和加工作业所需的其他主要基础设施发展。
21.2.2劳动力假设
计入资本成本的业主劳动力支持项目在黄金生产开始后计入运营成本。由业主以外的某一方提供人工的,人工成本计入资金成本。
21.2.3建设资金成本
建设阶段分两年进行,假设为2027年和2028年待项目许可。这包括采矿和相关基础设施、废物预剥离和储存建设、处理相关资本、场地一般基础设施、移民和土地购买以及应急。建设后资本包括Guacas分流和一些在开始商业生产之前不需要的剩余道路建设。
| Gramalote项目 哥伦比亚 NI 43-101技术报告 |
商业生产前的建设资本成本估计为7.401亿美元。预计在开始商业化生产后,建设后的资本成本为6770万美元。
21.2.4矿山资本成本
矿山资本成本根据地面采矿车队的所有者运营情况进行估算。车队购置、重建和设备更换成本是根据设备制造商的预测数据估算的。根据装备利用率进行重大矿山装备车队更换。
采矿船队和基础设施资本总额估计比LOM高出1.405亿美元。
建设后,1.495亿美元的资本化废物计入采矿资本成本。
总的采矿资本成本,建设后,估计为2.899亿美元超过LOM。
21.2.5过程资本成本
流程资本成本包括流程工厂、尾矿储存设施以及沉积物和流程水塘的维持资本。
流程资本成本,建设后,估计为4650万美元超过LOM。
21.2.6场地一般资本成本
网站一般资本成本估计平均每年运营50万美元。
总站点一般资本成本估计比LOM高出600万美元。
21.2.7关闭成本
总的回收和关闭资本成本估计为5120万美元,成本在可行的情况下与作业同时发生,大部分成本发生在采矿和加工作业结束时。
21.2.8资本成本汇总
表21-1按类别汇总了资本成本。
| Gramalote项目 哥伦比亚 NI 43-101技术报告 |
表21-1:LOM资本成本估算
| 面积 | 分区 | 单位 | 价值 |
| 非持续资本 | 采矿和相关基础设施 | $ m | 87 |
| 废料预条和矿石库存 | $ m | 42 | |
| 加工 | $ m | 313 | |
| 场地一般基础设施 | $ m | 186 | |
| 安置和土地购置 | $ m | 32 | |
| 应急 | $ m | 81 | |
| 施工小计(商业生产前的所有场地开发) | $ m | 740 | |
| 后期建设(商业生产开始后的所有场地开发) | $ m | 68 | |
| 非持续性资本小计 | $ m | 808 | |
| 维持资本 | 采矿-资本化废物 | $ m | 149 |
| 采矿-不包括资本化废物 | $ m | 140 | |
| 加工 | $ m | 46 | |
| 现场总 | $ m | 6 | |
| 应急 | $ m | 34 | |
| 维持资本小计 | $ m | 376 | |
| 关闭资本 | 关闭成本 | $ m | 51 |
| 所有资本成本合计 | $ m | 1,236 | |
注:由于四舍五入,总数可能不相加。
21.3营业成本估计
21.3.1估算依据
部门费用独立估算。有些部门作为发电、重型设备维修等可分配成本处理,根据使用情况分配给其他部门。
21.3.2矿山运营成本
矿山运营成本是根据矿山计划从第一原则建立起来的,并得到生命周期成本或设备和产品供应商报价的支持,并与可比的采矿业务进行基准比较。
矿山运营成本估计为2.71美元/吨开采的岩石,包括资本化废料。
| Gramalote项目 哥伦比亚 NI 43-101技术报告 |
21.3.3流程运营成本
加工成本包括与工艺相关的所有活动。可变成本是随着工厂生产而变化的成本,主要包括消耗品/供应品和电力成本,以及维护和其他分配。期间成本是与时间相关的成本,无论生产如何都会发生,包括人工、承包商以及部分维护和其他分布式成本。总流程成本每年都会因运营计划而异。
库存和矿石再处理费用包含在处理费用中。
在加工操作的整个生命周期内,总工艺操作成本估计为8.16美元/吨碾磨。
21.3.4场地一般运营成本
站点一般运营成本主要被建模为期间成本。其中包括行政人工和用品成本、营地成本、信息技术服务、人员运输、健康和安全、环境、安保、供应链、仓储、场地服务和场地财务成本的期间成本。根据运营计划的不同,总的站点一般运营成本每年都会有所不同。
现场运营总成本估计为3.64美元/吨,在运营的整个生命周期内处理。
21.3.5营业成本汇总
LOM计划运营成本估计数列于表21-2和表21-3。运营成本总计15.83亿美元超过LOM。采矿成本将平均11.27美元/吨矿石处理,工艺成本将平均8.16美元/吨矿石处理和现场一般成本将平均3.64美元/吨矿石处理,整体矿石处理成本为23.08美元/吨。
21.4资本和运营成本点评
QP注意到以下几点:
拟议的格拉马洛特岭矿的资本和运营成本基于与矿产储量LOM计划相关的预测成本。成本表明低于矿产储备成本基础的运营和总成本(1750美元/盎司金);
LOM计划资本成本估算总计12.36亿美元,包括资本化废物;
LOM计划运营成本预估总计783.16美元/盎司金产量,或23.08美元/吨加工量。
| Gramalote项目 哥伦比亚 NI 43-101技术报告 |
表21-2:LOM营业成本合计
| 面积 | 单位 | 价值 |
| 采矿成本 | $ m | 823 |
| 资本化废物 | $ m | -149 |
| 加工 | $ m | 626 |
| 现场总 | $ m | 279 |
| 发电厂 | $ m | 0.4 |
| 库存矿石变化 | $ m | 23 |
| 白银销售/信贷 | $ m | -29 |
| 多尔运输、保安、保险 | $ m | 3 |
| 炼油厂收费 | $ m | 7 |
| 总运营成本 | $ m | 1,583 |
注意事项:
1.可分配成本包含在区域总额中。由于四舍五入,总数可能不相加。
2.营业成本总额仅从生产年份报告,不包括预计建设周期。
表21-3:LOM单位运营成本(矿石加工量)
| 面积 | 矿石加工 (美元/吨) |
生产的黄金 (美元/盎司AU) |
| 采矿(所有地区) | 11.27 | 382.58 |
| 加工 | 8.16 | 276.95 |
| 现场总 | 3.64 | 123.63 |
| 合计 | 23.08 | 783.16 |
注:采矿成本为2.71美元/吨,用于采矿,包括资本化废料。加工成本包括库存再处理和适用时的矿石运输。由于四舍五入,总数可能不相加。
| Gramalote项目 哥伦比亚 NI 43-101技术报告 |
22.0经济分析
22.1前瞻性信息声明
识别具有前瞻性的信息包含在本报告前面的声明中。
22.2使用的方法
以独立模型支持矿产储量申报的财务模型,该模型根据预定的矿石产量、假定的加工回收率、金属销售价格、4200 COP/美元的汇率、预计的运营和资本成本以及估计的税收计算年度现金流。
财务分析基于5%的税后贴现率。所有成本和价格均以未升级的真实美元计算。
所有成本均基于拟建格拉玛洛特岭矿的预测成本。收入根据第19.2节中描述的可回收金属和长期金属价格以及汇率预测计算得出。
22.3财务模型参数
经济分析基于第13节中的冶金复苏预测、第15节中的矿产储量估计、第16节中讨论的矿山计划、第19节中的商品价格预测、第20节中的关闭成本估计以及第21节中概述的资本和运营成本。
Royalites将平均比LOM高3.2%。
经济分析以100%项目所有权为基础进行报告。经济分析假设价格不变且没有通胀调整,长期金价为2,500美元/盎司,如第19.2节所述。
22.4税收
根据哥伦比亚的矿业法,生产矿山需缴纳相当于金银生产总值4%的联邦特许权使用费。毛金属价值是使用伦敦金属交易所黄金和白银现货价格的80%确定的,因此有效的权利费率为3.2%的市值。作为基准的国际黄金价格以伦敦金银市场协会(LBMA)等公认金融机构或其他广泛接受的国际大宗商品交易所发布的每日现货价格为基础。
此外,金矿公司需缴纳35%的企业所得税,虽然根据哥伦比亚2022年的税收改革,特许权使用费最初不可扣除,但2024年宪法法院的一项裁决恢复了它们的可扣除性,允许矿商从其应税收入中减去特许权使用费。
| Gramalote项目 哥伦比亚 NI 43-101技术报告 |
22.5经济分析
估价日期为2027年1月1日,假定为等待许可活动的建设决定日期。采用5%的贴现率。税后项目NPV为9.41亿美元,计算内部收益率为22.4%,投产后回收期为3.4年。
财务结果摘要见表22-1。
年化现金流量表见表22-2、表22-3、表22-4。
22.6敏感性分析
金属价格、黄金品位、资本成本和运营成本假设的变化,使用基本案例值上下25%的范围进行测试。结果如图22-1所示。未显示对黄金等级的敏感性,因为它反映了这一敏感范围内的金价敏感性。
该项目对黄金价格和品位的变化最为敏感,对运营成本和资金成本的变化敏感度较低,表现出相似的敏感性。
| Gramalote项目 哥伦比亚 NI 43-101技术报告 |
表22-1:主要财务指标
| 项目 | 单位 | 价值 |
| 生产概况 | ||
| 已加工的含金盎司 | 莫兹 | 2.36 |
| 黄金回收 | % | 95.7 |
| 平均黄金品位 | 克/吨 | 0.96 |
| 生产的黄金盎司 | 莫兹 | 2.26 |
| 年均黄金产量 | koz/年 | 177 |
| 矿山生活 | 年 | 11.0 |
| 磨坊生活 | 年 | 13.0 |
| 加工的矿石吨 | 公吨 | 76.7 |
| 开采的废料 | 公吨 | 241 |
| 废矿剥采比 | 废料:矿石 | 3.1 |
| 项目经济性-2500美元/盎司项目平均金价 | ||
| 非持续性资本、建设 | $ m | 740 |
| 非持续性资本、后期建设 | $ m | 68 |
| 维持资本 | $ m | 376 |
| 外部项目、填海、封控资本 | $ m | 51 |
| 黄金总收入 | $ m | 5,650 |
| 净现金流 | $ m | 1,630 |
| 净现值5.0% | $ m | 941 |
| 内部收益率 | % | 22.4 |
| 投产后的投资回收期 | 年 | 3.4 |
| 单位运营成本 | ||
| LOM现金运营成本(采矿、加工、场地一般) | $/oz金 | 700 |
| LOM AISC | $/oz金 | 985 |
| 平均LOM开采成本 | $/t岩石开采 | 2.71 |
| 平均LOM加工成本 | $/t已处理 | 8.16 |
注:NPV =净现值;IRR =内部收益率;AISC =全部维持成本。每盎司AISC是现金运营成本、特许权使用费和生产税、本质上可持续的资本支出、企业一般和行政成本、社区关系支出的总和,所有这些都除以售出的总黄金盎司,得出每盎司的数字。AISC既是卖出的美元/盎司,也是生产的美元/盎司,因为没有时间延迟,因为盎司是在同一时期生产和销售的。
| Gramalote项目 哥伦比亚 NI 43-101技术报告 |
表22-2:现金流量年化预测(第1-7年)
| 所有数字US $ 000 ' s | 合计 | Y1 | Y2 | Y3 | Y4 | Y5 | Y6 | Y7 |
| 总收入 | 5,650,111 | - | - | 409,538 | 595,067 | 598,711 | 599,484 | 558,673 |
| 生产成本 | 1,615,441 | 15,013 | 17,719 | 97,680 | 112,651 | 101,940 | 113,734 | 123,832 |
| 特许权使用费和生产税 | 182,203 | 61 | 61 | 13,225 | 19,171 | 19,277 | 19,300 | 17,987 |
| 企业管理和CSR部门 | 82,910 | 6,587 | 4,384 | 6,868 | 5,202 | 5,295 | 5,220 | 5,295 |
| 企业社会责任项目 | 20,919 | 989 | 989 | 16,798 | 714 | 714 | 238 | 238 |
| 非持续性资本成本 | 733,166 | 402,804 | 262,668 | 42,587 | 25,107 | - | - | - |
| 维持资本成本,不包括资本化废物 | 226,996 | - | - | 42,360 | 19,928 | 25,933 | 16,601 | 15,068 |
| 采矿资本成本、资本化废物 | 168,690 | - | 19,217 | 19,128 | 14,824 | 23,664 | 38,968 | 21,082 |
| 外部项目、复垦和关闭资本成本 | 51,246 | - | - | - | 866 | 866 | 866 | 866 |
| 已支付的税款和特许权使用费总额 | 924,056 | 333 | 437 | 31,097 | 121,398 | 125,283 | 120,317 | 103,604 |
| 营运资金 | -24,002 | 5,000 | - | - | -24,002 | - | - | - |
| 库存矿石及磨机WIP变化 | 0 | - | 22,696 | 5,172 | 33,333 | 42,177 | 9,099 | 8,606 |
| 净现金流 | 1,668,487 | -430,787 | -328,171 | 134,624 | 265,874 | 253,562 | 275,142 | 262,095 |
| AISC(美元/盎司) | 985 | - | - | 1,205 | 725 | 737 | 810 | 822 |
注:表格以100%为基础,单位为x 1,000美元。CSR =企业社会责任。AISC = all-in维持成本。每盎司AISC是现金运营成本、特许权使用费和生产税、本质上可持续的资本支出、企业一般和行政成本、社区关系支出的总和,所有这些都除以售出的总黄金盎司,得出每盎司的数字。AISC既是卖出的美元/盎司,也是生产的美元/盎司,因为没有时间延迟,因为盎司是在同一时期生产和销售的。WIP =进行中的工作。数字已四舍五入。
| Gramalote项目 哥伦比亚 NI 43-101技术报告 |
表22-3:现金流量年化预测(第8-14年)
| 所有数字US $ 000 ' s | Y8 | Y9 | Y 10 | Y 11 | Y 12 | Y 13 | Y 14 |
| 总收入 | 377,808 | 360,714 | 459,518 | 581,252 | 442,896 | 222,150 | 222,150 |
| 生产成本 | 142,442 | 145,159 | 148,371 | 116,731 | 135,645 | 116,552 | 115,383 |
| 特许权使用费和生产税 | 12,180 | 11,634 | 14,808 | 18,731 | 14,308 | 7,194 | 7,133 |
| 企业管理和CSR部门 | 5,225 | 5,295 | 5,221 | 5,306 | 5,221 | 5,306 | 3,718 |
| 企业社会责任项目 | 238 | - | - | - | - | - | - |
| 非持续性资本成本 | - | - | - | - | - | - | - |
| 维持资本成本,不包括资本化废物 | 26,278 | 18,234 | 25,102 | 17,820 | 12,566 | 3,625 | 3,480 |
| 采矿资本成本、资本化废物 | 16,336 | 15,470 | - | - | - | - | - |
| 外部项目、复垦和关闭资本成本 | 866 | 866 | 866 | 866 | 866 | 3,016 | 3,016 |
| 已支付的税款和特许权使用费总额 | 40,672 | 34,928 | 65,256 | 115,786 | 72,747 | 17,409 | 36,175 |
| 营运资金 | - | - | - | - | - | - | -3,000 |
| 库存矿石及磨机WIP变化 | -6,450 | -6,933 | 4,278 | 41,387 | -10,363 | -45,998 | -49,336 |
| 净现金流 | 140,022 | 136,061 | 195,615 | 264,624 | 211,906 | 115,046 | 105,580 |
| AISC(美元/盎司) | 1,343 | 1,357 | 1,053 | 680 | 937 | 1,511 | 1,441 |
注:表格以100%为基础,单位为x 1,000美元。CSR =企业社会责任。AISC = all-in维持成本。每盎司AISC是现金运营成本、特许权使用费和生产税、本质上可持续的资本支出、企业一般和行政成本、社区关系支出的总和,所有这些都除以售出的总黄金盎司,得出每盎司的数字。AISC既是卖出的美元/盎司,也是生产的美元/盎司,因为没有时间延迟,因为盎司是在同一时期生产和销售的。WIP =进行中的工作。数字已四舍五入。
| Gramalote项目 哥伦比亚 NI 43-101技术报告 |
表22-4:现金流量年化预测(15-20年)-
| 所有数字US $ 000 ' s | Y 15 | Y 16 | Y 17 | Y 18 | Y 19 | Y 20 |
| 总收入 | 222,150 | - | - | - | - | - |
| 生产成本 | 110,991 | 1,597 | - | - | - | - |
| 特许权使用费和生产税 | 7,133 | -0 | - | - | - | - |
| 企业管理和CSR部门 | 3,181 | 2,138 | 1,378 | 1,366 | 352 | 352 |
| 企业社会责任项目 | - | - | - | - | - | - |
| 非持续性资本成本 | - | - | - | - | - | - |
| 维持资本成本,不包括资本化废物 | - | - | - | - | - | - |
| 采矿资本成本、资本化废物 | - | - | - | - | - | - |
| 外部项目、复垦和关闭资本成本 | 3,016 | 8,947 | 13,456 | 4,660 | 4,136 | 3,205 |
| 已支付的税款和特许权使用费总额 | 38,605 | 3 | 2 | 2 | 1 | 1 |
| 营运资金 | -2,000 | - | - | - | - | - |
| 库存矿石及磨机WIP变化 | -46,078 | -1,589 | - | - | - | - |
| 净现金流 | 107,301 | -11,096 | -14,835 | -6,029 | -4,488 | -3,558 |
| AISC(美元/盎司) | 1,383 | - | - | - | - | - |
注意:
表格以100%为基础,单位为x 1,000美元。CSR =企业社会责任。AISC = all-in维持成本。每盎司AISC是现金运营成本、特许权使用费和生产税、本质上可持续的资本支出、企业一般和行政成本、社区关系支出的总和,所有这些都除以售出的总黄金盎司,得出每盎司的数字。AISC既是卖出的美元/盎司,也是生产的美元/盎司,因为没有时间延迟,因为盎司是在同一时期生产和销售的。WIP =进行中的工作。数字已四舍五入。
| Gramalote项目 哥伦比亚 NI 43-101技术报告 |
图22-1:敏感性分析

注:图由B2Gold编制,2025年。opex =运营成本估算,Capex =资本成本估算
| Gramalote项目 哥伦比亚 NI 43-101技术报告 |
23.0邻接属性
本节与本报告无关。
| Gramalote项目 哥伦比亚 NI 43-101技术报告 |
24.0其他相关数据和信息
本节与本报告无关。
| Gramalote项目 哥伦比亚 NI 43-101技术报告 |
25.0解释和结论
25.1导言
QP根据对本报告可用数据的审查,注意到在各自专业领域的以下解释和结论。
25.2矿产保有权、地表权、水权、特许权使用费和协议
从B2Gold专家获得的信息支持所持有的矿产权有效。
Gramalote Colombia已开始收购地面权利以支持采矿作业,并已就所需区域的大部分完成购买。根据所进行的数据和研究,Gramalote Colombia为建设和运营阶段所需的仍有待收购的物业制定了谈判策略。
Guacas Creek将提供饮用水。水管理系统旨在处理正的水平衡,确保所有工艺用水需求的充足供应。
一旦投产,国家对黄金和白银的特许权使用费为厂址金属总值的4%(根据1994年第141号法第16条)。然而,总金属价值是通过使用伦敦金属交易所黄金和白银现货价格的80%确定的,因此有效的权利费率为3.2%。
Gramalote Colombia已提出17项土地归还诉讼。截至报告生效日期,由第三方Natalia Nohaba Vallejo针对矿业管理局(Antioquia Mines Secretary of Mines)发布的行政法案提起的法律诉讼正在进行中。矿业管理局(Antioquia Mines Secretary of Mines)没有授予第三方要求的对综合采矿权14292区域内存在的一些“走廊”的采矿权。“走廊”源于哥伦比亚矿业Cadaster图形缺陷。
Gramalote Colombia请求成为司法诉讼的一方,并于2019年8月28日获得受理。因此,Gramalote Colombia将能够在整个诉讼过程中支持矿务局(Antioquia Mines Secretary of Mines)陈述的法律和技术论点。
在Gramalote Colombia ' é的评估中,对该项目产生潜在影响的风险很低。如果法律先例得以维持,那么矿区现状也应得以维持。哥伦比亚矿业Cadaster的“走廊”或图形缺陷不被视为免费区域。如果解释确实将“走廊”视为免费区域,Gramalote Colombia将拥有时间上的优先权,因为它是第一个申请人。
| Gramalote项目 哥伦比亚 NI 43-101技术报告 |
在QP已知的范围内,不存在本报告未披露的可能影响访问、所有权或就项目开展工作的权利或能力的其他重大因素或风险。
25.3地质和矿化
Gramalote Ridge和Trinidad矿床被认为是构造控制的、与侵入有关的金矿的例子。
对不同带矿化的设置、岩性、构造和蚀变控制的地质认识,足以支持矿产资源的估算。该地区的地质知识也被认为足够可接受,可以可靠地为概念性矿山规划提供信息。
矿化样式和设置很好理解,可以支持矿产资源申报。
Gramalote Ridge矿床在深处仍然开放。矿化向主要矿床区域的东部和西部(Monjas东部地区)较窄。特立尼达矿床在深处、向东、特别是向西仍然开放。
已经确定了一些前景,需要进行额外的勘探检查。
25.4支持矿产资源估算的勘探、钻探和分析数据收集
迄今已完成的勘探方案适合项目上矿床的样式。
采样方法可用于矿产资源估算。
样品制备、分析和安全性一般按照勘探最佳实践和行业标准进行。
在勘探和划定钻探计划期间收集的岩性、岩土、岩领和井下调查数据的数量和质量足以支持矿产资源估算。采集的样本数据充分反映了矿床的尺寸、矿化的真实宽度以及矿床的风格。采样对矿床中的金、银品位具有代表性,反映出品位较高和较低的区域。
QA/QC程序充分解决了精度、准确性和污染问题。钻探程序通常包括空白、副本和CRM样本。QA/QC提交率达到行业认可标准。
| Gramalote项目 哥伦比亚 NI 43-101技术报告 |
数据核查方案得出的结论是,从该项目收集的数据充分支持了地质解释,并构成了一个足够质量的数据库,以支持在矿产资源估算中使用这些数据。
25.5冶金测试工作
冶金测试工作和相关分析程序适用于矿化类型,适用于建立概念加工路线,并使用典型矿化类型的样品进行。
选择测试的样品代表了各种类型和类型的矿化。样品是从矿床内的一系列深度中挑选出来的。采集了足够的样本,以便在足够的样本质量下进行测试。
估计的恢复因素是基于适当的冶金测试工作。在金头品位为1.0克/吨AU的情况下,整体黄金回收率将为95.5%。在1.0克/吨Ag的银头品位下,整体白银回收率将为38.0%。不适用工厂回收折扣。
从加工的角度来看,没有有害元素是已知的。
25.6矿产资源估算
矿产资源采用2014年CIM定义标准进行报告,并假定采用露天开采方法。
可能影响矿产资源估算的因素包括:金属价格和汇率假设;用于生成黄金品位边界品位的假设的变化;对矿化几何和矿化带连续性的当地解释的变化;对地质和矿化形状以及地质和品位连续性假设的变化;密度和区域分配;对岩土、采矿和冶金回收假设的变化;与限制估算的概念矿坑有关的输入和设计参数假设的变化;以及对进入现场、保留矿产和地表权所有权的持续能力的假设,保持环境等监管许可,保持社会许可经营。
25.7矿产储量估计
矿产储量报告采用2014年CIM定义标准,并以露天开采方法为基础。
可能影响矿产储量估算的因素包括:黄金价格假设的变化;矿坑坡度和岩土假设的变化;不可预见的稀释或矿石损失;水文地质和矿坑脱水假设的变化;资本和运营成本估算投入的变化;约束矿坑外壳中使用的运营成本假设的变化;重新安置和搬迁计划的延迟或变化;矿坑设计与目前设想的变化;采矿或碾磨生产力假设的变化;以及修改因素假设的变化,包括环境、许可和社会经营许可。
| Gramalote项目 哥伦比亚 NI 43-101技术报告 |
25.8矿山计划
拟议的采矿作业将采用常规的露天采矿方法和设备。
采矿采取分阶段的方式,将在主坑中看到两个阶段,并开发一个卫星坑作为第三阶段。
计算的氧化料边界品位为0.28克/吨金,矿山和磨机规划申请的提高边界品位为0.40克/吨金。
计划有四个库存用于运营。第五个库存将储存品位为0.24-0.40 g/t AU的材料,并将与WRSF位于一起。氧化物材料不在加工计划或矿产储量之列。
WRSF最大总容量约为240公吨,足够预测LOM。
预剥离估计为13公吨。最初的矿石将在ROM地区储存,随后将在El Balzal地区储存。部分废旧物资将用于矿山平台建设和运输道路。
预计最高提取率为35mt/a,含预剥采期的LOM为11年。在主动采矿停止后,加工将再持续两年。整体带钢比预测为3.1:1(废:矿)。
业主运营设备以标准露天采矿作业为基础进行选型。辅助设备将支持采矿、加工、现场一般作业,但不会直接参与矿山生产
25.9恢复计划
拟建工厂将使用常规设备和工艺,以6mt/a的速率加工ROM磨机进料,以生产dor é棒材。该项目的工艺装置设计基于稳健的冶金流程图,旨在以最小的运营成本实现最佳回收。该流程图基于在工业中得到充分证明的单元操作。
设备选型的关键标准是适职性、可靠性、易维护性。该工厂布局将便于访问所有设备以满足运营和维护需求,同时保持有利于多个区域并行建设进展的布局。
| Gramalote项目 哥伦比亚 NI 43-101技术报告 |
该工艺装置将由单级一次破碎、闭路二次(干)筛和二次圆锥破碎、带HPGR(湿)筛闭路的单级HPGR和带旋风筒闭路的球磨机组成,以达到目标产品尺寸。它将包括一个带有离心重力集中器的重力回路和一个密集的氰化浸出反应器。浮选区将包括浮选回路、浮选精矿浓缩机、垃圾筛和回磨回路、预浸浓缩机、精矿浸出回路。黄金电路将由CIP和压力Zadra电路组成。
25.10基础设施
2025年可行性研究设想的主要基础设施包括:一个露天矿坑;分两期开采;废石储存设施、库存、引水包括Guacas Creek引水;工艺厂房:粉磨、浮选和浸出设施、管理和工程办公室、换房、车间、仓库和铺设设施、电网开关设备变电站;矿山设施:重型设备车间、仓库、燃料储存、燃料分配舱、洗涤舱、轮胎舱、焊接厂、化验实验室、换房、食堂、炸药库、爆炸物中转厂、混凝土批厂;内部矿山道路,包括拖运道路;一条通往Cristales村的社区绕行道路;矿井入口和营地住宿;Guacas Creek和水处理厂的取水口、泥沙治理池;采石场借坑;一个TMF;和公用事业。
25.11环境、许可和社会考虑
25.1 1.1环境考虑
项目环评职权范围由ANLA于2012年发布。环境许可证于2015年底颁发。2019年完成了MEIA。2019年和2024年完成了对环境许可证的修改。将提交一份反映2025年可行性研究变化的更新的MEIA以供批准。
2011年开始收集基线数据。正在收集更新的基线数据,以支持计划中的MEIA提交。在环境和社会专家的支持下,数据和模型的收集和更新正在取得进展。
环境许可证规定了具体的管理和监测方案,其中描述了旨在预防、减轻和纠正可能对项目开发所产生的环境和社会组成部分产生的重大影响的活动。这些管理方案将为LOM到位,从规划期间开始,一直持续到建设、运营和关闭阶段完成。
| Gramalote项目 哥伦比亚 NI 43-101技术报告 |
B2Gold还必须实施生物多样性丧失、木质植被和受威胁物种以及土地使用变化的补偿计划。水管理方案也必须到位。
25.1 1.2关闭考虑
ANLA已根据当前的环境许可批准了该项目的概念性关闭计划。概念性关闭计划将在整个项目生命周期内定期修改和更新,以反映设计、建设、运营和关闭阶段的重大变化。
B2Gold估计该项目的环境回收和关闭负债成本约为5120万美元。《采矿守则》(2001年第685号法律)包括提供财务担保的义务,以确保能够完成关闭计划,支付与环境修复相关的成本,并遵守社会义务。
25.1 1.3允许考虑
截至报告生效日期,B2Gold持有支持项目开发所需的一些关键许可证。环境许可证将需要更新,以包括2025年可行性研究导致的变化。如本报告所设想,该项目将需要几个额外的许可和授权。
25.1 1.4社会考虑
2015-2019年期间开展了社区参与进程,与相关利益攸关方共举行了104次会议。作为计划中的MEIA更新的一部分,将完成额外的利益相关者咨询。
项目开发将对附近社区产生重大影响,这主要是由于征地的需要以及位于基础设施足迹内的住户的物质和经济安置。B2Gold一直在按照哥伦比亚立法、环境许可证的义务和国际标准推进重新安置规划。
社会经济基线数据是在之前的环评研究期间收集的,随后在2018年进行了更新。2020年进行的额外评估确认了最终的重新安置家庭数量,并与项目受影响者一起验证了影响和缓解措施。总共有327户家庭被确定为受到重大影响并被纳入重新安置行动计划。其中,225户将实际搬迁,而102户将仅经历经济流离失所。
环境许可要求,直接影响区域内的移民安置必须在批准的采矿计划实施前完成。通过第2427(2019)号决议和第1447(2021)号决议,国家环境许可局(ANLA)授权延长重新安置阶段,并批准在重新安置过程的同时开始项目建设,但须遵守这些决议中概述的技术要求。2024年通过第2292号决议进一步更新了重新安置时间表,目前计划于2026年底完成。有可能,时间表将需要进一步调整,以与当前的矿山计划和建设时间表保持一致。如果是这样,B2Gold将向ANLA提交更新的时间表以供批准。
| Gramalote项目 哥伦比亚 NI 43-101技术报告 |
B2Gold已经获得了足够的土地来满足安置要求。规划和开发活动正在进行中,每季度向ANLA报告进展情况。2022年,与受影响社区达成协议,正式确定了重新安置行动计划,并在2023年和2024年期间完成了集体和个人谈判阶段。截至报告生效日期,98%的受影响住户已签署个人协议。只有2%-相当于九个家庭-没有达成协议。与这些剩余家庭的接触和谈判正在进行中,并将继续进行,直到达成解决方案。
B2Gold已完成指定搬迁地点的住房、公共设施、配套基础设施等设计。施工正在按照批准的设计和技术规范推进。此外,B2Gold正在实施恢复生计计划、社区融合倡议以及确保提供必要公共服务的措施。将继续密切监测执行工作,并向ANLA报告,直到所有承诺得到履行,RAP完成审计顺利结束。
为减少环境影响、支持当地社区并促进社会稳定,B2Gold与地方和国家当局协调,推进了ASM正规化举措。迄今,22个矿业协会下设73个矿业生产单位正规化,惠及矿工180余人,创造社保待遇正式就业岗位560余个。B2Gold将根据国家政策、社区优先事项及其对负责任采矿实践的承诺,继续推进ASM正规化工作,包括评估潜在纳入的新区域。
25.12市场和合约
迄今尚未完成任何市场研究。该矿将生产的dor é很容易上市。
用于矿产资源和矿产储量估算的金属价格建立在企业层面。
收到支持2025年可行性研究的重大合同报价。这些合同将包括通过Indumil(哥伦比亚法律下唯一授权的爆炸物供应商)爆破爆炸物和配件、燃料提供、电力提供、轮胎服务、基础设施建设,以及根据要求签订的其他采矿和加工消耗品合同。
| Gramalote项目 哥伦比亚 NI 43-101技术报告 |
合同将根据需要进行谈判和续签,条款预计将与行业标准保持一致,并与此前由B2Gold执行的类似合同相当。这些关键合同的建立不被视为对项目的风险。
25.13资本成本估算
LOM计划假设业主经营的采矿作业,在特定区域的承包商支持下,预计将有两年的预产期,但须经许可。
资本成本主要包括加工设施、场地基础设施、采矿设备和重建,以及重新安置和购买土地。
商业生产前的建设资本成本估计为7.401亿美元。预计在开始商业化生产后,建设后的资本成本为6770万美元。
采矿船队和基础设施资本总额估计比LOM高出1.405亿美元。建设后,1.495亿美元的资本化废物计入采矿资本成本。总的采矿资本成本,建设后,估计为2.899亿美元超过LOM。
流程资本成本,建设后,估计为4650万美元超过LOM。
总站点一般资本成本估计比LOM高出600万美元。
填海和关闭的总资本成本估计为5120万美元。
总体资本成本估计为12.36亿美元。
25.14营业成本估算
部门成本独立估算。某些部门,如发电、重型设备维修等,作为可分配成本处理,其成本根据使用情况分摊到其他部门。
矿山运营成本估计为2.71美元/吨开采的岩石,包括资本化废料。
库存和矿石再处理费用包含在处理费用中。在加工操作的整个生命周期内,总工艺操作成本估计为8.16美元/吨碾磨。
现场一般运营总成本估计为3.64美元/吨,在运营的整个生命周期内处理。
| Gramalote项目 哥伦比亚 NI 43-101技术报告 |
运营成本总计15.83亿美元超过LOM。采矿成本将平均11.27美元/吨矿石处理,工艺成本将平均8.16美元/吨矿石处理和现场一般成本将平均3.64美元/吨矿石处理,整体矿石处理成本为23.08美元/吨。
LOM计划运营成本预估总计783.16美元/盎司金产量,或23.08美元/吨加工量。
25.15经济分析
估价日期为2027年1月1日,被建模为建设决定的日期,等待许可活动。采用5%的贴现率。税后项目NPV为9.41亿美元,计算内部收益率为22.4%,投产后回收期为3.4年。
该项目对黄金价格和品位的变化最为敏感,对运营成本和资金成本的变化敏感度较低,表现出相似的敏感性。
25.16风险与机会
25.16.1风险
许可时间假设到2027年将获得所有关键许可,以支持项目建设。许可证发放的延迟可能会影响本报告中关于建设和运营的假定日期。
安置假设随着项目的进展而完成。安置过程中的延迟可能会影响本报告中关于建设和运营的假定日期。
项目设计基础包含了在报告生效日期现行的监管要求。在报告生效日期之后更新或更改法规可能需要实施额外的控制措施。
当前通货膨胀和关税关税的持续经济不确定性可能会影响与资本和运营成本估计相关的假设,因此会影响本报告中的经济分析。
由于项目区域内的ASM活动对场地准入和开发、当地安全以及接收环境的潜在影响,因此将其正规化、确定指定的ASM地点以及管理与ASM相关的潜在影响非常重要。
| Gramalote项目 哥伦比亚 NI 43-101技术报告 |
25.16.2机会
如果能够将指示的矿产资源转换为矿产储量,并通过额外研究将其纳入更新的矿山计划,特立尼达和蒙哈斯矿床的矿产资源就是一个上行机会。
如果目前被归类为推断的矿化可以升级为更高置信度的矿产资源类别,则估计值存在进一步的上行潜力。
此外,第9节中讨论的众多未钻探前景代表了上行勘探潜力,这将需要钻探来评估其潜力。
25.17结论
在本报告概述的假设下,该项目显示出超过LOM的正现金流,并支持矿产储量估计。矿山计划是可以在所应用的参数和假设范围内实现的。
| Gramalote项目 哥伦比亚 NI 43-101技术报告 |
26.0项建议
由于2025年的可行性研究表明,一个项目具有积极的经济性,并且进行建设的决定由B2Gold董事会酌情决定和权限,因此QP没有任何有意义的建议可以提出。
| Gramalote项目 哥伦比亚 NI 43-101技术报告 |
27.0参考
AngloGold,2017:Gramalote增强型预可行性研究:为B2Gold和AngloGold编写的内部报告,2017年5月。
Aspden,J.A.和McCourt,W.J.,1986年:哥伦比亚中部安第斯山脉中生代海洋地体:地质学。14,第415-418页。
Cabral,Alexandre,2007:Gramalote Colombia样品的矿石显微镜:为Gramalote Colombia编写的内部报告,2007年12月。
加拿大矿业、冶金和石油学会(CIM),2014年:CIM定义标准-矿产资源和矿产储量,由CIM储量定义常设委员会编写:由CIM理事会通过,2014年5月。
加拿大证券管理局(CSA),2011:National Instrument 43-101,矿产项目披露标准,加拿大证券管理局。
Cediel,F.,and C. C á ceres,2000:Geological Map of Colombia,1:2,000,000:Geotec Ltd.,Bogot á,Third Edition,digital format with legend and tectono-stratographic chart。
Cediel,F.,Shaw,R.P.和C á ceres,C.,2003:北安第斯Block构造组合:在Bartolini,C.,R.T. Buffler和J. BlickWede,eds.,Circum Gulf of Mexico and Caribbean:Hydrocarbon Habitats,Basin Formation,and Plate Tectonics:AAPG Memoir 79,pp. 815-848。
哥伦比亚矿务局,2019年:哥伦比亚矿业投资简要指南:哥伦比亚矿务局编写的说明,http://mineriaencolombia.anm.gov.co/index.php/en/regulations
Gorham,J.P.,2008:哥伦比亚Antioquia部Gramalote Property更新报告,为B2Gold Corp.编写的43-101技术报告,2008年6月。
Hart,C.J.R.,2005:Classifying,Distinguishing and Exploring for Intrusion-related Gold Systems:In the Gangue,Issue 87,October,2005,published by Geological Association of Canada,Mineral Deposits Division,18 p。
Hart,C.,2007:Reduced Intruction Related Gold System:in Goodfellow,W.D.,eded.,Mineral Deposits of Canada:A Synthesis of Major Deposit Types,District Metallogology,The Evolution of Geological Provinces,and Exploration Methods:Geological Association of Canada,Mineral Deposits Division,Special Publications 5,pp. 95-112
| Gramalote项目 哥伦比亚 NI 43-101技术报告 |
Hulse,D.E.,2012:NI 43-101 Technical Report on Resources,Gramalote Project,Providencia,Colombia:Gustavson Associates为B2Gold编写的报告,生效日期2012年6月1日;
Hulse,D.E.,Sobering,G.,Newton,M.C. III,Malhotra,D.,and Daviess,F.,2014:NI 43-101初步经济评估,Gramalote项目,西北哥伦比亚:Gustavson Associates为B2Gold编写的报告,生效日期2014年2月1日。
Lefebure,D.V.和Hart,C.,2005:Plutonic相关的AU石英脉和脉管,Model L02:in Fonseca,A.和Bradshaw,G.,eds.,Yukon矿床剖面:Yukon Geological Survey Open File Report 2005-5,pp.121-128。
McCourt,W.J.,Feininger,T.和Brook,M.,1984:来自哥伦比亚安第斯山脉的新地质和地理年代学数据:多重增生的大陆增长:地质学会杂志,伦敦,第141卷,第831-845页。
Meister,S.N.,2009:Gramalote Ridge Project,Department of Antioquia,Colombia,NI 43-101 Technical Report:Report prepared for B2Gold,effective date 27 February 2009;
环境和可持续发展部(哥伦比亚),2015年:2015年第1076号法令,颁布环境和可持续发展部门单一监管法令:653 p.,2015年5月26日。
环境和可持续发展部(哥伦比亚),2018a:生物成分补偿手册(2018年第256号决议):第61页,2018年2月22日。
环境和可持续发展部(哥伦比亚),2018b:编制和提交环境研究报告的一般方法(2018年第1402号决议):228页,2018年7月25日。
国家环境许可管理局,2016年:编制环境影响评价(环评)-采矿开采项目的职权范围(2016年第2206号决议)。第159页,2016年12月27日。
国家环境许可管理局,2018年:影响区域的定义、识别和划定指南:2018年7月45页。
国家环境许可局,2022:矿业项目关闭和废弃计划编制指南:2022年8月第55页。
Rodriguez,O.F.,2009:Gramalote金矿的矿石共生:MSC论文,加拿大皇后大学,2009年8月。
| Gramalote项目 哥伦比亚 NI 43-101技术报告 |
Salazar,D.,2019:Mining in Colombia:Overview:Report prepared by Posse Herrera Ruiz,https://uk.practicallaw.thomsonreuters.com/w-019-7418?transitionType=default&contextData=(sc.default)& firstPage=true&bhcp=1
Sillitoe,R.H.,1991:与入侵有关的金矿:in Foster,R.P.(ed.),Gold Metallogeny and Exploration,Blackie,Glasgow,pp. 165-209。
Sillitoe,R.H.,2005:对Quinchia、Quebradona和Gramalote前景的评论,哥伦比亚:为Sociedad Kedahda S.A.编写的内部报告,2006年6月,11 p。
Sillitoe,R.H.,2006:对Quinchia、La Mina和Gramalote Gold Prospects初步钻探结果的评论,哥伦比亚:为Sociedad Kedahda S.A.编写的内部报告,2006年7月,13页。
Valencia,M.,2006,Reporte Tecnico:CTograf í a Geol ó gica-Estructural,Proyecto Gramalote:为Sociedad Kedahda S.A.编写的内部报告,2006年9月,25页。
Valencia,M.,2007。Estilos Estructurales y Ocurrencias Minerales Gramalote Regional-Fase II:内部报告,AngloGold Ashanti Colombia。
Walker,D.,Venter,J.,Hamman,E. 2021:Gramalote金矿项目岩土工程可行性报告:AngloGold Ashanti编写的报告,2021年5月。