
NI 43-101技术报告
佛罗伦萨铜项目
亚利桑那州皮纳尔县
合格人员:
Richard Tremblay,工程,工商管理硕士
Richard Weymark,P.Eng.,MBA
Robert Rotzinger,工程师。
生效日期:2023年3月15日
报告日期:2023年3月30日
目 录
| 科 | |
| 摘要 | 1 |
| 导言 | 2 |
| 对其他专家的依赖 | 3 |
| 属性描述和位置 | 4 |
| 无障碍环境、气候、当地资源、基础设施和地理学 | 5 |
| 历史 | 6 |
| 地质背景和矿化 | 7 |
| 存款类型 | 8 |
| 探索 | 9 |
| 钻孔 | 10 |
| 样品制备、分析和安全 | 11 |
| 数据验证 | 12 |
| 矿物加工和冶金测试 | 13 |
| 矿产资源估算 | 14 |
| 矿产储量估计 | 15 |
| 采矿方法 | 16 |
| 恢复方法 | 17 |
| 项目基础设施 | 18 |
| 市场研究和合约 | 19 |
| 环境研究、许可和社会或社区影响 | 20 |
| 资本和运营成本 | 21 |
| 经济分析 | 22 |
| 相邻属性 | 23 |
目录-续
| 科 | |
| 其他有关数据和资料 | 24 |
| 解释和结论 | 25 |
| 建议 | 26 |
| 参考资料 | 27 |
第1节
总结
第1节:摘要
目 录
| 页 | |
| 1.1 执行摘要 | 1 |
表列表
| 表1-1:项目重点 | 1 |
| 表1-2:佛罗伦萨项目氧化物矿产资源(2022年12月31日生效) | 2 |
| 表1-3:已证实和可能的储量估计(2022年12月31日生效) | 3 |
| 第1节 | 摘要 | 第1页 |
1.1执行摘要
本报告介绍了Taseko Mines Limited(Taseko)更新的矿山寿命计划、矿产储量估计和亚利桑那州皮纳尔县佛罗伦萨铜矿项目(FCP)的经济性。该计划提出了一个原位铜回收(ISCR)井田,为溶剂萃取和电积(SX/EW)工艺装置提供经济铜品位的孕浸出液(PLS),为期至少22年。该商业生产设施将在满负荷生产的情况下,平均每年生产8500万磅LME A级阴极铜。
FCP提供了一个独特的机会来建设一个商业规模的ISCR设施,该设施的初始资本和运营成本低,环境影响最小,并且位于一个安全的采矿友好型管辖区。下文表1-1概述了该项目的经济性,其依据是3.75美元/磅的保守长期铜价。
表1-1:项目重点
| 价值 | |
| 税前净现值为8% | 10.90亿美元 |
| 税前内部收益率 | 49% |
| 税后净现值为8% | 9.3亿美元 |
| 税后内部收益率 | 47% |
| 税后回收期 | 2.6年 |
| 初始资本 | 2.32亿美元 |
| 业务费用: | 1.11美元/磅 |
这份报告是为制作公司Taseko编写的,由Richard Tremblay、工商管理硕士、理查德•威马克、工商管理硕士和Robert Rotzinger监督。公司聘用Tremblay先生为高级运营副总裁,Weymark先生为工程副总裁,Robert Rotzinger为资本项目副总裁。这三人都是国家文书43-101矿产项目披露标准(NI 43-101)中定义的“合格人员”(QP)。
FCP位于美国西南铜矿带的主要城市中心凤凰城和亚利桑那州图森市之间,在紧邻该地产的地方铺设了公路、铁路和电力通道。该地产由两块土地组成:1145英亩的收费简单所有权持有,160英亩的亚利桑那州信托土地根据亚利桑那州矿产租赁11-26500持有。Florence Copper LLC(Florence Copper)是Taseko的一家间接全资子公司,持有该资源区内的矿产权,该物业已签订了三份特许权使用费协议。气候适宜全年作业,夏季炎热,冬季温和,降水典型的半干旱的索诺兰沙漠地区。
| 第1节 | 摘要 | 第2页 |
1.1执行摘要-续
该矿床由一个大型斑岩硫化铜系统组成,覆盖着一个厚厚的、强烈断裂的氧化层。氧化区充满了地下水,地下水被一层厚厚的低渗透粘土层与上层饮用水、农业和工业用含水层隔开。它还通过相对不透水的硫化物系统与深层地下水分离。这种独特的地质和水文组合使氧化带成为ISCR提取方法的理想选择。
多个所有者多年来对FCP进行了广泛的探索。该报告详细介绍了地理、所有权、地质、水文地质和矿化情况,以及在确定品位为0.35%的3.63亿吨实测和指示矿产资源时所使用的方法和数据。报告接着详细介绍了ISCR和SX/EW方法、矿山计划以及用于确定储量限制的经济参数,这些方法导致已探明和可能的矿产储量为3.2亿吨,品位为0.36%,含23亿磅原位铜。资源和储量分别基于3.50美元/磅和3.05美元/磅的保守铜价。这些估计数的详细情况见下文表1-2和表1-3。
表1-2:佛罗伦萨项目氧化物矿产资源(2022年12月31日生效)
| 类 | 吨 (000000) |
% TCu 等级 |
含铜 (000,000磅) |
| 测量 | 292 | 0.34 | 1,997 |
| 指示 | 71 | 0.39 | 552 |
| M + I | 363 | 0.35 | 2,549 |
| 推断 | 42 | 0.32 | 266 |
| 1.矿产资源遵循CIM矿产资源和矿产储量定义标准(2014年)。 2.报告的矿产资源包括矿产储量。 3.不属于矿产储量的矿产资源没有显示出经济上的可行性。 4.矿产资源被限制在“最终经济开采的合理前景”范围内的氧化带和过渡带,假设ISCR开采方法使用以下假设:铜价3.50美元,弃置岩心孔/英亩31600美元,已确定文化遗址的文化缓解措施240400美元/英亩,149,600美元+ 263美元/英尺钻井成本,160美元/吨酸价,45.30美元/吨的井田作业成本,1.2%的地表损失,0.10美元/磅的电积成本,0.12美元/磅的铜G & A成本,0.69美元/吨的回收成本,0.02美元/磅的铜运输成本,ALSD土地7%的NSR特许权使用费,永久产权土地3%的NSR特许权使用费,以及净利润2.5%的特许权使用费。 5.报告的矿产资源没有边界品位,以反映所提议的ISCR提取方法的性质。 6.采用了13.5 ft3/吨和13.13 ft3/吨的吨位系数,对应于上氧化区8%的孔隙率和下氧化区和过渡区5%的孔隙率。 7.由于四舍五入,数字可能不相加。 |
|||
| 第1节 | 摘要 | 第3页 |
1.1执行摘要-续
表1-3:已证实和可能的储量估计(2022年12月31日生效)
| 类别 | 吨 (000000) |
% TCu 等级 |
含铜 (000,000磅) |
| 证明 | 258 | 0.35 | 1,812 |
| 可能 | 63 | 0.40 | 503 |
| 合计 | 320 | 0.36 | 2,316 |
| 1.矿产储量遵循CIM矿产资源和矿产储量定义标准(2014年)。 2.矿产储量包含在Florence Copper的矿产资源中。 3.假设使用ISCR提取方法提取矿产储量,使用以下假设:3.05美元的铜价格,31600美元/英亩的岩心弃井,240,400美元/英亩的已确定文化遗址的文化缓解,149,600美元+ 263美元/英尺的钻井成本,160美元/吨的酸成本,45.30美元/吨的井田作业成本,1.2%的地表损失,0.10美元/磅的电积成本,0.12美元/磅的铜G & A成本,0.69美元/吨的回收成本,0.02美元/磅的铜运输成本,7%的ALSD土地NSR特许权使用费,3%的永久产权土地NSR特许权使用费,以及2.5%的净利润特许权使用费。 4.矿产储量的报告没有设定边界品位,而且是在完全稀释的基础上进行的,以反映所提议的ISCR提取方法的性质。 5.吨数13.5英尺3/吨和13.13英尺3对上氧化区的孔隙率为8%,下氧化区和过渡区的孔隙率为5%进行了处理。 6.由于四舍五入,数字可能不相加。 |
|||
Florence Copper从2018年12月开始运营一个示范规模的ISCR设施,称为生产测试设施(PTF)。PTF在商业浸出条件下的运行持续到2020年6月,随后是4个月的浸出减少期。到2020年10月底,SX/EW工厂被关闭,PTF随后过渡到冲洗阶段的演示,该阶段仍在进行中。PTF生产了超过100万磅的铜,成功地证明了可以实现和维持水力控制,并证实了氧化矿带在水文方面表现为等效的多孔介质,从而确保了对地下饮用水源的保护。
虽然PTF没有设计,也不允许运行一个完整的浸出周期来确定最终的矿块回收率,但利用这个机会评估了以前的实验室测试工作假设,测试了操作控制和策略,并收集了生成的放大过程数据,这有助于开发一个更复杂的浸出模型,并根据PTF井田的观测性能进行校准。
精浸模型根据矿石块的品位(总铜和酸溶性铜)和所选的施酸率(流量和抽提酸度),预测矿石块随时间的铜提取、PLS品位和酸耗。每个矿块的生产业绩将是动态的,并与商业开采计划有关。保守估计,该项目的阴极铜总回收率为65.8%,平均PLS品位为1.7克/升。
| 第1节 | 摘要 | 第4页 |
1.1执行摘要-续
早在20世纪70年代,FCP遗址就已成为众多环境研究的主题。这些研究已纳入项目的业务和关闭计划,并酌情列入资本和业务费用。根据亚利桑那州环境质量局(ADEQ)含水层保护许可证(APP)和美国环境保护局(USEPA)地下注入和控制(UIC)计划,都需要商业运营许可证。Florence Copper已收到ADEQ的商业APP,美国环保署的商业UIC许可证正在等待签发。
原位回收已在矿物开采工业中成功使用了50多年,不涉及通常与常规露天采矿有关的许多活动,因为不需要对所需材料进行实物处理或重新安置。FCP将不需要爆破、装载、拖运、倾倒、粉碎或输送材料,从而大大减少对环境的影响。在作业期间,与传统的露天矿相比,它将消耗更少的能源、排放更少的碳和消耗更少的水,每生产一磅铜并产生更少的粉尘。
ISCR方法的长期环境效益是,不会产生露天挖掘、废石堆、堆浸堆或尾矿储存区,导致占地面积小得多,不会显著改变场地地形。这些井场不引人注目,很容易被移走,因此封闭后的土地可以恢复到原来的状态,供将来使用。因此,FCP可能为绿色经济提供一个环境优越的国内铜生产来源。
QP认为,所使用的地质数据、项目设计、资本和运营成本估计以及营销假设对于界定和证明NI43-101规定的资源和储量是适当的。
由于将项目推进到商业运营所需的商业许可程序和详细的项目工程都在进行中,因此QP没有提出任何进一步的建议。
第2节
简介
第2节:导言
目 录
| 页 | |
| 2.1 导言 | 1 |
| 2.2 缩略语 | 3 |
| 第2节 | 导言 | 第1页 |
2.1导言
本技术报告是为Taseko Mines Limited(Taseko)编写的,该公司根据《不列颠哥伦比亚省商业公司法》成立,总部位于加拿大不列颠哥伦比亚省温哥华市西乔治亚街1040号。
本报告的目的是记录最新的佛罗伦萨铜矿项目矿山寿命计划、矿产储量估计和经济情况,其中包括自2017年以来完成的技术和环境工作,包括自2018年12月以来生产试验设施(PTF)的运作。
本文所载资料、结论、意见和估计数基于:
负责本报告内容的合格人员(QP)是Richard Tremblay,工程师,MBA,Richard Weymark,工程师,MBA和Robert Rotzinger,工程师。
Tremblay先生监督了第1至5、19、20和23至27节的编写工作,并审查了矿产保有权、许可和担保要求以及长期商品价格假设。自2014年7月以来,他一直受雇于Taseko。Tremblay先生在担任运营高级副总裁期间曾多次访问该网站。他最近一次亲自检查这处房产是在2月13日。第至17第, 2023.
Weymark先生负责编写本报告第6至12、14和15节,并审查了用于估算地质模型中的品位和吨位的方法。此外,在他的监督下审查了钻探、取样、质量保证/质量控制、样品制备、分析方法和数据核查活动。Weymark先生目前的职位是工程副总裁,自2018年7月以来一直受雇于Taseko。他最近一次亲自检查这处房产是在3月10日。第至13第, 2020.
| 第2节 | 导言 | 第2页 |
2.1导言-续
Rotzinger先生监督了本报告第13、16至18、21和22节的编写工作,并审查了确定井场设计、远程矿山计划、资本和业务费用估计数所用的方法,并指导了最新的经济评价。Rotzinger先生目前的职位是资本项目副总裁,他自1999年6月以来一直受雇于Taseko。他最近一次亲自检查这处房产是在2月15日。第至17第, 2023.
本报告中使用的计量单位是美国和公制的组合,除非另有说明,货币以美元表示。
| 第2节 | 导言 | 第3页 |
2.2缩略语
| 缩写 | 单位或任期 |
| % | 百分比 |
| ° | 学位(学位) |
| ° C | 摄氏度 |
| µ | 微米或微米,微米或微米 |
| A | 安培 |
| a/m2 | 每平方米安培 |
| AA | 原子吸收 |
| A.C。 | 亚利桑那州行政法规 |
| ACD | 环形导电装置 |
| ACHP | 历史保护谘询委员会 |
| ADEQ | 亚利桑那州环境质量局 |
| ADWR | 亚利桑那州水利部 |
| AFY | 每年英亩-英尺 |
| 铝 | 警报级别 |
| AMA | 主动管理区 |
| amsl | 高于平均海平面 |
| APP | 含水层保护许可证 |
| 应用程式 | 亚利桑那州公共服务 |
| AQL | 含水层质量限值 |
| A.R.S。 | 亚利桑那州修订法规 |
| ASCu | 酸溶性铜 |
| ASLD | 亚利桑那州土地局 |
| ASMIO | 亚利桑那州矿山督察办公室 |
| AZPDES | 亚利桑那州污染物排放消除系统 |
| BADCT | 最佳可得示范控制技术 |
| BIA/SCIP | 印度事务局/圣卡洛斯灌溉项目 |
| 卑诗省 | 布朗和考德威尔 |
| 是 | 生物评价 |
| bft3 | 十亿立方英尺 |
| BLM | 美国内政部、土地管理局 |
| cfm | 立方英尺每分钟 |
| CIM | 加拿大矿业、冶金和石油学会 |
| 第2节 | 导言 | 第4页 |
2.2缩略语-续
| 缩写 | 单位或任期 |
| 厘米 | 厘米 |
| 厘米2 | 平方厘米 |
| 厘米3 | 立方厘米 |
| 齿轮 | 边界品位 |
| crec | 核心恢复 |
| 铜 | 铜 |
| 迪亚。 | 直径 |
| EA | 环境评估 |
| EIS | 环境影响报表 |
| EMP | 环境管理计划 |
| 欧空局 | 濒危物种法 |
| 英足总 | 火药法 |
| famsl | 高于平均海平面英尺 |
| F | 华氏度 |
| FCP | 佛罗伦萨铜矿项目 |
| 英尺 | 脚(英尺) |
| 英尺2 | 平方英尺(英尺) |
| 英尺3 | 立方英尺(英尺) |
| 英尺3/st | 每短吨立方英尺(英尺) |
| g | 克 |
| 克/升 | 克每升 |
| g/st | 克每短吨 |
| G & A | 一般和行政 |
| gal | 加仑 |
| g-mol | 克摩尔 |
| gpm | 每分钟加仑 |
| 哈 | 公顷 |
| HDPE | 高密度聚乙烯 |
| 马力 | 马力 |
| HPTP | 历史财产处理计划 |
| 国际比较方案 | 电感耦合等离子体 |
| ID2 | 逆距离平方 |
| ID3 | 反距离立方体 |
| 第2节 | 导言 | 第5页 |
2.2缩略语-续
| 缩写 | 单位或任期 |
| IGFR | 祖传的灌溉权 |
| ILS | 中间浸出液 |
| 铁江现货 | 国内税收法 |
| 内部收益率 | 内部收益率 |
| ISCR | 原位铜回收 |
| 在 | 英寸 |
| 公斤 | 公斤 |
| 公里 | 公里 |
| 公里2 | 平方公里 |
| 克斯特 | 千短吨 |
| kst/d | 每日千短吨 |
| kst/y | 每年千短吨 |
| 千伏 | 千伏 |
| 千瓦 | 千瓦 |
| 千瓦时 | 千瓦时 |
| kWh/st | 每短吨千瓦时 |
| L | 升 |
| 升/秒 | 每秒升 |
| 磅 | 英镑 |
| LHD | 装卸车-自卸车 |
| LLDPE | 线型低密度聚乙烯塑料 |
| LoM | 矿山寿命 |
| M | 米 |
| 我。 | 百万年 |
| m2 | 平方米 |
| m3 | 立方米 |
| 马 | 百万年前 |
| 议员 | 矿物提取和冶金加工许可证 |
| 毫克/升 | 毫克/升 |
| 米 | 英里 |
| 米2 | 平方英里 |
| Mlb | 百万英镑 |
| 第2节 | 导言 | 第6页 |
2.2缩略语-续
| 缩写 | 单位或任期 |
| 毫米 | 毫米 |
| 毫米2 | 平方毫米 |
| 毫米3 | 立方毫米 |
| MOA | 协议备忘录 |
| MSHA | 矿山安全和健康管理局 |
| Mst | 百万短吨 |
| Mst/y | 每年百万短吨 |
| MVA | 兆伏安 |
| 兆瓦 | 百万瓦 |
| NAD83 | 1983年北美Datum |
| 新伙伴关系 | 1969年国家环境政策法(经修订) |
| 非政府组织 | 非政府组织 |
| 新人类住区规划署 | 国家历史保存法 |
| NI 43-101 | 国家文书43-101 |
| 净现值 | 净现值 |
| NRHP | 国家史迹名录 |
| PLS | 怀孕浸液 |
| PMF | 可能的最大洪水 |
| POC | 遵守点 |
| 便便 | 行动计划 |
| ppb | 十亿分之一 |
| ppm | 百万分之一 |
| PRT | 加压冲洗试验 |
| psi | 磅/平方英寸 |
| 光伏 | 毛孔体积 |
| 质量保证/质量控制 | 质量保证/质量控制 |
| QEMSCAN | 扫描电镜对Minerals的定量评价 |
| QP | 合资格人士 |
| RC | 反循环钻孔 |
| 反渗透 | 反渗透 |
| RQD | 岩石质量说明 |
| SCIDD | 圣卡洛斯灌溉排水区 |
| 美国证交会 | 美国证券交易委员会 |
| 第2节 | 导言 | 第7页 |
2.2缩略语-续
| 缩写 | 单位或任期 |
| 秒 | 第二 |
| SG | 比重 |
| SHPO | 国家历史保护干事 |
| SLT | 系列浸出测试 |
| SRK | SRK咨询(美国)公司。 |
| St | 短吨(2,000磅) |
| st/d | 每天短吨 |
| st/h | 每小时短吨 |
| st/y | 每年短吨 |
| SX/EW | 溶剂萃取(SX)/电积(EW) |
| t | 吨(公吨)(2,204.6磅) |
| TCLP | 毒性特性浸出程序 |
| TCu | 铜总量 |
| TSF | 尾矿储存设施 |
| TSP | 总悬浮颗粒物 |
| UF | 超滤 |
| UIC | 地下注入控制 |
| 美国环保署 | 美国环境保护局 |
| USFWS | 美国鱼类和野生动物管理局 |
| V | 伏特 |
| VFD | 变频驱动器 |
| W | 瓦 |
| XRD | X射线衍射 |
| 码2 | 方码 |
| 码3 | 立方码 |
| 年 | 年份 |
第3节
对其他专家的依赖
第3节:对其他专家的依赖
目 录
| 页 | |
| 3.1 对其他专家的依赖 | 1 |
| 第3节 | 对其他专家的依赖 | 第1页 |
3.1对其他专家的依赖
本节不适用于本报告。
第4节
物业描述及位置
第4节:财产说明和地点
目 录
| 页 | |
| 4.1 物业面积 | 1 |
| 4.2 物业位置 | 1 |
| 4.3 矿产保有权 | 1 |
| 4.4 版税和铜流 | 2 |
| 4.5 财产保有权 | 3 |
| 4.6 负债 | 4 |
| 4.7 所需许可证 | 9 |
表列表
| 表4-1:现有许可证清单----佛罗伦萨原位铜回收项目 | 10 |
| 第4节 | 属性描述和位置 | 第1页 |
4.1物业面积
FCP位于亚利桑那州皮纳尔县的佛罗伦萨镇。该财产包括地表和地下权利,面积约为1305英亩。持有的土地包括两个地块:1145英亩的费用简单所有权持有,亚利桑那州矿产租赁11-26500总计160英亩的亚利桑那州信托土地。
4.2物业位置
该物业位于佛罗伦萨市商业中心西北2.5英里处。网站地址是1575 West Hunt Highway,Florence,Arizona 85132。ISCR规划区的经纬度为北纬33 ° 02‘49“,西经111 ° 25’48”。
4.3矿产保有权
Taseko的间接全资子公司Florence Copper LLC(Florence Copper)拥有1,145英亩的收费简易产权,横跨Township 4 South,Range 9 East的26、27、28、33、34和35部分。
Florence Copper还持有Arizona State Trust Lands(第28条N ½ S ½)根据Arizona State Land Department Mineral Lease 11-26500(Lease)持有的160英亩土地的地表和矿产权。
租期为2013年12月13日至2033年12月12日,佛罗伦萨铜业公司有优先权利在此之后续租。租约要求承租人每年向亚利桑那州支付租金,并包括根据第4.4节概述的租约土地的生产支付的特许权使用费。租约授予Florence Copper在租约的空间和时限内开采铜、金、银和其他贵重矿物的权利。
资源区在第28条的S ½和第33条的N ½ N ½范围内占地260英亩,包括简易收费和租约所涵盖的土地。Florence Copper持有该资源区内的矿产权,对矿产权的深度没有限制,对开采这些矿产权的时间也没有限制,但须受时间限制和不时延长租约的优先权利的限制。
| 第4节 | 属性描述和位置 | 第2页 |
4.4特许权使用费和铜流
(a)亚利桑那州
包括在租约内的土地须缴纳应付给亚利桑那州的矿业权使用费。它包括所生产矿物总值的一个百分比,这个百分比不能低于2%,也不能超过8%。这两个限额之间的特许权使用费百分比是根据每月的“铜指数价格”计算的,该价格是每年根据过去60个月期间的每月铜价格和租约所涉土地的预计未来生产成本确定的浮动比额表。
(b)康菲石油公司。
适用于整个财产的3%“净收益”特许权使用费应支付给Continental Oil Company Inc.(Conoco)。这种版税低于支付给第三方的版税,但即使存在这种版税,产生的版税也不会低于“净收益”的2%。“净收益”的定义是设保人收到的“总值”减去这些矿物离开财产后设保人就这些矿物支付的所有费用。
(c)BHP铜业公司。
BHP铜业公司(BHP)应支付2.5%的“净利润利息”特许权使用费,适用于不包括在租赁范围内的土地在内的全部财产。“净利润”的定义是销售产品所得的净收益和收入加上保险收益、政府赠款和退税,减去所有勘探、开发和经营成本。
(d)三井物产(美国)公司。
根据一份日期为2022年12月19日的铜采购协议,Florence Copper有义务向Mitsui & Co(U.S.A.)Inc.(Mitsui)交付在Florence生产的2.67%的铜金属,以换取总计5000万美元的保证金,用于项目建设和持续支付相当于根据合同交付的铜市场价格25%的交货价格。
| 第4节 | 属性描述和位置 | 第3页 |
4.5财产保有权
Florence Copper拥有包括FCP在内的私有财产。私人财产属于佛罗伦萨镇的范围。Florence Copper还租赁了亚利桑那州160英亩的土地,其中包含了保护区内约40%的原地铜磅。亚利桑那州土地不受佛罗伦萨镇管辖。Florence Copper拥有费索姆和租赁土地的地表权。
历史上,佛罗伦萨镇曾支持在佛罗伦萨铜矿的私人土地上进行采矿作业或调查。然而,2003年,该物业当时的所有者同意允许佛罗伦萨镇吞并该物业,并将该土地划分为住宅、商业和工业的混合用途。在此过程中,所有者保留了该物业的采矿覆盖层,不受佛罗伦萨镇新区划的约束,并允许所有未来的所有者继续在该地块进行采矿作业。
Florence Copper每年为私人地块缴纳房产税,并每年向亚利桑那州土地局支付租赁费。
| 第4节 | 属性描述和位置 | 第4页 |
4.6环境负债
(a)导言
与康菲公司在1970年代、Magma Copper Company(Magma)和BHP在1990年代进行的历史采矿和勘探活动以及Florence Copper的PTF业务有关,FCP资产有一些有限的环境责任。这些债务发生在Florence Copper持有的私人土地以及亚利桑那州土地局(ASLD)管理的State Trust Land上。Florence Copper保留了三笔关闭债券:Temporary APP的65万美元,PTF UIC许可证的450万美元,以及Site Wide APP许可证的470万美元。这些担保债券也包括根据租约规定的表面再填海债券要求。一旦收到商业UIC许可证,将更新履约担保关系。
(b)油井和岩心废弃
正如第10节进一步说明的那样,由于以前的农业、勘探和试点规模采矿活动,在FCP地产上钻了许多岩心孔和井。APP和UIC许可证要求在开始注入之前,放弃活动ISCR 500英尺范围内的油井和岩心孔。根据APP和UIC的许可,位于超出最终井场足迹500英尺以上的井和岩心孔不需要废弃。商业井田范围内的现有岩心孔和井,但不属于商业井田的一部分,将在井田开发之前充分地逐步封堵和放弃,以保持符合许可证要求。此外,池塘或蓄水池半径150英尺范围内的所有岩心孔或井都需要废弃。由于商业ISCR井在作业期间耗尽,它们将被逐步冲洗和废弃,因此在关闭时,只有最后一组作业井仍有待废弃。
大部分历史性的岩心洞是在没有地面纪念碑或套管的情况下完成的。多年来,许多这些钻探地点的实际地点已变得模糊不清,特别是那些位于活跃农田的地点。美国环境保护局(USEPA)批准了一项弃核计划,该计划解决了与弃用历史钻探地点有关的不确定性,并对那些无法使用规定的勘测和地球物理定位方法定位的地点给予有条件的关闭。
完成油井和岩心孔废弃的费用包括在填海计划中,并以关闭担保债券作担保。
| 第4节 | 属性描述和位置 | 第5页 |
4.6环境负债-续
(c)历史上的采矿活动
20世纪70年代,康菲公司对FCP地产进行了有限的地下作业。这些作业的目的是在目前的佛罗伦萨铜业公司厂址管理大楼附近的一家试验工厂生产具有代表性的硫化物和氧化物材料,用于小规模测试。
作为有限采矿作业的一部分,康菲公司完成了该物业的两个垂直竖井。这些竖井包括一个直径72英寸的生产竖井和一个42英寸的通风和应急通道竖井。据报告,1974年12月至1975年12月期间进行了地下采矿,包括清除大约32000吨氧化物材料、17000吨硫化物材料和1500吨废石。
在停止地下采矿作业后,拆除和拆除了采矿设备和基础设施。进入竖井的通道通过围栏和镀钢罩子进行了适当的控制,但竖井本身并没有被永久废弃。地下矿场和矿井的关闭计划和费用将包括在UIC商业许可证中。
| 第4节 | 属性描述和位置 | 第6页 |
4.6环境负债-续
(d)试验性矿化材料加工活动
从1975年开始,康菲石油公司使用从地下作业中开采的硫化物和氧化物材料,在该地产上经营了一个中试规模的加工厂,为期约一年。该试验装置用于测试和优化各种浓缩和浸出工艺,使用了粉碎、研磨、浮选、大桶浸出、搅拌浸出和溶剂萃取/电积(SX/EW)等小规模单元操作的组合。
在处理氧化物材料时,康菲石油公司运行一条每天100吨的大桶浸出回路。该电路由十个地面混凝土浸出池和耐酸涂层组成。通过架空输送机将氧化物材料装入大桶,并使用各种浸出顺序进行处理。怀孕浸出液(PLS)通过地上管道转移到PLS储存罐,随后在位于工艺楼的SX/EW工厂进行处理。废氧化物经处理后用淡水三次漂洗,并就地扣押。康菲公司还测试了一种搅拌浸出工艺,用于处理这种氧化物。该回路由四个搅拌罐体组成,能够以每天6吨的速度处理。废氧化物经处理后用淡水冲洗,并就地封存。
硫化物材料在每天50吨的常规浮选回路中进行了测试。在分批浮选之后,浓缩过程的尾矿被浓缩并在现场扣押。氧化物和硫化物尾矿仍位于该矿区的一个小型蓄水池中。
(e)化学和卫生池
康菲石油公司的设施利用一个小池塘来处理处理处理过的卫生废物和未经处理的工艺废物,这些废物是从工艺大楼的试剂混合区抽出的。卫生废物在一个预制好氧消化池中处理,然后被泵送到卫生池。
(f)试验厂退役
在Magma收购该项目后,MP Environmental得到保留,让该试验厂退役。所有工艺液、试剂和工艺残留物都已从设施中清除,所有罐体和工艺单元都已彻底清洗。这些设备最终被从现场移走,在其他Magma设施重新使用,出售或在受管制的垃圾填埋场处置。
| 第4节 | 属性描述和位置 | 第7页 |
4.6环境负债-续
(g)农业影响
Florence Copper矿区包含几口大直径的水井,带有电动立轴泵。这些水井的建造通常是为了支持农业和畜牧业活动、住房和该地产的设施运营。这些油井中有几口已停止使用。如前所述,根据ADWR的规定,距离现行ISCR 500英尺范围内的油井将需要适当放弃。根据APP和UIC的许可,位于超出最终井田足迹500英尺以上的油井不需要废弃。由于这些油井不被视为FCP的一部分,废弃的费用没有在填海计划或相关的财务保证文书中得到处理。
(h)Magma-BHP试验设施
Magma-BHP试验设施包括一个小的注入井、回收井和观察井井田、一个蒸发池和一个与蒸发池相邻的小工艺罐区。这些设备被用于BHP在1997年和1998年进行的液压控制试验。试验进行了90天,向环境机构展示了液压控制,随后进行了几年的冲洗。亚利桑那州环境质量局(ADEQ)和美国环保署允许停止基于冲洗后水质样本的液压控制。虽然潜水泵已经从每口井中移走,以及连接油井和油罐区的管道,但试验设施尚未完全关闭,目前的状况与BHP终止水力控制试验时基本相同。这些设施的关闭和拆除由ADEQ和USEPA的财务保证机制负责。
| 第4节 | 属性描述和位置 | 第8页 |
4.6环境负债-续
(一)佛罗伦萨铜生产试验设施
Florence Copper PTF设施包括一个ISCR井田,包括四个注入井、九个采收井、七个观察井、四个多层采样井、一个SX/EW加工厂、一个蓄水池、径流池和相关基础设施。PTF的目的是验证地下饮用水水源(USDW)的水力控制和保护方法,并证明利用ISCR方法从Poston Butte矿体中回收可溶性铜的可行性。PTF在商业浸出条件下的运行于2018年12月至2020年6月期间完成。随后,PTF的SX/EW工厂继续运行,为期4个月的浸出减少期。到2020年10月底,SX/EW工厂关闭,PTF随后过渡到演示冲洗阶段,目前仍在进行中。应用程式编号重大修订的申请。分别于2019年6月12日和2019年10月4日提交了P-101704和工业联盟许可证,以将PTF纳入计划中的商业ISCR设施,并授权商业ISCR业务。这些设施的关闭和拆除由ADEQ和USEPA的财务保证机制负责。
| 第4节 | 属性描述和位置 | 第9页 |
4.7所需许可证
(a)导言
FCP需要几个环境许可证。Florence Copper已获得PTF所需的所有许可证。2020年12月8日,公司收到了ADEQ的商业APP,美国环保局的商业UIC许可证目前正在等待签发。目前的许可证清单列于表4-1。以下各节对每个许可证作了说明,包括法律授权、管辖机构、许可证的目的、许可证的期限、与现场有关的许可证的简要历史以及许可证的现状。
| 第4节 | 属性描述和位置 | 第10页 |
4.7所需许可证-续
(a)导言-续
表4-1:现有许可证清单----佛罗伦萨原位铜回收项目
| 许可证名称 | 管辖权 | 许可证状况 | 问题 日期 |
过期 日期 |
报告 |
| 含水层豁免编号。AZ396000001 | 美国环保署 | 当前 | 5/1/1997 | 不适用 | 不适用 |
| 地下注射管制许可证R9UIC-AZ3-FY11-1 | 美国环保署 | 当前 | 12/20/2016 | 2年运营 5年后关闭 |
季刊1 |
| 第101704号含水层保护许可证 | ADEQ | 当前 | 12/8/2020 | 运营寿命 | 年度和季度1 |
| 空气质量许可证编号。B31372.000 | PCAQCD | 当前 | 12/16/2021 | 12/15/2026 | 每半年和每年 |
| 2019年采矿雨水许可证 许可证号。AZMSG2019-002 |
ADEQ | 当前 | 5/15/2019 | 12/31/2024 | 半年 |
| 第59-562120号矿物提取及冶金加工地下水提取许可证 | ADWR | 当前 | 5/8/2017 | 5/8/2037 | 每年 |
| AZ国家矿产租赁11-26500 | ASLD | 当前 | 12/13/2013 | 12/12/2033 | 每月;每年 |
| 化粪池系统许可证 | ADEQ | 当前 | 10/12/2020 |
不适用 | 不适用 |
| 埋葬协议案件编号:2012-012 | AZ国立博物馆 | 当前 | 6/21/2012 | 不适用 | 不适用 |
| PTF历史保护协定备忘录(MOA) | 美国环保署 | 当前 | 10/16/2015 | 30天通知 | 每年 |
| EPA危险废物编号。AZD983481599 | 美国环保署 | 当前 | 4/4/2012 | 没有过期 | 每年 |
| 侵占许可证 | BIA/SCIP | 当前 | 7/2/2021 | 7/2/2026 | 不适用 |
| 北侧运河交叉口的通行权通行证(3) | BIA/SCIP | 当前 | 7/8/2021 | 没有过期 | 不适用 |
1信息以每日和每月报告格式汇编,并汇编成季度报告
| 第4节 | 属性描述和位置 | 第11页 |
4.7所需许可证-续
(b)含水层保护许可证(APP)
授权、代理、目的和期限
APP的法律授权是Arizona Revised Statutes(A.R.S.)§ 49-241。ADEQ是发放APP的授权机构。APP程序的目的是保护地下水的质量。个人APP在项目有效期内有效,并有临时停止和恢复运营的规定。Temporary Individual APP是为试点测试项目设计的,有效期为12个月,如果需要,可能会延长一次12个月。
历史
根据Sitewide APP No.的授权,建造了一个测试井场、一个小型渗滤液处理设施和一个双层蒸发池。1997年的P-101704。试验设施于一九九七年十月三十一日至一九九八年二月九日运作。实验区被冲洗至2004年9月1日。两个机构都批准停止测试用的液压控制,此后井场一直处于闲置状态。随后,没有进行与许可证有关的全址活动。
ADEQ临时APP号。P-106360授权PTF开展业务,并规定了在全站APP覆盖区域内的PTF实施的监测要求。该设施于2017年7月13日获得开展运营前活动的授权,PTF井田于2018年12月15日完工并开始运营。PTF在商业浸出条件下的运行持续到2020年6月,随后是为期4个月的浸出缓减期,PTF的SX/EW工厂继续运行。到2020年10月底,SX/EW工厂关闭,PTF随后过渡到演示冲洗阶段,目前仍在进行中。
现状
临时APP号。P-106360授权Florence Copper运营PTF,有效期至2020年12月14日。对Sitewide APP No.的重大修订。P-101704于2019年6月提交。Florence Copper于2020年12月8日收到ADEQ的商业APP,授权对PTF进行漂洗,并在该设施的整个生命周期内进行商业运营。排放设施和临时APP的其他相关要求已被纳入商业经营许可证,以及从经营PTF获得的相关信息。
| 第4节 | 属性描述和位置 | 第12页 |
4.7所需许可证-续
(c)地下注入和控制许可证(UIC)和含水层豁免
授权、代理、目的和期限
UIC项目的法律授权是《联邦安全饮用水法案》,42美国法典§ 300f等,40 CFR第144和146部分。USEPA是亚利桑那州颁发UIC许可证和含水层豁免的授权机构。UIC计划的目的之一是允许使用原位方法开采矿产资源,同时保护地下饮用水来源。UIC许可证在项目有效期内有效。
历史
USEPA颁发了含水层豁免和UIC许可证(UIC No。AZ396000001)于1997年5月1日转交给BHP。许可证和含水层豁免于2001年移交给Florence Copper Inc.。2010年8月5日,USEPA通知Curis Resources(Arizona)Inc.,由于自1997年颁发许可证以来时间过长,该公司正在启动对UIC许可证的“撤销和重新颁发”。USEPA颁发了UIC许可证编号。R9UIC-AZ3-FY11-1于2016年12月20日提交给Florence Copper Inc.,该公司纳入了1997年颁发的含水层豁免,只允许PTF运营。该设施于2017年7月13日获得开展业务前活动的授权。
现状
PTF井田于2018年12月15日开始作业。目前仍在进行的PTF漂洗阶段于2020年10月底开始。UIC的商业设施运营许可申请已于2019年8月提交给美国环保署。目前,美国环保局的商业UIC许可证正在等待签发。
| 第4节 | 属性描述和位置 | 第13页 |
4.7所需许可证-续
(d)空气质素许可证
授权、代理、目的和期限
空气质量许可证的法律授权是40 CFR部分60和61,以及A.R.S. § 49-471等。皮纳尔县空气质量控制区是亚利桑那州皮纳尔县颁发空气质量许可证的授权机构。空气质素许可证的目的是管制污染物的排放,以确保不会损害公众健康或导致环境严重恶化。
历史
最初的空气质量许可证是1996年12月16日颁发给BHP的。多年来,该许可证被转让给该项目的不同所有者,当2016年重新颁发给佛罗伦萨铜业公司时,它涵盖了PTF和商业运营。
现状
佛罗伦萨铜业公司在2021年及时提交了许可证更新申请,皮纳尔县空气质量控制区在2022年更新了许可证。许可证的有效期为五年。
| 第4节 | 属性描述和位置 | 第14页 |
4.7所需许可证-续
(e)采矿雨水许可证
授权、代理、目的和期限
该许可证规定了根据亚利桑那州污染物排放消除系统(AZPDES)计划进行排放的授权,符合《亚利桑那州修订法规》、第49章、第2章、第3.1条、《亚利桑那州行政法典》(A.A.C.)、第18章、第9章、第9和第11章第1条以及经修订的《清洁水法》(33 U.S.C. 1251等)的规定。根据亚利桑那州40 CFR 122.26(b)(14)的规定,通用许可证特别授权与第三类矿产工业场址有关的排放。采矿雨水许可证的有效期为5年。
历史
Magma于1992年12月31日获得多部门通用许可证(MSGP)(AZR00A224)。BHP于1999年1月26日收到MSGP(AZR05A795)。Florence Copper于2011年3月16日提交了MSGP覆盖范围的意向通知书(NOI)。ADEQ发出了一项解除授权的编号。2011年5月31日的AZMSG 2010-61741。
现状
采矿雨水许可证AZMSG2019-002于2019年5月15日由ADEQ发给Florence Copper,并于2020年1月1日生效。该许可证将于2024年12月31日到期,并授权在PTF和商业运营期间排放。
| 第4节 | 属性描述和位置 | 第15页 |
4.7所需许可证-续
(f)地下水取水许可证
授权、代理、目的和期限
地下水取水许可证的法律授权是A.R.S. § 45-514。亚利桑那州水资源局(ADWR)是亚利桑那州颁发地下水取水许可证的授权机构。地下水抽取计划的目的是量化和限制在活动管理区(AMA)内抽取地下水。FCP位于Pinal AMA内。Florence Copper的59-562120号地下水取水许可证有效期至2037年。
历史
编号59-562120的许可证最初是由ADWR于1997年6月26日发给BHP的,许可证随后被续签并转让给后来的所有者,最近于2010年5月31日发给U1 Resources。目前的许可证于2017年5月8日转让给Florence Copper,有效期为2037年5月8日。
现状
许可证编号59-562120是现行的,信誉良好。该许可证允许每年最多1778.10英亩-英尺用于矿物开采和加工,涵盖PTF和商业运营。
| 第4节 | 属性描述和位置 | 第16页 |
4.7所需许可证-续
(g)亚利桑那州矿产租赁
授权、代理、目的和期限
亚利桑那州矿产租赁的法律授权是A.R.S. § 37-281等。亚利桑那州土地局(Arizona State Land Department,简称ASLD)是监管州立信托土地上的矿产租赁的授权机构。亚利桑那州土地矿产管理计划的目的是规范州托管土地上的采矿/矿产活动。该计划要求每个申请不退还申请费,所有协议都要求收取租赁费。对所有回收的矿产品支付特许权使用费,还可能需要支付评估费或管理费。需要一个回收债券,实际债券金额基于操作类型和干扰程度。亚利桑那州矿产租赁(租赁)的期限为20年,要求提供复垦保证金、污染责任保险以及提交月度生产和年度状况报告。
历史
BHP的租约于1993年12月14日与亚利桑那州土地局签订,并于2001年12月5日转让给Florence Copper Inc.。租约于2010年2月24日转让给U1 Resources Inc.,承租人更名为Curis Resources(Arizona)Inc.于2010年7月27日得到确认。矿产租赁于2013年12月13日更名为Florence Copper。
现状
亚利桑那州矿产租赁许可证于2013年12月续签,有效期20年,于2033年12月12日到期。Florence Copper有优先权利在到期日或之前续期。租约要求在商业运营开始前提交更新的矿山运营计划和核准的复垦计划。Florence Copper于2021年10月提交了这些更新后的计划,目前正在等待发布更新后的租约以涵盖商业运营。
污染责任保险自2014年1月开始实施。UIC和APP许可证的担保债券涵盖租约下的表面回收债券要求。关于管理机构之间工作重复的问题,有几个《开采矿区复垦法规》。具体而言,A.R.S § § 27-902、27-903和27-932规定了机构间协议、活动协调以及谅解备忘录,以避免“重复、不一致或相互矛盾的填海、检查、行政、执法和财务保证要求”。
| 第4节 | 属性描述和位置 | 第17页 |
4.7所需许可证-续
(h)化粪池系统许可证
授权、代理、目的和期限
化粪池系统许可证的法律授权是亚利桑那州行政法规(A.A.C.)R18-9-A316。ADEQ是根据其APP计划颁发化粪池系统许可证的授权机构。化粪池系统许可证的目的是规范现场废水处理设施的建设,并授权向处理系统排放污水。新业主必须向ADEQ提交许可证转让通知。化粪池系统许可证在当前财产所有人的所有权期间有效。
历史
Florence Copper在财产所有权变更时申请了化粪池系统许可证。该检查于2010年3月9日进行,并得到ADEQ的批准。
现状
2020年10月,Florence Copper向ADEQ提交了对其化粪池系统的检查结果,并将该系统的所有权变更为Florence Copper。该许可证被ADEQ视为自2020年10月起生效,没有有效期,将涵盖商业运营。
| 第4节 | 属性描述和位置 | 第18页 |
4.7所需许可证-续
(i)《埋葬协议》(案件编号:2012至2012)
授权、代理、目的和期限
埋葬协议(案件编号:2012至2012)的法律授权是A.R.S. § 41-865和A.R.S. § 41-844。亚利桑那州立博物馆是规范埋葬协议的授权机构。《埋葬协定》的目的是规定在发现、处理和处置埃斯卡兰特遗址群部分遗骸的情况下的规定和程序,埃斯卡兰特遗址群是亚利桑那州柯立芝附近的一大批霍霍卡姆遗址,是采矿开发的结果。
历史
2012年4月起草了Florence Copper与Gila River Indian Community、Ak-Chin Indian Community、Salt River Pima-Maricopa Indian Community、Tohono O'odham Nation、Hopi Tribe和Arizona State Museum之间的埋葬协议。
现状
2012年6月签署了《埋葬协议》(案件编号:2012至2012)。该协议成为PTF历史财产处理计划(HPTP)和协议备忘录(MOA)的一部分。将获得一项新的埋葬协议,作为商业运作方案协议的一部分。
| 第4节 | 属性描述和位置 | 第19页 |
4.7所需许可证-续
(j)协定备忘录
授权、代理、目的和期限
根据《国家历史保存法》第106条(经修订和重新修订),54 U.S.C. § 300101及以下(NHPA)和该法规的历史财产保护实施条例,被确定为联邦项目的项目需要接受审查。
该法规最初被编纂为“第106条”,现在仍被引用为“第106条”,它要求联邦机构考虑到其活动和方案对列入国家史迹名录(NRHP)或被确定有资格列入国家史迹名录(统称“历史财产”)的文化资源的影响。历史遗产保护条例(36 CFR第800部分)规定了一个程序,供联邦机构与州历史保护官员(SHPO)、美洲原住民部落、其他有关方面和机构协商,并在他们选择参与时与历史保护咨询委员会(ACHP)协商,以确保历史遗产被视为联邦事业得到规划、许可和实施。
历史
由于Florence Copper为PTF申请并获得了UIC III类区域许可证,并且由于该项目将影响记录在案的历史财产,因此完成了第106条程序。拟订了一份协议备忘录(MOA),其中规定了将根据该协议开展的工作。在这些规定中,有一项要求是制定和实施一项历史财产处理计划(HPTP),以尽量减少或以其他方式减轻对历史财产的“不利影响”。MOA的签署方是美国环保局、亚利桑那州历史保护官员、美国环保局历史保护咨询委员会、亚利桑那州土地局和佛罗伦萨铜业公司。
现状
第一阶段的MOA日期为2015年10月16日,现已为PTF活动制定。目前正在进行第106节的程序,以处理待处理的联合工会许可证所涵盖的第二阶段商业设施业务。将在商业业务开始之前签署一项载有类似规定和签署方的方案协定。
| 第4节 | 属性描述和位置 | 第20页 |
4.7所需许可证-续
(k)USEPA危险废物
授权、代理、目的和期限
USEPA危险废物ID No.的法律授权。AZD983481599是40 CFR部分260。美国环保局是监管危险废物编号的授权机构。AZD983481599。USEPA危险废物计划的目的是监管商业企业以及产生、运输、处理、储存或处置危险废物的联邦、州和地方政府设施。美国环保署危险废物编号。AZD983481599没有过期。
历史
Florence Copper于2002年2月7日提交了一份更新的《受管制废物活动通知表》,以便在随后的USEPA ID No.通知下继续覆盖。AZD983481599。随后,Florence Copper Inc.于2012年4月4日提交了变更设施所有权的通知。
现状
Florence Copper有资格作为极小数量产生者或小数量产生者;因此,危险废物将被最小化,预计每月少于2200磅(45公斤)。美国环保署危险废物编号。AZD983481599现已到位,可用于该场址目前和今后的活动。
第5节
无障碍环境、气候、当地资源、基础设施和物理
第5节:无障碍环境、气候、当地资源,
基础设施和物理
目 录
| 页 | |
| 5.1 地形、海拔和植被 | 1 |
| 5.2 气候和运营季节长度 | 1 |
| 5.3 生理 | 1 |
| 5.4 获取财产 | 2 |
| 5.5 表面权利 | 4 |
| 5.6 地方资源和基础设施 | 5 |
数字列表
| 图5-1:区域位置图 | 3 |
| 第5节 | 无障碍环境、气候、当地资源 基础设施和地理学 |
第1页 |
5.1地形、海拔和植被
FCP的地形包括一个缓缓向南倾斜的冲积表面。场地海拔高于平均海平面(amsl)1,500英尺。大多数沙漠植物间隔很大,它们的叶子很小或没有。典型的索诺兰沙漠植被由矮树和灌木组成。虽然仙人掌、丝兰和龙舌兰在佛罗伦萨周边地区很常见,但项目地区的植被稀疏,主要由杂酚油灌木和零星的牧豆树组成。
5.2气候和运营季节长度
该地区的气候是典型的半干旱沙漠地区,降水少,夏季气温高,湿度低。降雨是季节性的,在冬季和夏季有高峰。夏季降水通常以强雷暴的形式出现,在当地被称为季风。从1909年到2022年,佛罗伦萨的年降水量(国家气象局在卡萨格兰德国家纪念碑收集的数据)从2021年的最低0.87英寸到1941年的最高19.2英寸不等。年平均降水量为7.4英寸,而年蒸发量为91.3英寸(西部区域气候中心在圣卡洛斯水库收集的数据)。夏季的温度经常超过华氏100度(华氏度)。在冬季,气温通常在50.8° F至79.0° F之间。气候机制支持全年的采矿作业。
5.3地理学
FCP位于亚利桑那州中南部、盆地索诺兰沙漠和山脉低地地理省。该地区的特点是大致呈西北走向的山脉,由相对平坦的山谷隔开,这些山谷充满了从邻近山脉脱落的沉积物。海拔在1,000至3,000英尺amsl之间。该地区的第三纪火山活动造成了间歇性的山间山谷高峰,如项目区以北的Poston Butte。
该地区的主要地表水特征是吉拉河,流域面积约为58000平方英里。这条河位于FCP矿床以南约半英里处。这条河在一年中的大部分时间里都是干涸的,并因地区降水事件而向东北至西南方向流动。柯立芝大坝位于佛罗伦萨东北约55英里处,控制着上游流域75%的径流。所有上游水流都被分流到项目区以南的Florence-Casa Grande运河和横贯项目区的Northside运河。
| 第5节 | 无障碍环境、气候、当地资源 基础设施和地理学 |
第2页 |
5.4获取财产
FCP距离图森和菲尼克斯大约等距(约65英里),这两个城市由10号州际公路(I-10)连接。入口距离10号州际公路或60号美国公路有14英里,从佛罗伦萨市中心可通过4英里的公路(AZ 79号公路和亨特公路)进入。图5-1显示了通往FCP站点的可用道路。
| 第5节 | 无障碍环境、气候、当地资源 基础设施和地理学 |
第3页 |
5.4财产使用权-续

图5-1:区域位置图
| 第5节 | 无障碍环境、气候、当地资源 基础设施和地理学 |
第4页 |
5.5表面权利
FCP包括两个毗连地块上总共1305英亩的土地。FCP土地的大部分面积为1,145英亩,由专利土地组成,这些土地以收费方式持有,授予Florence Copper对该地块的表面权利。FCP的第二块土地占地160英亩,位于Arizona State Trust Lands;根据租约,地表权由Florence Copper持有。
| 第5节 | 无障碍环境、气候、当地资源 基础设施和地理学 |
第5页 |
5.6当地资源和基础设施
(a)导言
支持勘探、开发和采矿的当地基础设施和供应商资源非常好。金属/非金属、煤炭、石油和天然气行业的勘探和开采服务公司分布在菲尼克斯和图森的主要都市地区,以及美国西南部的许多其他大城市。当地可用的资源和基础设施包括电力、水、通信、污水和废物处理、安全、铁路运输以及熟练和非熟练劳动力。
(b)现场运输
在现场,建筑物、设施和井田是,或将通过全天候等级公路和当地农场道路进入。在开始作业前,通往厂址的主要通道和商业厂址周围交通繁忙的区域将铺好或用芯片密封,以尽量减少扬尘。北侧运河(目前是一条无衬砌的开放通道)穿过井场,佛罗伦萨铜矿上现有的三个桥梁通道提供了穿过运河的通道。印度事务局/圣卡洛斯灌溉项目局(BIA/SCIP)为现有的运河过境点颁发了通行权许可证。BIA/SCIP还为穿过运河进行井田冲洗的HDPE管道颁发了侵占许可证。将更新这些许可证,以支持项目初期建设期间的改进。然而,随着井田南方电力部分的开发,穿越北侧运河将需要设备、车辆和输送管道,届时将需要进一步升级。目前正在评估各种改进办法,可能包括用管道将运河穿过井田,以改善项目区域内的进出,并帮助节约用水或改善现有的过境点。
(c)建筑物和附属设施
FCP场址设有行政办公楼、停车场、围栏放置场、维修仓库、储存库、核心储存区、饮用水系统和水箱。
PTF设施包括ISCR井田、SX/EW加工厂、办公室和实验室设施、蓄水池、径流池和相关基础设施。其他附属设施与BHP试点ISCR现场试验有关,包括罐区、5英亩双层聚乙烯蓄水池、双4英寸管道和一个井田。蓄水池和水槽农场被安全围栏围起来,进入该地区的通道被压碎,并由安全门控制。
| 第5节 | 无障碍环境、气候、当地资源 基础设施和地理学 |
第6页 |
5.6地方资源和基础设施-续
(d)通信和安保
项目现场提供固定电话、移动电话和互联网服务。
Florence Copper聘请了一家合同安保公司为FCP场地提供安保。合同安保公司在项目区域、建筑物和井场巡逻,以确保现场设施的安全。在全面商业运作期间,设施区域将通过安全围栏控制出入。主入口将配备一个门房和称重秤,每天24小时都有工作人员。
(e)铁路
物资将通过卡车运到和运出现场;然而,铜盆地铁路位于亨特公路以北,靠近FCP。铜盆铁路是一个联邦监管的短线铁路运输公司,与联合太平洋铁路和圣曼努埃尔亚利桑那铁路相互连接。在该物业以东不到一英里的地方,有一条现有的铁路装载侧线,可以考虑用来运输和接收产品和货物。
(f)供电
目前由亚利桑那州公共服务局(APS)直接向项目现场供电。如第18.3节所述,APS还将为商业业务提供电力。
(g)天然气
该项目将不需要天然气;但是,项目地区的天然气可从西南天然气公司通过一条现有的分输线获得,这条分输线从位于该物业东部不远处的终端点到位于FCP北部和西部的El Paso天然气高压输送线。
| 第5节 | 无障碍环境、气候、当地资源 基础设施和地理学 |
第7页 |
5.6地方资源和基础设施-续
(h)供水
为Florence Copper争取到的地下水权利足以满足运营用水的需要。该项目的范围包括工程和建造一个反渗透系统,以满足商业设施从过剩井场溶液中提取的工艺用水要求。
FCP位于Pinal主动管理区(AMA)内,由ADWR管理。在AMA范围内,土地所有者必须拥有地下水权利或ADWR的许可才能抽取地下水,除非该土地所有者正在从“豁免”井抽取地下水----定义为最大抽水能力为每分钟35加仑(gpm)的井。Florence Copper的地产上没有豁免油井。非豁免油井是指泵容量大于35gpm的油井。这种水井可用于市政、灌溉和工业用途。Florence Copper已获得ADWR的批准,可根据其矿物提取和冶金加工许可证(MEMP)建造和运营数十口工业油井。该许可证允许Florence Copper从2037年起每年提取1778英亩英尺(AFY)用于采矿相关活动。这些油井受ADWR、ADEQ和EPA监管。此外,Florence Copper可能会从其位于圣卡洛斯灌溉排水区(SCIDD)边界内的土地上的水井中提取至多800 AFY,用于采矿活动,然而,这将减少MEMP规定的可用地下水数量。
Florence Copper还拥有3,227.41 AFY的祖父灌溉权(IGFR)。根据IGFR规定抽取的地下水不得用于灌溉农业以外的任何目的。这些水权属于土地,不得与土地分割。在Florence Copper的地产上,大约有12口登记的灌溉井。最后,Florence Copper拥有的II类地下水权益分别为3.4 AFY和17 AFY,总权益为20.4 AFY。这些权利已被纳入Florence Copper的MEMP,但提供现场饮用水的水除外。
Florence Copper经营着一口泵容量为每分钟150克的油井,为其行政办公室服务。这口井的水处理系统在现场生产生活用饮用水。
| 第5节 | 无障碍环境、气候、当地资源 基础设施和地理学 |
第8页 |
5.6地方资源和基础设施-续
(一)废物处置
Florence Copper用于商业运营的ISCR活动将不会产生任何矿化废石或尾矿,因为这些计划中的未来运营活动将被扣押。矿化钻屑可能会从现场移到附近的堆浸作业,剩余的冲积单元钻屑将用于场地周围的路基和其他建筑活动。
在商业运营的最初几年里,在开始冲洗之前,一个小型中和厂将处理多余的液压控制流和工艺解决方案。经过处理的水将从衬砌的工艺溶液蓄水池中蒸发。
一旦开始冲洗,含有超滤和反渗透回路的水处理厂将开始运行。水处理厂将处理ISCR过程中产生的过剩溶液库存,以产生支持冲洗操作所需的水的质量和数量。与水处理厂产生的废物流一起冲洗所不需要的过剩溶液库存将被送往工艺蓄水池,用于随后的蒸发和长期固体储存。
目前的垃圾主要由办公室垃圾组成,这些垃圾被运到距离现场七英里的亚当斯维尔县垃圾填埋场。在预计的运营周期内,建筑和办公室垃圾将继续被收集并运送到一个异地垃圾填埋场。合同钻井公司和其他承包商将负责自己的垃圾清除。
其他物料,例如废机油、轮胎、电池、荧光灯和油性抹布,将与其他废物分开收集,并酌情送往回收设施或准许的废物处置设施。
(j)人力
亚利桑那州南部是一个与采矿有关的建筑、铜矿勘探、采矿、堆浸、原位浸出和冶金加工历史悠久的地区,长期提供供应商支助服务。这些活动的劳动力分布在附近的城镇,如佛罗伦萨、柯立芝、皇后溪、卡萨格兰德、阿帕奇枢纽、梅萨,以及亚利桑那州的菲尼克斯和图森等大都市地区。所有这些附近的城镇都能很容易地容纳工地活动所需的劳动力。
第6节
历史
第6节:历史
目 录
| 页 | |
| 6.1 导言 | 1 |
| 6.2 所有权 | 2 |
| 6.3 过去的勘探和开发 | 3 |
| 6.4 历史生产 | 5 |
| 第6节 | 历史 | 第1页 |
6.1导言
亚利桑那州南部的金属勘探、矿山开发、碾磨、冶炼和浸出(堆、倾倒、就地)历史悠久。该州的许多工厂都进行了铜的原位浸出,最引人注目的是,从1947年到2016年,BHP迈阿密公司间歇性地使用了铜。
FCP地区已知最早的勘探活动可以追溯到20世纪60年代初。FCP属性的历史记录将在以下章节中描述。
| 第6节 | 历史 | 第2页 |
6.2所有权
Florence Copper之前有四个所有者,他们的主要业务是勘探和采矿开发,包括Conoco、Magma、BHP和Curis。Resources(Arizona)Inc.(Curis)。
在BHP和Curis之间的几年里,该地产由几个主要业务不是勘探和采矿开发的当事方拥有。
1969年,康菲石油收购了覆盖FCP场地的土地。这些资产后来于1992年被Magma收购,并在1996年1月澳大利亚Broken Hill Proprietary Company Limited收购Magma后成为BHP的一部分。
2000年5月,BHP将构成佛罗伦萨铜矿的土地转让给了佛罗伦萨铜业公司。BHP的Florence Copper Inc.随后被出售给乔治亚州亚特兰大的Merrill Mining LLC,并于2001年12月生效。在2002年至2009年间,私人地产的所有权通过多家公司转移,包括Roadrunner Resorts LLC、WHM Merrill Ranch Investments LLC、人民银行和Merrill Ranch Properties。Arizona State Mineral Lease 11-26500的所有权仍由Florence Copper Inc.持有,该公司于2008年被Felix Hunt Highway LLC收购。
Curis于2009年12月购买了FCP场址约1182英亩私人土地部分的地表权和所有采矿权。2010年2月,Curis获得了亚利桑那州矿产租赁11-26500的转让,完成了形成FCP场地的土地所有权。
Curis Resources(Arizona)Inc.于2013年7月22日更名为Florence Copper Inc.,一家内华达州公司。Curis于2014年11月被Taseko Mines收购。在本报告以下部分,除非为澄清目的另有说明(例如,已发表的报告),否则通常将Curis称为Florence Copper。
2021年,Florence Copper与邻近的一家地产公司完成了一宗土地交易,新获得了一块45英亩的土地,以换取一块82英亩的Florence Copper土地,使目前的Florence Copper私人土地持有量达到1145英亩。
Florence Copper Inc.于2022年11月28日转为有限责任公司。Florence Copper Inc.和Florence Copper LLC(Florence Copper)是同一法律实体,这两个名称在本报告中交替使用。
| 第6节 | 历史 | 第3页 |
6.3过去的勘探和开发
在Florence Copper地区已知最早的勘探活动是由ASARCO进行的。20世纪60年代初,ASARCO在佛罗伦萨铜矿东北方向的Poston Butte附近收购了一块土地。ASARCO在Poston Butte以西钻了三个勘探孔,这些钻孔没有与大量矿化相交,ASARCO持有的大部分土地租约和许可证随后被放弃。
1969年,康菲石油公司的区域勘测使他们的地质学家评估了佛罗伦萨铜矿地区的潜在铜矿化。在签署了土地选择权(ASARCO保留了矿藏以西的一小块租约)后,康菲石油公司于1970年3月开始在该地产上钻探。第一个钻孔位于Poston Butte的西南侧翼,发现了氧化物/硅酸盐铜和表生富铜矿化。康菲石油公司继续他们的钻探计划,并最终确定该地区有足够的矿化,因此有必要进行系统的多孔勘探计划和工程研究,以评估该地产的经济可行性。
当时,康菲石油公司设想在亨特公路以北建造一个大型露天铜矿,拥有废石和尾矿设施。康菲石油公司界定矿产系统和项目的工作包括广泛的勘探和界定钻探以及开发一个试点矿山、建设和运营一个试点加工厂、初步设计商业加工设施以及评估项目可行性所需的各种其他研究。
1969年至1975年间,康菲石油公司的地质学家在波斯顿比尤特西南偏南的地方划定了一个广泛的斑岩铜系统。根据在659个钻孔中进行的605857英尺的勘探和开发钻探,进行了划定。钻探计划包括396个旋转式岩心钻孔和263个仅旋转式钻孔。大约一半的钻孔钻进了矿藏的主要部分,其余的钻孔钻进了周边地区,主要是为了进行现场谴责。
1974年,康菲石油公司击沉了两个竖井,并开始从800级(即800英尺amsl)的一个单层地下矿井开采约50,000吨矿化材料,该矿井的目的是收集冶金样品和测试地质参数。矿井包括1英里的漂移和两个垂直竖井,用于通风和将材料吊到地面。回收材料的冶金测试是利用在该地产上建造的一个试验性加工厂进行的。地下工程完成后,康菲公司拆除了竖井基础设施,并用钢板固定了洞口。这座前试点矿井目前被淹至地表以下280英尺(1196英尺amsl)。
| 第6节 | 历史 | 第4页 |
6.3过去的勘探和开发-续
开发钻探于1975年停止,项目进入休眠状态。在他们任职期间,康菲石油公司投资2700万美元用于项目研究、钻探、工程设计和试点加工厂以及试点地下矿井的建设。
从1975年到1992年7月,Magma从Conoco手中收购了这处房产,这处房产一直处于闲置状态。Magma公司于1993年1月启动了一项预可行性研究,以核实以前的工作,并确定从该矿床中提取铜的最有效技术。作为这项研究的一部分,又钻了37个孔。在这些额外的钻探中:钻了23个孔,以核实康菲石油公司数据的准确性或一致性;钻了12个孔,以评估材料特性(泵送试验);钻了两个大直径(6英寸)孔,以获得用于冶金试验的大量样品。
预可行性研究的重点是确定开发矿床氧化物部分的最适当的采矿方法。评价方法为:(1)露天采矿,然后是堆浸和SX/EW;(2)ISCR,然后是SX/EW。
预可行性研究已于1995年1月完成,增加了30个新的岩心孔和12个泵井和观察井。从铜资源建模、冶金试验、材料性质试验和财务分析等方面的结果支持了以下结论:应用原位回收和SX/EW生产阴极铜是开发佛罗伦萨矿床的首选方法。岩性、矿物学和构造特征都有利于溶液开采,因为母岩的耗酸潜力低,沿裂缝和泥状长石中存在酸溶性金藻,以及岩石在饱和条件下的强烈压裂,使得溶液可以通过利用差别泵速迁移和回收。该研究报告建议进行一项可行性研究,提供资源和储量估计、许可、详细的现场矿山设计以及能够将项目推进到施工阶段的设施工程。此后不久,Magma开始了该项目可行性研究的工作。
1996年1月,澳大利亚Broken Hill Proprietary Company Limited收购了Magma公司,创建了BHP。关于可行性研究的工作在收购过程中继续进行。截至1997年5月31日,研究工作已完成了112个新钻孔的钻探工作,其中包括45个用于资源估算和冶金测试的岩心孔,以及在矿床及周围地区钻出的67个钻孔,作为地下水抽水、观测和监测井。钻探这些井是为了提供含水层保护许可证(APP)申请的水文数据,并在数值地下水流动模型中描述含水层的特征。
| 第6节 | 历史 | 第5页 |
6.3过去的勘探和开发-续
1998年,BHP进行了为期90天的现场优化ISCR测试,以收集铜回收率和其他技术数据,为最终的可行性研究提供依据。现场测试的结果证实,生产井可以有效地安装到矿化带中,注入工艺溶液的水力控制可以记录和保持,ISCR方法是首选方法。在BHP完成现场测试后,由于一段时期的低金属价格,该项目被搁置。然而,代表BHP和先前的Magma进行的工作证明了矿体的断裂性质,其规模使矿体在水力上表现为等效的多孔介质。
2010年,Florence Copper完成了对目前FCP土地的收购。2011年,在该矿床的两个代表性区域进行了由六个PQ直径金刚石钻孔组成的钻探计划。这次钻探被用来证实以前的历史钻探结果,并为冶金测试工作提供有代表性的样品。在这个项目中,除了一个钻孔之外,所有的钻孔都有一个额外的HQ直径的岩芯,作为从原来的钻孔中钻出来的楔子。
6.4历史生产
在历史上,FCP矿场从未进行过商业规模的铜生产。在Conoco公司任期(大桶浸出)和BHP任期(ISCR)期间,以前的铜生产仅用于冶金回收测试。
第7节
地理定位和矿化
第7节:地理定位和矿化
目 录
| 页 | |
| 7.1 地质背景和矿化 | 1 |
| 7.2 区域地质学 | 2 |
| 7.3 地方地质学 | 5 |
| 7.4 矿化和蚀变 | 12 |
| 7.5 PTF地质、矿化和蚀变 | 16 |
表列表
| 表7-1:地质和水文地质单位相关性 | 11 |
数字列表
| 图7-1:区域地质图 | 4 |
| 图7-2:海平面以上600英尺的地质平面图 | 6 |
| 图7-3:东西横截面744916.83N向北看(原744870N) | 7 |
| 图7-4:南北截面-849189.09E东望(原649500E) | 8 |
| 图7-5:Florence Copper钻芯显示花岗闪长岩与蓝绿色金孔岩取代粘土蚀变长石并呈矿脉形成 | 14 |
| 图7-6:PTF横截面C-C '在746146.8N向北看 | 17 |
| 图7-7:PTF截面D-D ' at 847689.E Looking East | 18 |
| 第7节 | 地质背景和矿化 | 第1页 |
7.1地质背景和矿化
该部分介绍了区域、局部、性质的地质、构造、矿化和矿化。
| 第7节 | 地质背景和矿化 | 第2页 |
7.2区域地质学
Mazatzal造山运动是一个发生在大约17亿年前亚利桑那州中部至东南部的挤压变形事件,它在北美克拉通上增加了三个构造组合,形成了早前寒武纪地壳。其中一个构造组合是Pinal片岩,它形成了项目地区周围区域的基底岩石。
皮纳尔片岩在14亿年前被地区性的甲骨文花岗岩岩基侵入,其局部表现为石英二长斑岩。随后的大峡谷扰动导致地壳隆起和倾斜,并伴随着辉绿岩基台和堤防在甲骨文花岗岩和皮纳尔片岩中的广泛侵入。由于前寒武纪晚期和古生代早期的区域应力作用,包括FCP地区在内的西部大陆地壳形成了东北向东走向的构造线条。从古生界到早白垩世的区域地层学显示了一段长时期的河流到浅海沉积。
直到白垩纪后期,亚利桑那州才再次出现明显的造山活动。拉拉米德造山运动发生于晚白垩世至早第三纪,涉及亚利桑那州南部的区域尺度逆冲断层和褶皱。正常断层的重新激活产生了大的东北走向的垂直区块隆起,与亚利桑那州西部和南部分散的岩体的就位有关。侵入体,主要是花岗闪长斑岩和石英二长斑岩,发生在亚利桑那州南部;与其中一些侵入体(如Ray、San Manuel、Sacaton和Globe-Miami)相关的热液矿化导致了斑岩铜矿床的形成。佛罗伦萨铜矿就是在前寒武纪甲骨花岗岩被第三系花岗闪长岩斑岩侵扰成矿的过程中形成的。在佛罗伦萨矿床形成后,由拉蒂岩、英安岩、安山岩、石英拉蒂岩和玄武岩组成的未矿化岩脉侵入了甲骨文花岗岩和花岗闪长岩。
持续的Laramide活动产生了断层和隆起,导致古生代和中生代沉积层序的侵蚀和前寒武纪和第三纪侵入体的暴露,造成了目前基底岩石的穿流平原景观。在这些表面发生氧化和进一步侵蚀,随后从周围的基岩地形中积累了粗碎屑沉积物。这一沉积序列最终形成了一个相对地貌较低的地貌,暴露了一些前寒武纪和第三纪的露头。该地区大部分铜矿化发生在石英二长斑岩和花岗闪长斑岩内。
| 第7节 | 地质背景和矿化 | 第3页 |
7.2区域地质----续
随着隆起表面开始侵蚀,在渐新世至早中新世期间,在前寒武纪单元上沉积了盆地-填充物沉积序列。这些沉积物由深风化的基岩或grus型沉积物以及粗糙的角砾岩或砾石组成。随着地形的成熟,沉积物变得更细。基底角砾岩/砾岩通常被较细的泥沙和砂层覆盖,局部与熔岩流或火山灰互层。冲积、河流和湖泊(湖床和普拉亚)沉积物在此期间在亚利桑那州东南部积累。
最后一次影响该地区的主要造山活动是盆地和山脉造山活动,这是一个发生于早中新世至更新世的伸展活动。FCP区盆地和山脉的断裂和倾斜,形成了以西向大位移的正常断层为界的西北向北走向的地壳和地堑构造。弗洛伦斯矿床位于东、西被地堑包围的地垒区块。Party Line断层是该矿床东侧的一个主要正常断层,向西偏北35度,向西南倾斜45至55度。该断层的垂直位移超过1,000英尺,在党线断层以西有向北至西北走向的接近平行的正常断层。
Sidewinder断层位于项目区西侧附近,估计位移超过1200英尺。这一断层代表着东面南北走向的正常断层复合体的延续。南北向的断层系统已将地壳的南端推倒约1,500英尺。在Sidewinder断层以东的其他平行、北向到西北走向的正常断层在FCP区域以东产生一个地堑。地堑向北向西北延伸,延伸约5英里或更远。
后盆地和山脉盆地填充物沉积在基岩表面。沉积物由未固结到中等程度固结的互层粘土、淤泥、沙子和碎石组成,其比例和厚度各不相同。玄武岩流在该矿床的西部和西北部互层。FCP区域附近盆地填充物的总厚度从300英尺到900英尺以上不等,在该矿床西南1.5英里处超过2000英尺。图7-1提供了一张区域地质图。
| 第7节 | 地质背景和矿化 | 第4页 |
7.2区域地质----续

活跃和不活跃的斑岩铜矿和开发项目(红色)叠加在《亚利桑那州地质地图》上,亚利桑那州地质调查局,2000年,可在线查阅。
图7-1:区域地质图
| 第7节 | 地质背景和矿化 | 第5页 |
7.3当地地质
(a)导言
佛罗伦萨斑岩铜矿床是由拉拉米德时代花岗闪长岩斑岩岩群侵入Poston Butte附近的前寒武纪石英二长岩时形成的(见图7-2中的平面图和图7-3和图7-4中的剖面)。堤群在深处受到了更大的侵入性物质的滋养。花岗闪长岩以脉冲形式侵入,由康菲石油公司根据矿物成分和质地的差异将其分为三类(I、II和III类)。类型I是最庞大的。与侵入性堤防有关的热液溶液改变了主岩,并在散布和细脉中沉积了硫化铜和铁矿物。沿堤群和侵入体边缘和侧翼的热液蚀变和铜矿化最为强烈。
该地区后来出现断层,佛罗伦萨矿床的大部分被孤立为地垒块。这一地块,以及西面的下陷断块,都暴露在风化和侵蚀之下。该矿床的中心最终被侵蚀到一个平缓起伏的地形面,同时在西面形成了一个深盆地。
该矿床的风化作用导致硫化铜矿物被氧化,并转化为金孔铜、铁橄榄石、辉铜矿以及少量的天然铜和赤铜矿。大部分氧化铜矿化位于断裂面上,但黄铜和含铜粘土矿物也取代了花岗闪长岩斑岩和石英二长岩内部的长石矿物。一个贫瘠或非常低品位的地带,以铁和锰氧化物/硅酸盐和粘土矿物为主,覆盖基岩顶部的某些部分。这种矿化是亚利桑那州大多数斑岩铜矿床的典型特征。氧化区的厚度为100至1000英尺,平均厚度为400英尺。
| 第7节 | 地质背景和矿化 | 第6页 |
7.3当地地质----续
(a)导言-续

图7-2:海平面以上600英尺的地质平面图
| 第7节 | 地质背景和矿化 | 第7页 |
7.3当地地质----续
(a)导言-续

图7-3:东西横截面744916.83N向北看(原744870N)
| 第7节 | 地质背景和矿化 | 第8页 |
7.3当地地质----续
(a)导言-续

图7-4:南北截面-849189.09E东望(原649500E)
| 第7节 | 地质背景和矿化 | 第9页 |
7.3当地地质----续
(b)Structure
影响佛罗伦萨矿床的最古老的构造趋势是从地下试验矿的测绘中发现的一组北纬70度向东的不连续性。在佛罗伦萨,I型和III型花岗闪长岩侵入体都呈东北偏东方向拉长,如图7-2中的平面图所示。西北走向的梯次前寒武纪辉绿岩岩脉提示共轭结构方向。
佛罗伦萨地区最明显的构造与后拉拉米德盆地和山脉断层有关。这些矿化后断层是Party Line和Sidewinder断层以及相关的亚平行断层(图7-2至图7-4)。党线断层是一个50至100英尺宽的断裂带,向西偏北34度,向西倾斜45至50度,垂直位移为800至1000英尺。Party Line断层位于矿床东部,走向长度超过3,600英尺。党线断层是矿床东侧经济上可开采的氧化铜矿化的主要控制点,断层东侧的下盘不经济上可开采。与Party Line断层有关的是一系列向北至西北偏北方向移动的正常断层,这些断层使矿床向西移动超过1200英尺(图7-2)。
Sidewinder断层也可以在地下几千英尺的地方找到,它位于该矿床的西部边缘附近。中央矿床地区的位移达到最大1200英尺,矿床以南的位移增加到最大1500英尺。沿相关断裂带的偏移量约为250英尺;上壁已严重断裂。Sidewinder断层形成了一个薄弱构造带,促进了矿床内一个西北偏北走向的古山谷的发展,该矿床深达200英尺,在2500英尺的走向长度上被追踪到。在党线和响尾蛇断层之间,还出现了其他几条西北偏北走向的断层。在Sidewinder断层的上壁至少发现了两个断层结构,非正式地命名为Thrasher和Rattlesnake断层。这些断层主要是由磨碎的、旋转的角砾岩碎片的存在来识别的;在许多断层表面都发现了粘土泥浆,但其丰度远低于角砾岩的体积。
对钻芯的统计分析表明,在未固结材料下面的裂隙氧化带中,平均每英尺有11至15处开放裂缝。硫化物区位于氧化物区之下,渗透性明显较差,平均每英尺有6至10处封闭裂缝。
| 第7节 | 地质背景和矿化 | 第10页 |
7.3当地地质----续
(c)水文地质
水文地质顾问向FCP和以前的业主提供了关于区域和地方地表水和地下水系统水文地质的广泛总结,以支持业务和许可活动。该地区的主要地表水特征是位于项目以南约1/2英里处的吉拉河。由于上游改道,吉拉河总体上是干涸的,只有短暂和强烈的季节性降雨造成的流量除外。两条流域排水渠(东排水渠及西排水渠)横贯物业及管理区。这两个阿罗约河只向吉拉河排放了短暂的水流。因此,河水渗入上游盆地-填充物沉积物的时间仅限于短暂流动的时期。
区域地下水梯度是从沿吉拉河的补给区向西北偏北流向盐河流域。从历史上看,区域地下水的抽取主要与农业用途和盆地填埋层的利用有关。虽然在附近的农业社区测量了与地下水抽取有关的地面沉降和相关的土地裂缝,但在1970年代至1990年代进行的调查表明,佛罗伦萨地区的地面沉降可以忽略不计。在佛罗伦萨地区或项目地点没有发现有记录的土地裂缝。
项目地区的饱和地层被认为是连续的,包括基岩和沉积地层。在当地,饱和地层被划分为含水水文地质单元,这些单元与项目地区确定的地质单元相关。水力特性、水泵试验和水质数据证实,含水单元之间存在延迟的垂直通信。
该矿床周围约400英尺的冲积和未固结盆地充填砾岩材料已被局部和非正式地划分为五个地质单元,如图7-3和7-4所示,包括:
| 第7节 | 地质背景和矿化 | 第11页 |
7.3当地地质----续
(c)水文地质学-续
这些砾岩单元在年代上属于第三纪,类似于亚利桑那州南部描述的厚盆地填充层。现场地质学家主要根据钻探者测井记录的随着深度增加而出现的硬结程度以及从地理图谱中观察到的钻井率变化来划定砾岩单元。
第四纪冲积层是一个一般不饱和的单元,厚度为40至60英尺;在当地冲洗区和阿罗约斯区的冲积沉积物中可能会注意到短暂的季节性雨洪流动。上部松散集合层是该地区地下水的主要来源,主要用于灌溉,并延伸至地表以下60至80英尺。上部水泥矿体约有80英尺厚,在地表以下180至260英尺之间。粘土层的厚度约为20至40英尺,在地表以下260至300英尺之间始终可见;粘土层的底面在大部分沉积区域的基岩顶部上方50至125英尺。下水泥砾岩的厚度从70英尺到400英尺不等,由弱到中度水泥砾岩组成。
所确定的地质单元和为FCP建模的水文地质单元之间一般是一对一的对应关系,但两个上综合单元除外,这两个单元由于其相似的水文特性而合并为一个水文地质单元。表7-1显示了五个岩性单元与四个水文地质单元的相关性。
表7-1:地质和水文地质单位相关性
| 地质股 | 水文地质 单位 |
说明 |
| 第四纪冲积层 | 冲积层 | 近期粗粒、高渗透性、未固结沉积物 |
| 上松散企业集团 | 上盆地-填充单元 | 横向均匀、粗粒、透水、不固结、沉积物和基质支撑的砾岩。砾岩基质在深部以钙质基质水泥粘结较多。 |
| 上胶结体 | ||
| 粘土 | 中细粒度单位 | 具有极低渗透性的横向广泛、细粒、钙质粉砂/粘土单元 |
| 下水泥企业集团 | 下部盆地填充单元 | 沿边广泛,粗粒至细粒,不固结的砾岩,随着深度的增加,硬度增加,渗透率下降。 |
| 第7节 | 地质背景和矿化 | 第12页 |
7.4矿化和蚀变
(a)矿化区
矿化带包括一个富铁的浸出盖层、一个氧化带和一个下伏的硫化带。在大多数情况下,从硅酸铜和氧化物到硫化物区的过渡是相当突然的。大部分氧化铜矿化位于断裂面上,但黄铜和含铜粘土矿物也取代了花岗闪长岩斑岩和石英二长岩中的长石矿物。一种贫瘠或极低品位的带,以氧化铁和粘土矿物为主,覆盖基岩顶部的某些部分,尤其是在西部地区。该矿床东部外围的矿化是典型的大多数亚利桑那斑岩铜矿床。氧化区的厚度从40英尺到1000英尺不等,平均厚度为400英尺。氧化带的顶部开始于基岩表面或其附近,基岩表面是400-425英尺的冲积和盆地填充物的底部。计划中矿化的横向范围是东西方向大约3500英尺,南北方向从1500英尺到3000英尺以上。
| 第7节 | 地质背景和矿化 | 第13页 |
7.4矿化和蚀变-续
(b)矿化的类型、特征和分布
主要的矿化类型是含有下伏硫化物的氧化物,通常由部分氧化的表生硫化物的薄过渡带分离。下伏的次生硫化物带由于其深度、低渗透性和相对不溶的矿物学特征,不利于ISCR方法的开发。
氧化带的矿化包括金孔石、“铜瓦”、铁橄榄石、赤铜矿、天然铜、微量蓝铜矿和碎石矿(见图7-5)。氧化铜在矿脉和裂缝填充物中以金珊瑚的形式出现,而其余的在裂缝填充物和前斜长石部位以含铜粘土的形式出现。佛罗伦萨矿床内的裂缝控制矿物学表明,铜并未吸附在粘土表面,而是存在于粘土的八面体部位。“铜团”似乎是锰、铁和氧化铜的非晶态混合物,以枝晶、斑点和不规则涂层的形式出现在断裂面上。赤铜矿出现在沿针铁矿/赤铁矿涂层断口表面局部涂抹的地方;赤铜矿的辉绿铁矿品种也出现在断口或孔洞上,有时与天然铜晶体共生。
主要的次生硫化物矿物是黄铜矿、黄铁矿和辉钼矿,还有少量的辉铜矿和铜绿铁矿。表生辉铜矿覆盖黄铁矿和黄铜矿,粉尘破坏表面。表生辉铜矿覆盖层非常薄且不规则(零到50英尺),经常被部分氧化。在大多数情况下,从硅酸铜和氧化物到硫化物区的过渡是相当突然的。
一般来说,氧化物矿化的品位与原生硫化物矿化非常相似。氧化物和硫化物矿化的总品位分别约为0.36% TCu和0.27% TCu。
| 第7节 | 地质背景和矿化 | 第14页 |
7.4矿化和蚀变-续
(b)矿化的类型、特征和分布-续

图7-5:Florence Copper钻芯显示花岗闪长岩与蓝绿色金孔岩取代粘土蚀变长石并呈矿脉形成
| 第7节 | 地质背景和矿化 | 第15页 |
7.4矿化和蚀变-续
(c)改建
热液蚀变伴随着第三系花岗闪长岩斑岩储层和岩堤的侵入和冷却进入前寒武纪石英二长岩。花岗闪长岩斑岩中的蚀变主要是由细脉控制的,而石英二长岩中的蚀变则包括所有三种类型:普遍的、选择性的普遍的和由细脉控制的。钾蚀变(石英-正长石-黑云母-绢云母)是主要的蚀变组合。Salmon-colored,次级正长石取代了初级正长石斑晶,边缘石英±黑云母矿脉,并以普遍的正长石泛滥的形式出现。碎屑、次生棕色黑云母取代斜长石和基质长石,出现在黑云母-硫化物细脉中。
钾带周围有绢云母(石英-绢云母-黄铁矿)蚀变带,在硫化物矿化的深部尤为明显。细粒绢云母选择性取代斜长石、正长石、黑云母,沿石英±硫化脉形成薄的蚀变边缘。Propylitic(方解石-绿泥石-绿帘石)蚀变在镁铁质岩脉中可见,在矿床边缘的勘探孔中也有报道。
氧化物矿化物区最显著的特征是由蒙脱石-高岭石±伊利石±埃洛石组成的晚期泥质蚀变组合。斜长石斑晶和沿断裂面的绢云母向粘土矿物的转化具有选择性的普遍性。X射线衍射分析表明粘土主要是钙-蒙脱石和高岭石的混合物。这些粘土蚀变斜长石位点是天然原位浸出产生的再生铜的有利位点。
| 第7节 | 地质背景和矿化 | 第16页 |
7.5 PTF地质、矿化和蚀变
PTF位于弗洛伦斯矿床的西北部,位于Sidewinder断层的上壁,如图7-2所示。该地区是典型的当地矿床地质(包括蚀变和矿化类型),FCP在2011年钻探了5个孔径为Conoco和Magma HQ的岩心钻孔,两组PQ和HQ直径的岩心钻孔对,以及FCP在2017年和2018年钻探了24个旋转/反循环钻孔。PTF中点的东西剖面和南北剖面分别见图7-6和图7-7。第三系花岗闪长岩岩脉侵入前寒武纪石英二长岩,具有前寒武纪辉绿岩和成矿后第三系安山岩薄而散的岩脉。由于PTF位于矿床的外围,第三系花岗闪长岩斑岩相对于主岩的比例(约为10%)大大低于中部。
南北走向45度西倾的响尾蛇断层是PTF地区的主导构造。该断层是一个地区性特征,其特征是破碎、破碎和氧化的岩石,形成一个大约50至150英尺厚的区域。2018年PTF井场钻孔的目标深度为地表以下1225英尺。
| 第7节 | 地质背景和矿化 | 第17页 |
7.5 PTF地质、矿化和蚀变-续

图7-6:PTF横截面C-C '在746146.8N向北看
| 第7节 | 地质背景和矿化 | 第18页 |
7.5 PTF地质、矿化和蚀变-续

图7-7:PTF截面D-D ' at 847689.E Looking East
第8节
存款类型
第8节:存款类型
目 录
| 页 | |
| 8.1 存款类型 | 1 |
| 第8节 | 存款类型 | 第1页 |
8.1存款类型
FCP矿址的矿床类型是Laramide时代的斑岩铜矿床,由一大块硫化铜矿化岩芯构成,位于氧化铜矿化带的下方。该矿床的中心部分覆盖着约400英尺的平坦砾岩和冲积层,其中含有细粒的淤泥和粘土夹层(见图7-3)。氧化物区和硫化物区由厚度从0到55英尺的混合氧化物-表生硫化物过渡区相互分隔。由于硫化物带的深度和品位,目前用常规采矿方法开采不经济。岩石的不渗透性和硫化带的不溶性矿化使得ISCR方法不经济。
大约71%的氧化物矿化为前寒武纪石英二长岩,26%为第三纪花岗闪长岩斑岩。与该矿床有关的其余火成岩是前寒武纪辉绿岩和第三纪安山岩、拉蒂岩、英安岩、玄武岩和细长岩。该矿床位于构造地垒块内,东、西以地堑为界,受北向西北走向的正常断层控制。
该矿床是典型的美国西南部斑岩铜矿类型。美国地质调查局对佛罗伦萨矿床斑岩铜矿化的分类是模式21a(斑岩Cu-Mo)。这种模式类型被描述为斑状侵入体中或附近的石英、黄铜矿和辉钼矿的网状细脉,其岩石类型为斑状云母岩到二长花岗岩储层和角砾岩管,侵入到岩基岩、火山岩或沉积岩中。典型矿物学由黄铜矿、黄铁矿和辉钼矿组成,周边矿脉或以黄铜矿、闪锌矿、方铅矿和金为替代矿床,最外层矿脉为铜银锡硫化物、重晶石和金。典型的蚀变包括石英、钾长石、黑云母、绿泥石和硬石膏(钾蚀变),这些蚀变向外逐渐转变为青石质蚀变。晚白云母和粘土(叶状)蚀变可能形成盖层或外带,或可能影响整个矿床。
第9节
探索
第9节:探索
目 录
| 页 | |
| 9.1 探索 | 1 |
| 9.2 调查及调查 | 2 |
| 9.3 释义 | 3 |
| 第9节 | 探索 | 第1页 |
9.1勘探
Florence Copper的前所有者进行了大量勘探工作,包括钻探(勘探、评估、谴责、岩土和环境)、地下矿山开发、地球物理调查和矿物学研究。Curis(现在的佛罗伦萨铜业公司)在2011年进行了一次旋转岩心钻探计划,以确认资源并获取冶金测试样品。Florence Copper最近于2018年完成了一项旋转钻井和油井安装计划,以开发PTF井田。佛罗伦萨铜业公司的技术人员和顾问审查了以前和现在的作业方为勘探、场地特征、资源估算和环境许可而生成的数据。
第6节和第10节分别概述了历史勘探活动和钻探活动。Conoco、Magma、BHP和Florence Copper进行了多次地质、地球化学、水文地质和地球物理调查和调查,以确定该矿床的特征。可获得的历史数据包括钻芯和反循环/旋转芯片、钻孔日志、废样/纸浆、化验表、横截面、岩芯照片、井下勘测盘和绘制的偏差图、井下数字勘测数据、地下地质图、航拍照片和遥感图像、水文泵试验数据、冶金报告、项目通信和其他数据。地质测井记录了钻探的类型(金刚石钻头、逆循环、旋转)、岩领调查和/或钻领坐标、岩石类型、矿化、蚀变和结构。与2011年和2018年FCP钻探计划有关的数据以硬拷贝和数字格式存档。下文概述了与潜在的ISCR业务有关的近期工作。
| 第9节 | 探索 | 第2页 |
9.2调查和调查
迄今为止,在FCP项目上,已对7.5万个钻芯层段和反循环芯片样品进行了总铜(TCu)的检测。这些化验中有二万八千个在氧化区。
详细的矿物学和岩石学报告可供查阅,涉及大量的钻芯样本。还编制了记录压裂、断层和节理信息的构造测井。利用X射线衍射、扫描电子显微镜和15个岩心孔的裂缝矿物学测井,对该地点的裂缝控制矿物学进行了详细研究。
进行断裂矿物学研究的原因是,对ISCR而言,至关重要的是确定断裂表面上存在的矿化物质和脉石矿物,以便模拟和预测过程溶液穿过岩体裂缝时将发生的化学反应。该研究检查了超过1.3万处骨折。研究发现,氧化铁矿物(褐铁矿、针铁矿和/或赤铁矿)出现在90%以上的裂缝中,而硅酸铜和氧化铁矿物(金孔铜和/或铁橄榄石)出现在大约30%的裂缝中。
矿物学还表明,该系统包含含铜粘土,主要是蒙脱石和钙和/或镁蒙脱石。
除裂缝矿物学研究外,在FCP现场进行的其他专门调查还包括区域地球物理调查;钻孔地球物理和岩土测井,以协助绘制地下地质图;以及使用声学钻孔电视(BHTV)进行井下测绘。对所有BHP钻孔和岩浆钻孔进行了钻孔地球物理学(声波、伽马中子、电导率)。在选定的BHP钻孔上进行了声学BHTV测井,主要是在矿床的西侧。利用声学BHTV对未受干扰的井壁进行测量,以确定地下裂缝和断层的实际方向。
在金刚石钻孔中收集的地球物理测井数据与相同钻孔中的地质数据相关。然后将此分析的信息和结论应用于旋转钻井的BHP注入和回收井,以从该钻井收集尽可能多的地质信息。伽马和中子测井被发现提供了FCP现场最有价值的井下信息。
利用岩土测井收集FCP矿床的裂缝强度数据。岩土工程包括标记详细的岩心足迹;测量岩心回收率和岩心损失,并根据这些信息计算岩石质量指标;描述岩石压裂和机械完整性。
| 第9节 | 探索 | 第3页 |
9.3口译
QP、Florence Copper的技术人员和顾问依靠个人对核心、报告和现场记录的检查,以及先前的运营商和各种咨询公司对以下方面所作的解释:
QP认为,对该矿区的矿物勘探是以专业方式进行的,从这项工作中得出的解释适合于支持本报告得出的结论。此外,场地特征测试工作和建模(地质、地下水、冶金、地球化学)是按照行业标准方法进行的,适用于资源估算和生产规划目的,也适用于向管理机构提交支持环境许可证申请的材料。
第10节
钻探
第10节:钻探
目 录
| 页 | |
| 10.1 钻孔 | 1 |
| 10.2 钻探的类型和范围 | 2 |
表列表
| 表10-1:各公司钻探画面 | 2 |
| 表10-2:Florence数据库中的钻探和分析 | 6 |
数字列表
| 图10-1:拥有物业及矿产租赁边界及钻孔围圈的矿床面积 | 3 |
| 第10节 | 钻孔 | 第1页 |
10.1钻探
从1963年到2018年,FCP有五家公司使用岩心钻孔、反循环旋挖钻孔和传统旋挖钻孔方法进行钻探。历史钻探结果和数据输入已由各公司连续核实。
康菲石油公司在1970年代初至中期为该场址制定了详细的地质岩心测井规程。岩浆公司、BHP公司和佛罗伦萨铜业公司的地质学家在稍作修改后,继续使用这种方法来保持与康菲公司的地质资料的一致性。
| 第10节 | 钻孔 | 第2页 |
10.2钻探的类型和范围
(a)导言
如表10-1所示,五个矿业公司所有人在FCP及其附近共钻了856个钻孔。与Taseko的2017年技术报告相比,净增加了39个钻孔,包括重新分配选定的历史钻孔、增加Curis钻孔的5个遗漏钻孔、Florence Copper在PTF中增加36个新钻孔、以及移除两个被视为钻孔进尺的康菲石油公司历史钻孔。所有业主都以大约100英尺的增量完成了井下钻探调查。2017年后的钻探使用现代数字井下测量技术以10或20英尺为增量进行测量。数据输入由内部工作人员和咨询人共同完成。随后的每个所有者都根据需要交叉检查并更正了之前公司的数据条目。
项目陆地边界内钻环的透视图如图10-1所示。
表10-1:各公司钻探画面
| 公司 | #孔 | 画面 |
| 佛罗伦萨铜业(2017-2018年) | 36 | 39,231 |
| Curis Resources(2011) | 11 | 7,315 |
| BHP铜业公司(1997年) | 21 | 16,638 |
| Magma铜业公司(1994-1996年) | 158 | 142,250 |
| 康菲石油公司(1970-1977年) | 623 | 624,327 |
| 其他 | 7 | 4,152 |
| 合计 | 856 | 833,913 |
| 第10节 | 钻孔 | 第3页 |
10.2钻探的类型和范围-续
(a)导言-续

图10-1:拥有物业及矿产租赁边界及钻孔围圈的矿床面积
| 第10节 | 钻孔 | 第4页 |
10.2钻探的类型和范围-续
(b)康菲石油公司(1970-1977年)
1970年至1977年间,康菲石油公司在主要矿床和周边地区钻了623个孔。这些钻孔主要是用旋转钻孔和金刚石钻孔相结合的方法钻孔的。
旋转钻孔主要用于在岩心钻孔之前通过盆地填充层预先套孔。它还被用于在康菲公司当时控制的州和联邦土地上进行评估和谴责钻探。康菲公司金刚石钻芯的绝大部分是NX直径(2.2英寸),但由于地面条件恶劣,在某些情况下必须将钻芯缩小到BX直径(1.6英寸)。
康菲石油公司的勘探钻探方案是以三角形网格模式开始的,从1000英尺的间距开始,后来缩小到500英尺的间距。在250英尺的填充钻孔密度上进行了开发钻孔。
(c)Magma铜业公司(1994-1996年)
Magma在1994年钻了30个岩心孔,其中包括23个NX直径的岩心孔用于确认钻探,五个HX直径(3英寸)的岩心孔用于勘探,以及两个6英寸的岩心孔用于获取大量冶金样品。
Magma公司在1995年至1996年期间完成了一项资源界定钻探计划。在此期间钻出的40个岩心孔中,两个孔是6英寸的岩心,八个孔是HX直径的岩心,一个孔是6英寸和HX的岩心组合,其余29个孔是NX直径的岩心。
一般来说,Magma的岩心孔是在基岩上方大约50到100英尺处旋转钻孔,套管到旋转部分的底部,并使用分体管取芯,以保持岩心完整性,用于岩石质量指定(RQD)测量。在矿床的西侧,有时会在基岩顶部上方几百英尺处开始取芯,这很好地证明了砾岩-基岩接触的性质。
在Magma的任期内,完成了地下水钻探和岩土特征分析,以支持环境许可和工程活动。用常规泥浆旋转法钻了32口达标点(POC)地下水监测井。49口含水层试验井(泵井和观察井)采用常规泥浆旋转或反循环方法钻探。从这些孔洞取样间隔的地质记录,但样品没有化验。钻了七个孔,用于岩土特征分析。
| 第10节 | 钻孔 | 第5页 |
10.2钻探的类型和范围-续
(d)BHP铜业(1997年)
BHP为试点现场测试钻了21个孔,包括注水、回收、化学监测和地下水监测井。钻探包括两个组合旋转式/HX直径岩心孔、一个旋转式6英寸式/HX直径岩心孔、一个旋转式/NX直径岩心孔、14个旋转式/反循环孔和三个仅旋转式孔。旋转钻孔通过基岩顶部40英尺的组合岩心或反循环孔完成。对孔的核心和反循环部分进行了% TCu和% ASCu的测定。
(e)Curis Resources(2011年)
Curis Resources于2011年在该矿床的两个代表性区域完成了冶金钻探计划,证实了这些区域以前的历史性钻探结果,并为本报告第13节所述的冶金测试工作提供了代表性样品。6个金刚石钻孔位置(共11个钻孔)是在BHP试验区以南和矿床西北部钻探的。钻孔包括五个PQ直径(内径3.35)的岩心孔和六个HQ直径(2.5英寸)的岩心孔。总部的五个洞是从基岩表面以下的PQ洞钻出来的楔子。PQ孔为整个岩心冶金样品提供了由楔形HQ孔提供的化验。在前BHP试验区又钻了一个HQ钻孔。
(f)佛罗伦萨铜矿项目(2017-2018年)
2017年1月至2018年4月期间,Florence Copper完成了在许可的PTF井田内和附近的36口井的钻探和安装工作。这些井是使用泥浆旋转循环钻探的,包括:4口注入井、9口采收井、7口观察井、4口专业多级采样井(Westbay井)、9口附属监测井和3口PTF达标点(POC)井。其中两口POC井是1996年两口POC井的替代品,第三口井是在PTF井田西北方向新完成的。
正如第13节进一步说明的那样,安装PTF井是作为水力控制演示的一部分;因此,没有从这些井中收集到对资源和储量估计具有重要意义的地质数据。
| 第10节 | 钻孔 | 第6页 |
10.2钻探的类型和范围-续
(g)钻井汇总
目前的钻孔数据摘要见表10-2。这次钻探的有关结果载于本报告第7和14节。
表10-2:Florence数据库中的钻探和分析
| 合计 数据库 |
模型内 限制 |
|
| 钻孔总数 | 856 | 555 |
| 使用TCu分析方法钻孔 | 614 | 396 |
| 总钻探镜头(英尺) | 833,913 | 633,834 |
| 总分析影像(英尺) | 412,576.5 | 336,321 |
| 样本间隔数 | 88,824 | 73,766 |
| TCu检测的间隔次数 | 75,547 | 62,824 |
| 盆地填埋间隔数 | 12,851 | 10,004 |
| TCu化验的盆地-填充区间数 | 4,645 | 2,879 |
| 氧化物/过渡区间隔数 | 33,150 | 26,751 |
| TCu测定的氧化物/过渡区间隔数 | 29,482 | 23,839 |
| 硫化带间隔数 | 40,944 | 36,274 |
| TCu化验的硫化物区间隔数 | 40,325 | 36,009 |
| 缺乏TCu分析的钻孔主要包括监测井、含水层测试、POC、供水井、冶金钻孔和岩土钻孔。 模型限制是针对SRK编制的2023年旋转模型。 |
||
根据亚利桑那州水利部(ADWR)弃井程序(Arizona Revised Statues,A.R.S.)§ R12-15-816的要求,放弃了Magma和BHP钻探的勘探和岩土工程钻孔、1996年更换的POC井和2011年Curis Resources冶金钻孔。
QP认为,历史钻探记录充分,形成了一个可靠的钻孔数据库,足以进行资源估算。钻孔类型、范围和钻孔间距密度(约250英尺)足以表示地质和矿化情况,并计算矿产资源和储量。
第11节
样本准备、分析和安全
第11部分:样本准备、分析和安全
目 录
| 页 | |
| 11.1 样品制备、分析和安全 | 1 |
| 11.2 样品制备方法 | 2 |
| 11.3 样本化验程序 | 6 |
| 11.4 质量保证和质量控制程序 | 11 |
| 11.5 影响结果准确性的因素 | 13 |
| 第11款 | 样品制备、分析和安全 | 第1页 |
11.1样品的制备、分析和安全
下面的章节主要描述样品的制备、分析和与钻探样品有关的安全。还讨论了用于环境监测的水质样本分析和操作解决方案分析。
| 第11款 | 样品制备、分析和安全 | 第2页 |
11.2样品制备方法
下面讨论历史和当前的样品制备方法。
(a)历史样本----康菲石油、Magma、BHP
采样协议是由以前的所有者制定的,以确保一致性并消除或消除偏见。常规的旋转和/或反循环钻屑通常由Conoco、Magma和BHP每10英尺收集一次。将每个样品的代表性部分放入筛子中,并在漂洗前后对切片进行观察。将每个间隔的代表性样品放入蜡质圆柱形纸板容器(Conoco)或塑料切片托盘(BHP)中,以供将来参考。用反循环法钻取的样品被送去化验。旋转岩屑是由康菲石油公司测定的,但收集的数据仅用于BHP和后来的所有者的地质控制。来自传统旋挖钻孔的总铜(TCu)分析被认为是不可靠的,以前的操作人员对传统旋挖钻孔样品的分析结果未用于本报告。
核心样本提供了最详细的信息。本文总结了核心处理过程中使用的BHP样本处理协议,但这些协议建立在康菲石油和Magma使用的类似协议之上。首先将岩心从钻井泥浆中抹去,然后拍照以保存完整岩心的记录。接下来根据地质学家准备的样品表上列出的间隔对岩心样品进行分割。样品袋和手标标签上标有孔号加上5或10英尺的样品间隔。
用以下方法对岩心进行锯切和取样:
| 第11款 | 样品制备、分析和安全 | 第3页 |
11.2样品制备方法-续
(a)历史样本----康菲石油、岩浆BHP----续
粗废品存放在核心储存楼附近的55加仑桶中,核心储存箱和装有样品纸浆的密封纸箱存放在核心储存楼的架子上。核心储藏大楼上了锁,并定期检查。用于钻探的岩心继续储存在良好状态;历史上的粗废品不再处于可用状态。
Magma和BHP聘请了一家地下水咨询公司来制定和执行最初的地下水取样方案,以确定上部盆地填埋场、下部盆地填埋场、氧化物基岩和硫化物基岩含水层的基准水质,并在此后继续取样,以便进行合规监测和报告。地下水取样由合格的取样技术人员进行,他们将样品送到亚利桑那州卫生服务部批准的水质实验室进行环境分析。在Curis Resources的监督下,继续利用外部第三方地下水咨询公司进行合规水质采样。
| 第11款 | 样品制备、分析和安全 | 第4页 |
11.2样品制备方法-续
(b)Curis Resources样本(2011年)
2011年冶金和确认钻探项目的样品制备规程与以前的操作人员使用的规程相似,但不同之处在于岩心的处理方式因岩心直径和用途不同而有所不同。收集PQ岩心进行冶金试验,不进行化验;收集伴随的HQ岩心进行分析。SRK的地质学家和技术人员对岩心进行了记录、拍照和取样。
PQ直径的岩芯被从钻机的5英尺分体式管状岩芯桶中取到附近的一个测井台上,在那里,它被擦去了钻泥,并被拍了下来。由于厚厚的泥浆涂层,后来需要将岩心包裹在一个灵活的细网非金属筛网中,以便进行更严格的清洁,以释放整个岩心圆筒的泥渣。这些处理程序最大限度地减少了岩心的机械破损,从而保留了具有代表性断裂密度的样品,以用于冶金试验。在地质和岩土测井后,PQ岩心被固定(仍在被包裹的网孔中),并置于纵向切割的4英寸排水管道内。管道用端盖固定,用胶带封住,并贴上镜头间隔的标签。然后,在运往亚利桑那州图森的冶金测试设施之前,这些样品管被储存在一个安全、上锁的仓库中。
总部的岩芯被装在钻机上,被带到一个安全、上锁的测井设施,在那里清理岩芯并拍照。地质和岩土测井完成后,地质学家用铝制样品标签标出了5英尺的样品间隔,并为取样技术员制作了一份样品切割表。间隔长度作了调整,以酌情与岩石接触相匹配。取样工作由SRK技术员在靠近伐木设施的一座上锁的仓库大楼内进行。沿中心分割线锯出完整的芯块,并将芯块的一半放入样品袋中。采用与岩浆和BHP相同的平边挖孔法对破碎岩心进行取样。作为一项安全措施,样品袋上标有顺序识别号码,并在袋中放置编号相同的样品标签。质量保证/质量控制(QA/QC)样品包括纸浆标准和现场空白每20次插入第如第11.3节所述,将样本输入样本流。在进行了伐木和取样之后,岩芯被移到最后的仓库,存放在与现场行政大楼相邻的一座上锁的仓库大楼里。
| 第11款 | 样品制备、分析和安全 | 第5页 |
11.2样品制备方法-续
(c)佛罗伦萨铜矿项目PTF钻探和作业样本(2017-2021年)
在2017年至2018年的PTF注入、回收和观测井钻探过程中,Haley & Aldrich的工作人员以5英尺的间隔对泥浆旋转/反循环钻屑进行了取样。将一个有代表性的分数放入筛子中,并在冲洗前后对地质测井的切屑进行观察。每个间隔的代表性样品被放置在一个塑料芯片托盘中,以备将来参考,并存放在行政大楼和邻近的仓库。芯片样品不是为化验目的而收集的。
Haley & Aldrich公司的工作人员在钻探计划之后立即进行了地下水质量采样,为普通成分以及主要和微量阳离子和准金属的浓度提供了预浸出基线。Haley & Aldrich代表Florence Copper对32口POC井进行季度和年度地下水质量采样,作为合规监测和报告计划的一部分提交给ADEQ。水质技术人员利用行业最佳做法收集样本,用于净化水井、样本收集和样本保存方法。
自2018年以来,Florence Copper采样技术人员对PTF井进行了可操作的水质采样,以跟踪ISCR浸出和漂洗周期期间的每日溶液结果。样品被带到Florene Copper的内部实验室进行X射线荧光(XRF)分析。每周大约有十几个重复的样品被送到图森的Minerals技术公司进行分析。此外,还每月向当地的其他环境实验室Pace Analytical和Turner Laboratories发送拆分文件。
(d)Florence Copper Project Check Assay Program(2020)
佛罗伦萨铜业公司在2020年中期委托进行了一项检查化验计划,包括从历史钻芯的剩余部分中提取的100个样本。这些样品是SRK咨询公司的人员从现场的核心储存设施收集的。选择采样间隔是为了使历史化验数据与相同的采样间隔相匹配,以便能够直接比较历史数据集和现代数据集。选定间隔的其余一半被完全取样,空盒子被放回原处存放。
将岩芯放入聚乙烯样品袋中,并用胶带密封。袋子外面贴着孔号和深度间隔的标签。样本流中没有包含任何标准、重复项或空白项。样品由SRK Consulting交付给Skyline Laboratories。
| 第11款 | 样品制备、分析和安全 | 第6页 |
11.3样本化验程序
本节介绍各公司自1970年代以来在FCP采集的岩石、水质和溶液样本的样本分析程序。所有分析钻孔和地下水质量样本的外部实验室都独立于佛罗伦萨铜业公司及其前身康菲公司和Curis Resources。受委托分析岩浆铜矿和BHP铜矿任职期间获得的钻孔样品的外部实验室也独立于这些前身公司。分析是按照分析时有效的行业最佳做法和实验室认证程序进行的。
圣马努埃尔冶金实验室最初在20世纪90年代中期向Magma Copper提供了一些支持,用于分析岩芯和芯片样品,后来又向Magma/BHP提供了一些支持,用于进行冶金柱测试和渗滤液分析;该实验室既不独立于Magma Copper,也不独立于BHP Copper。
Florence Copper进行内部工艺解决方案分析,以跟踪ISCR浸出和漂洗的日常状态。重复的样品每周和每周两次送到三个外部实验室;三个外部实验室独立于佛罗伦萨铜业公司。
(a)康菲石油公司
康菲石油公司以2.5英尺的间隔记录了勘探钻孔(1000英尺和500英尺的钻孔间距)中的地质情况,并以5英尺的间隔收集化验样品。后来的填充物开发钻孔(250英尺间距)以5英尺的间隔记录下来,并以10英尺的间隔进行化验。对来自500英尺间距孔洞的岩芯进行了拍照,并在现场制备了样品纸浆。将5英尺和10英尺的样品纸浆送往外部检测实验室,检测TCu含量,百分比列在小数点后两位,方法检测限为0.01% TCu。使用的主要外部实验室是亚利桑那州图森的美国分析和研究实验室。康菲还使用了其他外部实验室,包括位于亚利桑那州图森市的Southwestern Assayers & Chemists、Jacobs Assay和Hawley & Hawley Assayers & Chemists。
将纸浆样品中的剩余材料合成成50英尺的样品,并在早期样品上化验% TCu、% ASCu、钼(ppm)、银(ppm),有时还有金(ppm)。检查化验% TCu由另一家外部化验实验室完成。将两种尺寸分数的废品样品保留在该物业上,以供将来参考和用于冶金台架试验。康菲纸浆和废品在干燥的条件下储存在现场的核心储存建筑中。
| 第11款 | 样品制备、分析和安全 | 第7页 |
11.3样本化验程序-续
(a)Conoco公司----续
当开发钻探开始时,岩心样品被完全粉碎,以便在10英尺的间隔内进行分析,并且没有保留作为参考。每十个核心间隔取样两次,第二个样本由另一个实验室化验,以比较两个实验室之间的准确性。康菲石油公司分析了1975年在试验厂设施现场实验室钻探的岩芯。
没有记录康菲石油公司或其合同实验室使用的样品制备和分析规程的实物记录。主要合同实验室----美国分析和研究实验室----的化验是在Pete Soto Flores先生的监督下进行的,他是1968年至1990年在亚利桑那州注册的化验师(# 6852)。签字(盖章)和注明日期的实验室收据在现场连续归档在地质日志档案中。虽然没有分析程序的记录,但QP假定用于% TCu和% ASCu分析的分析方法是通过众所周知的标准方法。
(b)Magma和BHP
Magma/BHP利用其在附近的Magma/BHP圣马努埃尔区的内部实验室和外部承包实验室对岩心和RC样品进行分析。Magma/BHP还利用圣曼努埃尔冶金实验室在柱子和台架规模的测试中提供支持和分析。圣马努埃尔冶金实验室和样品制备设施的设计是为了为矿山、SX/EW工厂、选矿厂、冶炼厂、电炼和棒厂的运营提供日常支持,包括地下和露天炮眼样品、工艺溶液样品(洗涤液、孕浸出液),以及铜和钼硫化物精矿、铜阳极、铜阴极和棒材的质量控制分析。
Magma和BHP使用的主要外部实验室是亚利桑那州图森的Skyline Assayers & Laboratories(Skyline)。其他使用的外部实验室包括不列颠哥伦比亚省温哥华的Bondar-Clegg & Company、内华达州斯帕克斯的Chemex Labs和犹他州盐湖城的落基山地球化学公司。
分析是在专业冶金师和实验室管理人员的监督下进行的。圣马努埃尔冶金实验室使用标准的、行业认可的方法来制备废品和纸浆,并通过原子吸收方法分析TCu含量。对于TCu和ASCu的含量,分析通常以百分比到小数点后两位为单位。
| 第11款 | 样品制备、分析和安全 | 第8页 |
11.3样本化验程序-续
(b)Magma和BHP-续
在亚利桑那州的铜矿作业中,用来分析酸溶性铜含量的方法有许多不同之处。即使在同一公司的所有权下,不同操作的方法也略有不同;关键是在每个操作中保持内部一致性,以便对同一矿床中每种材料类型的氧化程度进行相对比较。各种ASCu测定方法提供了一个相对指示,表明在规定的时间、温度和酸浓度条件下,短时间暴露在稀硫酸中释放的铜百分比;时间(5分钟至2小时)、温度和浓度因操作而不同。当使用外部实验室时,操作通常向外部实验室提供其方法的副本,以确保所用方法的一致性。
Skyline使用的TCu分析方法是一种标准的行业方法,与圣曼努埃尔冶金实验室使用的方法相同。在佛罗伦萨的钻探和冶金试验样品中,Magma、BHP和Magma/BHP承包的外部实验室一直使用“San Manuel方法”来分析ASCu含量。用于ASCu分析的全铜法和“圣曼努埃尔法”如下所示。
| 第11款 | 样品制备、分析和安全 | 第9页 |
11.3样本化验程序-续
(b)Magma和BHP-续
% ASCu = 0.02 * Cu(微克/毫升)。
Skyline对钻探样品、冶金测试材料和工艺溶液的分析是在亚利桑那州注册的化验师Bill Lehmbeck(# 9425)和Jim Martin(# 11122)的监督下进行的。
由Magma/BHP或其环境顾问收集的监测井和地表水样本的地下水质量分析由外部实验室进行,这些实验室包括加利福尼亚州格伦代尔的BC Analytical;亚利桑那州凤凰城的NEL实验室及其亚利桑那州凤凰城的Del Mar Analytical公司。
冶金柱试验样品(柱试验头/尾、进料液和出水/浸出溶液)的分析主要由外部实验室进行。与外部实验室进行的分析相关的记录被归档在钻探日志文件中,这些文件是Magma或BHP编写的各种报告的附件。文件的数量因实验室而异,但通常提供标准的冶金测试方法/规程、样品制备信息(重量、尺寸分数)、样品分析方法、方法检测限值、分析单位、实验室内部质量保证/质量控制方法、实验室限定词评论和监管链记录。
| 第11款 | 样品制备、分析和安全 | 第10页 |
11.3样本化验程序-续
(c)Curis Resources(2011年)
Curis使用Skyline进行2011年进行的确认化验分析,以及SRK之前在2010年进行的检查化验程序。Skyline为铜矿行业提供分析服务已有70年,其用途是确保与以往分析方法的一致性。自2009年12月以来,Skyline已根据公认的国际标准ISO/IEC 17025:2005测试和校准实验室能力通用要求获得美国实验室认证协会的认可。Skyline使用他们的标准方法来分析TCu(以及适用的钼、铅、锌和铁)的浓度百分比,以小数点后两位进行佛罗伦萨的所有分析。Skyline对Florence Copper进行的所有ASCu分析都使用了“San Manuel方法”,将浓度百分比降至小数点后两位。
(d)Florence Copper Project Check Assay Program(2020)
Skyline实验室使用以下两种方法对2020年检查化验方案进行了分析:岩石样品中的总铜分析,以及历史上对酸溶性铜的“圣曼努埃尔法”稍作修改的版本(以上第11.3(b)节详述了这两种方法)。对圣曼努埃尔法所作的修改如下:
Skyline对ASCu方法进行了这些更改,以符合其认证和实验室安全最佳实践规程。
| 第11款 | 样品制备、分析和安全 | 第11页 |
11.4质量保证和质量控制程序
(a)Magma和BHP
Magma聘请了来自科罗拉多州布鲁姆菲尔德的采样专家Francis Pitard博士来观察相关程序,并对员工进行正确采样技术的培训。培训内容包括贱金属矿床的取样技术,查明取样程序中的大、小规模可变性,查明所有可能的取样误差,以及查明对资源估计的总体影响。
Magma为Florence矿床创建了几个品级范围的TCu控制纸浆标准,以识别和最小化分析偏差和误差。他们对五个化验实验室进行了详细的评估,并选择Skyline对岩浆可行性方案期间收集的所有样本进行分析。BHP随后采用了同样的分析程序,采用了岩浆公司人员编制的特定地点标准。
随机选择的控制样品被添加到每一批运送到Skyline的钻芯或RC芯片样品中。每隔15第化验样本是用于检查分析偏差或差异的化验对照纸浆样本。纸浆对照样品的化验要求在总平均值的两个标准偏差以内,或对整个批次进行重新化验。岩浆公司或BHP没有制造或使用过任何田地或纸浆毛坯。
岩浆公司和BHP的第三方地下水咨询公司执行的地下水质量取样程序是使用符合行业最佳环境取样做法的正式质量保证/质量控制程序完成的。这包括使用跳板和重复样品送到占主导地位的外部环境实验室和另一个外部实验室。第三方咨询人审查了旅行空白和重复抽样的结果,并要求对结果不符合其接受标准的情况进行重复分析。这些协议在Curis Resources的监督下继续执行。
| 第11款 | 样品制备、分析和安全 | 第12页 |
11.4质量保证和质量控制程序-续
(b)Curis Resources(2011年)
2011年,SRK Consulting从Magma/BHP纸浆控制标准中重新建立了足够的材料,安全地储存在现场,以便为七个品级的每个品级准备10个纸浆样品。这些纸浆标准,连同现场空白(混凝土样品),在冶金和确认钻探程序中被用作QA/QC样品。纸浆材料从现场可获得的散装材料中重新混合,然后重新包装成新的纸浆信封,并贴上独特的标签。每隔20天就在样本流中插入控制标准和现场空白第样本。对该计划期间使用的18项标准分析的回顾表明,除了两项之外,所有结果都在平均值的一个标准差内。现场空白的所有21个结果显示,铜的结果为零。
(c)Florence Copper Project Check Assay Program(2020)
对于这个短期项目,SRK Consulting依赖于对Skyline最终实验室报告中的内部实验室QA/QC检查和验收记录的审查。SRK在样品流中不包括重组对照纸浆或空白现场样品。Skyline的内部QA/QC检查符合其分析仪器的验收标准。
(d)佛罗伦萨铜矿项目运营样本(2018年至今)
Florence Copper的工作人员一直在对井场溶液进行内部XRF分析,以便在ISCR现场测试的浸出和冲洗阶段跟踪结果。Florence Copper的技术人员使用制造商的程序使用固体标准校准XRF仪器。但是,需要进行调整,以校准溶液介质的仪器。为了验证调整系数,Florence Copper每周向亚利桑那州图森的Minerals技术公司发送重复的溶液样品。对这些样品进行铜、铁、pH和游离酸的分析。然后,Florence Copper的冶金学家将内部和外部实验室的结果进行比较,以评估该系数(校准调整)是否需要修改,以匹配外部实验室提供的结果。每周还会从每一口回收井中收集重复的样品,送到佩斯分析公司或特纳实验室,由后者对样品进行分析,寻找更广泛的一套常见离子和主要及微量金属及准金属。
| 第11款 | 样品制备、分析和安全 | 第13页 |
11.5影响结果准确性的因素
核心或芯片材料的总铜分析是使用标准化方法进行的定量分析,可以从实验室复制到实验室。酸溶性分析结果是在随温度、时间和酸浓度变化的定时浸出条件下使用各种分析方法对可溶性铜进行的经验性测量。分析岩石样品总铜含量中酸溶性成分的方法有很多。由于分析方法的细微差别,可以产生不同的结果。因此,ASCu结果被视为在某些实验室条件下是酸溶性的总铜的最小组分的相对量度,不一定反映在浸出条件下可回收的铜的实际数量。重要的因素是在可能的情况下,在特定地点使用的方法中保持一致性。
QP认为,历史和当前的样品制备程序、所进行的分析以及对岩石、地下水质量和工艺溶液样品的样品安全都遵循了行业标准程序,足以支持项目资源估计以及井场矿山计划和储量估计。
第12节
数据验证
第12节:数据核查
目 录
| 页 | |
| 12.1 数据验证 | 1 |
| 12.2 项目QA/QC议定书 | 2 |
| 12.3 检查化验样品的制备和结果 | 3 |
| 12.4 冶金数据的核实 | 7 |
| 12.5 其他数据核查 | 7 |
| 12.6 结论 | 7 |
数字列表
| 图12-1:Conoco/Magma与2020FCP TCu检查检测的比较 | 6 |
| 图12-2:Conoco/Magma与2020FCP ASCu检查检测的比较 | 6 |
| 第12款 | 数据验证 | 第1页 |
12.1数据核查
对FCP数据进行了如下所述的数据验证。SRK Consulting(SRK)签订了合同,以核实储存在FCP现场的历史和最近的钻芯和纸浆通常是干燥的,没有动物或湿气损害,适合于核实取样。SRK雇用的从事这一工作的技术专业人员对数据输入和数据库验证程序、取样、数据输入和质量保证/质量控制协议以及Magma和BHP进行的再分析程序都有个人的了解。
QP负责监督SRK的数据验证活动。SRK已审查并核实了所有先前所有者和2011年至2018年佛罗伦萨铜业公司钻探项目产生的历史信息和数据。验证过程涉及以下方面:
| 第12款 | 数据验证 | 第2页 |
12.2项目质量保证/质量控制议定书
抽样和数据输入程序的质量保证和质量控制(QA/QC)协议已适用于FCP,如第11节概述和下文所述。历史上的岩浆和BHP协议主要使用已知浓度的特定矿浆标准,并由第二个实验室对一定比例的纸浆进行重新测定。这些协议还使用字段重复样本来评估核心间隔的每一半的同质性。在BHP的现场测试中,解决方案标准和解决方案空白被纳入分析程序。Florence Copper使用不同浓度的铜溶液标准,通过X射线荧光(XRF)法对从PTF采集的样品进行内部每日溶液分析。重复的溶液分离液每周两次送到亚利桑那州图森的Minerals技术实验室,用于分析铜、铁、pH值和游离酸,每周送到亚利桑那州菲尼克斯地区的另外两个外部实验室,用于分析一套更大的普通离子、主要和微量金属及准金属。内部分析设备按制造商建议的时间表定期校准。在将内部XRF分析与发送给外部实验室的检查分析进行比较后,对系数(校准)进行调整。数据输入验证通过人工检查、双重数据输入和比较以及使用验证公式、Excel中的例程和专有建模软件进行。
| 第12款 | 数据验证 | 第3页 |
12.3检查化验样品的制备和结果
(a)历史检验检测方案
康菲公司使用的质量保证/质量控制程序包括将10%的化验样品插入二级实验室。康菲利用四个独立实验室进行总铜(TCu)和酸溶性铜(ASCu)分析。这些独立实验室是在康菲石油公司在现场经营自己的样品制备和化验实验室之前使用的,并在现场实验室经营期间提供外部检查化验。
Magma/BHP使用的QA/QC协议包括将纸浆分析标准插入到核心或反循环芯片样品中,这些样品被运送到Skyline Assayers & Laboratory(Skyline)。纸浆标准材料是由混合和粉碎的钻芯和先前已知的TCu化验,代表矿床内的七个TCu等级群体(即0.17、0.28、0.34、0.42、0.46、0.65和0.91% TCu)制备的。为了计算散装纸浆材料的全球平均值正负一个标准差,然后将每个品级范围的10至12个纸浆样品送往五个外部实验室进行分析。然后将全球平均值确定为这些材料的“真实”化验浓度,这些材料随后被用作对照样品。随机选择的纸浆标准是以每15个样品一个对照的速度插入的。
现场地质学家对结果进行了交叉检查,如果对照纸浆不在既定范围内,则要求进行实验室再分析。这些纸浆封套在运往Skyline之前经过称重,并经过分析,以确认实验室是否移走了用于分析的材料。
Magma重新测定了康菲公司的样品纸浆,并完成了一个程序,用单独的5英尺和10英尺的复合测定代替了康菲公司50英尺的复合ASCu测定。BHP在拟议的第一个生产区内对28个康菲石油钻孔的纸浆进行了重新分析。Skyline在该项目期间进行的TCu再检测显示出与Conoco检测结果的高度统计学相关性。由于所使用的复合检测间隔不同,ASCu检测在BHP和康菲石油的数据集之间没有很好的相关性。
| 第12款 | 数据验证 | 第4页 |
12.3检查化验样品的制备和结果-续
(b)Curis资源检查化验方案(2011年)
SRK为Florence Copper对32个岩心样品的剩余部分进行了验证取样程序,以确认历史上的铜分析结果。从主要矿床区域内的五个钻孔中选取了代表主要岩石类型、氧化带和铜品位的连续5英尺和10英尺样品。对同一样本间隔的原始核心间隔和残余材料的TCu测定结果的比较表明,两种测定之间的平均差异在统计学上不显著,TCu小于0.01%,ASCu小于0.05%。该项目还在历史上的TCu分析纸浆标准的原始和重新分析数据之间建立了良好的相关性。
在2011年的Curis钻探计划中,SRK对具有历史意义的TCu标准材料进行了重组和重新混合,以制备七个品级范围的新标准样品。每20个样品被送到Skyline,就会插入一个随机选择的纸浆标准和一个现场空白(破碎,钻出混凝土芯)。如果纸浆标准品的测定落在既定标准平均值的两个标准偏差以内,并且标准空白返回一个零铜值,则实验室分析被审查并通过QA/QC协议。Skyline提供了电子格式的化验结果,因此不需要Florence Copper或SRK手工重新输入数据。地质和岩土数据的数据输入由SRK技术人员进行,他们与硬拷贝日志进行人工比较,并进行数字数据输入审查,以确保正确输入数据。
| 第12款 | 数据验证 | 第5页 |
12.3检查化验样品的制备和结果-续
(c)Florence Copper Project Check Assay Program(2020)
2020年9月,SRK对Florence Copper进行了第二次验证取样程序,对100个岩心样品的剩余部分进行了验证,以确认历史TCu和ASCu分析结果。从主要矿床区域内的62个钻孔中选取了代表主要岩石类型、氧化带和铜品位的连续5英尺和10英尺样品,其中9个钻孔来自岩浆时代,53个钻孔来自康菲石油公司。TCu和ASCu分析分别在100%和99%的历史样本上可用,尽管康菲公司时代的ASCu分析大多是以50英尺复合材料的形式进行的,因此用处有限。样品被送往Skyline,并通过其包装SEA和Cu-H进行分析2所以4,分别为TCu和ASCu。ASCu方法偏离了用于较老样品的“圣曼努埃尔法”,因为一些设备程序进行了更改,以反映当前在实验室安全方面的最佳做法,粉碎材料与10毫升浓度比以前使用的更稀释的硫酸(5%而不是15%)接触。
使用三个统计工具比较了FCP的TCu和ASCu历史数据和2020年数据。在TCu比较中使用了99个TCu样本结果。在50英尺复合材料的历史数据被认为不适用后,对ASCu使用了14个结果。
基于散点图分析(图12-1和图12-2)和学生T检验,没有发现证据表明历史数据和2020年数据的TCu和ASCu结果在统计上存在差异。
为了评估抽样变异性,使用了一个模型来估计抽样和分析误差的分布。该模型使用了93个字段重复对(原99对),它们位于95第TCu确定的百分位。在95第百分位,相对误差落在铜品位的25%至30%之间。当合成25英尺长时,对于0.2%及以上的铜品位,相对取样和分析误差估计在10%至15%之间。这在正常的分割和抽样误差范围内,表明对历史抽样过程的合理控制。
| 第12款 | 数据验证 | 第6页 |
12.3检查化验样品的制备和结果-续
(c)Florence Copper Project Check Assay Program(2020)-续

图12-1:Conoco/Magma与2020FCP TCu检查检测的比较

图12-2:Conoco/Magma与2020FCP ASCu检查检测的比较
| 第12款 | 数据验证 | 第7页 |
12.4冶金数据的核实
用于编制冶金预测、回收方法和工艺操作成本的数据来自SGS Tucson(原METCON)综合测试设施在Florence Copper技术人员监督下进行的一系列测试程序。冶金试验工作的结果已由Florence Copper技术人员和项目冶金顾问审查。
SGS是一家国际公认的实验室,使用经过适当验证的行业标准设备和方法。佛罗伦萨技术人员和项目冶金顾问通过测试的表现定期访问实验室,并在访问期间审查中期结果、实验室程序和质量保证/质量控制。在最近的测试工作中,Florence Copper的技术服务经理出现在SGS工厂,并见证了超过98%的测试。Florence Copper的技术服务经理已经审查并验证了Conoco和Magma/BHP的预可行性报告中的湿法冶金数据。
12.5其他数据核查
本报告相关章节讨论了ISCR井场的验证、工艺设计和成本估算。
12.6结论
QP审查了数据核查程序和结果,认为FCP数据是可核查的,并支持本报告中提出的矿产资源和矿产储量估计。
第13节
矿物加工和冶金检测
第13节:矿物加工和冶金测试
目 录
| 页 | |
| 13.1 导言 | 1 |
| 13.2 冶金测试历史 | 2 |
| 13.3 ISCR冶金检测 | 3 |
| 13.4 盒式浸出测试程序 | 5 |
| 13.5 PRT浸出和冲洗程序 | 11 |
| 13.6 系列浸出测试 | 14 |
| 13.7 冶金检测结论 | 18 |
| 13.8 生产试验设施 | 20 |
| 13.9 冶金性能估计 | 32 |
| 13.10 冶金结论 | 35 |
表列表
| 表13-1:盒式试验样品来源和分类 | 6 |
| 表13-2:PRT浸洗样品的来源和分类 | 11 |
| 表13-3:SLT样本来源和分类 | 15 |
| 表13-4:R-09矿Block按区域划分的矿头等级汇总 | 23 |
数字列表
| 图13-1:带芯样(左)和装入硅砂(右)的浸出箱设置 | 5 |
| 图13-2:Box Tests Phase 1-10g/L Raffinate Test Data & Modelled Average Leach Curve | 8 |
| 图13-3:Box Tests Phase 3-Series Box Test Data & Modelled Leach Curve | 10 |
| 图13-4:PRT成熟测试数据&建模平均浸出曲线 | 13 |
| 图13-5:系列浸出测试仪 | 14 |
| 图13-6:SLT萃取与酸用量汇总 | 16 |
| 图13-7:SLT洗涤pH值和硫酸盐浓度汇总 | 17 |
| 图13-8:PTF井场俯瞰图 | 21 |
| 图13-9:PTF ISCR井场井方向 | 22 |
| 图13-10:不同操作条件下的模型铜PLS等级 | 33 |
| 第13款 | 矿物加工和冶金测试 | 第1页 |
13.1导言
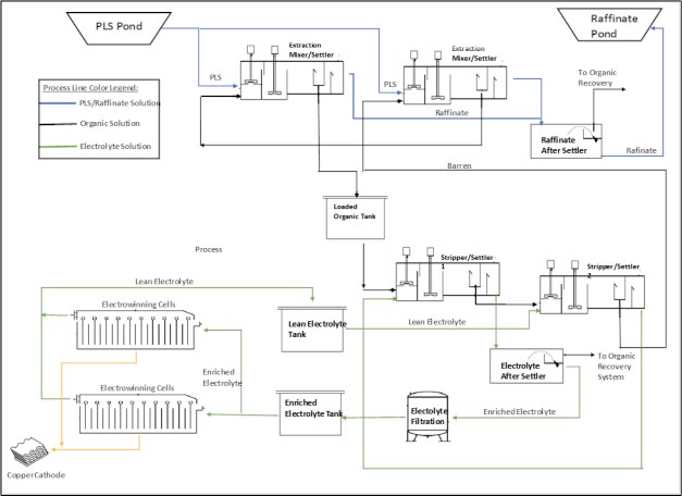
FCP具有悠久的冶金测试历史,这确定了现场氧化铜矿化对浸出的适宜性。最近的实验室冶金测试侧重于浸出整个岩心样品以预测ISCR性能。Florence Copper还运营着一个示范规模的ISCR设施,称为PTF,在2018年12月至2020年6月期间完成了商业运营条件下的浸出。随后,PTF的SX/EW加工厂继续运行,为期4个月的浸出减少期。到2020年10月底,该加工厂被关闭,PTF随后过渡到冲洗阶段的演示,该阶段仍在进行中。以下各节描述了历史和当前的冶金测试,包括PTF操作,以及它们所提供的最新冶金性能估计。
| 第13款 | 矿物加工和冶金测试 | 第2页 |
13.2冶金测试历史
对Florence铜矿的冶金测试始于1970年代初,当时康菲公司通过实验室柱测试确定,该矿床氧化物部分中大约70%的铜可以用稀硫酸提取。进行了长达200天的试验,表明在试验结束时,铜的提取仍在进行中。康菲公司还建造和运营了一个现场试验工厂。该工厂的材料来自本报告界定的储备区域内的一个单层试验地下矿井。试验矿生产了50,000吨矿化物质,为试验厂的运作提供原料。关于氧化物材料的试验工厂方案于1975年实施,包括将蒸馏和搅拌浸出与溶剂萃取和阴极铜电积相结合的单独运行。每次试验都是在名义上的7天试验周期内进行的,其中5天是浸出,2天是洗涤。当铜的总萃取量接近头部样品的酸溶性成分时,浸出被认为是完全的,相当于平均总铜萃取量为72%,平均酸耗量为7磅/磅铜。生产的PLS通过溶剂萃取和电积成功地处理,产生了质量良好的阴极。该方案实现了比实验室更高的铜提取,并证实了利用浸出有效地从矿床的氧化矿中提取、回收和生产优质阴极铜的可行性。
随后,Magma和BHP在20世纪90年代对各种样品进行了一系列浸出条件和持续时间的实验室色谱柱测试。当时认识到了用于预测ISCR性能的柱式测试技术的缺点,并测试了几种方法以使柱式技术适应这一应用。该试验程序最终导致在充满硅砂的饱和柱中浸出芯块,以最大限度地减少空隙空间。在方案结束时进行了三次饱和柱试验,但这些试验并未使样品浸出完成,因为试验提前结束,而大量的铜回收仍在进行中。
| 第13款 | 矿物加工和冶金测试 | 第3页 |
13.3 ISCR冶金检测
2011年,Florence Copper启动了一项冶金项目,旨在测试先前所有者对ISCR性能的预测,并继续开发改进的ISCR测试方法。ISCR测试程序的基本要素是使用整个岩芯样品,最大限度地减少对岩芯的影响,并在实验室中建立与现场条件尽可能接近的测试条件。这项工作还认识到,多年的长期商业ISCR浸出周期对于实验室测试是不实际的。设置了实验室测试条件,以便在合理的时间内完成实验室测试,并制定了一种放大方法,将实验室结果与预期的实地结果联系起来。
Florence Copper ISCR浸出和漂洗实验室项目从箱式试验发展到单独的加压试验,并最终发展到系列加压试验。测试工作是在亚利桑那州图森市的SGS矿产服务公司进行的。在不列颠哥伦比亚省温哥华和安大略省莱克菲尔德的SGS矿物服务公司进行了辅助分析工作。在科罗拉多矿业学院和蒙大拿理工大学进行了矿物学研究。
测试中使用的PQ和HQ岩芯样品来自2011年的五个金刚石钻孔。钻孔CMP11-01、CMP11-02和CMH11-03B位于矿床的南方电力部分,靠近原BHP试井场,钻孔CMP11-05和CMP11-06位于矿床的北部,毗邻PTF井场。选定的钻芯子样本已提交给科罗拉多矿业学院QEMSCAN实验室进行矿物学检查。矿物学分析表明,样品中的铜主要由非硫化物矿物组成,包括金孔雀、含铜黑云母、含铜氧化铁和含铜绿泥石,这符合对氧化物单元的地质解释。
在以下各节所述的每个试验系列中,钻芯样品是根据物理观测结果选择的,以表示在整个矿床中发现的关键地质参数的范围,包括岩石类型、粘土含量、铜矿物学和裂缝强度。测试工作的性质包括内在的变异性测试,因为整个岩心点样品都是针对穿过矿床的区域进行测试的。
在测试时,优先考虑建立一个数据集来确定浸出曲线特征,而不是确定每个样品的最大可浸出铜。
| 第13款 | 矿物加工和冶金测试 | 第4页 |
13.3 ISCR冶金测试-续
一旦测试被评估为完成,测试就停止,并使用已建立的METSIM建模技术为测试生成浸出动力学曲线模型。该建模技术利用标准速率方程来解释矿石中快浸出铜和慢浸出铜的成分,从而可以为每个测试数据集生成动力学曲线,将从样品中提取的铜总量建模为时间的函数。
用于确定测试数据成熟的数据验证方法涉及使用浸出测试持续时间的前80%、前90%和100%的数据生成提取模型。如果这三个模型在既定标准内达成一致,则试验数据被认为是成熟的,可用于进行冶金预测(Iasillo和Carneiro,2001年)。只有通过验证步骤合格的测试数据才用于为冶金预测提供信息。
在测试浸出循环结束时,开始进行水冲洗,以去除并说明残留的溶解铜,并确定恢复溶液pH值和化学成分所需的水量。在每次试验结束时,通过计算浸出残留物的重量和化验以及所有溶液的体积和化验,完成了冶金平衡。
以下部分介绍了在测试浸出过程中实现的实测铜提取以及从测试数据中生成的铜提取模型。
| 第13款 | 矿物加工和冶金测试 | 第5页 |
13.4盒式浸出试验程序
(a)导言
2011年至2013年,在多个阶段的试验工作中进行了箱式浸出试验。本试验系列的主要目的是评价使用水平矩形浸出箱的现场冶金性能,以改进现场浸出条件与先前进行的柱体浸出工作的模拟。
该箱试验程序通过锁定循环浸出液横向串联四段整段钻芯,模拟原矿的浸出。浸出是在接近大气压的闭合回路中进行的,当溶解的铜超过1.8g/L时,用溶剂萃取对浸出液(PLS)进行浸出。浸出箱的设计包括确保浸出液不绕过岩芯部分的措施,并使用硅砂填充岩芯间隔之间的空间,以最大限度地减少仪器的孔隙空间。岩心处理程序的设计是为了最大限度地减少岩心中自然裂缝的干扰。图13-1显示了浸出箱测试装置的设置。

图13-1:带芯样(左)和装入硅砂(右)的浸出箱设置
在箱式浸出试验系列中,共组装并测试了24个箱式。表13-1概述了每个盒子所用样品的钻芯特性的详细情况。
| 第13款 | 矿物加工和冶金测试 | 第6页 |
13.4盒式浸出试验程序-续
(a)导言-续
表13-1:盒式试验样品来源和分类
| 方框 |
洞 |
样本深度 |
粘土% |
大都会区 |
骨折 |
岩石类型 |
| 1 |
CMP11-01 |
495-514 |
1至2 |
铜/硅(1) |
>15 |
Yqm(4) |
| 2 |
CMP11-01 |
550-565 |
5至10 |
混牛(2) |
6-10 |
Yqm |
| 3 |
CMP11-01 |
650-660 |
1至2 |
混牛 |
11-15 |
Yqm/Tgdp |
| 4 |
CMP11-01 |
734-767 |
1至2 |
铁牛(3) |
11-15 |
Yqm/Tgdp |
| 5 |
CMP11-02 |
470-491 |
2至5 |
铜/硅 |
6-10 |
Yqm |
| 6 |
CMP11-02 |
531-546 |
2至5 |
混牛 |
11-15 |
塔(5)/Yqm |
| 7 |
CMP11-02 |
590-605 |
1至2 |
混牛 |
0-5 |
Tgdp(6) |
| 8 |
CMP11-02 |
711-726 |
<1 |
铜/硅 |
角砾岩(7) |
Yqm |
| 9 |
CMH11-03B |
458-485 |
10至20 |
混牛 |
角砾岩 |
Ta/Yqm |
| 10 |
CMH11-03B |
564-584 |
1至2 |
混牛 |
11-15 |
Yqm |
| 11 |
CMH11-03B |
635-669 |
2至5 |
混牛 |
11-15 |
Yqm |
| 12 |
CMH11-03B |
740-760 |
1至2 |
铁牛 |
6-10 |
Yqm/Tgdp |
| 13 |
CMP11-05 |
485-522 |
5至10 |
混牛 |
>15 |
Yqm |
| 14 |
CMP11-05 |
700-720 |
1至2 |
混牛 |
6-10 |
Yqm |
| 15 |
CMP11-05 |
920-940 |
5至10 |
混牛 |
11-15 |
Yqm |
| 16 |
CMP11-05 |
1134-1144 |
5至10 |
混牛 |
角砾岩 |
Yqm |
| 17 |
CMP11-06 |
530-540 |
2至5 |
混牛 |
角砾岩 |
Yqm |
| 18 |
CMP11-06 |
735-749 |
2至5 |
铁牛 |
11-15 |
Tgdp |
| 19 |
CMP11-06 |
880-895 |
1至2 |
混牛 |
>15 |
Yqm |
| 20 |
CMP11-06 |
1090-1105 |
5至10 |
铁牛 |
>15 |
Yqm |
| 21 |
CMP11-01 |
565-670 |
1至2 |
混牛 |
6-10 |
Yqm |
| 22 |
CMP11-02 |
470-550 |
1至2 |
铜/硅 |
6-10 |
Yqm |
| 23 |
CMH11-03B |
669-779 |
<1 |
混牛 |
>15 |
Yqm |
| 24 |
CMP11-05 |
522-710 |
2至5 |
铁牛 |
6-10 |
Yqm |
备注:(1)Cu-Ox/Si =氧化铜和硅酸盐混合物
(2)混合牛=铜和氧化铁的混合
(3)铁牛=氧化铁
(4)Yqm =前寒武纪石英二长岩AKA石英二长岩斑岩
(5)Ta =第三系安山岩
(6)Tgdp =第三纪花岗闪长岩斑岩
(7)角砾岩或断层凿子-破碎样品
| 第13款 | 矿物加工和冶金测试 | 第7页 |
13.4盒式浸出试验程序-续
(b)成果
盒式测试-第1阶段
这一系列试验的第一阶段包括总共16个箱式浸出试验,主要目的是评价浸出箱试验装置及其对可变酸强度下铜提取率的影响。由于当时没有成熟的抽余液,所以使用硫酸酸化的水来配制初始浸出液。
方框1至16的样品来自钻孔CMP11-01、CMP11-02、CMH11-03B和CMP11-05。从每个孔中组装了四个盒子,每个盒子中装有来自相邻5英尺岩心间隔的四块钻芯。一个箱子是用氧化带顶部的材料装载的,两个是从中间装载的,一个是从底层硫化带附近的底部装载的。这导致四个钻孔各有四个盒子,里面的材料代表预计在氧化带垂直剖面上的矿物学。
每个钻孔的四个盒子中的三个在锁定周期中使用5 g/L、10 g/L和20 g/L的溶液酸度浸出。每个钻孔的第四个盒子首先用NaCl进行惰性示踪剂测试,然后再用10 g/L的溶液浸出,以估计岩心样品的水文参数。在浸出循环结束时重复进行示踪剂试验,以确定因浸出或降水而引起的流动特性的任何变化。
浸出试验的持续时间从134天到228天不等。浸出试验名义上在152天时终止,除非PLS品位仍高于0.5克/升铜的临界值,或者如果PLS和抽余液品位之间的差异需要延长浸出持续时间。
在测试结束时,在16个箱子中测得的铜提取率平均为61%,平均耗酸率为15磅/磅铜。
对试验数据进行了分析,并决定使用10 g/L的抽提液酸度作为今后试验工作的基础,因为较高的酸度会导致较高的酸消耗,而回收率不会显著提高。由于这一决定和前面所述的数据验证程序,使用10g/L溶液酸强系列的测试被用作项目冶金预测数据集的一部分,而在随后的冶金预测中没有使用5g/L和20g/L酸的测试。
| 第13款 | 矿物加工和冶金测试 | 第8页 |
13.4盒式浸出试验程序-续
(b)结果-续
盒式试验-第1阶段-续
虽然在预测中没有使用不同抽余液酸度下的数据集,但它们为描述抽余液酸强与初始浸出动力学之间的关系提供了有价值的定性信息。
在10 g/L酸强下运行的8个箱子的实测铜提取率平均为70%,平均酸耗为12 lb/lb。
图13-2描述了从这一系列测试中得到的10 g/L抽滤液测试数据以及从数据中生成的浸出模型。

图13-2:Box Tests Phase 1-10g/L Raffinate Test Data & Modelled Average Leach Curve
对浸出材料的检查显示颗粒至中等大小的颗粒,没有优先溶液途径的迹象。浸出前和浸出后的示踪剂测试结果也没有可测量的变化。
从结果中没有建立离散的样品头部品位与回收率的关系,表明浸出动力学和提取的总铜主要受样品的矿物学和水文地质特性的控制。
| 第13款 | 矿物加工和冶金测试 | 第9页 |
13.4盒式浸出试验程序-续
(b)结果-续
盒式测试-第2阶段
第二阶段的盒子测试包括四个盒子(盒子17-20),取材于位于PTF附近的钻孔CMP11-06的岩心样品。这一试验阶段的目的是评估使用更成熟的抽余液的酸用量。随着抽提液的成熟,它们会从矿石中积累溶解的矿物成分,随着时间的推移,这会减少抽提液与脉石的反应,并减少浸出过程中的酸消耗。使用更成熟的浸出液进行浸出测试,更接近于模拟在商业操作中将经历的浸出化学和酸消耗。
这一系列的测试是开始使用在测试的第一阶段产生的抽余液,这是一个部分成熟的解决方案。这些试验在锁定循环浸出配置中进行了157天,并使用了10 g/L的施用酸溶液强度。
在平均耗酸率为10磅/磅的情况下,试验期的平均铜提取率为62%。这一系列试验表明,由于使用部分成熟的抽余液开始试验,预期的酸用量减少;然而,该数据集没有达到将其用于冶金预测所需的验证标准。
| 第13款 | 矿物加工和冶金测试 | 第10页 |
13.4盒式浸出试验程序-续
(b)结果-续
箱式试验-第3阶段
进行了第三阶段的箱式浸出试验,以评估放大效应,方法是将四个箱式浸出,以测试较长的矿石接触时间的影响。每个盒子都包含来自CMP11-01、CMP11-02、CMH11-03B和CMP11-05的核心。
在平均耗酸率为9磅/磅的情况下,试验期的平均铜提取率为76%。该试验证明了改进的串联构型中的浸出动力学,试验结果符合项目数据验证标准。用于测试的铜提取和相关的浸出模型均如图13-3所示。

图13-3:Box Tests Phase 3-Series Box Test Data & Modelled Leach Curve
| 第13款 | 矿物加工和冶金测试 | 第11页 |
13.5 PRT浸洗方案
(a)导言
2013年,开发了一种压力冲洗试验(PRT)装置,以确定矿体中的静水压力对冲洗性能的影响,并对箱式浸出试验程序中的浸出残留物进行了一套开发冲洗试验。在这一初步工作的过程中,PRT装置的设计和测试方法已经足够先进,以便于进行混合浸出和漂洗试验,以更紧密地匹配原位孔隙度和压力,并增加与矿石接触长度的溶液。
PRT装置由一个不锈钢柱组成,其中的浸出液可以在120 psi的压力下纵向通过2英尺长的整芯间隔。
2013年和2014年共进行了11次浸出和冲洗PRT联合试验。11次PRT浸出和冲洗试验所用样品的钻芯特性详情见表13-2。
表13-2:PRT浸洗样品的来源和分类
| PRT |
洞 |
样本深度, |
粘土% |
遇见 |
骨折每 |
岩石 |
| 1 |
CMP11-06 |
669-674 |
10至20 |
铁牛(1) |
角砾岩(2) |
Yqm(3) |
| 2 |
CMP11-06 |
777-782 |
5至10 |
混牛(4) |
11-15 |
Yqm |
| 3 |
CMP11-06 |
865-870 |
10至20 |
混牛 |
6-10 |
Yqm |
| 4 |
CMP11-05 |
685-690 |
<1 |
混牛 |
6-10 |
Yqm |
| 5 |
CMP11-05 |
465-470 |
5至10 |
混牛 |
>15 |
Yqm/Tgdp |
| 6 |
CMP11-06 |
766-771 |
1至2 |
混牛 |
>15 |
Yqm |
| 7 |
CMP11-06 |
545-550 |
1至2 |
混牛 |
11-15 |
Yqm |
| 8 |
CMP11-06 |
585-590 |
1至2 |
混牛 |
11-15 |
Yqm |
| 9 |
CMP11-06 |
615-620 |
10至20 |
混牛 |
角砾岩 |
Yqm |
| 10 |
CMP11-05 |
665-670 |
<1 |
混牛 |
>15 |
Yqm/Tgdp |
| 11 |
CMP11-06 |
751-755 |
<1 |
混牛 |
6-10 |
Tgdp(5) |
备注:(1)铁牛=氧化铁
(2)角砾岩或断层凿子-破碎样品
(3)Yqm =前寒武纪石英二长岩AKA石英二长岩斑岩
(4)混合牛=铜和氧化铁的混合
(5)Tgdp =第三纪花岗闪长岩斑岩
| 第13款 | 矿物加工和冶金测试 | 第12页 |
13.5 PRT浸洗方案-续
(b)成果
PRT的浸出试验是在溶解铜超过1.8g/L时在PLS上进行溶剂萃取的闭合回路中进行的,而漂洗试验是在开路中使用来自项目现场的水进行的。
为了评估地层压力条件对浸出的影响并收集更多的漂洗数据,进行了最初的四次PRT浸出和漂洗试验。随后的测试评估了7.5g/L和10g/L的洗涤液酸度,并结合测试策略,在漂洗的最后阶段优化了微量元素的衰减。
最初的漂洗试验只用水进行,随着试验的进行,进入了分阶段的漂洗过程。后期试验的分阶段冲洗包括用场地水进行初步冲洗,然后在场地水中用碳酸氢钠冲洗,然后在场地水中定期添加三价铁。
使用不同抽余液酸度的测试结果表明,使用较低酸度可以实现类似的铜提取,使用7.5 g/L抽余液的测试比使用10 g/L的测试消耗大约20%的酸,所需的漂洗量大约减少20%。虽然7.5g/L的测试产生了有利的结果,但较低的抽余液酸度没有被纳入随后的放大测试工作,因为这些测试没有达到冶金预测所需的验证标准。
经验证的数据集完全由10g/L的抽提液酸度测试组成,其平均铜提取率为61%,平均耗酸量为10 lb/lb,平均需要9个孔体积才能完成漂洗。
图13-4显示了经过验证的10 g/L抽提液酸度测试数据以及浸出模型。
| 第13款 | 矿物加工和冶金测试 | 第13页 |
13.5 PRT浸洗方案-续
(b)结果-续

图13-4:PRT成熟测试数据&建模平均浸出曲线
| 第13款 | 矿物加工和冶金测试 | 第14页 |
13.6系列浸出测试
(a)导言
2015年初,进行了一系列浸出测试(SLT),以提供浸出放大数据,以测试早期测试的模型参数,并为计划的PTF操作提供信息。试验中研究的关键参数是酸耗、PLS品位、铜回收率和浸出动力学。
SLT装置由七个单独的PRT试验装置串联而成。设备的照片如图13-5所示

图13-5:系列浸出测试仪
SLT通过大约15英尺的整个核心解决方案,解决方案传输时间约为13天。这大约代表了解决方案传输时间少于两天的单个PRT和估计传输时间为30天的全尺寸井场之间放大的中间点。
每天从第三艘也是最后一艘PRT船上采集溶液样品,其余船只每天轮流取样,以便对试验进度进行更详细的监测。第三个和最后一个PRT容器的每周复合样本是从每日样本中构建的,并用于多元素ICP扫描。对每天采集的每个溶液样品进行pH值、游离酸、氧化还原电位、铜和铁的分析。
| 第13款 | 矿物加工和冶金测试 | 第15页 |
13.6系列浸出测试-续
(a)导言-续
2011年钻探的两个资源区域在SLT中得到了体现,不过测试的样本更偏重于CMP11-05和CMP11-06的样本,以便为PTF的行动提供数据。用于SLT的样品的钻芯特性详情见表13-3。
表13-3:SLT样本来源和分类
| 细胞 |
孔号 |
样本深度,英尺 |
粘土 |
大都会区 |
骨折每 |
岩石 |
| 1 |
CMP11-05 |
645-647 |
1至2 |
混牛(1) |
>15 |
Yqm(4) |
| 2 |
CMP11-05 |
648-650 |
1至2 |
混牛 |
>15 |
Yqm |
| 3 |
CMP11-06 |
595-597 |
2至5 |
混牛 |
11-15 |
Yqm |
| 4 |
CMP11-06 |
598-600 |
2至5 |
混牛 |
11-15 |
Yqm |
| 5 |
CMP11-06 |
758-760 |
1至2 |
混牛 |
>15 |
Yqm |
| 6 |
CMP11-02 |
651.5-653.5 |
2至5 |
混牛 |
角砾岩(3) |
Yqm |
| 7 |
CMP11-02 |
662-664 |
1至2 |
铜牛(2) |
角砾岩 |
Yqm |
备注:(1)Mix ox = Mix of Copper and Iron Oxides
(2)铜牛=氧化铜
(3)角砾岩或断层凿子-破碎样品
(4)Yqm =前寒武纪石英二长岩AKA石英二长岩斑岩
SLT采用酸强为10g/L的洗脱液,在循环前用溶剂萃取处理的PLS进行锁定循环。碱溶液来自以前的试验,以尽可能接近地模拟稳态浸出化学。
在测试中注入浸出液211天,测试溶液库存已被采样程序消耗,浸出结束。铜仍在回收中,当测试的浸出部分结束时,PLS的铜品位为0.5克/升。PLS品位的峰值为3.7克/升的铜,在浸出过程中平均为1.5克/升。
浸出期的铜提取和酸耗曲线如图13-6所示。
| 第13款 | 矿物加工和冶金测试 | 第16页 |
13.6系列浸出测试-续
(b) 结果-续

图13-6:SLT萃取与酸用量汇总
SLT试验在211天的浸出周期中,以5磅/磅的酸性消耗提取了所含铜的70%。将验证方法应用于测试数据,并确认数据已足够成熟,可用于冶金投影。在试验期间,没有观察到如容器压差增加或铜损失所显示的降水的证据或负面影响。多元素ICP扫描数据表明PLS中不存在有害元素。
SLT的设计提供了数据,使得合并的前三个单元、合并的最后四个单元和七个单元的整体组合能够完成冶金平衡。
对浸出残留物的分析发现,剩余的氧化物和硅酸盐铜随机分布在每个岩心样品中。就前三个和后四个细胞而言,残留物中20%的铜作为易酸溶物质存在。
这表明,随着浸出量的扩大,可浸出的铜种类继续根据矿物的溶液可获得性进行回收。浸出残留物中也没有铜沉淀的迹象。
| 第13款 | 矿物加工和冶金测试 | 第17页 |
13.6系列浸出测试-续
(b)结果-续
试验的冲洗阶段是在停止浸出后开始的。在冲洗的头36天取代的浸出液被包括在冶金和酸平衡中,直到溶液等级降至0.2克/升的铜以下。
SLT采用开路洗涤,洗涤速度为进水流量的二分之一。使用PRT程序中开发的三阶段方法进行漂洗。采用硫酸盐作为漂洗性能的指示物质,经过总共268天后达到目标硫酸盐含量低于750ppm。达到这一目标所需的冲洗溶液总体积为9孔体积。硫酸盐和pH值的整体漂洗性能如图13-7所示。

图13-7:SLT洗涤pH值和硫酸盐浓度汇总
| 第13款 | 矿物加工和冶金测试 | 第18页 |
13.7冶金检测结论
(a)盒式浸出试验方案
开发箱式浸出试验装置,与以前进行的柱式浸出工作相比,改进了现场冶金性能评估。
共有来自第一阶段测试的8个盒子和来自第三阶段测试的4个盒子符合项目验证标准,为冶金预测提供信息。这些经过验证的测试均以10 g/L的酸强度进行,平均72%的实测铜提取率,在测试期间的平均酸耗为11 lb/lb的铜。
在任何试验中产生的PLS中均未检出有害元素,而且由于试验中产生了更成熟的溶液,因此酸的消耗减少了。通过串联操作四个盒子,测试扩大浸出的影响,结果改进了浸出动力学,而单个盒子测试在测试期间以9磅/磅铜的平均酸耗率实现了76%的铜提取率。
总体而言,从结果中没有建立离散的样品头部品位与回收率之间的关系,表明浸出动力学和提取的总铜主要受样品的矿物学和水文地质特性控制。
(b)PRT浸洗方案
PRT装置的开发通过更紧密地模拟ISCR条件,包括典型的原位矿体静水压力,进一步改进了原位铜回收过程的表现形式。
在这个试验系列中,开发了一个三阶段冲洗方案,包括用现场水进行初步冲洗,然后在现场水中用碳酸氢钠冲洗,然后在现场水中定期添加三价铁。
共有5个PRT符合项目验证标准,为冶金预测提供信息。这些经过验证的测试均以10g/L的酸强度进行,平均61%的实测铜提取率,平均酸耗为10 lb/lb的铜,平均需要9个孔隙体积才能将硫酸盐水平降至750ppm的目标水平以下。
这项工作还确定了一个潜在的机会,即通过使用7.5g/L的萃取酸,在不影响铜萃取的情况下减少酸的消耗和所需的漂洗量。
| 第13款 | 矿物加工和冶金测试 | 第19页 |
13.7冶金检测结论-续
(c)系列浸出试验方案
SLT方案的实施是为了提供浸出放大数据,以测试早期测试的模型参数,并为计划的PTF操作提供信息。
测试工作的结果是,在211天的浸出周期结束时,以5磅/磅铜的酸性消耗提取70%的铜。对浸出残留物的分析发现,随着测试扩大到更长的接触时间,浸出在整个样品系列中的进展是一致的。
与以前的测试工作一致,从测试中生成的PLS被发现不包含对该过程有害的元素。
SLT浸出动力学曲线建模表明,随着试验的扩大,浸出动力学得到改善,在减少施酸量的情况下实现了更有效的酸利用。
测试的漂洗部分需要9个孔隙体积,才能使溶液中的硫酸盐含量降至目标的750ppm以下。
SLT测试成功地提供了ISCR放大的指示,并用于为PTF的规划和操作提供信息。
| 第13款 | 矿物加工和冶金测试 | 第20页 |
13.8生产试验设施
(a)导言
PTF的目的是证明水力控制,并确认氧化矿带在水文上表现为一种等效的多孔介质,从而确保对地下饮用水源的保护。第二,PTF提供了一个机会来测试业务控制和战略,以便为今后的商业规模业务提供信息。最大限度地利用PTF生产铜不是一个目标,该设施不允许完成一个完整的浸出循环。
PTF井田位于矿床的北部,在一个具有挑战性的水文地质位置上进行了特殊的选择,以证明水力控制。井田位于地堑边缘,主要断层贯穿周围地区。该地点也被选为代表计划在商业生产开始时浸出的矿石。在上一节中描述的冶金测试包括钻孔CMP11-05和CM11-06的样品,这些钻孔位于PTF井田区域内。
该井田的设计采用了与商业规模ISCR设施相同的井距和施工方法。PTF试验和作业过程中产生的水力性能数据为商业规模井场的设计和作业规划提供了重要的信息支持。
PTF设施包括ISCR井田、SX/EW加工厂、酸性反渗透水处理厂、蓄水池、径流池和相关基础设施。PTF井田由四口注入井、九口采收井、七口观察井和四口多层采样井组成。图13-8显示了PTF井场的鸟瞰图。
| 第13款 | 矿物加工和冶金测试 | 第21页 |
13.8生产试验设施-续
(a)导言-续

图13-8:PTF井场俯瞰图
作为作业前的要求,使用了井场的泵测试和使用荧光染料的示踪剂测试,以证明可以在注入井和回收井之间建立和控制流场。通过在PTF井之间建立足够的连接以产生一个凹陷锥体,使地层的水力控制得以维持,测试成功地证明了地层在水文上表现为等效的多孔介质。测试结果已提交给监管机构,并批准PTF开始运行。
| 第13款 | 矿物加工和冶金测试 | 第22页 |
13.8生产试验设施-续
(a)导言-续
PTF的浸出操作于2018年12月开始,在商业运行条件下一直持续到2020年6月,之后停止添加新鲜的酸,浸出阶段逐步结束,并于2020年10月底关闭加工厂。PTF井田随后进入冲洗阶段,目前正在进行中。
图13-9给出了PTF井场布局示意图。

图13-9:PTF ISCR井场井方向
| 第13款 | 矿物加工和冶金测试 | 第23页 |
13.8生产试验设施-续
(a)导言-续
井场示意图表明,R-09井是唯一一口远离油田周边、位于四口注入井中心的采收井。其他八个采收井(R-01至R-08)兼有采收井和周围井的双重功能。因此,这些井的地下水稀释程度高于R-09井和较大商业井田的典型条件。商业井田将使用专用周围井进行水力控制,大多数采收井将位于井田内部,远离井田周界。由于这些原因,R-09被认为是最具代表性的典型商业回收井。
与R-09有关的矿块以回收井为中心,由四个注入井(I-01至I-04)包围,根据注入井和回收井的筛选区域,在垂直方向上分成三个区域。包括1至3区的R-09区块估计约为整个矿床平均厚度的两倍,包含50.5万吨矿石,总品位为0.52%,相当于大约520万磅所含铜。表13-4汇总了R-09区块按区域划分的矿石吨数和相关品位。
表13-4:R-09矿Block按区域划分的矿头等级汇总
| 区域 |
区域 |
海拔 |
矿体 |
合计 |
酸溶性 |
包含 |
| 1 |
顶部 |
520-650 |
96,000 |
0.33 |
0.16 |
631,000 |
| 2 |
中间 |
650-890 |
179,000 |
0.49 |
0.31 |
1,770,000 |
| 3 |
底部 |
890-1200 |
230,000 |
0.61 |
0.41 |
2,810,000 |
| 1-3 |
合计 |
520-1200 |
505,000 |
0.52 |
0.33 |
5,210,000 |
注:由于四舍五入,总数可能不相加
| 第13款 | 矿物加工和冶金测试 | 第24页 |
13.8生产试验设施-续
(b)浸出结果
PTF ISCR操作于12月5日启动第,2018年随着注水和回收水在井场内建立水力控制梯度和流场。在建立并确认持续井场水力控制后,于12月15日开始向井场注入弱酸性溶液第, 2018.
在井田启动和酸化过程中采用了系统和谨慎的操作策略。操作优先考虑液压控制条件而不是ISCR冶金性能。在有条不紊的基础上进行了业务变动和监测,在作出另一项变动之前等待系统的反应。对注入溶液的改变导致响应时间长达数周,在回收井溶液中改变变得明显。在PTF作业期间采取的这种谨慎和有条不紊的方法使得收集了大量数据集,但延长了完成浸出区域酸化所需的时间。从这种有条不紊的方法中获得的知识使我们得以制定一项启动业务战略,以加快商业浸出区的酸化。
PTF作业成功地展示了在ISCR作业期间持续的井场水力控制。
扫描效率
扫描效率定义为注入溶液在从注入到回收井流动时所扫过或接触的孔隙空间的比例。随着浸出过程的进行和更多的矿石被工艺溶液接触,扫描效率随时间的推移而增加。在浸出过程中实现的最终清扫效率表明将从中回收铜的矿石比例。
为了评估R-09矿块内的浸出液接触程度,采用了定期的地球物理监测,以收集在PTF演示的浸出阶段期间地下电阻率或其逆电导率的变化数据。与背景溶液相比,浸出溶液具有明显更高的电导率,从而可以随着时间的推移对被浸出的区域进行评估。地球物理监测传感器网络允许对R-09矿区上90%的区域进行监测。
为了估计清扫效率,在给定点背景条件的可测量和一致的变化被认为是相对清扫的指示,这种变化的幅度可归因于浸出动力学。
| 第13款 | 矿物加工和冶金测试 | 第25页 |
13.8生产试验设施-续
(b)浸出结果-续
扫描效率-续
采用这种方法,制定了地球物理标准,以确定浸出液接触了井田的哪些区域,并监测浸出过程的进展。
对R-09的地球物理监测发现,在浸出的前5周,所有监测的矿石区都被浸出液接触。由于传感器网络无法跟踪矿带底部10%的浸出,PTF仅能证明井场的清扫效率至少为90%。这一结果证实了用于该项目的扫描模型是合适的,而且很可能是保守的,预计长期扫描效率为90%。
PTF运行第一个月后收集的地球物理监测数据表明,电导率的变化逐月逐渐增加。地层中注入流集中的区域,特别是矿体的中间部分,测量出最大的电导率变化。
| 第13款 | 矿物加工和冶金测试 | 第26页 |
13.8生产试验设施-续
(b)浸出结果-续
PLS等级
开始PTF操作后,游离酸大约需要3.5个月才能突破井场,并在PLS溶液中被检测到,另外还需要2.5个月才能使井场充分酸化,从而根据PLS溶液铜品位和pH值在R-09中建立有效的浸出。在酸突破之前,所有引入井场的酸都被消耗掉了,这表明该系统最初是缺酸的,并且在浸出循环的最初几个月中使用更高的洗液流量和/或洗液酸度将是有益的。
在R-09矿块酸化后,在浸出阶段,PLS品位增加到最大2.3克/升的铜,平均标称1.6克/升的铜。
为了测试在浸出区内控制溶液分布的操作策略,在R-09的下部区域(3区)测试了逆流策略。逆流配置通过R-09中心井注入抽余液,并暂时将注入井改为恢复井,以保持水力控制。该试验最初进行了12天,在恢复到正常流量配置后,PLS品位大幅上升,从0.5克/升上升到1.7克/升。在浸出阶段对这一策略进行了多次测试,产生了类似的PLS品位增加。
在浸出阶段,在地层未完全酸化至目标浸出pH值的区域检测到石膏形成的迹象,石膏形成会影响井筛和回收井泵的性能。PTF中石膏结垢的形成,通过偶尔的机械擦拭和用抽余液对回收井进行反冲洗,得到了有效的控制。这些管理石膏污染的战略将被纳入商业运营计划。
还测试了在使用充气封隔器的情况下改变采收井的泵组深度,以针对地层中的特定区域,以评估其影响浸出条件和PLS等级的有效性。在浸出阶段期间多次采用这一策略,每一次都导致PLS铜品位提高20%或更高,表明其有效地将流向矿块内的特定区域。在浸出循环过程中应用这些运动有望最大限度地减少PLS等级的变化,并改善地层内溶液接触的程度。
| 第13款 | 矿物加工和冶金测试 | 第27页 |
13.8生产试验设施-续
(b)浸出结果-续
酸性消费
正如预期的那样,并符合典型的浸出性能和实验室测试工作,在作业的最初几个月,在井场酸化和开始浸出铜的过程中,每单位铜提取的初始酸耗相对较高。随着浸出循环的进行和铜回收的增加,酸耗率显著降低。
在商业抽提液酸度条件下,酸突破后到浸出阶段结束的酸用量平均为8.1磅/磅铜。随着操作的进行,酸消费量继续下降,在最后一年(2019年6月至2020年6月),酸消费量降至5.1磅/磅铜,在最后6个月(2020年1月至2020年6月),在商业条件下的浸出过程中,酸消费量降至4.6磅/磅铜。由于没有完成一个完整的浸出循环,因此不能直接从PTF结果中直接获取酸的总消耗量,因为随着浸出的进展,消耗量预计将继续下降。
在商业浸出试验结束时,新鲜的酸添加停止,浸出逐渐减少,在4个月的时间内,抽提液酸度自然逐渐下降,随后SX/EW工厂关闭。在此期间,树脂酸浓度逐渐从10克/升降至1.5克/升。这一缓降期有助于进一步收集数据,以了解低酸度的抽滤液条件对浸出性能的影响。考虑到降产期,酸突破后至2020年10月底的酸用量降至3.8磅/磅铜。
在浸出阶段,评估了10 g/L至15 g/L之间的各种浸出酸强度,以扩大对浸出动力学影响的理解,从而为更新的项目浸出模型提供信息。从4个月的浸出减少期收集的额外数据为校准低酸度条件下的项目浸出模型提供了数据。这些数据表明,通过商业操作中的低酸度浸出延长一口井的经济寿命,有可能增加铜的回收率。
| 第13款 | 矿物加工和冶金测试 | 第28页 |
13.8生产试验设施-续
(b)浸出结果-续
恢复
PTF井田的设计和目的表明,R-09的主要功能是建立凹陷锥体,并保持向井田中心的向内水力梯度;然而,R-09也是PTF的主要产铜井。由于这种双重责任,R-09生产的PLS受到的稀释比商业井田作业所经历的更多。
SX/EW加工厂在经过4个月的初始浸出期后,于2019年3月中旬开始运营,并于2020年10月停止运营,4个月前,在向抽余液中添加新鲜酸后停止运营。在整个运行过程中,该工厂以99.9%的高平均可用性运行,并从ISCR浸出液中生产了总计110万磅的高等级阴极铜产品。其中62%可归因于R-09,估计在R-09矿石区块内回收了13%的所含铜。PTF浸出在浸出周期的早期就终止了,而且从未打算运行足够长的时间来实现商业回收。
PTF ISCR操作产生的溶液化学不会对加工厂提出任何化学挑战,使工厂在工厂操作期间能够高效和可靠地运行。
工厂的PLS进料流量平均为150 gpm,含PLS品级为1.2 g/L的铜。由于试验田周边采收井的稀释边缘效应,工厂PLS平均品位低于R-09生产的品位。SX工厂在运营期间保持着平均93%的高提取率。还保持了无任何有害元素的优质电解质,并在整个手术过程中产生了极少的杂质。
该工厂生产的高质量电解质有助于电积电路以平均97%的高电流效率运行,外加电流密度平均为21安培/英尺2.
| 第13款 | 矿物加工和冶金测试 | 第29页 |
13.8生产试验设施-续
(c)冲洗结果
为了证明在浸出后含水层水质恢复到规定水平,在SX/EW工厂关闭后,PTF井田转变为冲洗结构。为了尽量减少淡水的使用并减少所需的蓄水能力,于2021年1月底启用了酸性反渗透水处理厂,以测试该技术并支持PTF冲洗。
自PTF漂洗开始以来,R-09回收溶液中的硫酸盐浓度已从最初的8200 ppm降低到3000 ppm以下,降低了60%以上。
与在浸出结束时完成冲洗的实验室试验工作不同,PTF冲洗是在浸出循环的最强部分开始的,这会影响矿石的反应性和与冲洗溶液接触时产生的溶液化学性质。由于其他限制因素,PTF冲洗操作的最初9个月是在低于理想流量的情况下完成的,回收的冲洗溶液部分再循环。因此,PTF漂洗并不明显类似于实验室测试工作或商业操作中的漂洗。
总体而言,随着冲洗阶段的推进,PTF井田回收溶液中的硫酸盐浓度继续稳步下降。已证明用于支持PTF冲洗的酸性反渗透水处理装置能够可靠地处理回收的冲洗溶液,产生合适质量的水,以有效地冲洗浸出的PTF井田。根据这一结果,一个类似的水处理厂将用于商业运营,以支持商业井场冲洗。
随着PTF冲洗的继续,收集的数据测试不同的流量和流量配置,包括逆流配置将被用于通知商业项目的操作策略和完善项目冲洗模型。
| 第13款 | 矿物加工和冶金测试 | 第30页 |
13.8生产试验设施-续
(d)结论
PTF成功地证明,可以建立和维护ISCR井田工艺解决方案的水力控制,以确保保护地下饮用水水源。它还进一步证实,氧化矿带在水力学上表现为等效的多孔介质。
虽然最大限度地提高PTF的铜产量不是测试的目标,但PTF业务确实提供了宝贵的数据,以测试业务控制和战略,为今后的商业规模业务提供信息。采用诸如反向流动、使用充气封隔器以确定地层的目标区域、以及通过增加抽余液注入流量和/或酸强度来改变施酸率等策略,都被证明是在商业浸出作业中使用的有益工具。
在浸出阶段,PTF井田的可用率很高,问题相对较少。与回收井泵和电机选择有关的小问题在作业初期得到了纠正,从而在作业期间实现了高可用性。
地球物理监测证实,在PTF中心区块内可以实现模拟的扫描效率,所采用的扫描模型是适当的。
从中心井取得了商业PLS等级。
在商业设施中,井田的初始酸化将通过在启动时使用逆流和较早提高施酸率而得到改善。
在浸出循环过程中调整泵的深度和封隔器的位置是针对区域内浸出的有效策略,以最大限度地提高清扫效率并管理PLS等级的变化。在更大的商业ISCR操作中,更有效地错开这些运动以及调整泵速将更容易做到。
SX/EW实现了99.9%的高可用性,生产了110万磅的高等级阴极铜产品。从PTF ISCR操作引入的溶液化学不会对加工厂提出任何化学挑战,使工厂能够以高萃取率、低油渣生成和高电积电流效率高效和可靠地运行。
| 第13款 | 矿物加工和冶金测试 | 第31页 |
13.8生产试验设施-续
(d)结论-续
PTF浸出阶段产生了有价值的现场数据,包括酸耗和浸出动力学,已被用于连接实验室数据和商业操作之间的放大。PTF的运行数据与实验室测试数据相结合,为该项目开发了更复杂的浸出模型。
在浸出阶段之后,PTF过渡到目前正在进行的漂洗阶段。从R-09回收的溶液中的硫酸盐浓度被用来跟踪漂洗进度,随着漂洗的进行,漂洗进度继续稳步下降。
酸性反渗透水处理已经过测试并证明能够可靠地从工艺流中产生漂洗质量的水。
正在对漂洗的操作策略进行测试,例如采用逆流配置,所收集的数据将用于为商业操作策略和更新漂洗模型的开发提供信息。
| 第13款 | 矿物加工和冶金测试 | 第32页 |
13.9冶金业绩估计
以前的铜浸出性能估计是基于对实验室浸出结果的建模,并结合建模的扫描效率和对过量溶液的预期铜损失。当时佛罗伦萨没有可用的实地浸出数据来模拟或校准性能估计数。
PTF的建造和运行不仅证明了ISCR可以在佛罗伦萨安全地进行,而且还产生了浸出数据,从而可以根据观察到的井场性能创建和验证更复杂的浸出模型。更新的浸出模型还考虑了在PTF操作中被证明有效的关键操作控制参数,模型允许对这些参数进行调整,以制定商业生产计划。
(a)沥滤建模
为2023年生产计划开发的浸出模型使用动力学浸出曲线来模拟矿石中的铜释放,并结合多重流动路径方法来模拟注入井和回收井之间的流动。动力学浸出曲线模型是通过对实验室试验工作的分析得出的,它解释了所模拟的矿块中快浸出铜和慢浸出铜的比例。多流通道法利用扫描效率曲线确定注入井和采收井之间的流量分布。该模型允许通过作为浸出操作控制的洗液流速和洗液酸强度调整来改变施酸率。该模型利用PTF运行数据进行了验证,能够对观测到的PTF性能进行精确预测。
浸出模型根据矿石块的品位(总铜和酸溶性铜)和所选的施酸率(流量和抽提酸度)预测矿石块随时间的铜提取、PLS品位和酸耗。这种模型可以对不同矿块的不同作业条件的影响进行建模和评估。在一个矿块上实现的开采是基于一个经济截止值,而不是一个冶金极限。经济截止值是根据在一个区块中回收的增量铜的价值与井和处理溶液以生产可销售阴极铜的相关运营成本确定的。
图13-10显示了在10 g/L酸强和0.1 gpm/ft的抽滤进料流量的标称操作条件下,在总铜0.36%和0.24%酸溶性铜的平均品位矿块上模拟的PLS品位与铜提取曲线。
| 第13款 | 矿物加工和冶金测试 | 第33页 |
13.9冶金性能估计-续
(a)沥滤建模-续
为了说明不同的操作条件对PLS品位和铜提取动力学的影响,将不同条件下的附加曲线叠加到基本情况的标称条件中。

图13-10:不同操作条件下的模型铜PLS等级
图13-10显示,在恒定的浸出速率下增加浸出酸度会增加浸出循环中的PLS等级。该图还表明,在恒定的抽精酸度下增加抽精施用率会导致预测的较低的PLS等级。这些模型结果与PTF运行过程中观察到的效应相对应。
| 第13款 | 矿物加工和冶金测试 | 第34页 |
13.9冶金性能估计-续
(a)沥滤建模-续
不同施酸速率对PLS品位的影响也对浸出的动力学速率有影响。较高的浸出酸度和较高的浸出流速都提高了从矿石中回收铜的速度,并使油井能够更快地完成浸出循环。重要的是要注意到,增加的抽提液酸度也增加了酸的消耗,并提高了生产成本,改变了区块的经济截止点。
鉴于操作条件影响整个浸出动力学,在提取计划中确定井场各部分的浸出周期,在该计划中,操作条件被设置为满足项目操作限制范围内的商业项目生产目标。
(b)总体恢复预测
商业井田的预计总铜开采量是使用采收率模型和项目开采计划中设定的作业条件的井田进度计算的。酸用量是根据计划中为实现计划中的开发和生产顺序而采用的操作条件计算的。在阴极铜的回收中,模拟了井场中的铜提取,以及通过溶液渗漏来维持现场水平衡的浸出铜的表面损失。
根据第16节所述的开采计划,对整个商业井田的铜总开采量的最新预测保守地预测为66.5%,酸消耗估计为6.0磅/磅的铜。考虑到维持水平衡的溶液损失,阴极的总回收率预计为65.8%。为商用SX/EW工厂提供的PLS等级预计平均含有1.7克/升的铜。
| 第13款 | 矿物加工和冶金测试 | 第35页 |
13.10冶金结论
该项目与PTF联合进行的长期冶金试验表明,现场氧化铜矿化适合通过ISCR进行浸出。
在不同的测试阶段,实验室规模测试设备和方法得到了改进,从柱子测试到箱式测试再到PRT测试,最终形成了SLT,以更好地模拟ISCR的规模,并产生与预测的完全规模操作相似的成熟的精馏溶液。使用这些成熟解决方案进行的测试促进了更好地代表商业ISCR操作的浸出动力学模型和酸耗估计的开发。
从实验室试验工作中开发了一种冲洗流程表,包括用水和碳酸氢钠溶液进行多阶段冲洗,以在铜回收结束后恢复含水层水质。
PTF示范浸出运行了22个月,包括4个月的逐步减少。PTF井田随后过渡到正在进行的冲洗阶段。
PTF已成功地证明,在整个浸出阶段和冲洗阶段,Florence Copper井田可以实现和维持水力控制,从而证实了氧化矿带在水文上表现为等效的多孔介质,从而确保了对地下饮用水来源的保护。
虽然PTF既没有设计,也不允许运行一个完整的浸出周期来确定最终的矿块回收率,但利用这一机会评估了以前的实验室测试工作结果,测试了操作控制和策略,并收集了放大过程数据,这有助于开发更复杂的浸出模型,并根据PTF井田的观测性能进行校准。
采用操作策略,如反向流动、使用充气封隔器瞄准地层的特定区域,以及通过增加抽余液注入流量和/或酸强度来改变施酸率,所有这些都证明对操作是有益的控制,并将在商业操作中使用。
在从ISCR操作引入的PTF浸出相溶液化学过程中,SX/EW工艺装置没有遇到任何化学挑战,使该装置能够高效、可靠地生产110万磅不含杂质的高品位铜。
| 第13款 | 矿物加工和冶金测试 | 第36页 |
13.10冶金结论-续
第14节
矿产资源估计
第14节:矿产资源估计数
目 录
| 页 | |
| 14.1 导言 | 1 |
| 14.2 钻孔数据库 | 2 |
| 14.3 存款建模 | 3 |
| 14.4 钻孔复合材料 | 6 |
| 14.5 统计分析 | 7 |
| 14.6 Block模型描述 | 20 |
| 14.7 等级估计方法 | 27 |
| 14.8 模型验证 | 31 |
| 14.9 体积密度 | 32 |
| 14.10 资源分类 | 33 |
| 14.11 矿产资源 | 36 |
| 14.12 可能影响矿产资源估算的因素 | 38 |
表列表
| 表14-1:模型区测定间隔汇总表 | 2 |
| 表14-2:氧化物估算域吨数与分散复合材料比率的比较 | 6 |
| 表14-3:矿石和矿带类别中测定间隔的统计汇总 | 8 |
| 表14-4:按断块(FLTBK)和矿带(MINZN)分类的化验间隔统计汇总 | 9 |
| 表14-5:含有TCu和ASCu值的测定间隔的平均ASCu/TCu比率 | 11 |
| 表14-6:按断块和氧化物估算域列出的25英尺复合材料的统计摘要 | 13 |
| 表14-7:按矿带和岩性分类的测定间隔铜的统计汇总 | 16 |
| 表14-8:按矿带和岩性分类的铜平均品位汇总 | 18 |
| 表14-9:Florence区块模型的位置和范围(NAD83) | 20 |
| 表14-10:变异函数参数 | 27 |
| 表14-11:估计参数 | 29 |
| 表14-12:设定标称网格间距的标准 | 35 |
| 表14-13:佛罗伦萨项目氧化物矿产资源(2022年12月31日生效) | 37 |
数字列表
| 图14-1:EW段745746.82N向北看,显示与资源估算和钻孔有关的地下边界 | 5 |
| 图14-2:按断裂Block分类的氧化带总铜品位区间累积分布曲线 | 10 |
| 图14-3:按断块分类的氧化铜估算域内25英尺复合材料总铜品位累积分布曲线 | 13 |
| 图14-4:按断块和氧化物矿物类型分类的富氧化铁估算域内25英尺复合材料中总铜的累积分布曲线 | 14 |
| 图14-5:按岩石类型Yqm(21)和Tgdp(31)以及矿物类型氧化铜(2)和富氧化铁(3)分类的铜的累积分布曲线 | 17 |
| 图14-6:Block模型位置(红色)、Block模型内钻探数据(红色)和资源区(橙色) | 21 |
| 图14-7:显示Block等级的平面图(700英尺amsl,地表以下约800英尺) | 22 |
| 图14-8:显示Block等级的平面图(1,000英尺asml,地表以下约500英尺) | 23 |
| 图14-9:东西段746146.8N向北显示Block等级 | 25 |
| 图14-10:南北段847689.E向西看Block等级 | 26 |
| 图14-11:氧化带克里格铜品位最终品位-吨位曲线与理论品位-吨位曲线的比较。 | 30 |
| 第14款 | 矿产资源估算 | 第1页 |
14.1导言
关于佛罗伦萨矿产资源的最新声明于2017年发布,并记录在技术报告《NI 43-101技术报告,佛罗伦萨铜矿项目,佛罗伦萨,皮纳尔县,亚利桑那州》中,该报告于2017年1月16日生效,于2017年2月28日发布,于2017年12月4日修订和重述,并在www.sedar.com上提交。然而,对佛罗伦萨矿产资源估算的最新更新已于2010年完成,并记录在SRK咨询公司编写的技术报告“美国亚利桑那州皮纳尔县佛罗伦萨项目的NI43-101技术报告”中。该报告的日期为2010年9月30日,已在www.sedar.com上提交。M3工程技术公司于2013年3月28日在www.sedar.com上提交了题为“NI43-101技术报告预可行性研究,亚利桑那州皮纳尔县佛罗伦萨”的技术报告,其中记录了对佛罗伦萨资源的最后一次勘探工作。
2023年矿产资源估计更新是基于2010年资源更新中开发的相同地质框架,另外还有四个钻孔的铜分析数据。进行了探索性数据分析,以扩展在2010年更新中完成的分析。2023年的研究证实了早些时候的发现,即铜矿物带是控制铜总量和酸溶性分布的主要因素。虽然最近的研究没有发现地质理解和数据集方面的重大变化,但更新内容包括对区块模型结构、地质编码和品位估计策略的变化。此外,由于审查了以前收集的数据和从历史钻芯获得的新的试验样品,对完整岩石密度的估计发生了变化。
2023年更新中纳入的变化旨在简化模型结构,简化矿山业务的分析和预测。项目坐标更新为1983年北美基准(NAD83英尺),区块模型进行了旋转,以使模型方向与生产井计划保持一致。
将地质构架转换为区块模型的方法与以前的模型进行了修改,以获得一个更简单的模型结构,与分析跨矿带接触的铜品位和矿物学变化相一致。氧化带包括两种主要类型的铜铁矿化,它们被明确地建模为控制铜品位估计的估算域。更新了铜矿化的地质统计特征,并将这些估算域和主要断层作为地质统计域界加以考虑。矿产资源的申报附有关于可开采几何形状的最新假设以及经修订的经济和冶金假设。
| 第14款 | 矿产资源估算 | 第2页 |
14.2钻孔数据库
用于2023年资源估计数的钻孔数据库比2010年以前的估计数略大,在资源区内增加了47个钻孔,其中四个钻孔进行了铜分析。大多数钻孔是为液压控制或冶金测试而钻的,没有进行化验。旋转模型区域内目前共有555个钻孔,其中396个钻孔的TCU含量为%。样板区包括633834英尺的总钻孔和336321英尺的总铜取样和化验,如表10-2和表14-1所示。大多数没有铜分析的孔是旋转孔,是为地下水监测和含水层测试或作为历史谴责和评估孔而钻的。这些钻孔是为了岩性而不是铜矿物学而测井的。
大部分的TCU化验(55%)来自硫化物带,反映了该带的厚度和初步勘探工作的重点。39%的TCu化验位于氧化区和过渡区,少量(5%)的化验镜头位于盆地填充区。相对于测定间隔的总数,51%已测定了酸溶性铜(ASCu),其中大多数是在氧化矿化中。在氧化区和过渡区内,85%的TCu分析具有相应的ASCu分析,而只有30%的硫化物记录包含ASCu分析。由于ASCu品位对冶金预测的重要性,利用第14.5节中描述的因素从TCu值中得出缺失值。
表14-1:模型区测定间隔汇总表
| 类别 | 数目 TCu检测 |
录像分析 为TCu |
数目 ASCu检测 |
录像分析 ASCu |
| 盆-填充MINZ 0 | 2,905 | 20,427 | 388 | 3,277 |
| 氧化物 MINZN 1,2,3 |
22,782 | 128,652 | 18,826 | 108,299 |
| 过渡MINZN4 | 1,057 | 5,839 | 980 | 5,394 |
| 硫化物MinZN5 | 36,009 | 180,724 | 10,529 | 53,947 |
| 未分类 MINZN-1,-2 |
71 | 679 | 38 | 352 |
| 合计 | 62,824 | 336,321 | 30,761 | 171,269 |
| 第14款 | 矿产资源估算 | 第3页 |
14.3存款建模
根据以往的地质和统计研究,对铜品位和可浸出矿物学分布的主要控制是基岩顶部以下表生风化的程度以及反映前体硫化物矿物学特征的铜和氧化铁矿物带的相对比例。单个5到10英尺钻孔间隔的铜铁矿物学的特征是矿物类型代码,该代码将样品定义为:氧化铜、富氧化铁(浸出盖层)、过渡(部分氧化的表生富集硫化物)或硫化物(黄铜矿-黄铁矿)。矿物类型的空间分布所显示的表生风化剖面在某种程度上被简化为三个次平行的矿带表面,定义为:
氧化物区主要由氧化铜和富氧化铁矿物类型组成。大约3%的氧化带钻探间隔由过渡和硫化物间隔的小的不连续间隔组成。氧化物和过渡矿物类型的稀有和不连续间隔也出现在硫化物矿带顶部的正下方,占总矿带的不到1%。
在存在的情况下,过渡包括部分氧化的硫化物的薄带(一般小于50英尺)和氧化物和硫化物矿化的层间带。辉铜矿部分取代黄铜矿并在黄铁矿上形成表面是很常见的。在其他地方,铜-铁氧化物矿化显示出一个突然(不到10英尺)的过渡,下面的黄铜矿-黄铁矿矿化。
氧化带中的铜品位受到金孔雀和伴生的氧化铜矿物的强烈控制。虽然铜带和氧化铁带是局部混合的,但较高品位的氧化铜样品一般集中在氧化铜矿带的中部和上部,而富铁矿化则发生在外围和深处的中部核心地带。该矿床的整体几何结构是一个高品位的岩心,在深度上过渡到一个更高品位的倒立杯状区域。氧化物区内的这种垂直和水平分带是由对应于富铜和富铁氧化物矿物类型的氧化物区控制的。
| 第14款 | 矿产资源估算 | 第4页 |
14.3存款建模-续
氧化物矿石带的整体几何结构包括矿床东部和南部边界的近水平薄带(< 150英尺)。氧化矿带沿西倾党线和北北纬-倾斜铁木断层的上壁快速增厚,同时保持亚水平至轻微的向西倾斜。基岩岩石和硫化物表面的顶部都与向西倾斜的Sidewinder断层相隔。为了正确解释该矿床的几何形状的变化,该矿床被细分为四个断块:
线框实体是从先前构造的矿带和断层表面的网格线框中生成的。在整个块的基础上将故障块代码分配给3D块模型。包括地表和基岩地形以及三个矿石区的次水平表面被编码为区块部分,以提高当地报告资源吨位的准确性。主要的地质带如图14-1所示。
| 第14款 | 矿产资源估算 | 第5页 |
14.3存款建模-续

图14-1:EW段745746.82N向北看,显示与资源估算和钻孔有关的地下边界
用普通克里金法构造氧化铜矿化指示器的氧化物估算域。一(1)的指标值被分配给氧化铜矿带内由氧化铜和过渡矿物类型组成的测定间隔。氧化物区内的富铁氧化物和硫化物矿物类型的指标值为零(0)。地质统计分析和指标克里格运行受断块的限制,以解释氧化铜矿化比例和矿体几何的差异。
| 第14款 | 矿产资源估算 | 第6页 |
14.3存款建模-续
确定氧化物估算域的方法是在每个断块内确定指标变量,仅限于氧化区。氧化铜结构域被分配给克里格指示器大于或等于0.5的块。富铁氧化物结构域被分配给其余的区块。对克里金参数进行了调整,以使指标克里金(IK)氧化铜吨位的比例达到离块50英尺复合材料所示吨位的± 3%以内。如表14-2所示,在西部、中部和东部断块成功实现了这一目标。南Block的氧化铜矿化仅占总吨位的10%,发生在富氧化铁矿化周围的几个孤立钻孔中。该断层块中的IK结果被忽略,而假定该断层块仅由富氧化铁组成。
IK结果在0.5 IK阈值时转换为Estimation Domain码。对边界区域进行了平整,并清理了一个区域与另一个区域之间的孤立小范围旅行。然后将块代码反向标记到复合文件,以确保在插值过程中正确分配复合数据。
表14-2:氧化物估算域吨数与分散复合材料比率的比较
| 故障Block | FLTBK 没有。 |
Mst高于IK截止值 | 比率Cu Ox/Total | |||
| IK > 0.0 | IK > 0.5 | 区块 | Comps | 单位差值 | ||
| 西部 | 1 | 360.96 | 225.58 | 0.625 | 0.613 | 2.0% |
| 中央 | 2 | 244.70 | 178.61 | 0.730 | 0.707 | 3.3% |
| 易事特 | 3 | 40.34 | 18.39 | 0.456 | 0.455 | 0.1% |
| 南方 | 4 | 64.04 | 3.62 | 0.057 | 0.118 | -52.2% |
| 合计 | 710.04 | 426.20 | 0.600 | 0.599 | 0.3% | |
14.4钻孔复合材料
在井下25英尺的间隔上制作了复合材料,符合矿石区地质规范。将总铜、酸溶性铜和调整后的酸溶性铜作为长度加权平均数进行数学合成。组合代码是根据长度加权多数代码分配的。长度在7英尺以下的复合材料与前面的复合材料合并。
| 第14款 | 矿产资源估算 | 第7页 |
14.5统计分析
对佛罗伦萨数据库中铜总量的统计分布进行了审查,验证了以前对控制铜总品位的主要地质特征的研究结果。利用地质测井编码对矿带(MINZN)、岩石类型(ROCK)和蚀变矿物学强度进行分类。从线框固体标记到钻孔分析间隔的代码用于矿石带(OREZN)、氧化物估算域(EDOXD)和断层块(FLTBK)。
BHP任职期间的分类学和树分析发现,矿带、正长岩(钾)蚀变强度对铜的品位有重要的控制作用。此外,先前的研究表明,石英二长岩往往比花岗闪长岩斑岩具有更高的矿化品位。SRK(2010)确认,矿带对铜的总值和酸溶值的分布有重要的控制作用,但研究文件建议,应进一步审查地质单元的组合(如岩石类型和蚀变)。
表14-3列出了受矿带(OREZN)和矿物类型(MINZN)限制的区域的平均偏差和标准偏差。氧化物矿带以氧化铜和富铁氧化物矿物型(MINZN1、2和3)为主,约3%的层段由硫化物和过渡矿物型组成。在氧化物区内,较高的铜品位主要局限于MINZN1和2,为估算目的,它们被归为氧化物区。富铁氧化物矿物类型的品位始终较低,约占氧化物区的三分之一。
硫化物占硫化物矿石带的98%,在氧化物-硫化物接触点附近有少量稀有氧化矿化。过渡矿石带是一个空间上不连续的小区域,80%的层段由过渡矿石带和硫化物矿石带(MINZN4和5)组成。这些含硫化物样品的特征是,由于辉铜矿的富集,TCu品位相对于氧化带和硫化带较高。
| 第14款 | 矿产资源估算 | 第8页 |
14.5统计分析-续
表14-3:矿石和矿带类别中测定间隔的统计汇总
| 人口 | TCu | ASCu | |||||
| OREZN | MINZN | 长度 | 平均 | 标准 开发 |
长度 | 平均 | 标准 开发 |
| 氧化物 | 1:氧化铜 | 8,347 | 0.56 | 0.45 | 8,152 | 0.41 | 0.34 |
| 2:氧化铜铁 | 73,967 | 0.39 | 0.29 | 71,185 | 0.27 | 0.23 | |
| 3:氧化铁 | 39,607 | 0.08 | 0.08 | 24,144 | 0.04 | 0.05 | |
| 4:过渡 | 2,098 | 0.40 | 0.38 | 2,023 | 0.21 | 0.21 | |
| 5:硫化物 | 1,818 | 0.22 | 0.22 | 1,228 | 0.05 | 0.05 | |
| 合计 | 125,837 | 0.30 | 0.30 | 106,732 | 0.23 | 0.24 | |
| 过渡 | 1:氧化铜 | 65 | 0.40 | 0.12 | 65 | 0.28 | 0.17 |
| 2:氧化铜铁 | 617 | 0.46 | 0.37 | 587 | 0.29 | 0.19 | |
| 3:氧化铁 | 95 | 0.12 | 0.11 | 65 | 0.05 | 0.04 | |
| 4:过渡 | 2,292 | 0.56 | 0.54 | 2,212 | 0.19 | 0.15 | |
| 5:硫化物 | 980 | 0.40 | 0.37 | 830 | 0.07 | 0.09 | |
| 合计 | 4,049 | 0.49 | 0.48 | 3,759 | 0.18 | 0.16 | |
| 硫化物 | 1:氧化铜 | 121 | 0.45 | 0.31 | 116 | 0.29 | 0.25 |
| 2:氧化铜铁 | 1,061 | 0.30 | 0.21 | 1,006 | 0.19 | 0.16 | |
| 3:氧化铁 | 1,274 | 0.09 | 0.14 | 779 | 0.04 | 0.06 | |
| 4:过渡 | 1,420 | 0.34 | 0.30 | 1,135 | 0.11 | 0.10 | |
| 5:硫化物 | 176,532 | 0.26 | 0.23 | 51,649 | 0.02 | 0.03 | |
| 合计 | 180,406 | 0.26 | 0.23 | 54,684 | 0.02 | 0.05 | |
| 合计 | 1:氧化铜 | 8,553 | 0.55 | 0.45 | 8,353 | 0.41 | 0.34 |
| 2:氧化铜铁 | 75,902 | 0.38 | 0.29 | 72,940 | 0.27 | 0.23 | |
| 3:氧化铁 | 41,533 | 0.08 | 0.08 | 25,259 | 0.04 | 0.05 | |
| 4:过渡 | 5,809 | 0.45 | 0.44 | 5,369 | 0.18 | 0.17 | |
| 5:硫化物 | 179,665 | 0.26 | 0.23 | 53,707 | 0.02 | 0.04 | |
| 合计 | 311,462 | 0.28 | 0.27 | 165,628 | 0.16 | 0.22 | |
如前所述,在区块模型的范围内,利用三个断层面构造了四个断块。表14-4列出了按矿带分类的断块在测定间隔中的铜的统计摘要。图14-2显示了TCu在氧化物区测定间隔中的累积频率曲线。
| 第14款 | 矿产资源估算 | 第9页 |
14.5统计分析-续
西部断块和中部断块的累积频率曲线(分别为FLTBK1和2)彼此相当相似,并且近似于由中央FLTBK2最好显示的双峰分布。对应的是高品位的氧化铜矿物型(MINZN1 + 2)和低品位的富氧化铁矿物型(MINZN3)。断层块3和4的累积频率曲线为单个对数正态分布。东部区块(FLTBK3)的铜品位与西部和中部相似,但氧化铜与富氧化铁矿物类型的比率要低得多(表14-5)。南部断块(FLTBK4)的矿化品位特别低,因为它主要由富铁氧化物矿物类型组成。
过渡矿带是所有四个断块中品位最高的群体,但在每个断块中只占很小的比例。下伏的硫化物矿带反映了氧化铜矿带的铜品位分布,在西部和中部区块平均铜品位为0.28%,在外围的西部和南部区块平均铜品位较低。
表14-4:按断块(FLTBK)和矿带(MINZN)分类的化验间隔统计汇总
| 人口 | TCu | ASCu | |||||
| FLTBK | MINZN | 长度 | 平均 | 标准。 开发。 |
长度 | 平均 | 标准。 开发。 |
| 1西 | 1 + 2:氧化铜 | 18,258 | 0.40 | 0.31 | 17,552 | 0.28 | 0.22 |
| 3:氧化铁 | 10,016 | 0.08 | 0.09 | 5,679 | 0.05 | 0.07 | |
| 4:过渡 | 696 | 0.37 | 0.27 | 666 | 0.19 | 0.13 | |
| 5:硫化物 | 8,353 | 0.28 | 0.20 | 2,520 | 0.04 | 0.05 | |
| 合计 | 37,323 | 0.29 | 0.28 | 26,417 | 0.20 | 0.22 | |
| 2中环 | 1 + 2:氧化铜 | 26,818 | 0.41 | 0.32 | 25,882 | 0.30 | 0.26 |
| 3:氧化铁 | 10,171 | 0.09 | 0.08 | 7,119 | 0.05 | 0.05 | |
| 4:过渡 | 2,461 | 0.48 | 0.49 | 2,257 | 0.18 | 0.18 | |
| 5:硫化物 | 87,428 | 0.28 | 0.23 | 28,235 | 0.02 | 0.04 | |
| 合计 | 126,876 | 0.30 | 0.26 | 63,494 | 0.14 | 0.22 | |
| 3东 | 1 + 2:氧化铜 | 2,336 | 0.37 | 0.33 | 2,172 | 0.25 | 0.28 |
| 3:氧化铁 | 1,834 | 0.09 | 0.07 | 850 | 0.03 | 0.04 | |
| 4:过渡 | 246 | 0.56 | 0.54 | 236 | 0.14 | 0.26 | |
| 5:硫化物 | 19,957 | 0.19 | 0.24 | 3,504 | 0.02 | 0.03 | |
| 合计 | 24,373 | 0.20 | 0.26 | 6,762 | 0.10 | 0.20 | |
| 4南方 | 1 + 2:氧化铜 | 400 | 0.11 | 0.14 | 262 | 0.05 | 0.08 |
| 3:氧化铁 | 3,238 | 0.04 | 0.03 | 1,184 | 0.01 | 0.01 | |
| 4:过渡 | 46 | 0.15 | 0.12 | 39 | 0.07 | 0.09 | |
| 5:硫化物 | 623 | 0.06 | 0.05 | 82 | 0.02 | 0.04 | |
| 合计 | 4,308 | 0.05 | 0.06 | 1,568 | 0.02 | 0.04 | |
| 第14款 | 矿产资源估算 | 第10页 |
14.5统计分析-续

图14-2:按断裂Block分类的氧化带总铜品位区间累积分布曲线
酸溶性分析是矿床中可浸出铜矿物丰度的重要指标。为了在资源模型中获得可溶性铜的最佳估计值,采用TCu值代替缺失的ASCu值。对氧化物和过渡矿区ASCu/TCu比率的审查表明,由于高溶解性矿物的相对比例,如金孔雀和低溶解性矿物,如辉铜矿,平均比率因矿区而异。硫黄带的铜矿物学以黄铜矿为主,黄铜矿基本上不溶于硫酸。
计算了含有TCu和ASCu的样品的总体平均值,这些样品受矿物类型和矿带的限制,见表14-5。根据各自的平均值确定的平均ASCu/TCu比率用于计算从测定间隔TCu值中替换缺失的ASCu。原来的加替换的酸溶性铜分析被存储在一个单独的变量,标记为SCuFX。
| 第14款 | 矿产资源估算 | 第11页 |
14.5统计分析-续
表14-5:含有TCu和ASCu值的测定间隔的平均ASCu/TCu比率
| 矿石区 | MINZN | 计数 | 长度 | TCu | ASCu | ASCu/TCu |
| 氧化物 | 1:氧化铜 | 1,489 | 8,152 | 0.56 | 0.41 | 0.727 |
| 2:氧化铜 | 12,149 | 71,161 | 0.39 | 0.27 | 0.699 | |
| 3:氧化铁 | 4,319 | 24,144 | 0.10 | 0.04 | 0.412 | |
| 4:过渡 | 390 | 2,023 | 0.41 | 0.21 | 0.503 | |
| 5:硫化物 | 237 | 1,228 | 0.26 | 0.05 | 0.199 | |
| 硫化物 | 1:氧化铜 | 36 | 181 | 0.44 | 0.29 | 0.652 |
| 2:氧化铜 | 274 | 1,593 | 0.37 | 0.22 | 0.601 | |
| 3:氧化铁 | 168 | 844 | 0.12 | 0.04 | 0.347 | |
| 4:过渡 | 585 | 3,346 | 0.50 | 0.16 | 0.328 | |
| 5:硫化物 | 10,243 | 52,474 | 0.31 | 0.02 | 0.058 |
表14-6和图14-3和图14-4显示了按断块分类的氧化物估算域(EDOXD)的25英尺复合材料的统计分布。如前所述,氧化铜估算域代码(EDOXD 2)分配给主要由氧化铜矿带测井间隔(MINZN 1 + 2)组成的空间域的钻孔间隔。类似地,富氧化铁估算域(EDOXD 3)是由记录为富氧化铁矿物区(MINZN 3)的间隔所支配的空间域。
表14-6中给出了四个断块在富铜和富铁氧化物估算域内的复合材料的统计摘要。由于两个估算域包括铜和富铁矿带样品的组合,平均铜值应与相应矿带的平均值略有不同(表14-5)。差异的大小将取决于创建估计域所产生的稀释量。由断块和氧化铜估算区界定的种群的平均品位通常比各自的氧化铜矿带种群低0.01% Cu,仅显示富氧化铁钻孔间隔的稀释量很小。
在富氧化铁估算区(表14-6),只有少量的富氧化铜测定间隔稀释,导致平均铜值与矿带样品大致相同(表14-5)。富氧化铁估算区的平均品位仅在东Block有相对显著的提高,这里记录的富氧化铁样品平均含铜量为0.09%,而从富氧化铁估算区分配的样品平均含铜量为0.12%。
| 第14款 | 矿产资源估算 | 第12页 |
14.5统计分析-续
根据全球统计数据,氧化物估算域的构建仅导致分析区间矿带的稀释量极小。在全球范围内,估算领域保留了详细的矿带测井数据中发现的铜矿化的双峰性质。然而,低品位或高品位成簇样品的局部出现可能分别使铜或富铁氧化区的铜估计值局部偏差。
对氧化铜估算领域中的富氧化铁样品的审查发现,几乎没有证据表明存在潜在的估算问题,这主要是由于氧化铜矿带复合材料的TCu品位范围很广(图14-3)。西部、中部和东部区块的累积频率曲线覆盖与氧化带组合曲线相同的铜值范围(图14-2)。这两条曲线之间的显著差异在于,含铜和富铁矿带混合物的TCu含量低于0.1%。
图14-4给出了富氧化铁估算域中总铜累积频率曲线的比较。比较了西、中、东、南三区块氧化铜(MINZN1 + 2)与富氧化铁(MINZN3)的累积曲线。被列入富氧化铁估算域的氧化铜矿带复合材料由于品位较高,在铜品位估计中可能存在局部偏差的风险。为了减少孤立的样本簇的潜在影响,采用封顶策略限制高品位氧化铜复合材料的影响。在每个断层块中,富氧化铁复合材料中TCu的上限被用作限制其在区块估计中使用的门槛值。西部和中部断块的TCu高于0.4%,东部和南部断块的TCu高于0.3%,属于氧化铜矿物类型(1和2),高于相应的高铁MINZN种群(图14-4)。对这些样本使用了有限的搜索半径,以将其使用限制在距离其所在地约125英尺的范围内。
| 第14款 | 矿产资源估算 | 第13页 |
14.5统计分析-续
表14-6:按断块和氧化物估算域列出的25英尺复合材料的统计摘要
| 领域 | 样本 | 铜总量 | SCuFx | ||||
| FLTBK | EDOXD | 计数 | 长度 | 平均 | 标准开发 | 平均 | 标准开发 |
| 1:西 | 2:铜牛 | 4,701 | 113,397 | 0.385 | 0.234 | 0.264 | 0.192 |
| 3:铁牛 | 2,172 | 50,640 | 0.087 | 0.101 | 0.036 | 0.054 | |
| 2:中央 | 2:铜牛 | 5,754 | 139,020 | 0.396 | 0.252 | 0.278 | 0.204 |
| 3:铁牛 | 1,656 | 40,737 | 0.089 | 0.101 | 0.039 | 0.069 | |
| 3:东 | 2:铜牛 | 441 | 10,542 | 0.340 | 0.262 | 0.208 | 0.214 |
| 3:铁牛 | 339 | 8,166 | 0.124 | 0.199 | 0.061 | 0.163 | |
| 4:南方 | 2:铜牛 | 18 | 450 | 0.174 | 0.137 | 0.099 | 0.098 |
| 3:铁牛 | 657 | 16,359 | 0.043 | 0.042 | 0.018 | 0.026 | |
| 合计 | 2:铜牛 | 10,914 | 263,409 | 0.389 | 0.245 | 0.269 | 0.200 |
| 3:铁牛 | 4,824 | 115,903 | 0.084 | 0.107 | 0.036 | 0.071 | |
| 注:SCuFx包括缺少ASCu数据的估计值。 | |||||||

图14-3:国内25英尺复合材料中铜总品位累积分布曲线
按断块分类的氧化铜估算域
| 第14款 | 矿产资源估算 | 第14页 |
14.5统计分析-续

图14-4:国内25英尺复合材料中总铜的累积分布曲线
按断块和氧化物矿型分类的富铁氧化物估算域
| 第14款 | 矿产资源估算 | 第15页 |
14.5统计分析-续
简要回顾了氧化物区测定间隔铜品位的分布情况,以确定在矿物类型和岩石类型相结合的群体中是否存在对品位的显著控制,或按矿物类型和蚀变强度分别对品位进行控制。
按矿物类型分类的主要岩石类型的总铜和酸溶性铜的统计摘要见表14-7。岩石单元占化验样品的不到1%,则不列表格。石英二长岩(ROCK 21)和花岗闪长岩斑岩(ROCK 31)的铜品位相似,尽管石英二长岩在氧化带中的铜品位稍高,这可能是品位估算的材料。然而,对两种主岩的累积频率曲线的比较表明,在控制氧化物矿物类型时只有微小的差异(图14-5)。给定矿物类型的差异似乎在于铜含量低于~0.15%的测定间隔的相对比例,曲线中较高品位部分的曲线非常相似。这些差异似乎很小,可能是由于残余氧化铁中的铜含量不定,而不是高品位矿化的物质控制所致。由于主岩岩性的差异显著低于单一主岩内氧化铜和氧化铁的差异。
| 第14款 | 矿产资源估算 | 第16页 |
14.5统计分析-续
表14-7:按矿带和岩性分类的测定间隔铜的统计汇总
| TCu | SCuFx | |||||||
| MinZn | 岩石 | 符号 | 计数 | 脚 | 平均 | 标准开发 | 平均 | 标准开发 |
| 氧化铜 (1 + 2) |
21 | Yqm | 10,245 | 59,374 | 0.41 | 0.25 | 0.29 | 0.21 |
| 25 | 应用程序 | 42 | 217 | 0.27 | 0.21 | 0.20 | 0.18 | |
| 29 | qm + gdp | 483 | 3,159 | 0.47 | 0.28 | 0.35 | 0.23 | |
| 31 | Tgdp | 3,213 | 18,500 | 0.31 | 0.28 | 0.21 | 0.19 | |
| 40 | Ydb | 209 | 1,182 | 0.90 | 0.86 | 0.59 | 0.68 | |
| 50 | Yd | 70 | 350 | 0.79 | 0.52 | 0.50 | 0.38 | |
| 60 | 塔 | 205 | 1,133 | 0.77 | 0.83 | 0.56 | 0.68 | |
| 氧化铁 (3) |
21 | Yqm | 5,605 | 30,390 | 0.07 | 0.08 | 0.03 | 0.04 |
| 25 | 应用程序 | 39 | 195 | 0.04 | 0.04 | 0.03 | 0.04 | |
| 29 | qm + gdp | 29 | 146 | 0.12 | 0.10 | 0.08 | 0.10 | |
| 31 | Tgdp | 1,561 | 8,157 | 0.12 | 0.07 | 0.05 | 0.05 | |
| 40 | Ydb | 164 | 915 | 0.10 | 0.06 | 0.03 | 0.02 | |
| 50 | Yd | 11 | 55 | 0.06 | 0.04 | 0.04 | 0.03 | |
| 60 | 塔 | 179 | 1,003 | 0.07 | 0.10 | 0.04 | 0.07 | |
| 硫化物 (4 + 5) |
21 | Yqm | 26,039 | 130,807 | 0.28 | 0.25 | 0.02 | 0.05 |
| 25 | 应用程序 | 299 | 1,488 | 0.16 | 0.33 | 0.01 | 0.02 | |
| 29 | qm + gdp | 1,068 | 5,449 | 0.35 | 0.21 | 0.04 | 0.06 | |
| 31 | Tgdp | 7,995 | 40,483 | 0.23 | 0.19 | 0.02 | 0.04 | |
| 40 | Ydb | 442 | 2,244 | 0.24 | 0.21 | 0.02 | 0.04 | |
| 50 | Yd | 244 | 1,217 | 0.34 | 0.35 | 0.02 | 0.02 | |
| 60 | 塔 | 532 | 2,660 | 0.09 | 0.18 | 0.01 | 0.04 | |
| 注:SCuFx包括缺少ASCu数据的估计值 | ||||||||
| 第14款 | 矿产资源估算 | 第17页 |
14.5统计分析-续

图14-5:按岩石类型Yqm(21)和Yqm分类的铜的累积分布曲线
Tgdp(31)和矿物类型氧化铜(2)和富铁氧化物(3)
表14-8列出了按蚀变强度和矿带分类的总铜含量的分布情况。对正长石(钾)、绢云母、粘土蚀变强度进行了半定量测井,结果表明1到7的数量标度对应的矿物含量分别从< 1%增加到> 50%。在Cu Oxide、Fe Oxide和Sulfide矿物区内,对正长石、绢云母和粘土的每一类蚀变强度分别测定了平均TCu品位。
在Cu和Fe Oxide矿带内,铜的品位基本上与正长石和绢云母矿的含量无关,但平均品位随着粘土含量的增加而增加。在氧化铜矿物类型中,随着粘土矿物丰度增加到5%以上,品位从~0.4% Cu增加到~0.5% Cu。以类似的方式,随着粘土含量超过10%,Iron Rick Oxide矿物类型中的铜品位从0.08% Cu增加到~0.25% Cu。然而,这些较高的品位仅影响约6%的氧化铜和1%的富铁,这不是有效估计控制的样本规模。
| 第14款 | 矿产资源估算 | 第18页 |
14.5统计分析-续
正如先前的统计审查和BHP任期内的分类所表明的那样,硫化物矿区的原石改变可能是一种有效的控制。正长石蚀变矿物含量超过~1%的样品,平均TCU含量超过0.3%,而正长石蚀变矿物含量为0-1 %的样品,平均TCU含量低于0.2%(表14-8)。这将硫化物样品分成两个潜在的区域,其中包含较高品级域中约25%的数据和较低品级域中约75%的数据。然而,两个正长石类别的空间分布并不明显地聚集形成空间域。虽然今后的研究可能会对此感兴趣,但由于黄铜矿矿化对原位浸出过程缺乏实质性,在本次更新中没有进一步探讨这一点
表14-8:按矿带和岩性分类的铜平均品位汇总
| 改建 | 正长石 | 绢云母 | 粘土 | |||||
| MINZN | 代码 | 量% | 没有。 | 平均。 TCu |
没有。 | 平均。 TCu |
没有。 | 平均。 TCu |
| 氧化铜 | 0 | 0 | 7,655 | 0.41 | 2,304 | 0.43 | 1,642 | 0.34 |
| 1 | <1% | 4,218 | 0.39 | 3,349 | 0.39 | 5,402 | 0.39 | |
| 2 | 1-2% | 2,012 | 0.42 | 8,085 | 0.39 | 4,584 | 0.41 | |
| 3 | >2-5% | 473 | 0.36 | 683 | 0.42 | 2075 | 0.42 | |
| 4 | >5-10% | 151 | 0.36 | 133 | 0.53 | 467 | 0.49 | |
| 5 | >10-20% | 48 | 0.34 | 17 | 0.36 | 236 | 0.52 | |
| 6 | >20-50% | 9 | 0.32 | 1 | 0.59 | 155 | 0.48 | |
| 7 | >50% | 6 | 0.41 | 0 | 11 | 0.46 | ||
| 氧化铁 | 0 | 0 | 6,071 | 0.07 | 1,363 | 0.08 | 1,220 | 0.07 |
| 1 | <1% | 1,206 | 0.10 | 1,327 | 0.09 | 2,026 | 0.08 | |
| 2 | 1-2% | 322 | 0.11 | 4083 | 0.08 | 2481 | 0.08 | |
| 3 | >2-5% | 76 | 0.11 | 884 | 0.07 | 1685 | 0.08 | |
| 4 | >5-10% | 23 | 0.13 | 37 | 0.09 | 174 | 0.11 | |
| 5 | >10-20% | 3 | 0.14 | 7 | 0.20 | 74 | 0.16 | |
| 6 | >20-50% | 0 | 0 | 34 | 0.27 | |||
| 7 | >50% | 0 | 0 | 7 | 0.23 | |||
| 硫化物 | 0 | 0 | 9,620 | 0.19 | 1,057 | 0.27 | 13,837 | 0.27 |
| 1 | <1% | 17,687 | 0.27 | 5,511 | 0.26 | 16,002 | 0.26 | |
| 2 | 1-2% | 8,954 | 0.33 | 27,060 | 0.28 | 5,470 | 0.27 | |
| 3 | >2-5% | 531 | 0.38 | 3180 | 0.20 | 1403 | 0.27 | |
| 4 | >5-10% | 32 | 0.41 | 27 | 0.26 | 66 | 0.39 | |
| 5 | >10-20% | 13 | 0.34 | 7 | 0.27 | 38 | 0.43 | |
| 6 | >20-50% | 4 | 0.38 | 0 | 22 | 0.42 | ||
| 7 | >50% | 1 | 1.22 | 0 | 4 | 0.28 | ||
| 第14款 | 矿产资源估算 | 第19页 |
14.5统计分析-续
钻孔分析数据库与SRK(2010)资源模型更新所使用的分析数据几乎完全相同,增加了自上次更新以来记录和分析的四个钻孔。铜估算的地质框架与前几次研究中描述的框架基本没有变化。黄铁矿-黄铜矿斑岩铜的近地表氧化剖面所产生的矿物伴生形成了对铜品位和矿物学的主要控制。2023年更新进一步根据解释的氧化物顶部和硫化物表面顶部控制样本选择,以将硫化物样本的空间影响限制在氧化极限以下。在氧化带内,高品位氧化铜矿物带和低品位氧化铁矿物带的分布被证实是铜品位的主要控制因素。
断块的结合更好地控制了空间协方差的地质统计分析(variogram analysis)。三个大型断块(西、中、东)内铜品位的统计分布几乎完全相同,尽管观察到了氧化铜与富氧化铁矿带比率的变化。第四个断块(南部)的品位明显较低。
在酸溶性铜分析的预估计处理中有微小的变化,这提高了填补缺失的酸溶性铜分析的离散化和准确性。这些主要影响氧化铁矿物区较低品位的层段。
从岩性和蚀变中观察到对铜品位的轻微和零星控制,这些变化被认为是对铜品位估计的无效或非实质性控制。
| 第14款 | 矿产资源估算 | 第20页 |
14.6 Block模型说明
作为2023年更新的一部分,对佛罗伦萨街区模型的结构进行了几处修改。先前的模型在亚利桑那州中部州平面坐标(NAD27,单位英尺)中从646,500E扩展到652,000 E,从742,900 N扩展到748,000 N。项目区域被转换为亚利桑那中央州飞机和1983年北美Datum(NAD83英尺)。此外,在847,983.63E,741,172.69N,区块模型绕模型原点逆时针旋转45 °,以使区块单元边界与计划的注水井和生产井网格保持一致。项目和模型限值列于表14-9。
表14-9:Florence区块模型的位置和范围(NAD83)
| 项目范围(英尺) | 模型范围(英尺) | |||||
| 民 | 最大 | 民 | 最大 | 单元格大小 | 没有。单元格 | |
| 东方 | 843811.69 | 852862.69 | 0 | 6900 | 50 | 138 |
| 北方 | 741172.69 | 750223.63 | 0 | 5900 | 50 | 118 |
| 海拔 | -1500 | 2000 | -1500 | 2000 | 50 | 70 |
块模型的位置如图14-6所示。海拔范围从海拔1500英尺到海拔2000英尺。每个区块的边长为50英尺(50英尺x50英尺x50英尺立方体),但选定的地形和地质体积是按部分区块计算的。
区块等级平面图见图14-7(平均海平面以上700英尺[ amsl ])和图14-8(1,000英尺amsl)。如图14-9(东西方向)和图14-10(南北方向)所示。请注意,横截面在块模型上对角线切割,这可能会在块属性中创建不规则模式。
| 第14款 | 矿产资源估算 | 第21页 |
14.6 Block模型描述-续

图14-6:Block模型位置(红色),Block模型内钻探数据(红色)
和资源区(橙色)
| 第14款 | 矿产资源估算 | 第22页 |
14.6 Block模型描述-续

氧化块显示为固体块;硫化物块显示为空心块
图14-7:显示Block等级的平面图(700英尺amsl,地表以下约800英尺)
| 第14款 | 矿产资源估算 | 第23页 |
14.6 Block模型描述-续

氧化块显示为固体块;硫化物块显示为空心块
图14-8:显示Block等级的平面图(1,000英尺asml,地表以下约500英尺)
| 第14款 | 矿产资源估算 | 第25页 |
14.6 Block模型描述-续

氧化块显示为固体块;硫化物块显示为空心块
图14-9:东西段746146.8N向北显示Block等级
| 第14款 | 矿产资源估算 | 第26页 |
14.6 Block模型描述-续

氧化块显示为固体块;硫化物块显示为空心块
图14-10:南北段847689.E向西看Block等级
| 第14款 | 矿产资源估算 | 第27页 |
14.7等级估计方法
用普通克里金法用25英尺的复合材料估算铜的总品位和酸溶性品位。根据基于断块、氧化物矿带和氧化物估算域的勘探数据和变异函数分析,共开发了七个估算域:
半变异函数最初是从所有七个估计域的% TCu和五个氧化区域的% ASCu发展而来的。然而,对初步估计试验的审查表明,更好的ASCu估计是通过在TCu变异函数下对同一运行中的两个铜值进行克里格计算得到的。实验变异函数是用MineSight提供的半自动工具构建的,而变异函数模型是手工拟合的。差异图分析结果见表14-10。
表14-10:变异函数参数
| 变异函数参数 | ||||||||||||||
| 变种。 | 变种。 | C0 | A1 | A2 | A3 | 第一Structure | 第二Structure | |||||||
| 变异函数ID | 类型 | 模型 | C1 | 你' | X ' | Z ' | C2 | 你' | X ' | Z ' | ||||
| TCu FB1ED2 | Tr | SPH | 0.350 | -30 | -5 | 170 | 0.382 | 409 | 170 | 76 | 0.268 | 769 | 302 | 445 |
| TCu FB1ED3 | Tr | 林玉新 | 0.200 | -144 | -8 | 178 | 0.800 | 2371 | 1268 | 368 | ||||
| TCu FB2ED2 | Tr | SPH | 0.361 | -115 | -8 | 155 | 0.219 | 270 | 218 | 117 | 0.420 | 1046 | 429 | 359 |
| TCu FB2ED3 | Tr | SPH | 0.150 | -67 | 0 | -143 | 0.850 | 872 | 530 | 544 | ||||
| TCu FB3ED3 | Cg | SPH | 0.241 | 165 | -3 | 0 | 0.759 | 907 | 573 | 185 | ||||
| TCu OZ2 | Tr | SPH | 0.100 | -128 | -10 | 175 | 0.900 | 800 | 926 | 187 | ||||
| TCu OZ3 | Tr | SPH | 0.250 | -100 | 56 | -97 | 0.348 | 380 | 223 | 271 | 0.402 | 942 | 798 | 748 |
表格注释:
所有距离以英尺为单位,角度以度数为单位。
变异函数ID包括断块和氧化物矿物类型,详见表14-11
变异函数类型:Tr =传统半变异函数;Cg =相关函数
变异函数模型:SPH =球面变异函数模型;LIN =线性
C0是金块效应,C1和C2是嵌套结构的变异曲线
Y‘,X’,Z '是每个结构到各自窗台的距离
旋转角度A1:顺时针绕Z向下看;A2:新北旋转,正方向向上;A3:顺时针绕Y '向新南看。
| 第14款 | 矿产资源估算 | 第28页 |
14.7等级估计方法-续
进行接触分析以确定在域界界处的样本共享程度。发现铜品位剖面在矿带边界上是不连续的,这表明区块估计搜索应限于与区块在同一域内的复合。氧化铜和富铁氧化物估算域之间的边界以一个小的不连续性和铜品位的趋势为标志,特别是在富铁氧化物估算域。对跨边界共享样本程度的实验发现,当富氧化铁区块的搜索标准认为边界是硬的(不共享)时,可以获得最佳结果,而氧化铜区块的搜索邻域包括变异函数小于0.8的富氧化铁样本。
大多数域的估计过程需要两遍才能完全覆盖。开发的第一个通道是用宽间距的钻井网或孤立的估计域段来估计区域。开发了第二个通道以估计钻井体积,并覆盖第一个通道的结果。
在单个估计域的基础上,将估计过程的结果与该域的理论块分布进行比较。理论分布由最近邻法分解的复合数据估计。通过改变支撑计算,将离散复合直方图转换为理论块直方图。大多数域采用仿射法改变支持度,而对一对变异系数为~1.0的域采用间接对数正态校正。
用于克里金运行的最后一组估计参数列于表14-11。参数的选择是基于TCu在每个区域的等级-吨位曲线与理论区块分布的比较。估算过程的目的是使超过边界品位的累积材料的吨位和品位在0.05至0.2% TCu之间紧密匹配(< 5%)。当kriged结果超过标准阈值时,则改变估计参数以调整kriged等级-吨位曲线。
与理论曲线相比,图14-11提供了氧化物矿区TCu品位-吨位曲线的最终结果。在品位较低0.1%的情况下,克里格估计的吨数比在品位为0.05% TCu的边界品位下的理论曲线高1.6%。在TCU边界品位为0.15%的情况下,估计吨数要低3%,品位要高3%。这些差异完全在公认的限度之内。
| 第14款 | 矿产资源估算 | 第29页 |
14.7等级估计方法-续
表14-11:估计参数

所有距离以英尺为单位,角度以度数为单位。
OK跑基于25英尺复合材料,Nearest Neighbor跑基于50英尺复合材料
测量块和钻孔复合中心点之间的距离。
Block和复合选择是估计运行中允许的代码范围
FB:故障块代码,ED:氧化物估算域,OZ:矿区代码,MZ:矿区代码
Match:所有单元都使用composite和block之间的matching
边界共享是跨代码边界的块估计的共享样本的程度。H:硬边界(不共享),S:软边界(完全共享),数字是共享的最大变量值
主搜索由限制棱镜距离和距块中心的最大距离(PAR4)定义。
PAR4是在搜索椭圆内接受样本的最大距离
PAR7是距离最接近的复合体的最大距离,以允许块估计
PAR8是在选择了最小数量的复合材料时与最接近的复合材料的最大距离,以允许块估计。
搜索椭圆由主要方向和椭圆半径的旋转角定义
8 x 8 x 2块离散化
COS块方差是块与复合方差的理论比值,基于对50x50x50ft块大小的支持变化
高品位限值是指超过指示的铜总截止值的复合材料允许包含的最大距离
| 第14款 | 矿产资源估算 | 第30页 |
14.7等级估计方法-续
清理和调整模型变量的后处理步骤包括:

图14-11:氧化带克里格铜品位最终品位-吨位曲线与理论品位-吨位曲线的比较。
| 第14款 | 矿产资源估算 | 第31页 |
14.8模型验证
通过对模型的目视检验,在横截面和平面图上将块等级与钻孔等级进行比较,验证了模型的有效性。区块模型符合预期的品位分布模式,复合数据与区块估计之间具有良好的空间相干性。
沿区块模型X、Y、Z方向构建了斯瓦特地块,比较了最近邻区块复合材料的局部平均值与区块等级。这些地块证实了富铁氧化区铜总品位的强劲趋势,因为相对于西Block,中心Block的氧化铁平均品位较高。克里格区块密切跟踪数据趋势。氧化铜区域中的总铜显示出更稳健的全矿床平稳性,但显示出相对较大的局部变异性。Kriged估计密切再现了在分离复合材料中看到的可变性,但峰值的振幅较低。
将氧化区的TCu和ASCu估计值与分解复合数据进行了双变量关系的比较。对氧化铜和富氧化铜矿带的线性回归线的斜率和相关系数进行了再现。
模型结果与2010年更新的结果进行了比较。由于构建铜和富铁氧化区的方法存在显著差异,因此很难直接比较这两种模型。然而,当比较两个模型的块平均TCu值时,两个模型在2017年储备量内的差异小于1%。
| 第14款 | 矿产资源估算 | 第32页 |
14.9体积密度
2023年之前,吨位系数为12.5英尺3/短吨(英尺)3/st),相当于容重为每立方米2.56公吨(mt/m)3),假设所有历史资源估计数,包括2010年估计数。2020年开展了一项计划,以审查历史密度数据,并从历史钻芯中获得氧化带的额外比重测试。从主要岩石类型和铜氧化带共收集了102个样本,以补充1998年测试的6个样本的数据。
样本是从存放在佛罗伦萨设施的分离钻芯中收集的,目的是获得适合于根据ASTM C 127-01方法测定体积密度的代表性样本。该方法由于样品分解而停止使用,取而代之的是在-10目粉碎尺寸下测定样品的晶粒密度。1998年的方案确定了六个直径为6英寸的岩心样品的岩石孔隙度,方法是首先测量空气中和浸没在水中的蜡涂层样品的体积密度,然后测量粉碎样品的颗粒密度。
108个样品的平均晶粒密度为2.56mt/m3,标准偏差为0.10公吨/米3.数据显示,2020年和1998年的计划没有显著差异。在主要岩石和氧化物矿物组之间,同样没有发现平均晶粒密度的统计学上的显着差异。
平均吨位系数12.5英尺3从晶粒密度测量中发现的/st要求对原位地层的岩石孔隙度进行调整。对含水层孔隙度的估计是根据现场进行的水文地质测试和建模确定的,以支持数值地下水流动模型和向亚利桑那州环境质量局申请临时单个含水层保护许可证(Haley & Aldrich,2012年),该许可证为地质和水文地质模型提供了一套内部一致的假设。水文地质模型假定氧化物矿带内部的孔隙度变化,定义为包括BEZN在内的氧化带上部的8%体积百分比,而包括过渡带在内的下部的5%体积百分比。
在基岩排除带底部和硫化物顶部中间插入了一个表面。该表面被用于将块模型编码为表面上的孔隙度区域1和表面下的孔隙度区域2。13.5英尺的吨位系数3/st(密度2.37公吨/m3),对应于8 v %的孔隙率被分配到上氧化带的区块。13.13英尺的吨位系数3/st(密度2.44公吨/m3)被分配在较低的氧化层中进行封堵,以解释较低的孔隙率为5v %。
| 第14款 | 矿产资源估算 | 第33页 |
14.10资源分类
本研究中使用的资源分类符合以下2014年CIM定义标准:
矿产资源是指地壳中或地壳上具有经济利益的固体物质的集中或出现,其形式、品位或质量和数量足以使最终的经济开采具有合理的前景。
矿产资源的位置、数量、品位或质量、连续性和其他地质特征是根据具体的地质证据和知识,包括取样,已知、估计或解释的。
测量的矿产资源是指矿产资源的一部分,其数量、品位或质量、密度、形状和物理特征的估计有足够的把握,可以应用修正因素来支持详细的矿山规划和对矿床经济可行性的最终评估。
地质证据来自详细和可靠的勘探、取样和测试,足以确认观测点之间的地质和等级或质量连续性
测量的矿产资源具有比适用于指示矿产资源或推断矿产资源更高的置信度。它可以转换为已探明的矿产储量或可能的矿产储量。
指示矿产资源是指矿产资源的一部分,其数量、品位或质量、密度、形状和物理特征的估计有足够的把握,可以充分详细地应用修正因素,以支持矿山规划和评价矿床的经济可行性。
地质证据来自足够详细和可靠的勘探、取样和测试,足以假定观测点之间的地质和等级或质量连续性。
指示矿产资源的置信度低于适用于测量矿产资源的置信度,只能转换为可能的矿产储量。
| 第14款 | 矿产资源估算 | 第34页 |
14.10资源分类-续
推断矿产资源是指根据有限的地质证据和取样估计矿产资源的数量和品位或质量的部分。地质证据足以暗示但不能证实地质和品位或质量的连续性。
推断矿产资源的置信水平低于适用于指示矿产资源的置信水平,因此不得转换为矿产储量。有理由预期,随着继续勘探,大部分推断矿产资源可升级为指示矿产资源。
资源区内的氧化物矿化主要是在一个250英尺长的三角形网格上钻探的,该网格贯穿矿床的氧化带。氧化物和硫化物矿带中较高品位的铜矿带形成了大约300-500英尺宽的空间带。在氧化带,在氧化铜附近很少见到个别的孔洞,其中富铁氧化物矿化的间隔很长,反之亦然。这有力地表明,矿物类型和铜品位在矿床中心的标称250英尺三角形网格内被证明是连续的。
钻孔密度随深度逐渐降低,因为钻孔通常在遇到低经济利益的矿化时终止。在较高品位的次生矿化中,早期钻探往往更深,而较新的钻孔往往终止于硫化物带的顶部。深度的基础钻井网格近似于约500英尺的三角形网格或约600英尺的方形网格,这被认为是在推断的置信水平上开发资源。
氧化物和硫化物资源被归类为指示资源,其估计得到不完整的250英尺钻孔网格的支持,无论是在深部还是沿钻探资源的边缘。过渡带被归类为“已指示”,即使在氧化物和硫化物矿化被归类为“已测量”的情况下也是如此。这是由于地质带缺乏连续性和高度可变的厚度,以及样本的零星分布降低了对估计的信心。
按表14-12所界定的样本数目及其在当地邻域的平均距离,在区块中标出了矿藏上的标称钻孔网格。网格标志值12和3分别对应于250、不完整250和500英尺的标称钻孔网格。
| 第14款 | 矿产资源估算 | 第35页 |
14.10资源分类-续
采用了500x500x50英尺的搜索范围,最多8个样本,最少2个样本,每个钻孔最多1个样本。样本数量、样本的平均和最近距离以及带有数据的象限的数量存储在块中。对这些指标进行了评估,以确定标称250英尺网格的识别标准。另外还确定了距离最接近样本的距离和带样本的象限数量的标准,以限制旗形的外推超出钻孔的空间极限。标记指示钻孔网格需要两次通过,一次用于总共8个样本,另一次用于标称网格间距为250英尺的搜索邻域,以及5至7个样本。用于推断分类的标称钻孔网格由搜索邻域中平均距离大于~310英尺的3至5个样本表示。
表14-12:设定标称网格间距的标准
| 网格标志= 1 | 网格旗= 2标准 |
网格旗= 3 | |||||||
| BM | 标准 | 通过1 | 通过2 | 标准 | |||||
| 公制 | 领域 | 民 | 最大 | 民 | 最大 | 民 | 最大 | 民 | 最大 |
| 距离最近的样本(英尺) | 迪斯塔 | 0 | 250 | ||||||
| 平均取样距离(英尺) | DGAVD | 0 | 280 | 281 | 500 | 0 | 280 | 281 | 500 |
| 数量象限 | DGNRD | 3 | 4 | 3 | 4 | 3 | 4 | 3 | 4 |
| 样本数 | DGNS | 8 | 8 | 8 | 8 | 5 | 7 | 3 | 7 |
| 网格标志 | GRID1 | ≠ 1 | ≠ 1 | ≠ 1 | ≠ 2 | ≠ 1 | ≠ 2 | ||
块标志的分布大致上与资源分类边界相匹配,但字段包括一个类别在另一个类别中的许多小的偏移,以及极不规则的边界。将块代码转换为中间工作台折线(使用MineSight级别的shell和切片例程),并手工修改以获得平滑的边界,避免小规模的偏移。折线形成嵌套边界,用于将资源分类编码回块模型,存储在CLASS字段中(1 = Measured,2 = Indicated,3 = Inferred)。
| 第14款 | 矿产资源估算 | 第36页 |
14.11矿产资源
ISCR方法不要求对矿石进行物理重新定位,因此,用于确定硬岩作业资源的典型方法不直接适用于该项目。矿产资源估计数是根据垂直区块堆内可回收铜的总价值扣除生产成本后确定的。这解释了从区块模型中的单个区块选择性提取铜的能力有限,并建立了一个基于价值的周界,使矿产资源具有最终经济开采的合理前景。
矿产资源估计数采用的金属价格是每磅铜3.50美元,按表15-1所列费用加权计算。使用本报告第13节所述的浸出模型对从井田中提取的铜进行估算。只有第14.3节所述的氧化区和过渡区内所含的铜被列为下伏硫化区所含的铜,使用本报告中提议的提取方法预计无法回收。要列入《矿产资源估算》,必须有一个区块堆与整个井田相邻,并在氧化物区和过渡区内有50英尺的最小开采厚度。
没有对矿产资源采用边界品位,以反映所提出的ISCR提取方法的性质。这确保在评估矿产资源估算时考虑到每个区块堆中所有估计区块的成本和铜收入。
自2018年12月以来,Florence Copper一直在资源区内运营一个PTF井田。矿产资源已经枯竭,以反映这一活动以及BHP的试点浸出试验和康菲公司从地下作业中提取的材料。资源概算的生效日期为12月31日St, 2022.
资源见表14-13。
| 第14款 | 矿产资源估算 | 第37页 |
14.11矿产资源-续
表14-13:佛罗伦萨项目氧化物矿产资源(2022年12月31日生效)
| 类 | 吨 (000000) |
% TCu 等级 |
含铜 (000,000磅) |
| 测量 | 292 | 0.34 | 1,997 |
| 指示 | 71 | 0.39 | 552 |
| M + I | 363 | 0.35 | 2,549 |
| 推断 | 42 | 0.32 | 266 |
| 1.矿产资源遵循CIM矿产资源和矿产储量定义标准(2014年)。 2.报告的矿产资源包括矿产储量。 3.不属于矿产储量的矿产资源没有显示出经济上的可行性。 4.矿产资源被限制在“最终经济开采的合理前景”范围内的氧化带和过渡带,假设ISCR开采方法使用以下假设:铜价3.50美元,弃置岩心孔/英亩31600美元,已确定文化遗址的文化缓解措施240400美元/英亩,149,600美元+ 263美元/英尺钻井成本,160美元/吨酸价,45.30美元/吨的井田作业成本,1.2%的地表损失,0.10美元/磅的电积成本,0.12美元/磅的铜G & A成本,0.69美元/吨的回收成本,0.02美元/磅的铜运输成本,ALSD土地7%的NSR特许权使用费,永久产权土地3%的NSR特许权使用费,以及净利润2.5%的特许权使用费。 5.报告的矿产资源没有边界品位,以反映所提议的ISCR提取方法的性质。 6.吨数13.5英尺3/吨和13.13英尺3对上氧化区的孔隙率为8%,下氧化区和过渡区的孔隙率为5%进行了处理。 7.由于四舍五入,数字可能不相加。 |
|||
QP认为,表14-13所列的矿产资源分类符合CIM《矿产资源和矿产储量定义标准》(2014年)所述的计量、指示和推断矿产资源的定义,这些定义通过引用纳入了NI43-101。
QP认为,大部分推断资源可升级为指示矿产资源,并继续进行勘探,因为在目前查明的资源范围内,矿化的持续性质是一致的。
| 第14款 | 矿产资源估算 | 第38页 |
14.12可能影响矿产资源估算的因素
可能对矿产资源估计产生重大影响的不确定领域包括:
矿产资源属于Florence Copper的使用权范围,与含水层豁免区大体重迭,但确实超出了该区域。报告的资源包括基岩禁区(BEZN)。BEZN是被许可证排除在外的Oxide区的顶部40英尺。
除亚利桑那州采矿项目面临的正常风险外,没有其他已知的环境、法律、所有权、税收、社会经济、营销或政治因素可能对资源估计产生重大影响。
在估计矿产储量和矿产资源以及正在开采或分配给未来生产的相应品位方面存在一定程度的不确定性。对矿化程度的估计是一个主观的过程,估计的准确性取决于现有数据的准确性、数量和质量、统计计算的准确性以及在解释工程和地质信息时所使用的假设和作出的判断。任何矿产资源或矿产储量的估计都存在很大的不确定性,在矿产储量或矿产资源得到实际开采和加工之前,实际发现的矿床和开采矿床的经济可行性可能与这些估计存在很大差异,矿产资源和矿产储量的数量及其各自的品位必须仅作为估计。此外,矿产储量和矿产资源的数量可能因金属价格等因素而有所不同。
矿产储量、矿产资源、品位或密度的任何实质性变化都可能影响财产的经济可行性。此外,不能保证在现场条件下或在生产过程中,小规模实验室试验的回收率将在较大规模试验中重复。同样,不能保证从PTF中回收的资源能够在矿产资源的所有地区得到充分复制。金属或商品价格的波动、额外钻探的结果、冶金测试、新资料的接收、以及在任何估计日期之后的生产和对矿山计划的评估,可能需要对这些矿产资源进行修订,这可能会受到采矿、基础设施或其他相关因素的重大影响。
第15节
矿产储量估计
第15节:矿产储量估计
目 录
| 页 | |
| 15.1 准备金假设和方法 | 1 |
| 15.2 矿产储量 | 6 |
| 15.3 可能影响矿产储量估算的因素 | 8 |
表列表
| 表15-1:经济分析参数 | 2 |
| 表15-2:已证实和可能的储量估计(2022年12月31日生效) | 7 |
数字列表
| 图15-1:显示注入和回收井的矿产储藏区 | 3 |
| 图15-2:745,400 N断面,北望显示铜品位 | 4 |
| 图15-3:Section 848700 E,Looking West showing copper grade | 4 |
| 第15款 | 矿产储量估计 | 第1页 |
15.1准备金假设和方法
(a)准备金限额
将在Florence Copper采用的ISCR提取方法没有采用传统的采矿技术,即为选矿目的从其原始位置移走矿石;因此,用于确定硬岩作业储量的典型方法不适用。Florence Copper的储量限额是根据与构成井田的单个开采单元相关的净值以及这些单元的连续性确定的。
一个开采装置由一个100英尺见方的五点井布置组成,该布置以注入井为中心,并延伸至整个储层厚度。该保护区垂直于氧化带和过渡带,不包括基岩禁区(BEZN)。BEZN是Oxide区的顶部40英尺,经许可不能进行浸出。储备金的横向限额是通过评价储备区周边每一个增量开采单位的未贴现净值(收入减去成本)确定的。
每个开采单位的收入是根据40英尺BEZN底部和硫化区顶部之间测量和指示资源中所含的可回收铜计算的,保守铜价为每磅3.05美元。铜回收率是使用本报告第13节讨论的浸出模型估算的,表面损失用于估算阴极铜产量。
每个开采单位的成本包括井场建设成本、运营成本、关闭和回收成本以及物业外成本。运行成本是根据浸出模型中的酸用量和酸用量估算得出的,假设抽余酸强度为10g/L。
用于经济评价的投入列于表15-1。
| 第15款 | 矿产储量估计 | 第2页 |
15.1储备假设和方法-续
(a)准备金限额-续
表15-1:经济分析参数
| 说明 |
价值 |
| 铜价 |
3.05美元/磅 |
| 井场建设费用: |
每口井149,600美元 |
| 回收&注入井固定成本 |
|
| 回收&注入井可变成本 |
263美元/英尺 |
| 弃置岩心孔1 |
31600美元/英亩 |
| 文化缓解2 |
240400美元/英亩 |
| 业务费用 |
|
| 酸消耗 |
消耗160美元/吨酸 |
| 井场作业 |
20.60美元/吨酸施 |
| 过度抽水和中性化 |
3.10美元/吨酸施 |
| SX成本 |
21.60美元/吨酸施 |
| EW成本 |
0.10美元/磅 |
| G & A成本 |
0.12美元/磅 |
| 关闭和回收成本 |
0.69美元/吨 |
| 表面损失 |
1.2 % |
| 物业外成本 |
|
| 特许权使用费-国家土地 |
7%总收入 |
| 特许权使用费-足球俱乐部拥有的土地 |
3%总收入 |
| 特许权使用费-BHP |
2.5%利润 |
| 阴极运输 |
0.02美元/磅 |
| 1整个井田的岩心弃井成本已计入 |
|
在对储备限额进行评估之后,采用了下列修正因素:
| 第15款 | 矿产储量估计 | 第3页 |
15.1储备假设和方法-续
(a)准备金限额-续
最终的储备面积如图15-1所示。储备金的横截面见图15-2和15-3。

图15-1:显示注入和回收井的矿产储藏区
| 第15款 | 矿产储量估计 | 第4页 |
15.1储备假设和方法-续
(a)准备金限额-续

图15-2:745,400 N断面,北望显示铜品位

图15-3:Section 848700 E,Looking West showing copper grade
| 第15款 | 矿产储量估计 | 第5页 |
15.1储备假设和方法-续
(b)计划稀释和截止品位
为了反映ISCR提取方法的性质,并保持井场的连续性,以便进行水力控制和冲洗,储量是在完全稀释的基础上报告的,不适用边界品位。这确保了整个储备区的成本和铜收入贡献得到考虑。虽然该项目的油井设计提供了一定的灵活性,可以优先使用泵和封隔器放置来瞄准每个开采单元内的大区域,但不可能隔离单独的50英尺资源区块。因此,ISCR的运营成本由每个开采单元内的岩体总量决定。同样,随着溶液在每个开采单元中迁移,铜将从该单元的所有区域开采,而低品位区块对总储量有稀释作用。在储备区内所含的任何推断资源都被视为未矿化,并被视为在储备区内的计划稀释。
ISCR提取方法在本报告第16节中有完整的描述。
(c)基岩禁区
基岩禁区是Florence Copper的APP和UIC许可证的要求。它包括顶部40英尺的基岩,并禁止向该区域注入工艺溶液。生产井将从BEZN的地面到底部进行套管和固井,并将工艺溶液注入BEZN下方的氧化区并从中回收。
在BEZN内部,由于预期的流动状况,预计铜的开采量有限。因此,BEZN不包括在储量估算中。图15-2和15-3显示了相对于其他地质单位的BEZN。
| 第15款 | 矿产储量估计 | 第6页 |
15.2矿产储量
(a)准备金定义
本研究中使用的储备分类符合以下2014年CIM定义标准:
修正因素是用于将矿产资源转换为矿产储量的考虑因素。这些因素包括但不限于采矿、加工、冶金、基础设施、经济、销售、法律、环境、社会和政府因素。
矿产储量是测量和/或指示矿产资源中经济上可开采的部分。它包括稀释材料和损失津贴,这可能发生在材料被开采或提取时,并由包括适用修正因素的适当的预可行性或可行性水平的研究加以界定。这些研究表明,在提交报告时,提取是合理的。
必须说明界定矿产储量的基准点,通常是矿石运送到加工厂的基准点。重要的是,在参考点不同的所有情况下,例如对于可销售的产品,都应列入一项澄清说明,以确保读者充分了解所报告的内容。
矿产储量的公开披露必须通过预可行性研究或可行性研究加以证明。
矿产储量按增加信心的顺序细分为可能的矿产储量和已探明的矿产储量。可能的矿产储量的可信度低于已探明的矿产储量。
概略矿产储量是指在某些情况下,指已探明矿产资源中经济上可开采的部分。对适用于可能的矿产储量的修正因素的信心低于适用于已证实的矿产储量的信心。
探明矿产储量是经测量的矿产资源中经济上可开采的部分。已探明的矿产储量意味着对修正因素有高度的信心。
为了满足NI43-101在确定资源的经济可开采部分方面的要求,通过第15.1节所述的程序建立了储备。这一储备构成了井场设计、调度因素和开发现金流模型的基础。这份技术报告载有关于采矿、加工、冶金、经济和其他相关修正因素的充分资料,这些资料在编写报告时表明,经济开采是合理的。
| 第15款 | 矿产储量估计 | 第7页 |
15.2矿产储量-续
(b)准备金估计数
储备金估计数列于表15-2。探明储量和概略储量分别来自于40 ' BEZN以下的氧化带和过渡带以及前面描述的储备区内的测量资源和指示资源。储量按原位报告,并在完全稀释的基础上列报,以反映所提议的ISCR提取方法的性质。
储量包含在第14节所列的矿产资源中,并已耗尽,以反映从PTF、BHP试点浸出试验和康菲公司从地下作业中提取的材料中提取的储量。准备金估计数的生效日期是12月31日St, 2022.
表15-2:已证实和可能的储量估计(2022年12月31日生效)
| 类别 | 吨 (000000) |
% TCu 等级 |
含铜 (000,000磅) |
| 证明 | 258 | 0.35 | 1,812 |
| 可能 | 63 | 0.40 | 503 |
| 合计 | 320 | 0.36 | 2,316 |
| 1.矿产储量遵循CIM矿产资源和矿产储量定义标准(2014年)。 2.矿产储量包含在Florence Copper的矿产资源中。 3.假设使用ISCR提取方法提取矿产储量,使用以下假设:3.05美元的铜价格,31600美元/英亩的岩心弃井,240,400美元/英亩的已确定文化遗址的文化缓解,149,600美元+ 263美元/英尺的钻井成本,160美元/吨的酸成本,45.30美元/吨的井田作业成本,1.2%的地表损失,0.10美元/磅的电积成本,0.12美元/磅的铜G & A成本,0.69美元/吨的回收成本,0.02美元/磅的铜运输成本,7%的ALSD土地NSR特许权使用费,3%的永久产权土地NSR特许权使用费,以及2.5%的净利润特许权使用费。 4.矿产储量的报告没有设定边界品位,而且是在完全稀释的基础上进行的,以反映所提议的ISCR提取方法的性质。 5.吨数13.5英尺3/吨和13.13英尺3对上氧化区的孔隙率为8%,下氧化区和过渡区的孔隙率为5%进行了处理。 6.由于四舍五入,数字可能不相加。 |
|||
QP认为,表15-2所列的矿产储量分类符合《CIM矿产资源和矿产储量定义标准》(2014年)所述的已探明和概略矿产储量定义,这些定义通过引用并入NI43-101。
| 第15款 | 矿产储量估计 | 第8页 |
15.3可能影响矿产储量估算的因素
与任何采矿作业一样,有若干因素可能对作为本报告资源和储量基础的业务业绩、业务成本和收入估计产生重大不利影响。矿产储量估算是根据矿产资源估算中使用的地质投入和密度假设以及本报告通篇讨论的经济参数、水文地质参数和冶金回收率估算得出的。这些假设的变化可能会影响矿产储量的估计。
相对于本报告中提出的估计数,业务费用的增加和/或估计收入的减少,无论是由于冶金回收、商品价格还是汇率,都将对项目的经济估值产生负面影响。然而,相对于用于限制储备的共识定价而言,保守的铜价假设将在不影响储备估计的情况下考虑这些因素的一些可变性。
该项目将需要各政府当局的许可证和许可证。不能保证Florence Copper能够获得进行所有拟议开发和经营所需的所有必要许可证和许可证。
第16节
采矿方法
第16节:采矿方法
目 录
| 页 | |
| 16.1 原位铜回收介绍 | 1 |
| 16.2 水文环境 | 3 |
| 16.3 ISCR萃取方法 | 12 |
| 16.4 提取序列 | 22 |
表列表
| 表16-1:提取计划摘要 | 23 |
数字列表
| 图16-1:Florence Copper PTF井场的航拍照片 | 2 |
| 图16-2:含水单位 | 8 |
| 图16-3:液压电导率 | 11 |
| 图16-4:带周长和观察井的单五点提取装置 | 13 |
| 图16-5:标称井设计 | 15 |
| 第16款 | 采矿方法 | 第1页 |
16.1原位铜回收简介
为佛罗伦萨铜矿项目提出的提取方法是原位铜回收(ISCR)。ISCR通过使用一组注入井,将一种称为抽余液的弱硫酸溶液注入矿床的目标部分,从而提取铜。抽余液穿过矿床中的天然裂缝和空隙,溶解铜矿化。这种含铜溶液被称为孕浸出液(PLS),收集在回收井中,然后将其泵送到地表进行处理。使用溶剂萃取和电积技术(SX/EW)从PLS中提取铜,生产出可销售的阴极铜产品,并提取出再循环到井田中。按照提取铜的顺序,对枯竭的储备区进行冲洗,以去除剩余的工艺溶液,并将地下水质量恢复到规定的标准。ISCR各阶段的计划是循序渐进的,以便在井田的其他区域正在开发的同时,对第一批开采的区域进行冲洗和封闭。
50多年来,原位回收方法已成功地用于矿物开采行业,作为对具有良好地质和水文特性的矿藏采用露天或地下采矿方法的一种替代方法。就地回收不需要实际处理矿化材料、覆盖层或非矿化岩石,因此,这种方法不需要许多通常与采矿和选矿有关的活动,如爆破、装载、拖运、破碎、输送、研磨、浮选和冶炼。原位方法的长期环境效益是,不会产生露天挖掘、废石堆、堆浸堆或尾矿储存区,导致占地面积小得多,不会显著改变场地地形。
用于原位回收的设备包括注入、回收和输送工艺解决方案的井、泵和管道。由Florence Copper经营的PTF井田如图16-1所示。关于井场水文条件、设计、操作和冲洗的描述见以下各节。
康菲石油公司、岩浆公司和BHP进行了权衡研究,评估了通过地下和露天采矿开发FCP的情况。1994年,Magma确定FCP的最佳开发方法是ISCR方法,这一点随后得到了BHP和佛罗伦萨铜业公司人员的证实。由于铜矿化的类型、母岩的组成、矿化体的断裂性质和饱和条件,该矿床非常适合进行ISCR。ISCR方法是开发佛罗伦萨铜矿最环保、最经济、最实用的方法。
| 第16款 | 采矿方法 | 第2页 |
16.1介绍原位铜回收-续

图16-1:Florence Copper PTF井场的航拍照片
| 第16款 | 采矿方法 | 第3页 |
16.2水文环境
(a)导言
从1971年开始,该项目的前业主对Florence Copper矿址进行了水文定性。最初设想的是一个地下矿井,但在完成详细的水文研究并推进一个地下试点矿井以收集大量样本后,确定该矿床的强烈压裂和地下水饱和造成了难以开采的条件,使得开发地下或露天矿井不可行。这些发现促使业主们从20世纪80年代开始考虑ISCR,因为正是这些条件使得地下或露天采矿具有挑战性,为ISCR方法创造了有利条件。
后来的研究表明,佛罗伦萨铜业公司对PTF的运作达到了高潮:
以下各节概述了项目前业主进行的水文研究及其结论。
| 第16款 | 采矿方法 | 第4页 |
16.2水文环境-续
(b)康菲石油公司
自从康菲公司在1960年代末首次提出开发概念以来,佛罗伦萨铜矿的水文特性对该矿址的规划至关重要。康菲石油公司于1971年开始对该矿场进行水文特征分析,以确定计划中的一个地下矿井的脱水要求。进行的水文试验包括几次大规模抽水试验,其中一次试验包括以超过每分钟7500加仑(gpm)的总速度抽水六个月以上,同时监测基岩氧化物单位水位的水力反应。
在完成详细的水文研究和推进一个地下试验矿以收集大量样品之后,康菲石油公司确定,该矿床的剧烈压裂和地下水饱和造成了困难的采矿条件,使得开发地下或露天矿不可行。这些发现促使康菲公司在1980年首次考虑ISCR,因为正是这些条件使佛罗伦萨铜矿的地下或露天采矿具有挑战性,为ISCR方法创造了有利条件。
虽然康菲石油公司进行的水文研究不是为了证明ISCR的可行性,但这项工作得出了几个重要结论,解决了成功进行ISCR所需的水文条件。康菲石油公司的主要调查结果包括对FCP场址上每一个含水单元的水力特性,以及每一个单元之间的水力关系。
| 第16款 | 采矿方法 | 第5页 |
16.2水文环境-续
(c)岩浆
在购买Florence Copper资产后,Magma发起了一项研究,其中包括重新评估露天采矿或ISCR方法的铜生产潜力。该研究包括对FCP矿化体的水文特征的审查,并得出结论,ISCR是在佛罗伦萨铜矿生产铜的最有效手段。
研究完成后,Magma启动了一项密集的水文特征分析计划,其中包括在分布在佛罗伦萨铜矿场的17个井位进行的一系列49次抽水试验。测试包括在各含水单位内筛选的17个抽水井和46个监测井。在上部盆地填埋单元(UBFU)内完成了8口井,在下部盆地填埋单元(LBFU)内完成了17口井,在基岩氧化物单元(包括主要断层的上壁和下盘带)内完成了38口井,在硫化物单元内完成了3口井。每一次抽水试验都是在每条直线英尺井筛至少0.25 gpm的抽水率下进行的。抽水试验的结果使描述每个含水单元的水文参数值得以推导。抽水试验的主要结论包括:
| 第16款 | 采矿方法 | 第6页 |
16.2水文环境-续
(d)BHP
BHP收购Magma和Florence Copper矿场后,通过安装总共20口井的ISCR井田,开始了商业规模的现场试验(Pilot Test)。
Pilot Test井田包括四口注入井和五口采收井。注入井的安装间距约为70英尺,其中一口采收井位于模式中心,距离每口注入井约50英尺。其他四口采收井位于注入井外,以维持水力控制。注入和回收井的平均筛网长度约为400英尺。Pilot Test设计采用了每口井40gpm或每条直线英尺屏幕约0.1gpm的标称注水率。设计骨料注入率为160gpm,骨料回收率为190gpm。
在试点测试期间,典型的注射和回收率为每条线英尺屏幕0.09至0.14 gpm,最高可达每条线英尺屏幕0.44 gpm。在试验期间,对溶液注入和回收率进行了积极的管理,以确保回收率超过注入率,以保持液压控制。
BHP试点试验成功地证明:
| 第16款 | 采矿方法 | 第7页 |
16.2水文环境-续
(e)Florence Copper
Florence Copper利用广泛的水文数据集和长期的季度地下水监测结果,开发了代表Florence Copper场址和场址周围约125平方英里区域的次区域地下水流量模型。编制地下水流量模型是为了支持修正最初由ADEQ和USEPA发给BHP的作业许可证的申请。地下水流量模型证实,在拟议的项目期间,有足够的地下水资源支持计划中的ISCR业务。
在PTF运作期间完成的其他水文研究有:
| 第16款 | 采矿方法 | 第8页 |
16.2水文环境-续
(f)水文地层单位
Florence Copper矿址下面的饱和地质构造被划分为三个不同的含水水文地层单元,称为上盆地填充单元(UBFU)、下盆地填充单元(LBFU)和基岩氧化物单元。基岩氧化物单元是氧化铜区的水文名称,包含本报告所述的矿产资源和矿产储量。在项目地区,UBFU和LBFU被称为中细颗粒单元(MFGU)的隔水材料隔开。基岩氧化物单元下面是硫化物单元,该单元实际上是不透水的。这些单元中的每一个通常对应于亚利桑那州水利部所描述的区域范围广泛的水文地层单元。
具有典型厚度的水文地层单元如图16-2所示。

图16-2:含水单位
| 第16款 | 采矿方法 | 第9页 |
16.2水文环境-续
(f)水文地层单位-续
近期冲积层
UBFU在当地被吉拉河附近最近沉积的冲积洪泛平原沉积物和FCP遗址附近的支流冲刷所覆盖。最近的冲积层是不饱和的,由未固结的淤泥、沙子、碎石和巨石组成,局部覆盖在UBFU的盆地填充层之上。最近的冲积层埋设在吉拉河两侧的宽度约为1英里。FCP地点最近的冲积层厚度从基岩露头附近的零到吉拉河大约60英尺不等。
上盆地填充单元
UBFU主要由未固结到轻微固结的砂石和碎石组成,透镜为细粒度的材料。该单元的上部通常是细粒状和钙质的,由分级差、淤泥和砂粒的渐变序列和少量碎石组成。在拟议的ISCR区域的占地面积内,UBFU的厚度在200至240英尺之间。UBFU是最浅的含水单元,在拟议的ISCR区域内不受约束。UBFU由MFGU与较深的含水单元局部隔离,与项目区域内较深的含水单元没有直接的液压通信。
中盆地充填装置
MFGU是UBFU的基础,并在工程区域内将较深的含水单元与UBFU进行液压隔离。MFGU的成分范围从钙质粘土到粉砂,包括重新加工的破碎粘土碎屑、碳质膜和细砂的薄互层。MFGU是水文框架的一个重要组成部分,计划中的ISCR作业将在该框架内进行,该单元在ISCR区域一般为20至40英尺厚。MFGU是一个低水力传导率层,在LBFU内维持封闭的地下水条件,覆盖并直接向基岩氧化物单元补充地下水。
| 第16款 | 采矿方法 | 第10页 |
16.2水文环境-续
(f)水文地层单位-续
下盆地填充装置
LBFU位于拟议的ISCR场址的MFGU之下,包括覆盖前寒武纪基岩的沉积填充物的下部。计划中的ISCR场址的MFGU-LBFU接触点深度为地表以下260至300英尺。LBFU由粗碎石、方砾岩、砾岩和角砾岩组成。它的特点是比UBFU显示的更大程度的巩固。LBFU的砾岩部分可能与该地区描述的Gila和Whitetail砾岩有关。大量的基岩结构浮雕造成了LBFU厚度的显著变化,从东西方向大约70英尺到400多英尺不等。
LBFU覆盖基岩氧化物单元,将提供补给水,以取代从矿化物质体内提取的地下水。
基岩氧化物单元
拟议的ISCR地区LBFU的基岩主要由前寒武纪石英二长岩和第三纪花岗闪长岩斑岩组成。基岩以铜矿物组合为基础,分为上部基岩氧化物单元和下部硫化物单元。FCP的基岩氧化物单元估计厚度从大约200英尺到超过1000英尺不等,平均厚度约为400英尺。
基岩氧化物单元的顶部由裂缝填充物和角状基岩碎片的风化碎石混合物组成,已被证明是一个水力传导性增强的区域。在这个风化带之下,氧化物单元由广泛断裂的石英二长岩、花岗闪长岩和相关的堤坝组成。地下水通过基岩氧化物单元的运动受次级渗透性特征的控制,如断层、裂缝和伴生角砾岩。对钻芯的统计分析表明,基岩氧化物单元平均每英尺有10至15处开放裂缝。
在基岩氧化物单元中进行的含水层试验表明,在该单元中观察到的广泛的压裂是相互联系的,以至于在泵送条件下,破裂的岩石表现为多孔介质。泵送和注入试验在建立、维持和控制流经基岩氧化物装置的一致流体流动方面取得了成功。基岩氧化物单元的天然渗透性足以进行ISCR操作,无需任何修改或改进。
| 第16款 | 采矿方法 | 第11页 |
16.2水文环境-续
(f)水文地层单位-续
硫化物单位
基岩氧化物单元的下部是硫化物单元,这是一个硫化物矿化带,出现在构成基岩氧化物单元的石英二长岩和花岗闪长岩岩石中。硫化物单元的渗透性明显低于上伏的基岩氧化物单元。
液压电导率
在每个含水和非含水单元中测量的水力传导率范围如图16-3所示。该图所示的关系包括:

图16-3:液压电导率
| 第16款 | 采矿方法 | 第12页 |
16.3 ISCR萃取方法
(a)液压控制
ISCR要求在井田中注入工艺解决方案,通过目标部分的矿床并有效回收,以最大限度地提取铜并达到环境目标。过程解决方案在井场中通过水力控制进行控制,在井场周围建立向内的水力梯度,使周围区域的水流向被浸出的区域,过程解决方案保留在井场中。
通过不断抽取比注入更多的流体,将在活动的ISCR区域内创建和维持向内的水力梯度。预计泵送速率为总喷射速率的106%,以保持液压控制。Florence Copper开发的分区域地下水流动模型表明,基岩氧化物单元和上覆的LBFU内有足够的地下水资源,可以在拟议的ISCR作业期间轻松地支持地下水净开采率。
为了监测水力梯度的状况,将在井场边缘安装观察井。Florence Copper公司将持续监测活动井场周围的液压头和三重井之间的梯度,三重井包括合规点井、观察井和周边井或采收井。Florence Copper项目的设计允许根据需要改变泵送和注入速率,以调整液压梯度并确保保持液压控制。由BHP和佛罗伦萨铜业公司运营的PTF进行的试验表明,可以在矿区内建立和维护液压控制。
| 第16款 | 采矿方法 | 第13页 |
16.3 ISCR萃取方法-续
(b)井场设计
计划中的ISCR设施包括一系列注入井和回收井,这些井将用于注入和回收含铜PLS。这些井周围将是周围井,用于提取维持水力控制所需的水力控制解决方案,然后是观察井,以监测水力梯度。
注采井和采收井按五点布置,中心有一口注采井,四口采收井位于每个方形单元的角落。每一个五点模式形成一个单一的提取单元在更大的井田。相同类型的井之间的间距为100英尺,注入到回收井的间距约为70英尺。如图16-4所示,是一个单独的五点井排列。
周围井和观察井位于活动井田周围的第一排,位置通常与未来的注入井和采收井位置相对应。这样,随着井田的扩大,这些井就可以被重新利用。在开采计划的整个生命周期内,总共需要2142口井,尽管并非所有这些井都将同时作业。

图16-4:带周长和观察井的单五点提取装置
| 第16款 | 采矿方法 | 第14页 |
16.3 ISCR萃取方法-续
(b)井场设计-续
井设计
注入井、采收井、周界井和观察井将采用单一设计,根据矿体的局部特性和井型,在仪器仪表、筛选层段和套管直径方面略有变化。
该设计包含一个从地面延伸到BEZN底部(基岩氧化物单元顶部以下40英尺)的套管柱。套管的整个长度都将经过水泥处理,并且在投入使用之前必须通过美国环保署规定的机械完整性测试。这种坚固的套管设计将UBFU、MFGU和LBFU与进出基岩氧化物装置的工艺解决方案隔离开来。在套管管柱以下,这些井可以有一个连续的筛选间隔,或多个间隔,以便使用井内的封隔器将基岩氧化物单元内的选定区域隔离开来。图16-5中包含了一个示意图的井图。
油井的建造方式将允许它们随着井田的发展而改变服务。这将使最初作为周界井和观察井建造的井,随着井田随着时间的推移而扩大,可转换为注入井和采收井。它还将提供在注入井和回收井之间转换的能力,以便在逆流配置中运行。
井将被用来监测流量、压力和潜水表面。将在含水层豁免区顶部(MFGU较低处或氧化区上方200英尺处)的所有井中安装环形导电装置(ACDs),并在10%的井中的氧化区顶部安装环形导电装置。收集的数据将用于监测油井的性能和机械完整性。将在每一口井上安装控制装置,以便根据作业需要调整流量。
| 第16款 | 采矿方法 | 第15页 |
16.3 ISCR萃取方法-续
(b)井场设计-续
水井设计-续

图16-5:标称井设计
| 第16款 | 采矿方法 | 第16页 |
16.3 ISCR萃取方法-续
(c)业务控制
井田中的单个提取单元将被浸出到经济PLS边界品位,之后它们将过渡到漂洗。以下操作控制和战术是根据从PTF获得的经验制定的,将用于管理井田的铜开采率。这些控制措施在浸出阶段提供了灵活性,以管理提取顺序和从储备中提取的铜总量。
注入和回收流速
每口井的流量将由正在浸出的矿石带的厚度决定,最大流量为每直线英尺井筛0.2 gpm。为了管理最大允许流量、最大允许注入压力、维持水力控制所需的超泵总量、正在开采的PLS的铜品位以及从井田中提取的铜总量,对注入和回收速率进行了调整。还可以降低井田区域的流速,以减缓选定区域的铜消耗,以保持合理的提取和冲洗顺序。
Raffinate强度
可以通过调整抽余液中的酸浓度(或抽余液强度)来控制PLS的提铜率和铜品位。提取计划中的酸强度在每升10至15克之间变化,在浸出序列的早期通常使用更强的抽提液,以促进新井中铜提取的上升期缩短,PLS中的铜品位更高。随着井田面积的枯竭,酸强度通常会降低,以限制酸的消耗。在操作上,如果根据操作要求,酸度可以降低到每升10克以下。
| 第16款 | 采矿方法 | 第17页 |
16.3 ISCR萃取方法-续
(c)操作控制-续
包装器放置
除矿区非常薄的区域外,注入井和回收井的建造将有几个经过筛选的间隔,由空白套管隔开,允许安装封隔器,以隔离一个或多个经过筛选的间隔。这提供了一定程度的选择性,将注入或回收工艺溶液的目标定为矿石区内的水平。这将允许以特定的等级区为目标,并轮换活跃的浸出区,以管理PLS等级并最大限度地提高总体回收率。封隔器的使用还将使该作业能够引导处理溶液流经井柱中较深的区域,在这些区域中,预计水力传导率将低于矿石区顶部。将根据品位分布、水文参数和矿石带的厚度来确定可能安装封隔器的筛选间隔的数量和空白的位置。
逆流
随着井田区域的调试,内部生产井将以标准和逆流配置循环运行。在逆流构型中,注入和回收井的作用相反,浸出液沿相反方向穿越矿石系统。在活跃浸出区边缘的外排井将始终作为回收井运行,并且当内部井被倒转时不会改变职责。逆流的使用将加速井田的初始酸化。
在开采的后期阶段,作为接近枯竭的井田区域,也可能采用逆流。在这一开采阶段的逆流将使回收井周围的矿石暴露于新鲜的提炼中,并可能有助于确保实现最大限度的回收。Florence Copper将在项目运营阶段继续测试反向流动策略。
| 第16款 | 采矿方法 | 第18页 |
16.3 ISCR萃取方法-续
(c)操作控制-续
井截断等级
井场中的提取装置将根据注入的抽余液和回收的PLS的铜品位之间的差异而被切断。由于在整个提取计划中,抽余液中的铜品位各不相同,因此使用差别截断品位来评估各个提取单位的铜贡献。只要回收的差别铜的价值超过与井场和加工成本相关的成本,开采装置就是经济的。低品位溶液的加工成本可以通过溶液堆叠来管理,其中低品位PLS绕过SX/EW装置,在加工前被重新酸化并返回井场以提高品位。当一个萃取单元低于截止值时,它被视为耗尽,并开始漂洗。根据第21节概述的经济参数计算的经济铜边界品位为0.3克/升。但是,由于其他调度因素的需要,一些萃取装置将在达到经济边界值前被切断,预计在项目的整个生命周期内,萃取装置将被切断0.3至0.4克/升。
| 第16款 | 采矿方法 | 第19页 |
16.3 ISCR萃取方法-续
(d)冲洗
在提取铜之后,将对井田进行冲洗,以从矿石区回收工艺溶液,并使含水层恢复到规定的水质标准。随着井田的区域被切断,冲洗逐渐发生,直到整个井田的冲洗完成。一旦特定区域的漂洗周期完成,该区域就可以退役。
冲洗过程分三个阶段进行,以达到井田封闭所需的含水层水质。在第一阶段,停止向注入的流体中添加酸,以开始降低矿物溶解过程,减少地层中的游离酸和硫酸盐负荷,同时促进溶解成分的继续去除。在第二阶段,在溶解成分的浓度降低后,开始注入新鲜或处理过的水。在第三阶段,在注水中加入碳酸氢钠和三价铁,以恢复地层中的缓冲能力并降低剩余矿物成分的溶解度。
漂洗计划包括处理和回收漂洗溶液,以尽量减少漂洗过程中消耗的淡水。溶液在贫化区循环使用相同的注入和回收井用于铜的提取。
实现水质目标所需的冲洗溶液的体积是通过结合本报告第13节所述的地球化学建模和冶金试验工作确定的。关于地球化学模型的更多细节,见第20.2(f)节。
| 第16款 | 采矿方法 | 第20页 |
16.3 ISCR萃取方法-续
(e)施工因素
井田开发将从工地设施施工期间进行的首次钻探一直持续到最后的油井投入使用的第18年。这一持续发展将需要定期开展文化缓解工作,并放弃与《国际标准和准则》无关的岩心洞和井。
减少文化资源
在Florence Copper地产上发现了46处文化遗址。项目设施和基础设施的设计是为了尽可能避免对文化资源场所造成影响;然而,在这些地区开展国际文化权利审查活动之前,井田内的一些场所需要进行缓解。井田周围的岩心洞和弃井点如果落在文化遗址内,也需要缓解。
Florence Copper曾提议在无法避免的遗址进行任何开发工作之前,通过恢复考古数据来减轻影响。这涉及收集地表材料,然后进行机械测试以确定掩埋的特征,然后在必要时进行全面数据恢复(特征挖掘)。在将发生有限扰动的岩心洞和弃井地点,将采用简略的常规考古工作。还将根据许可证的要求,对所有干扰地面的活动(不论是否靠近文化遗址)进行考古监测。
位于井田的文化遗址面积约有三分之一位于以前的农田中,这些农田在很大程度上受到耕作活动的干扰。由于耕作造成的干扰,这些地区的地物挖掘预计不会那么密集。
| 第16款 | 采矿方法 | 第21页 |
16.3 ISCR萃取方法-续
(e)施工因素-续
岩心洞和弃井
在开始从井田中提取铜之前,必须放弃位于井田500英尺范围内和加工池150英尺范围内的矿床和非ISCR井勘探的岩心孔。这是一项预防措施,以防止工艺溶液使用岩心孔或井作为管道在矿石区上方迁移。一般来说,岩心孔和井位是从历史记录或最近的调查中得知的。放弃程序将符合许可要求,但一般包括确定岩心孔或井的位置、清洗孔、拆除或射孔任何表面套管以及从氧化区到表面用水泥填充孔。
废弃工作将逐步完成,比相应的井田扩建提前一年。除了设施建设所需的钻孔和钻孔外,在整个项目的整个生命周期内,还有264个岩心孔和121口井需要废弃。
| 第16款 | 采矿方法 | 第22页 |
16.4提取序列
(a)摘要
开采时间跨度为22年,每年名义上开采8600万磅铜,在生产顺序的开始和结束都有逐步增加和逐步减少的阶段。当第一批回收装置的浸出完成后开始冲洗,并持续到25年,即铜提取完成3年后。表16-1提供了提取计划的摘要。
该提取计划旨在以11,230千米/分的名义速率为SX/EW工厂提供足够的铜溶液,在考虑表面损失后生产出8,500万磅阴极铜。本报告第15节所讨论的储备根据几何和等级考虑分为75个调度区块。然后利用以下考虑因素对这些区块进行排定:
提取序列最初从PTF地区向南扩展。从第4年开始,井田向东北和西北扩展,到第7年延伸到保护区西北象限的最终边界。在接下来的几年里,井田继续发展到保护区的东北象限并向南延伸,一直延伸到保护区的西部边缘。到第10年,井田开发已经覆盖了整个西北半个保护区,并开始扩展到东南象限。剩余的储量是通过将井田向东北延伸,然后向西南延伸,最后向极东延伸而开发的,施工将于18年前完成。
对矿体的冲洗始于井田的西北角,并向东南方向推进直至完成。
| 第16款 | 采矿方法 | 第23页 |
16.4提取序列-续
(a)摘要-续
表16-1:提取计划摘要
| 年份 |
SX/EW |
PLS |
铜提取* |
|
|
饲料(gpm) |
品级(g/L) |
(千磅) |
| 1 |
4,170 |
2.1 |
35,200 |
| 2 |
8,490 |
2.2 |
74,000 |
| 3 |
11,230 |
2.0 |
86,600 |
| 4 |
11,230 |
1.9 |
86,000 |
| 5 |
11,230 |
1.9 |
85,200 |
| 6 |
11,230 |
1.9 |
85,000 |
| 7 |
11,230 |
2.0 |
87,400 |
| 8 |
11,230 |
1.9 |
86,200 |
| 9 |
11,230 |
1.9 |
85,400 |
| 10 |
11,230 |
1.9 |
86,200 |
| 11 |
11,230 |
1.9 |
85,300 |
| 12 |
11,230 |
1.9 |
85,900 |
| 13 |
11,230 |
1.9 |
85,100 |
| 14 |
11,230 |
1.9 |
86,000 |
| 15 |
11,230 |
1.9 |
86,000 |
| 16 |
11,230 |
1.6 |
72,500 |
| 17 |
11,230 |
1.6 |
71,100 |
| 18 |
11,230 |
1.2 |
55,300 |
| 19 |
11,230 |
1.2 |
51,000 |
| 20 |
11,230 |
0.8 |
37,000 |
| 21 |
11,100 |
0.4 |
18,800 |
| 22 |
6,120 |
0.4 |
8,600 |
| 23 |
-- |
-- |
-- |
| 24 |
-- |
-- |
-- |
| 25 |
-- |
-- |
-- |
| *包括在不造成地表损失的情况下从原地储备中去除的铜。 注:第1年生产代表部分运营年份。 |
第17节
恢复方法
第17节:恢复方法
目 录
| 页 | |
| 17.1 恢复方法 | 1 |
| 17.2 原位铜回收井田 | 4 |
| 17.3 加工池 | 5 |
| 17.4 溶剂萃取厂 | 6 |
| 17.5 坦克农场 | 8 |
| 17.6 电积厂 | 9 |
| 17.7 水处理厂 | 10 |
| 17.8 能源需求 | 11 |
表列表
| 表17-1:溶剂萃取设计标准 | 7 |
| 表17-2:电积设计标准 | 9 |
| 表17-3:按项目地区分列的完全生产能耗 | 11 |
数字列表
| 图17-1:冲洗前Block流程图 | 1 |
| 图17-2:冲洗过程中的Block流程图 | 2 |
| 图17-3:厂房地盘布局 | 3 |
| 图17-4:SX/EW设施工艺流程图 | 7 |
| 第17款 | 恢复方法 | 第1页 |
17.1恢复方法
ISCR工艺的基础是通过注入井向矿体中注入浸润剂抽余液。抽余液由约99.5%的水和0.5%的硫酸混合而成。抽余液在穿过矿体时溶解含铜矿物,富集溶液中的铜浓度。被称为孕浸出液(PLS)的富铜溶液通过回收井网回收,随后被泵送到PLS池,该池为选择性提取铜的加工厂提供原料。在提取铜之后,现在被称为抽余液的贫铜溶液被引导到抽余池进行随后的再酸化和再注入ISCR井田。
Florence Copper将利用常规溶剂萃取(SX)和电积(EW)技术从SX工厂的PLS中提取铜,并在EW工厂生产最终的阴极铜产品。
在ISCR运作的最初几年,以及在开始冲洗之前,主要由液压控制流产生的过剩溶液库存将被导向一个小型石灰中和工厂以调节pH值,随后被送往一个工艺蓄水池进行蒸发。漂洗前的回收方法如下图17-1所示。

图17-1:冲洗前Block流程图
| 第17款 | 恢复方法 | 第2页 |
17.1恢复方法-续
在每个ISCR矿块的铜回收工作结束后,将开始对该区域进行冲洗,以将矿块的含水层水质恢复到规定水平。一个水处理厂将在项目生命周期的一部分上线,以尽量减少冲洗操作期间淡水的使用。水处理厂将处理在ISCR过程中产生的多余溶液,以产生支持漂洗操作所需的水的质量和数量。与水处理厂产生的废物流一起冲洗所不需要的过剩溶液库存将被送往工艺蓄水池,用于随后的蒸发和长期固体储存。
下图17-2显示了井场冲洗作业中包含水处理厂的整个工艺流程配置。

图17-2:冲洗过程中的Block流程图
厂址将位于Florence Copper私人土地上,毗邻该物业的主要入口,并位于现有PTF设施和井田的东侧。厂址布局见下文图17-3,而包括PTF设施在内的项目厂址布局概览见本报告第18节(图18-1)。
以下各节将讨论工艺设施的设计和功能。
| 第17款 | 恢复方法 | 第3页 |
17.1恢复方法-续

图17-3:厂房地盘布局
| 第17款 | 恢复方法 | 第4页 |
17.2原位铜回收井田
如第16节所述,ISCR井田涉及通过注入抽余液从地下矿石中回收铜,并在一系列井中回收PLS。
通过高密度聚乙烯管道网,从抽油池向注入井输送含硫酸盐溶液。PLS将通过变速电动潜水井泵从回收井中提取。PLS将在一个管道网络中收集并送到PLS池塘。从那里,PLS将被泵送到SX工厂,提取铜,随后将被回收到阴极铜板中。注入和回收流量将保持平衡,以保持井田的水力梯度,并产生11230 gpm的PLS到SX工厂的名义流量。
液压控制泵将在ISCR活动区域周围的一系列周围井中使用变速电动潜水泵进行。将设置液压控制流量,以确保过程解决方案的液压控制得到维护。液压控制解决方案被收集在一个专用的管网中,该管网可根据需要被导向水处理或抽滤池。
在一个地区的铜回收工作完成后,将对该地区进行冲洗,以使含水层恢复到规定的水质标准。冲洗过程使用与铜回收相同的注入和回收井。在冲洗过程中使用水处理厂,以尽量减少该过程对淡水的需求。
所有井口和工艺解决方案管道将包括二级围堵系统,并将配备维持所需操作条件所需的仪器和控制装置。井与井之间的走廊将在管道路线和道路通道之间交替进行,以供取样和维修。
| 第17款 | 恢复方法 | 第5页 |
17.3加工池
PLS和抽水池位于SX工厂附近和南部。这些池塘的设计有36小时的保留时间,以便为SX工厂和井田提供操作灵活性。工艺池将按照亚利桑那州最佳可得示范控制技术(BADCT)标准,采用双层高密度聚乙烯衬垫系统建造。抽水池配有将抽水输送到井场的抽水系统,PLS池配有将PLS输送到SX厂的抽水系统。抽滤池还将配备一个抽滤有机撇渣器系统,以在随后的溶液回收和重新注入井田之前回收抽滤溶液中所含的任何残留有机物。
将在PLS池的东面建造一个雨水和事件池,以收集从厂址流出的所有地表。将在池塘中安装一个抽水系统,将收集到的所有溶液输送到水处理中。
| 第17款 | 恢复方法 | 第6页 |
17.4溶剂萃取厂
SX工厂将毗邻该物业的主要入口和井田及现有的PTF SX/EW设施的东侧。该装置的设计目的是选择性地将PLS溶液中的铜转移到含有特定于铜的萃取剂的有机溶液中。含铜的有机溶液随后供给一个有机剥离阶段,在该阶段,铜从负载的有机物转移到电解质溶液中,随后供给电积。
该工厂设计的标称PLS流量为11,230 gpm,PLS等级为每升2克(g/L),由四个搅拌器-沉降器、两个后沉降器和相关设施组成。所有的混合器沉降器都配有泵送和混合系统,设计用于溶液相的彻底接触。
PLS进给植物的饲料将被分离,以供给两个平行的萃取混合器-沉降器,在那里它将与不混溶的有机溶液混合,以逆流串联的方式供给。有机相由溶解在稀释剂中的芳香肟组成,当两相混合时,这种稀释剂允许铜从PLS到有机相发生高度选择性的质量转移。混合后,溶液被导向沉降剂,使有机和水溶液相分离。所得的水溶液将喂给后沉降器以回收任何夹带的有机物,而水溶液将被导向抽滤池,然后在再酸化后再循环回井田。
从萃取阶段装载的有机物被推进到剥离阶段,其中稀薄电解质与有机溶液在两个最终混合器沉降器中以逆流串联配置混合。负载的有机溶液被强酸性贫电解质溶液剥离其铜,随后在沉降器中分离。剥离的有机溶液再循环回萃取阶段以收集更多的铜,而富集的电解质溶液则通过罐区的后沉降器和多介质电解质过滤器。经过过滤的富电解质溶液是电积设备的进料。
图17-4显示了一个简化的流程图,说明了计划中的SX/EW设施的流程配置。
| 第17款 | 恢复方法 | 第7页 |
17.4溶剂萃取厂-续

图17-4:SX/EW设施工艺流程图
SX工厂的设计标准概述于表17-1。
表17-1:溶剂萃取设计标准
| 参数 |
单位 |
|
| 工厂利用率x可用性 |
% |
98 |
| SX列车 |
编号 |
1 |
| PLS流量(名义) |
gpm |
11,230 |
| 提取PLS铜浓度 |
克/升 |
1.8 |
| 有机流动 |
gpm |
6,690 |
| 萃取剂 |
类型 |
M5774或相等 |
| SX铜提取(合并) |
% |
90 |
| 剥离流速(水溶液) |
gpm |
6,310 |
| 第17款 | 恢复方法 | 第8页 |
17.5坦克农场
坦克厂位于SX厂以北,由工艺罐和辅助工序组成,以支持SX厂和EW厂。
位于罐区内的辅助工艺设备包括试剂罐、电解质再循环泵系统、电解质过滤器、电解质换热器和有机回收系统。电解质过滤器可防止SX的任何固体或有机溶液进入EW工厂。有机回收系统处理SX沉降剂中在有机/水界面积累的任何乳液,以回收有价值的有机物。
| 第17款 | 恢复方法 | 第9页 |
17.6电积设备
EW工厂位于罐区以西,SX工厂以北。该工厂由总共70个EW单元组成,这些单元由聚合物混凝土构成。每个电池将包含84个不锈钢阴极和85个铅合金阳极。来自罐区的经过过滤和加热的电解质被并行泵送通过电池。两个整流器产生串联通过电池的直流电流。电流从整流器流经每个电池中的电解质溶液,导致电解质中的铜被镀到不锈钢阴极板上。
细胞中的电化学反应从电解质中演化出氧气,可能会产生细小的气溶胶酸雾。为了最大限度地减少酸雾的排放,EW电池被覆盖并通过通风系统与洗涤器相连。也可以在电解质中添加表面活性剂,以最大限度地减少产生的雾量。额外的试剂也被添加到电解质中以钝化阳极板和作为阴极的表面改性剂。
铜在大约一周的周期内镀到阴极板上。当阴极准备好收获时,它们被从EW电池中取出,由起重机运到自动剥离机。剥离机清洗并机械地从阴极毛坯的每一侧去除铜片。然后将阴极毛坯重新投入使用,并对铜板进行称重、取样和捆绑销售。
EW装置的简化设计标准见表17-2。
表17-2:电积设计标准
| 参数 | 单位 | |
| 名义铜产量 | Mlb/年 | 85 |
| EW电池 | 编号 | 70 |
| 阴极质量 | LME A级 | |
| 细胞构建 | 类型 | 聚合物混凝土 |
| 电流密度(标称/设计) | A/英尺2 | 28/33 |
| 阴极 | 类型 | 316L SS空白 |
| 每个电池的阴极 | 编号 | 84 |
| 阳极 | 类型 | 铅合金 |
| 每个单元的阳极 | 编号 | 85 |
| 整流器 | 编号 | 2 |
| 整流器电压(标称) | V | 150 |
| 整流器总安培(标称) | A | 58,840 |
| 电池进料铜浓度 | 克/升 | 40 |
| 细胞饲料硫酸 | 克/升 | 175 |
| 电池馈送流量(标称) | gpm/单元格 | 127 |
| 第17款 | 恢复方法 | 第10页 |
17.7水处理厂
ISCR工艺产生的多余水将在最初几年通过溶液中和和蒸发加以管理,随后在ISCR块冲洗开始后通过使用水处理厂加以管理。ISCR工艺通过液压控制抽水和冲洗水产生多余的水,用于关闭已完成的ISCR块。
该加工厂的水需求估计为标称的63gpm,将通过反渗透处理低品位的工艺溶液来生产,以尽量减少现场用水量。
在开始冲洗之前,Florence Copper将运行一个小型中和回路,该回路配有石灰熔化和加药系统,以便在工艺蓄水池中储存和蒸发之前处理任何多余的工艺溶液。漂洗开始后,一个水处理厂将上线处理在ISCR过程中产生的多余水,以产生水来支持ISCR块漂洗活动,从而最大限度地减少淡水的使用。
水处理厂将由酸性超滤(UF)回路和酸性反渗透(RO)回路组成。该工厂将产生3种工艺流程,确定为渗透液、盐水和洗涤液。所产生的渗透液的质量将适合于井场冲洗。盐水将包含大量溶解的成分,如铜、铁和硫酸盐,这些成分将被保留并循环回生产过程中。该工艺的pH值将被设定为保持盐水中成分的溶解度,在随后用于漂洗之前,渗透液将被调整到一个周围中性的pH值。
在UF和RO膜上积累的污垢将通过自动膜清洗循环进行管理,产生洗涤液,这将是工厂的唯一废物流。从水处理厂产生的洗涤液连同ISCR块冲洗所不需要的任何多余水将被引向工艺蓄水池,在那里多余的溶液库存将通过机械蒸发器蒸发。
| 第17款 | 恢复方法 | 第11页 |
17.8能源需求
该项目的估计耗电量是根据连接的设备负荷和生产计划的年度使用系数计算的。每年的能源消耗根据井田的发展状况、水管理要求、溶液输送要求和生产量而有所不同。下文表17-3按项目地区分列了典型的项目完全生产时的电力消耗细目。
表17-3:按项目地区分列的完全生产能耗
| 面积 | 平均 消费 (每年兆瓦时) |
占总数的% |
| 井田 | 12,000 | 12% |
| 中和 | 1,200 | 1.2% |
| SX工厂 | 10,000 | 10% |
| EW工厂 | 69,000 | 67% |
| 试剂,坦克农场,辅助设备 | 3,600 | 3.5% |
| 水管理 | 7,500 | 7.3% |
| 合计 | 103,000 | 100% |
| 注:由于四舍五入,总数可能不相加 | ||
在全面投产时,该项目的典型耗电量估计约为每年103GWh。
第18节
项目基础设施
第18节:项目基础设施
目 录
| 页 | |
| 18.1 项目基础设施概览 | 1 |
| 18.2 场地进出道路 | 2 |
| 18.3 电源 | 2 |
| 18.4 供水系统 | 3 |
| 18.5 工艺蓄水池 | 3 |
| 18.6 附属设施 | 3 |
| 18.7 卫生和废物处置 | 4 |
| 18.8 其他本地可用的基础设施 | 4 |
图表表
| 图18-1:Florence Copper项目场地布局 | 1 |
| 第18节 | 项目基础设施 | 第1页 |
18.1项目基础设施概览
佛罗伦萨铜矿场位于亚利桑那州佛罗伦萨市范围内一个服务良好的地区。为支持该项目而规划的设施和基础设施包括:
拟议的项目场地布局如下图18-1所示:

图18-1:Florence Copper项目场地布局
| 第18节 | 项目基础设施 | 第2页 |
18.2场址进出道路
可以通过亨特公路进入佛罗伦萨铜矿场,该公路位于美国79号公路以西两英里处,位于亚利桑那州佛罗伦萨以北。亨特公路沿着佛罗伦萨铜矿的整个北部边界延伸。通往主站入口的通道可通过北库尔斯路一段0.2英里长的碎石路进入,这条路与亨特公路相交。
现场周围交通繁忙的道路将被铺设或芯片密封,以改善扬尘控制。将建造一个环绕厂区的芯片密封垫,以便于收集从厂区所在地到厂区以南的集水池的地表径流。
现场建筑、设施和井场将通过现有的当地农场公路和全天候等级公路网络进入,其中一些公路将在项目建设期间开发。
18.3功率
由亚利桑那州公共服务电力公司(Arizona Public Service Electric,简称APS)为Florence Copper供电,该公司运营着一条现有的69千伏(kV)输电线路,目前的供电功率为12.47kV,以支持PTF的运行。项目范围包括APS修改现有输电系统,将输电电压提高到69kV,并调试其69kV现场开关站,为商业设施提供服务。
该项目还包括建设一个新的站点一级变电站,将输入的69kV电源转换为12.47kV,通过架空输电线路进行站点配电。
目前,APS为客户提供了从Renewable能源来源获得部分电力的选择。目前可用于该项目的电力数量仍有待确定;然而,佛罗伦萨计划调查从可再生能源中获取部分现场电力需求的情况。
应急电力将由设在主变电站旁的一台2.5兆伏安备用发电机提供。
| 第18节 | 项目基础设施 | 第3页 |
18.4供水系统
工艺和消防用水的现场需求将由液压控制和低品位浸出液的反渗透处理供应。如果需要,现场的水井将提供备用的工艺水源和消防用水。项目范围包括安装所需的水箱、水泵和管道分配系统。
生活用水将来自现有的供水井,并通过水处理厂进行处理,以生产供家庭使用的水,如安全淋浴、厕所和厕所设施。
18.5工艺蓄水池
BHP的ISCR试验和Florence Copper的PTF业务在该地产上有两个现有的工艺蓄水池。该项目规定在项目的整个生命周期内建造多达五个内衬工艺蓄水池。蓄水池将设在SX/EW厂址的南部,包括机械蒸发器,以管理厂址的水平衡。
18.6附属设施
Florence Copper项目范围包括操作和维护工艺设施所需的所有附属设施。该场地的附属设施将包括:
现有的场地管理大楼将用作行政办公大楼,另外两座现有大楼已翻修,用作仓库和维修设施。将为运营和维护人员建造一个新的办公大楼和一个新的换房。
| 第18节 | 项目基础设施 | 第4页 |
18.7卫生和废物处置
该场址有两个现有的化粪池系统,为行政大楼和PTF设施提供服务,这些设施将在商业生产期间保留。将安装一个额外的化粪池系统,为工人换房和新办公大楼内的新洗手间设施提供服务。主要由办公室垃圾组成的现场垃圾将被收集起来,运到距离现场七英里的亚当斯维尔县垃圾填埋场。
使用过的机油、轮胎、电池、荧光灯和油性抹布等其他材料将与其他废物分开收集,并酌情送往回收设施或允许的废物处置设施。
18.8其他本地可用的基础设施
物资将通过卡车运入和运出现场;然而,铜盆地铁路位于亨特公路以北,靠近佛罗伦萨铜矿场。铜盆铁路是一个联邦监管的短线铁路运输公司,与联合太平洋铁路和圣曼努埃尔亚利桑那铁路相互连接。在该物业以东不到一英里的地方,有一个现有的铁路装载侧线,可以考虑用来运输和接收产品和货物。
将不需要天然气来支持商业运作;但是,天然气可从西南天然气公司的Poston Butte Loop获得,该公司位于场址以东约一英里处。
第19节
市场研究和合同
第19节:市场研究和合同
目 录
| 页 | |
| 19.1 市场研究和合约 | 1 |
| 第19节 | 市场研究和合约 | 第1页 |
19.1市场研究和合同
铜是广泛用于所有城市和工业发展的关键商品,是低碳经济的组成部分。2015年至2020年铜价较低,导致铜开发项目缺乏投资。由于地缘政治问题、允许延迟和最近全球供应链中断,开发时间表被延长,预计在近期至中期内几乎没有新的主要矿山开始生产。新铜产量的缺乏,再加上全球铜需求的增长,可能导致未来3至5年出现严重的供需缺口,并使价格远高于当前的长期共识价格。
FCP将生产阴极铜,预计将符合LME的A级规格,这是一种需求量很大的大宗商品。Florence Copper已向RK Mine Finance Trust I承诺,在项目期限内,按市场条款将19%的铜产量交付给RK Mine Finance Trust I。其余81%最初将根据市场条款的承购协议,交付给三井物产(美国)公司(Mitsui)。如果三井未来选择不成为Florence Copper 10%的合作伙伴,则对三井的承购承诺将减少到所生产阴极的30%,直到Copper Stream矿床减少到零,如第4.4节中进一步描述的那样。在三井成为佛罗伦萨铜业公司10%的合作伙伴后,最初的承购协议将取代81%的阴极生产,成为一份营销代理协议。
在评估该项目时,Taseko一直依赖分析师一致预期的长期铜价,即每磅3.75美元。
目前没有关于运作用品、试剂、运输或与该项目未来商业运作有关的其他项目的合同。
建筑、材料交付和一些场地服务将需要标准采购合同。
QP审查了这些成本和商品价格,它们支持技术报告中的假设。
第20条
环境研究、许可和
社会或社区影响
第20节:环境研究、许可和社会或社区影响
目 录
| 页 | |
| 20.1 导言 | 1 |
| 20.2 环境研究 | 2 |
| 20.3 废物处置 | 9 |
| 20.4 水平衡 | 9 |
| 20.5 许可要求 | 9 |
| 20.6 可持续社区发展 | 10 |
| 20.7 关闭地雷的要求和费用 | 17 |
表列表
| 表20-1:按阶段划分的佛罗伦萨铜矿项目的经济影响 | 16 |
数字列表
| 图20-1:利益攸关方图 | 13 |
| 第20款 | 环境研究、许可和社会或社区影响 | 第1页 |
20.1导言
FCP将利用商业规模的ISCR提取铜,方法是利用一系列注入和回收井,将一种弱硫酸溶液穿过矿床的氧化带。原位回收已在矿物开采工业中成功使用了50多年,不涉及通常与常规露天采矿有关的许多活动,因为不需要对所需的矿化矿石或非矿化废石材料进行实物处理或重新安置。FCP将不需要爆破、装载、拖运、倾倒、粉碎或输送材料,从而大大减少对环境的影响。
在作业期间,与传统露天矿相比,FCP每生产一磅铜将消耗更少的能源、排放更少的碳和消耗更少的水,产生的粉尘也将大大减少。矿床氧化带内独特的地质和水文特性使工艺解决方案的水力控制得以维持,从而确保保护ISCR井田以外的地下饮用水源。
随着井田内的区域完成铜提取周期,ISCR井田内的水质将逐步恢复到规定的水质标准。预计在ISCR最后一口井完成其经济寿命后,将完成填海和修复活动。
ISCR方法的长期环境效益包括,它不会产生废石堆、堆浸堆或尾矿储存区,导致占地面积小得多,不会显著改变场地地形。这些井场不引人注目,很容易被移走,因此封闭后的土地可以恢复到原来的状态,供将来使用。因此,FCP提供了一个对环境负责的、因此也是理想的铜生产来源。
| 第20款 | 环境研究、许可和社会或社区影响 | 第2页 |
20.2环境研究
(a)导言
早在20世纪70年代,FCP遗址就已成为众多环境研究的主题。这些研究已纳入项目的业务和关闭计划,并酌情列入资本和业务费用。在项目地点进行的环境研究的结果摘要载于以下各节。
(b)管辖权用水审查
2011年,Westland Resources,Inc.(Westland)根据《清洁水法》第404节的规定,审查了项目地点的潜在管辖水域。当时,Westland的结论是,项目地点东侧的一个未命名的小水槽存在潜在的管辖水域。美国内政部和陆军工程兵团最近修订了管辖水域的定义。在有关“可通航水域保护规则”的范围的诉讼结果出来之前,该规则的适用性可能会改变,涉及诸如位于Florence Copper财产上的临时洗涤场。无论结果如何,该项目的目的都是尽量减少或避免对任何潜在管辖水域的干扰。
| 第20款 | 环境研究、许可和社会或社区影响 | 第3页 |
20.2环境研究-续
(c)考古调查
佛罗伦萨铜矿遗址的考古调查历史可以追溯到20世纪70年代。这些调查评估并确定了是否有资格列入国家史迹名录,列入FCP财产边界和矿产租赁区内的财产。Florence Copper的地产和矿产租赁区共包含46处地产:35处符合条件的考古遗址,10处资格未定的考古遗址,以及一处在用的符合条件的建筑(北侧运河)。还有12个考古遗址已被确定不符合国家登记册的列名条件,还有7个考古遗址的数据潜力已经耗尽。
FCP受《国家历史保护法》第106条和亚利桑那州的一些法规的约束。为PTF制定了一份协议备忘录(MOA),其中规定联邦承诺将根据该备忘录进行。在这些规定中,要求制定和实施一项历史财产处理计划,以尽量减少或以其他方式减轻对历史财产的“不利影响”。MOA的签署方是美国环保局、亚利桑那州历史保护官员、历史保护咨询委员会、亚利桑那州土地局和佛罗伦萨铜业公司。
PTF的MOA日期为2015年10月16日,现已为PTF的活动制定。目前正在进行第106节的程序,以处理待处理的联合工会许可证所涵盖的商业设施业务。将在商业运营开始之前签署一份载有类似条款和MOA签字方的《方案协定》。
| 第20款 | 环境研究、许可和社会或社区影响 | 第4页 |
20.2环境研究-续
(d)生物评价
Westland于2011年对620英亩的Florence Copper矿场进行了生物评估(BE),并于2019年和2021年进行了更新。该计划旨在描述项目场地的物理和生物特征,并确定项目场地内可能出现的特殊状态物种:美国鱼类和野生动物管理局(USFWS)根据《濒危物种法》(ESA)指定为濒危或受威胁物种,或被提议列入ESA名单或候选者。还评估了在联邦列入清单的物种和由USFWS列入清单的物种的项目地点是否存在拟议或指定的关键生境。
BE文件记载了Westland的结论,即没有任何受ESA保护的物种或任何重要栖息地将受到该项目的影响。索诺兰沙漠龟可能出现在项目现场,但如果出现,很可能只会暂时出现。然而,作为上市候选者,索诺兰沙漠龟目前没有受到欧空局的保护。无论如何,佛罗伦萨铜业公司已经实施了保护该物种的措施。
| 第20款 | 环境研究、许可和社会或社区影响 | 第5页 |
20.2环境研究-续
(e)地下水质量取样和分析
根据ADEQ和USEPA的规定,在20世纪90年代实施的APP和UIC许可程序中,开展了广泛的地下水特征分析计划。该方案的数据被用来开发地下水流量和输送模型,并建立所需的基线,作为合规点(POC)井的许可警戒水平(ALs)和含水层质量限值(AQL)的统计基础。1997年颁发了APP和UIC许可证,并根据许可证规定的要求启动了涉及31口POC井的合规监测计划。每季度向ADEQ和USEPA提交抽样和分析结果报告。这些水井的合规取样工作正在进行,迄今为止的取样工作已达到水质合规标准。
自1997年以来,根据Sitewide APP和UIC许可证的规定,在FCP场址进行了季度地下水监测。从这一监测方案得出的地下水质量数据每季度提交给ADEQ和USEPA。
在最近的APP许可证修订申请中,Florence Copper对ISCR区域内的地下水质量进行了更广泛的分析,包括对PTF注入、回收、观测和Westbay井中更广泛的分析物列表进行评估。此项分析的目的是在ISCR作业开始之前,确定PTF井田基岩氧化物单元的地下水质量。
从1997年至2007年,在BHP试验区进行了额外的水质监测。监测包括在试验前、试验中和试验后的地下水取样。更多详情载于下文(h)小节。
| 第20款 | 环境研究、许可和社会或社区影响 | 第6页 |
20.2环境研究-续
(f)地下水地球化学模型
斯伦贝谢水务服务公司在2012年为Florence Copper准备了一个地球化学模型,以解决APP和UIC申请流程中的关闭要求。该地球化学模型结合实验室柱体试验、BHP现场试验和矿物学评价的结果,对计划的ISCR过程进行了建模。该模型提供了一种预测工具,用于确定ISCR区域在操作和漂洗以及闭合后溶液的化学性质。建模结果表明,用天然地层水冲洗将实现闭合后水化学目标。
HydroGeoLogica于2019年更新了地球化学模型。在某些情况下,预测解决方案的结果与先前的预测相同。在其他情况下,预测已经更新,以说明最近的测试结果和/或地雷计划的变化,并表示对先前估计数的更新。化学预测提供了对PLS和抽余液中可能预期的预测成分浓度的合理估计,并与迄今为止生成的PTF溶液进行了比较。
(g)地下水水文模拟
自1996年以来,为该项目开发和改进了若干次区域地下水流动模型。Brown & Caldwell在2012年创建了一个模型,其中包括一个面积约为125平方英里的区域,ISCR井田区域位于中心。该模型基于14年(1996-2010年)的现场地下水高程数据和亚利桑那州水利部补给、抽水和水位高程数据集,用于更广泛的模型领域。该模型使用了1984年至2010年期间公开的地下水数据进行了校准。
Haley & Aldrich在2019年更新了提交许可证申请材料的模型。该模型的运行时间从1984年延长至2018年,纳入了截至2018年的额外区域泵井和水位数据,并通过调整2011年至2018年间的总水头边界条件,根据额外的观测水位数据对扩展模型进行了校准,以反映整个模型域的水交换变化。该模型在2021年进行了更新,增加了两口替换灌溉井的抽水。
地下水流动模型允许对计划的ISCR所需的长期抽水进行预测性模拟,包括地层冲洗和关闭后水质预测。该模型还表明,有足够的地下水资源可用于支持拟议的商业开发Florence Copper项目,但对地下水位的残留影响较小。
| 第20款 | 环境研究、许可和社会或社区影响 | 第7页 |
20.2环境研究-续
(h)液压控制和冲洗试验
BHP的现场测试包括操作前的符合性测试,以演示APP要求的液压控制。液力控制示范由一九九七年十一月至一九九八年二月进行。试验表明,四对泵井和观察井足以在含水层中形成连续的向内水力梯度,令公司和ADEQ满意。
BHP的现场测试进行了一个短暂的浸出阶段,然后进行漂洗,以满足APP中的关闭义务。在测试井场进行的冲洗表明,通过注入和被动流入新鲜地层水相结合,硫酸盐和其他成分的浓度已恢复到APP中确定的水平,以供关闭。
| 第20款 | 环境研究、许可和社会或社区影响 | 第8页 |
(一)生产试验设施(PTF)液压性能和遵守情况摘要
Florence Copper在Florence Copper厂址建造并运营了一个试点规模的ISCR设施,称为生产试验设施(PTF)。PTF设施包括一个ISCR井田,包括四个注入井、九个采收井、七个观察井、四个多层采样井、一个溶剂萃取和电积(SX/EW)加工厂、一个蓄水池、径流池和相关基础设施。PTF于12月15日开始在商业浸出条件下运行第,2018年,并持续到6月26日第, 2020.随后是4个月的浸出缓减期。到2020年10月底,SX/EW工厂关闭,PTF随后过渡到演示冲洗阶段,目前仍在进行中。
PTF的目的是证明水力控制,并确认氧化矿带在水文上表现为等效的多孔介质。此外,PTF还提供了一个机会来测试业务控制和战略,以便为今后的商业规模业务提供信息。
PTF井场的设计采用了与商业ISCR设施相同的井距、深度、井设计、水力控制方法和监测方法。Florence Copper在PTF作业期间进行的作业和环境监测证实了成功的井田水力性能;并证实可以使用符合环境法规的ISCR方法从Poston Butte矿体的氧化区生产铜。
Florence Copper在整个PTF作业中进行了广泛的环境监测,以证明遵守临时APP和UIC许可证中规定的要求。Florence Copper收集的合规监测数据表明,ISCR作业可以在Poston Butte矿体的氧化带内进行,符合临时APP和UIC许可证要求,并符合既定的地下水质量标准。在PTF井场收集的合规监测数据表明,液压控制是可以建立和持续维护的,建立和维护液压控制的方法是有效的,可以保护ISCR活动区域以外的USDW(Haley和Aldrich,2020年)。
基于PTF井田良好的水力性能,以及注入溶液的成功注入、控制和回收,Florence Copper提出在FCP现场建设的计划商业ISCR设施中实施类似的注入、回收、水力控制和合规监测方法。
| 第20款 | 环境研究、许可和社会或社区影响 | 第9页 |
20.3废物处置
与传统的采矿方法相比,ISCR过程产生的矿物废物量将大大减少。ISCR工艺废物将限于来自水处理的固体和来自SX/EW工厂的废物。
在商业运营的最初几年里,在开始冲洗之前,一个小型中和厂将处理多余的液压控制流程和工艺解决方案。经过处理的水将从衬砌的工艺蓄水池中蒸发。
一旦开始冲洗,含有超滤和反渗透回路的水处理厂将开始运行。水处理厂将处理ISCR过程中产生的过剩溶液库存,以产生支持冲洗操作所需的水的质量和数量。与水处理厂产生的废物流一起冲洗所不需要的过剩溶液库存将被送往工艺蓄水池,用于随后的蒸发和长期固体储存。
在矿山寿命结束时留在现场的任何固体将被密封在其储存池和回收区域内;其费用已列入项目计划。将根据需要对物质进行毒性特征浸出程序(TCLP),以便在处置前评估危险物质的浓度。
20.4水平衡
Florence Copper项目将在中性的水平衡下进行管理,对地下水资源的影响最小。该项目由ISCR井田和地下水源提供水,并将尽可能处理水以返回该过程。任何未在现场回收或再利用的工艺溶液都将被蒸发或以某种有益的方式替代使用。
20.5许可要求
FCP需要几个环境许可证。Florence Copper获得了PTF运营所需的所有许可证,并收到了ADEQ的商业APP。美国环保署即将颁发UIC商业许可证。本报告第4.7节提供了所需许可证的全面清单以及这些许可证的状况说明。
| 第20款 | 环境研究、许可和社会或社区影响 | 第10页 |
20.6社区可持续发展
(a)方针、使命和愿景
Florence Copper将遵循采掘业目前采用的最佳做法,以支持社会、社区和可持续发展,包括:
| 第20款 | 环境研究、许可和社会或社区影响 | 第11页 |
20.6社区可持续发展-续
(b)原则
佛罗伦萨铜业公司将坚持以下原则。
健康与安全
提供和维持安全和健康的工作条件,并建立保护雇员和有形资产的操作惯例。
利益攸关者的参与
在尊重、公平、透明的基础上与政府、社区、土着人民、组织、团体和个人接触,并进行有意义的协商和参与。
社区发展
建立有助于促进和实现地方社区目标和优先事项的互利关系。
| 第20款 | 环境研究、许可和社会或社区影响 | 第12页 |
20.6社区可持续发展-续
(b)原则-续
环境与社会
Florence Copper致力于不断改善对人类健康的保护和对自然环境的管理。我们将:
资源使用
负责任地利用土地、水和能源资源;努力保持生态系统的完整性和多样性;对土地利用采取综合办法。ISCR方法将为Florence Copper提供一个独特的机会,实现能源消耗、水使用和温室气体排放的显著减少,同时最大限度地减少对土地的干扰。
人权
在我们所有的交往中尊重人权和当地文化、习俗和价值观。
劳动关系
为雇员提供公平待遇、不歧视和平等机会,并遵守我们工作地区的劳动法和就业法。
| 第20款 | 环境研究、许可和社会或社区影响 | 第13页 |
20.6社区可持续发展-续
(c)社区外联方案/活动
自2009年以来,Florence Copper参与了一项社区外联方案和相关活动。各利益攸关方社区内的公众咨询、教育和持续对话正在进行之中。图20-1说明了项目的利益攸关方。
Florence Copper的利益攸关者包括佛罗伦萨和附近社区的居民和季节性居民;当地商业组织和公民团体;土着团体;市政府、县和州机构以及各级政府的民选领导人。

图20-1:利益攸关方图
| 第20款 | 环境研究、许可和社会或社区影响 | 第14页 |
20.6社区可持续发展-续
(c)社区外联方案/活动----续
目标
FCP社区外联方案的总体目标包括:
公共信息方案要素
以下是自FCP开始初步工作以来所采用和完成的社区公共信息方案要素的清单。这些举措旨在促使社区参与和理解拟议项目。
| 第20款 | 环境研究、许可和社会或社区影响 | 第15页 |
20.6社区可持续发展-续
(d)当地雇用和采购
下列原则指导Florence Copper的雇用和采购做法:
给予新的就业和合同机会的考虑将始终基于资历和才干。在合格的候选人和公司中,将优先考虑那些离佛罗伦萨铜业公司业务最近的公司。
| 第20款 | 环境研究、许可和社会或社区影响 | 第16页 |
20.6社区可持续发展-续
(e)经济概要
佛罗伦萨铜业公司的成立预计将为佛罗伦萨、皮纳尔县和亚利桑那州带来许多经济效益。除上述优点外,该项目还将:
表20-1显示了Florence Copper项目对州和县的经济影响。
表20-1:按阶段划分的佛罗伦萨铜矿项目的经济影响
| 影响类别 |
建筑 |
生产 |
填海造地/ |
合计 |
| 国家生产总值* |
|
|
||
| 亚利桑那州 |
180 |
3,110 |
60 |
3,350 |
| 皮纳尔县 |
70 |
2,020 |
35 |
2,120 |
| 就业总数(就业) |
|
|
||
| 亚利桑那州 |
930 |
860 |
130 |
800 |
| 皮纳尔县 |
230 |
530 |
110 |
480 |
| 个人收入* |
|
|
||
| 亚利桑那州 |
93 |
1,800 |
89 |
1,980 |
| 皮纳尔县 |
45 |
870 |
43 |
960 |
| 国家税收* |
|
|
||
| 来自亚利桑那州的活动 |
14 |
150 |
36 |
200 |
| 来自皮纳尔公司的活动。 |
13 |
140 |
33 |
190 |
| *价值(000000美元) 资料来源:REMI Arizona和Pinal Co.经济体模型(2013年) |
||||
| 第20款 | 环境研究、许可和社会或社区影响 | 第17页 |
20.7关闭地雷的要求和费用
(a)关闭费用和要求
与康菲石油公司上世纪70年代、岩浆公司和BHP公司上世纪90年代进行的历史采矿和勘探活动,以及佛罗伦萨铜业公司的PTF业务有关,FCP资产有一些有限的环境责任。这些债务发生在Florence Copper持有的私人土地以及ASLD管理的国家信托土地上。Florence Copper保留了三笔关闭债券:Temporary APP的65万美元,PTF UIC许可证的450万美元,以及Site Wide APP许可证的470万美元。这些担保债券还涵盖ASLD矿物租赁下的地表回收债券要求。一旦收到商业UIC许可证,将更新履约担保关系。
Florence Copper的作业计划包括在整个作业过程中不断进行逐步回收。随着ISCR井田地区完成铜开采周期,将对这些地区进行冲洗,使含水层恢复水质标准,并将关闭和废弃这些井。预计在ISCR最后一口井完成其经济寿命后的4年内完成填海和修复活动。与这些关闭活动有关的费用列入项目业务费用。
(b)员额关闭要求
Florence Copper项目还将在关闭现场后的30年内承担与监测POC井有关的关闭后费用。监测期结束后,POC井将被关闭和废弃。
第21节
资本和运营成本
第21节:资本和运营成本
目 录
| 页 | |
| 21.1 资本成本 | 1 |
| 21.2 业务费用 | 9 |
| 21.3 人事 | 11 |
表列表
| 表21-1:资本费用总表 | 1 |
| 表21-2:初始井田资本 | 2 |
| 表21-3:SX/EW直接资本 | 2 |
| 表21-4:场地基础设施直接资本 | 3 |
| 表21-5:维持资本 | 6 |
| 表21-6:按年份分列的维持资本 | 7 |
| 表21-7:平均业务单位费用 | 9 |
| 表21-8:按商品开列的平均业务费用 | 10 |
| 表21-9:典型业务和维护人员总表 | 11 |
| 表21-10:一般G & A人员总表 | 12 |
| 第21款 | 资本和运营成本 | 第1页 |
21.1资本成本
(a)导言
初始资本成本估计数包括使FCP投入运行所需的所有剩余采购和建造活动。项目费用不包括项目迄今发生的沉没费用,其中包括采购SX/EW工厂所需的大部分工艺设备。其余项目费用主要基于2022年第三季度供应商和承包商对该工程的美元报价。资本成本的准确度估计为± 10%。
基本建设费用估计数摘要见表21-1。直接和间接费用的详细情况载于以下各节。
表21-1:资本费用总表
|
|
资本成本 |
| 直接费用 |
|
| 初始ISCR井田 |
$53 |
| SX/EW装置 |
$67 |
| 网站基础设施 |
$33 |
| 直接费用小计 |
$153 |
| 间接费用 |
|
| 间接施工 |
$32 |
| 业主成本 |
$21 |
| 应急 |
$26 |
| 间接费用小计 |
$80 |
| 合计 |
$232 |
| 注:由于四舍五入,总数可能不相加。 |
Florence Copper项目的持续资本费用估计数包括井田的美国前进保险扩大以及在整个项目寿命期间支持生产所需的水处理和水管理设施。该项目所需的持续资本总额估计为9.25亿美元,将在整个项目期间发生。下文(g)小节列出了维持资本支出的详细情况。
| 第21款 | 资本和运营成本 | 第2页 |
21.1资本成本-续
(b)初始ISCR井田
初始ISCR井田的资本成本估算是基于承包商和供应商在钻井、试井和井田基础设施建设方面的成本。井场基础设施包括管道走廊、二级解决方案围堵、井泵、地面管道、井下管道、配电、仪表和控制。
井田资本费用详见表21-2。
表21-2:初始井田资本
|
|
资本成本 |
| 钻井 |
$40 |
| 井基础设施 |
$13 |
| 合计 |
$53 |
| 注:由于四舍五入,总数可能不相加。 |
(c)SX/EW工厂
SX/EW工厂的资本成本估计数包括所有设备、结构和系统,这些设备、结构和系统用于处理名义上的11230gpm PLS和每年生产8500万磅阴极铜。设施包括溶剂萃取回路、工艺罐区、电积设施和试剂区。表21-3详细列出了该地区的直接资本费用。
表21-3:SX/EW直接资本
|
|
直接成本 |
| 溶剂萃取 |
$34 |
| 坦克农场 |
$12 |
| 电积 |
$17 |
| 试剂存储和混合 |
$5 |
| 合计 |
$67 |
| 注:由于四舍五入,总数可能不相加。 |
| 第21款 | 资本和运营成本 | 第3页 |
21.1资本成本-续
(d)场地基础设施
场址基础设施的资本费用估计数包括支持场址ISCR井田和SX/EW所需的系统和辅助设施。场地基础设施包括场地准备、场地道路、地表水控制、消防系统、过程水分配、饮用水分配、水中和、主变电站、场地配电、场地通信和过程控制网络。配套设施包括建造车间设施、加工和维修办公楼、中央控制室、更衣室、门卫室、卡车秤和场地安全围栏的费用。现场已有行政办公室和仓储设施。
表21-4详细列出了这一领域的直接资本费用。
表21-4:场地基础设施直接资本
| 活动 |
直接成本 |
| 厂址和道路 |
$7 |
| 消防、水和中和系统 |
$8 |
| 电气供应和分配 |
$4 |
| 辅助设施和系统 |
$13 |
| 合计 |
$33 |
| 注:由于四舍五入,总数可能不相加。 |
| 第21款 | 资本和运营成本 | 第4页 |
21.1资本成本-续
(e)间接费用
初步资本费用估计数包括与建筑、业主项目管理和间接费用以及项目应急费用有关的间接费用。这些间接费用适用于整个项目,与具体项目领域没有直接联系。
间接施工包括合同工程、采购和施工管理支助、承包商调动、临时施工设施、供应商技术人员和合同委托服务的费用。
业主对项目的成本包括业主的项目团队管理施工,从项目被授权进行到生产。业主小组将监督所有的工程、开发、建设和质量保证活动以及领导调试活动。与业务人员启动业务有关的费用也包括在业主费用估计数中。
业主成本估计数包括:
生产前资本费用估计数中包括一笔意外开支,以支付估计数范围内的不可预见费用。选定的应急水平反映了项目工程和费用估计的发展水平,选择该应急水平是为了使人们对项目将按预算交付有很高的信心。
| 第21款 | 资本和运营成本 | 第5页 |
21.1资本成本-续
(f)概算基础
基本建设费用估计数是根据使用所有新设备和材料建造的绿地设施计算的。项目直接费用是根据下列资料估算的:
建筑活动按日班安排,每天工作10小时。
| 第21款 | 资本和运营成本 | 第6页 |
21.1资本成本-续
(g)维持资本
估计了FCP从开始运作到项目寿命结束期间的维持资本。维持资本的最大组成部分是ISCR井田,其中一部分将在第1年至第17年的每个运营年度开发。运营ISCR井场开发的持续资本是以合同钻井队和所需的井场设备和基础设施为基础的。钻探费用是根据开采计划规定的钻探需求和根据每年遇到的地层和井深计算的单位费用估算的。在可能的情况下,对已建成的浸出区块的剩余设备进行翻新和再利用,以开发新的区块。其余的维持资本项目包括增加工艺设施和水管理系统。对现场工艺设施的主要补充是建造一个水处理厂,以回收用于冲洗井块的溶液,水管理设施包括建造额外的溶液池、运河交叉口,以及在整个项目周期内按要求安装机械蒸发器。与这些设施有关的建筑费用是根据承包工程和建筑服务计算的。
表21-5按构成部分列示了项目维持资本,表21-6列示了维持资本的时间安排。
表21-5:维持资本
| 活动 |
合计 (000000) |
| 井田开发 |
$867 |
| 工艺设施 |
$28 |
| 水管理系统 |
$30 |
| 合计 |
$925 |
| 注:由于四舍五入,总数可能不相加。 |
| 第21款 | 资本和运营成本 | 第7页 |
21.1资本成本-续
(g)维持资本-续
表21-6:按年份分列的维持资本
| 维持资本 (000000) |
|
| 第一年 | $54 |
| 第2年 | $62 |
| 第3年 | $58 |
| 第4年 | $63 |
| 第5年 | $47 |
| 第6年 | $67 |
| 第7年 | $55 |
| 第8年 | $71 |
| 第9年 | $42 |
| 第10年 | $81 |
| 11年 | $57 |
| 12年 | $67 |
| 13年 | $68 |
| 14年 | $33 |
| 15年 | $53 |
| 16年 | $23 |
| 17年 | $25 |
| 合计 | $925 |
| 注:由于四舍五入,总数可能不相加。 | |
| 第21款 | 资本和运营成本 | 第8页 |
21.1资本成本-续
(h)不包括资本费用
下列项目不包括在资本费用估计数中:
| 第21款 | 资本和运营成本 | 第9页 |
21.2业务费用
所有工艺设施和基础设施将由业主运营和维护。所有营业成本均以2022年第三季度美元列报。表21-7汇总了项目整个生命周期的平均业务单位费用。
表21-7:平均业务单位费用
|
|
美元/磅铜 |
| ISCR井田 |
$ 0.47 |
| SX/EW |
$ 0.19 |
| 水处理 |
$ 0.10 |
| 一般和行政 |
$ 0.27 |
| 填海造地 |
$ 0.06 |
| 关闭财产 |
$ 0.02 |
| 合计 |
$ 1.11 |
| 注:由于四舍五入,总数可能不相加。 |
ISCR井田、SX/EW和水处理厂的运营成本包括长期持续运营所需的运营和维护人工、维护部件、运营用品、试剂、电力和服务。持续发展ISCR井场基础设施的费用,包括泵、管道、配电、仪器仪表和文化资源缓解活动,都包括在维持资本费用中。水处理最初包括一个用于处理多余水的石灰中和回路,后来建造了一个由颗粒过滤、纳滤和反渗透组成的水处理厂,以回收水并减少ISCR块漂洗所需的水。
FCP的一般和行政(G & A)成本包括劳动力成本以及与以下相关的费用和服务:
| 第21款 | 资本和运营成本 | 第10页 |
21.2业务费用-续
复垦成本包括冲洗、岩心弃井和随着ISCR井田的开发和关闭而弃井的成本。场地填海保证金要求将通过担保保证金来满足,与担保保证金相关的利息费用包含在填海费用中。
物业外成本包括将阴极铜运往市场的成本。
表21-8汇总了按商品开列的平均业务费用。
表21-8:按商品开列的平均业务费用
|
|
美元/磅铜 |
| 内部劳动 |
$ 0.24 |
| 电源 |
$ 0.10 |
| 试剂 |
$ 0.49 |
| 零件和用品 |
$ 0.06 |
| 费用、执照、附带税 |
$ 0.09 |
| 保险 |
$ 0.02 |
| 顾问及服务 |
$ 0.10 |
| 办公室及间接费用 |
$ 0.01 |
| 合计 |
$ 1.11 |
| 注:由于四舍五入,总数可能不相加。 |
内部劳动力费用是根据第21.3节概述的组织结构计算的,薪金是根据当地市场条件计算的。所有薪金都包括工资负担和加班费的适当津贴。
业务的电力消耗是根据连接的设备负荷加上工程估计数和类似业务的经验估计的负荷和使用系数估计的。
计算业务费用的试剂消耗率是根据冶金参数、PTF业务的经验和适当的行业标准做法计算的。根据目前的市场趋势,采用了130美元/吨的硫酸价格。收到了提供给项目地点的其他试剂的预算报价。
零件和用品费用包括磨损和更换零件以及用品、外部服务、工具、设备和操作和维修人员所需的燃料。
| 第21款 | 资本和运营成本 | 第11页 |
21.3人员
(a)业务和维修人员
井场和SX/EW工厂的整体运营和维护将由一名向现场总经理报告的运营经理管理。三名主管和一名行政助理将向业务主管报告。ISCR井田和池塘的运作将由一名总监指导,SX/EW工厂及相关基础设施将由另一名总监指导。所有场地设施的维修将由第三名总监指挥。
整个作业区通常会有92名员工满负荷生产。表21-9按职能分列的典型业务领域雇员人数汇总。
表21-9:典型业务和维护人员总表
|
|
#人员 |
| 运营经理 |
1 |
| 总监 |
3 |
| 行政助理 |
1 |
| 业务主管 |
7 |
| 维修主管 |
3 |
| 维修规划师 |
3 |
| 运营商 |
26 |
| 维修 |
48 |
| 合计 |
92 |
人力结构以白班工作和12小时轮班相结合为基础,每天24小时提供服务,以满足业务和维护需要。
| 第21款 | 资本和运营成本 | 第12页 |
21.3人员----续
(b)总务和行政劳工
G & A雇员名册是根据为该项目编制的组织结构图编制的,包括技术服务、采购和仓库、环境监测、损失控制和安全、人力资源和行政人员。行政管理人员包括会计和信息技术人员。
G & A的估计包括总共65名处于满负荷生产状态的工厂员工。在项目寿命结束时,当井田开发完成,工程和其他支持需求随之减少时,G & A的雇员人数将会减少。按职能分列的一般G & A雇员人数汇总见表21-10。
表21-10:一般G & A人员总表
|
|
#人员 |
| 技术服务 |
25 |
| 采购和仓库 |
8 |
| 环境监测 |
8 |
| 安全和损失控制 |
11 |
| 人力资源 |
2 |
| 行政管理 |
11 |
| 合计 |
65 |
第22节
经济分析
第22节:经济分析
目 录
| 页 | |
| 22.1 假设 | 1 |
| 22.2 现金流 | 2 |
| 22.3 经济指标 | 2 |
| 22.4 所得税和特许权使用费 | 3 |
| 22.5 敏感性分析 | 5 |
表列表
| 表22-1:现金流量(第1年至第13年) | 2 |
| 表22-2:现金流(14年至26年和总额) | 2 |
| 表22-3:平均特许权使用费单位费用 | 3 |
数字列表
| 图22-1:矿山项目现金流敏感度寿命 | 5 |
| 图22-2:税前NPV敏感度 | 6 |
| 图22-3:税前内部收益率敏感性 | 7 |
| 图22-4:LOM生产成本敏感性 | 8 |
| 第22款 | 经济分析 | 第1页 |
22.1假设
以下列出了FCP经济分析的主要假设和投入:
经济分析不包括任何项目融资的任何收益或成本,包括三井铜流。
| 第22款 | 经济分析 | 第2页 |
22.2现金流
项目税前现金流列示于表22-1和22-2。这些表格中列出的所有价值均以百万美元为单位。
表22-1:现金流量(第1年至第13年)
| 年份 |
-1 |
1 |
2 |
3 |
4 |
5 |
6 |
7 |
8 |
9 |
10 |
11 |
12 |
13 |
| 铜产量 |
|
35 |
73 |
86 |
85 |
84 |
84 |
87 |
85 |
84 |
85 |
84 |
85 |
84 |
| 总收入 |
|
120 |
264 |
318 |
320 |
317 |
316 |
324 |
320 |
317 |
319 |
317 |
318 |
316 |
| 总生产成本* |
|
58 |
81 |
89 |
91 |
98 |
100 |
99 |
100 |
99 |
95 |
99 |
100 |
108 |
| 总资本 |
178 |
104 |
60 |
58 |
63 |
49 |
66 |
55 |
70 |
44 |
80 |
57 |
66 |
68 |
| 项目现金流 |
-174 |
-42 |
123 |
171 |
166 |
170 |
151 |
170 |
150 |
174 |
145 |
161 |
152 |
139 |
表22-2:现金流(14年至26年和总额)
| 年份 | 14 | 15 | 16 | 17 | 18 | 19 | 20 | 21 | 22 | 23 | 24 | 25 | 26 | 合计 | ||||||||||
| 铜产量 | 85 | 85 | 72 | 70 | 55 | 50 | 37 | 19 | 9 | 0 | 0 | 0 | 0 | 1,524 | ||||||||||
| 总收入 | 318 | 319 | 273 | 264 | 210 | 190 | 141 | 75 | 35 | 3 | 0 | 0 | 0 | 5,714 | ||||||||||
| 总生产成本* | 106 | 111 | 102 | 100 | 86 | 74 | 67 | 43 | 36 | 24 | 22 | 18 | 14 | 2,020 | ||||||||||
| 总资本 | 36 | 51 | 25 | 25 | 2 | 0 | 0 | 0 | 0 | 0 | 0 | 0 | 0 | 1,157 | ||||||||||
| 项目现金流 | 176 | 156 | 145 | 139 | 121 | 116 | 74 | 32 | -1 | -21 | -22 | -18 | -14 | 2,536 | ||||||||||
| 净现值@8% | 1,090 | |||||||||||||||||||||||
| *包括特许权使用费 | ||||||||||||||||||||||||
22.3经济指标
以下税前经济指标是根据矿山现金流的年限得出的:
| 第22款 | 经济分析 | 第3页 |
22.4所得税和特许权使用费
(a)特许权使用费
有三个实体有权从佛罗伦萨铜业公司的生产中获得特许权使用费,这三个实体是亚利桑那州、康菲公司和BHP。4.4节讨论了适用领域的细节和特许权使用费的条款。表22-3显示了FCP寿命期间每项专利使用费的平均单位成本。
表22-3:平均特许权使用费单位费用
| 版税 |
美元/磅铜 |
| 亚利桑那州 |
$ 0.09 |
| 康菲 |
$ 0.10 |
| BHP |
$ 0.02 |
| 特许权使用费总额 |
$ 0.21 |
包括所有运营成本和特许权使用费在内的基本现金流的FCP总生产成本为每磅生产的铜1.32美元。
| 第22款 | 经济分析 | 第4页 |
22.4所得税和特许权使用费-续
(b)税收
Florence Copper的利润将由州政府和联邦政府征收所得税。按长期金属价格计算,在整个经营期间,佛罗伦萨铜业公司的实际利润估计应缴纳的所得税总额为4.08亿美元。
除所得税外,佛罗伦萨铜业公司还需缴纳若干非所得税税,这些税已被列为工地运营成本的一部分。这些税种主要包括财产税、交易特权税和遣散费。这些税收相当于每生产一磅铜0.09美元,或在整个运营周期内达到1.38亿美元。
在撰写本文时,美国联邦所得税的法定税率为21%。亚利桑那州的最高所得税率为4.9%。由于州税可用于联邦目的的扣除,FCP的合并法定所得税税率将约为基于当前税率的应税收入的25%。
某一年产生的应纳税损失可结转20年,并抵减该项目当年的应纳税收入。自2014年Taseko被收购以来,该项目的推进造成了巨大的税收损失。《国内税收法》(IRC)还规定了某些扣除额,以激励矿业公司的投资,包括消耗和开发支出。根据IRC,耗损、税收损失和其他扣除的好处是降低了FCP的平均有效所得税率。
该项目的预计纳税额仅包括项目直接应缴的税款,不包括项目可能产生的其他间接税(即分包商和佛罗伦萨铜业公司直接或间接雇用的个人应缴的税款),后者也是州政府和联邦政府的出资人。
以下税后经济指标是根据现行联邦和州税法,从矿山现金流的寿命中得出的:
| 第22款 | 经济分析 | 第5页 |
22.5敏感性分析
图22-1显示了项目现金流的寿命对主要投入的敏感性,表明储备在经济上是稳健的。Florence Copper的项目现金流对铜价最为敏感,而对初始项目资金最为不敏感。

图22-1:矿山项目现金流敏感度寿命
基本案例项目经济学对一系列指标的主要投入的敏感性见图22-2至22-4。
| 第22款 | 经济分析 | 第6页 |
22.5敏感性分析-续

图22-2:税前NPV敏感度
项目净现值对铜价最敏感,对初始投产前资本成本最不敏感。与典型的采矿作业相比,ISCR固有的生产灵活性使项目对恢复的敏感度较低。
| 第22款 | 经济分析 | 第7页 |
22.5敏感性分析-续

图22-3:税前内部收益率敏感性
内部收益率(IRR)对铜价最敏感,对所分析的变化范围内的复苏最不敏感。
| 第22款 | 经济分析 | 第8页 |
22.5敏感性分析-续

图22-4:LOM生产成本敏感性
在所有灵敏度参数的变化范围内,矿山寿命(LOM)平均生产成本保持稳健。每磅的平均生产成本对运营成本最为敏感,其次是铜的回收。平均生产成本对所分析的其他参数不敏感。
第23节
邻接属性
第23节:邻接财产
目 录
| 页 | |
| 23.1 相邻属性 | 1 |
| 第23款 | 相邻属性 | 第1页 |
23.1相邻房产
不存在由NI 43-101定义的相邻属性。
第24节
其他相关数据和信息
| 佛罗伦萨铜矿项目技术报告 | 2023年3月 |
第24节:其他相关数据和信息
目 录
| 页 | |
| 24.1 其他有关数据和资料 | 1 |
| 佛罗伦萨铜矿项目技术报告 | 2023年3月 |
| 第24款 | 其他有关数据和资料 | 第1页 |
24.1其他有关数据和资料
QP认为,为了使技术报告易于理解和不产生误导,除了本报告所列资料之外,没有其他必要的资料。
| 佛罗伦萨铜矿项目技术报告 | 2023年3月 |
第25节
解释和结论
第25节:解释和结论
目 录
| 页 | |
| 25.1 保有权和环境负债 | 1 |
| 25.2 勘探和地质学 | 1 |
| 25.3 采矿 | 2 |
| 25.4 冶金和加工 | 3 |
| 25.5 基础设施 | 3 |
| 25.6 环境 | 3 |
| 25.7 资本和运营成本 | 3 |
| 25.8 经济学 | 3 |
| 25.9 风险和机会 | 4 |
| 第25款 | 解释和结论 | 第1页 |
25.1保有权和环境负债
Florence Copper的土地保有权地位是稳固的,该物业的大部分由私人持有的土地组成,收费简单,其余部分由长期矿产租约支付。本报告所述的矿产储量和矿产资源完全包含在Florence Copper保有权范围内。Florence Copper持有该资源区内的矿产权,对矿产权的深度没有限制,对开采这些矿产权的时间也没有限制,但须受时间限制和不时延长租约的优先权利的限制。这处房产有三份版税协议。
正如本报告第4.6节所详述的那样,FCP对在现场进行的具有历史意义的采矿和勘探活动以及Florence Copper的PTF业务负有有限的环境责任。这些设施的关闭计划已获批准,并向州和联邦监管机构公布了适当的安全措施。
25.2勘探和地质学
对截至本报告生效日期的勘探方案和成果的评价表明:
| 第25款 | 解释和结论 | 第2页 |
25.3采矿
对可用于从该矿床有效回收铜的各种采矿办法的评价表明:
| 第25款 | 解释和结论 | 第3页 |
25.4冶金和加工
对有效从该矿床中回收铜的浸出冶金和加工方案的评价表明:
25.5基础设施
Florence Copper厂址位于发达地区,支持厂址建设和作业所需的所有基础设施一应俱全。设计和费用估算达到支持储备金报表的适当水平,不存在妨碍按设计建立基础设施的已知条件。
25.6环境
已经为FCP编制了广泛的环境基线。迄今为止,尚未发现任何可能对佛罗伦萨铜业开采矿产储量的能力产生重大影响的问题。
25.7资本和业务费用
资本和运营成本的估算是基于足够的研究水平,以支持准备金报表,并截至2022年第三季度。
25.8经济学
通过ISCR和SX/EW处理所述储量的经济性是可靠的,并表明,在本报告生效之日,开采是合理的。
| 第25款 | 解释和结论 | 第4页 |
25.9风险和机会
现已查明下列项目风险和机会:
(a)风险
| 第25款 | 解释和结论 | 第5页 |
25.9风险和机会-续
(b)机会
第26节
建议
第26节:建议
目 录
| 页 | |
| 26.1 建议 | 1 |
| 第26款 | 建议 | 第1页 |
26.1建议
由于将项目推进到商业运营所需的商业许可程序和详细的项目工程都在进行中,因此QP没有提出任何进一步的建议。
第27节
参考资料
| 第27节 | 参考资料 | 第1页 |
27.1参考资料
1.Anderson,R.E. Knapp,C.R.,Langlois,J.D.和Threlkeld,R.W.,1971年。Florence矿床地质,Florence,Arizona:Conoco编写的未发表报告,1971年12月,第49页。
2.Applied Research Associates,Inc.(ARA),1995年。Florence矿址矿区断裂强度数据的地质统计分析:为Magma Copper Company编写的未发表报告。
3.亚利桑那州环境质量局(ADEQ),2004年。Arizona Mining Guidance Manual-BADCT:State of Arizona Publication # TB 04-01,293 p。
4.亚利桑那州水资源局(ADWR),1989年。Pinal主动管理区区域地下水流动模型,第一阶段:水文地质框架、水资源预算和第一阶段建议,模型报告1。
5.亚利桑那州地质调查局,2000年。亚利桑那州地质地图:地图可在http://data.azgs.az.gov/geologic-map-of-arizona/上查阅。
6.亚利桑那州立大学,2013年。佛罗伦萨铜矿项目的经济和财政效益:根据新的铜回收评估对2012年报告的补充。
7.巴拉,J.C.,1972年。亚利桑那州中部地区拉本胺种群与区域Structure的关系:图森,亚利桑那大学,unpub。博士论文,第138页。
8.BHP铜业公司,1997年a。Florence Project-Final Pre-Feasibility Report,v. II Geology:unpublished report prepared by the BHP Copper Growth and Technology Group,180 p。
9.BHP铜业公司,1997年b。Florence Project-Final Pre-Feasibility Report,v. III Environmental Permissing,Legal Affairs,and Community Relations:unpublished document prepared by the BHP Copper Growth and Technology Group,41 p.,plus 20 appendices。
10.BHP铜业公司,1997年c。Florence Project-Final Pre-Feasibility Report,v. IV Hydrologic and Metallurgical Evaluations:Unpublished document prepared by the BHP Copper Growth and Technology Group,156 p.,plus 8 appendices。
11.BHP,1997年d。Florence Project-Final Pre-Feasibility Report,v. IV Metallurgical Appendices:Unpubliced document prepared Feasibility Report,v.IV. Metallurgical Appendices:Unpubliced document prepared by the BHP Copper Growth and Technology Group
| 第27节 | 参考资料 | 第2页 |
27.1参考文献-续
12.Brewer,医学博士和LeAnderson,J.,1996年。佛罗伦萨项目二次Minerals XRD研究:岩浆铜业公司编写的未公开的内部备忘录。18页。
13.布朗和考德威尔,1996年。现场特征报告,岩浆佛罗伦萨原位项目含水层保护许可证申请:Phoenix,Ariz.,Brown和Caldwell,岩浆铜业公司提交给ADEQ的未发表报告,V. II,不同分页。
14.布朗和考德威尔,1996年。模型,Magma Florence原地项目含水层保护许可证申请:Phoenix,Ariz.,Brown and Caldwell,Magma Copper Company提交给ADEQ的未发表报告,V. IV,1附录。
15.布朗和考德威尔,1996年。详细工程设计,Magma Florence原位项目含水层保护许可证申请:Phoenix,Ariz.,Brown and Caldwell,Magma Copper Company提交给ADEQ,V. V.,Appendix E的未发表报告。
16.布朗和考德威尔,1996年。岩浆佛罗伦萨原位项目,含水层保护许可证申请,第I至V卷:Phoenix,Ariz.,Brown和Caldwell,岩浆铜业公司未发表的报告。
17.布朗和考德威尔,1996年。重点设施调查。
18.Brown and Caldwell,2011。水文研究A部分,地下水流动模型,Curis Resources(Arizona)Inc.,申请修改含水层保护许可证,提交给ADEQ的Curis Resources Inc.未发表的报告,附录14A。
19.布朗,通用汽车和范戴克,R. M.,1995年。亚利桑那州皮纳尔县岩浆铜业公司拟建佛罗伦萨矿场的密集文化资源盘点。
20.Carneiro,R. R.,1998年。体积密度和比重力测定,佛罗伦萨项目:未发表的报告,METCON为BHP铜业公司编写的研究报告,M405-15,1998年12月17日,6页。
21.康菲公司Minerals部门,1976年。Conoco铜矿项目,亚利桑那州佛罗伦萨----第三阶段可行性研究,V. III水文、地质和矿石储量:Conoco未发表的报告,1976年12月,94页,3个附录,26页。
22.Conoco,1981年。Conoco部门间通讯re技术会议摘要,Florence Solution采矿项目,1981年3月16日。
| 第27节 | 参考资料 | 第3页 |
27.1参考文献-续
23.Cox,D.P.和Singer,D.A.,1992年。J.H.的DeYoung和J.M.的Hammerstrom的斑岩铜矿床中的金的分布,对商品研究的贡献:美国地质调查公报,1877年,第C1-C14页。
24.戴维斯,J.R.,1997年。亚利桑那州皮纳尔县佛罗伦萨斑岩铜矿床氧化带内的断裂控制矿物学:图森,亚利桑那大学,硕士论文,90页。
25.Doelle,W.H.,1974年。关于Conoco Florence项目内考古资源的初步报告。亚利桑那州立博物馆考古系列第56期。亚利桑那大学,图森。
26.Doyel,D.E.,1975年。亚利桑那州南部埃斯卡兰特遗址群的发掘。亚利桑那州立博物馆考古丛书第37期(修订版)。
27.Evoqua Water技术公司,2020年。Taseko Mines的水处理提案-Florence Copper,2020年8月25日,28页。
28.Gingerich,J.和Schaefer,M.J.,约1996年。案例研究:机载时域电磁应用在地质测绘中的演变;诺兰达视角。勘探地球物理学,29,204-210。(第7.4节)
29.Golder Associates公司,1996年。佛罗伦萨矿场水力试验初步解释数据报告:Magma Copper Company含水层保护许可证佛罗伦萨原位浸出项目未发表报告,1995年11月,63页,3个附录。
30.Haley & Aldrich,2012年,附件14A-水文研究的a部分,地下水流动模型,在申请临时单个含水层保护许可证中:为Curis Resources编写的未发表报告,2012年3月,第72页,3个展品
31.Haley & Aldrich公司,2019年。Florence Copper Project UIC Permit Application Class III UIC Permit Attachments A to K:Phoenix,Ariz.,unpublished report for Florence Copper Inc. submitted to USEPA,various paginated。
32.Haley & Aldrich公司,2020年。生产测试设施液压性能和合规摘要报告,亚利桑那州凤凰城,为Florence Copper Inc.发布的报告,2020年12月2日,1-39页。
33.Iasillo,E.和Carneiro,R. R.,2001年。“Projecting copper extraction and shut-down criteria for column testing”,SME Annual Meeting,Denver,Colorado,February 26-28,2001。
| 第27节 | 参考资料 | 第4页 |
27.1参考文献-续
34.Knight Pi é sold Consulting(KP),2011年。可行性设计报告,2011年11月21日。
35.M3工程,2013年。佛罗伦萨铜矿项目,NI 43-101技术报告预可行性研究,佛罗伦萨,皮纳尔县,亚利桑那州。2013年4月4日,第256页,2个附录。
36.Magma Copper Company,1994年。岩浆资源开发技术小组编写的《佛罗伦萨项目预可行性研究》,1994年10月,333页,5个附录。
37.M3,2013年。NI 43-101技术报告----预可行性研究----佛罗伦萨铜矿项目,佛罗伦萨,皮纳尔县,亚利桑那州:发表于www.sedar.com的报告,2013年4月4日,116-133页。
38.Metcon Research,2012年。钻芯复合材料的原位铜浸出模拟,佛罗伦萨项目:为Curis Resources Ltd.编写,2012年11月,18页,10附录。
39.Metcon Research,2014年。PRT 16至PRT 20摘要[ Excel Spreadhseet ],2014年6月。
40.Nason P.W.,Shaw,A.V.和Aveson,K.D.,1982年。Poston Butte斑岩铜矿地质学:北美西南部斑岩铜矿地质学进展,教育版。Spencer R. Titley,亚利桑那大学出版社,第375-385页。
41.Nason,P.W.,Shaw,A.V.和Aveson,K.D.,1983年。S.R. Titley的Poston Butte斑岩铜矿地质学,编辑,北美西南部斑岩铜矿地质学进展:图森,亚利桑那大学出版社,第375-385页。
42.P & R Consulting LLP,2011年。Florence Copper Project Utility Feasibility Assessment:unpublished report prepared by J.D. Smith,January 25,2011,9pp.,6 appendicts。
43.Copper Metallurgical Services,in BHP Copper Florence Project,Final Pre-Feasibility Study,Appendix IV-9,10 pp。
44.资源开发技术小组(RDTG),1995年。预可行性研究,佛罗伦萨项目:图森,亚利桑那州,岩浆铜业公司,未发表的报告,333页,5pls。
| 第27节 | 参考资料 | 第5页 |
27.1参考文献-续
45.Samuel Engineering Inc. Florence Copper Production Test Facility(PTF)Operation Review Report,March 20,2020,48 pp。
46.斯伦贝谢水务服务公司,2012年。地球化学建模技术备忘录,2012年1月16日。
47.SGS北美公司,2014年。现场浸出模拟项目Florence Copper Inc. [ PowerPoint幻灯片],2014年6月12日,8 p
48.SGS北美公司,2014年。原位铜浸出模拟第2至第5阶段,佛罗伦萨项目,2014年5月,63页,8个附录。
49.SGS北美公司,2015年。原位浸出模拟:PRT 21-PRT 27-Progress Report,Florence Copper Inc,2015年2月,第3页,6个附录。
50.SGS北美公司,2016年。PRT29-35 for Final Report [ Excel Spreadhseet ],2016年10月。
51.SRK咨询公司,2010年。NI-43 101《佛罗伦萨项目技术报告》,美国亚利桑那州皮纳尔县:为Curis Resources Ltd.和PCI-1 Capital Corp编写,2010年4月25日,115页,1附录。
52.SRK咨询公司2020。探索性数据分析----佛罗伦萨资源模型2020年更新。SRK编写的未发表备忘录,2020年8月13日。
53.SRK咨询公司2020。2020年钻芯检查检测计划-佛罗伦萨铜矿项目。由SRK编写的未发表备忘录,2020年10月29日。
54.SRK咨询公司2020。佛罗伦萨项目密度特性-钻芯和井下中子密度测试结果摘要。SRK编写的未发表备忘录,2020年8月20日。
55.斯坦泰克矿业,2020年。项目设计标准-工艺-修订版1-佛罗伦萨铜矿项目,亚利桑那州钱德勒,2021年7月8日,1-25页。
56.Stubben,M.A.和LaBrecque,J.J.,1997年。ERT Monitoring of Phase I-In-Site Leaching Report for BHP Copper Company:unpublished report prepared by Stubben and LaBreque,University of Arizona,14 pp。
57.Taseko Mines Limited,2017年。NI 43-101技术报告-Florence铜矿项目,Florence,Pinal County,Arizona:已发布的报告可在www.sedar.com上查阅,2017年2月28日,250页。
| 第27节 | 参考资料 | 第6页 |
27.1参考文献-续
58.Titley,E.,Yang,G.和Hoag,C.,2011年。Curis 2011年钻探计划操作手册:未出版的手册,由Hunter Dickenson Services Inc.和SRK Consulting编写,2011年4月,第74页。
59.Titley,S. R.和Hicks,C. L.,eds.,1966年。北美洲西南部斑岩铜矿床地质学:图森,亚利桑那大学出版社,287页。
60.亚利桑那大学,1975年。Conoco Florence项目内的史前资源开发。亚利桑那州立博物馆考古系列第62期。亚利桑那大学,图森。
61.亚利桑那大学,1976年。沙漠资源和Hohokam生计:Conoco Florence项目。亚利桑那州立博物馆考古系列第103期。亚利桑那大学,图森。
62.亚利桑那大学,1977年。埃斯卡兰特遗址群中的经典时期Hohokam。未发表的博士论文,人类学系,亚利桑那大学图森分校。
63.西部文化资源管理公司初步报告。第一阶段考古数据回收,以支持拟议的Florence Copper Inc.原地铜回收项目生产试验设施,Florence,Pinal County,Arizona:2016年10月27日。
64.Western Cultural Resource Management,Inc. Historic Properties Treatment Plan For the Proposed Florence Copper Project Phase 2 Commercial Development,Florence,Pinal County,Arizona:October,2020,Proposed Florence Copper Project Phase 2 Comm
65.Westland Resources,Inc.,2011。生物评价,佛罗伦萨铜矿项目:2011年3月8日,11页,附录3。
66.威廉森,M.,1996年。金丝雀溶解动力学,pH1-3.5:BHP铜、水文和冶金评价:佛罗伦萨、亚利桑那州、佛罗伦萨项目最终预可行性报告,V. IV,附录IV-10,23页。
67.Windmiller,R.,1972年。位于亚利桑那州佛罗伦萨附近的康菲公司佛罗伦萨项目区内的两个钻探点的考古打捞发掘。亚利桑那州立博物馆考古系列第8期。亚利桑那大学,图森。
Richard Tremblay,工程,工商管理硕士
12第西乔治亚街1040号
温哥华,BC V6E 4H1
我,Richard Tremblay,工程,工商管理硕士,温哥华,不列颠哥伦比亚省,兹证明:
(a)我是Taseko Mines Limited的雇员,在12岁时有一间营业所第不列颠哥伦比亚省温哥华市西乔治亚街1040号。作为高级运营副总裁,我代表Taseko Mines Limited与他人共同撰写了这份关于佛罗伦萨铜矿项目矿产储量的技术报告。
b)本证书适用于2023年3月30日生效日期为2023年3月15日的题为“NI 43-101技术报告Florence Copper Project,Florence,Pinal County,Arizona”的技术报告(“技术报告”)。
c)我是安大略省金斯敦皇后大学的毕业生(化学工程理学学士)。自1989年毕业以来,我已经从事了34年的专业工作,担任过各种职务,包括矿场总经理、部门主管,以及项目和过程工程方面的职务。我是不列颠哥伦比亚省工程师和地球科学家协会信誉良好的会员,执业证号为21744。由于我的经验和资格,我是国家文书43-101矿产项目披露标准(“NI 43-101”)所界定的合格人员。
d)我最近一次亲自检查Florence Copper资产是在2023年3月20日至24日。
e)我负责编写技术报告第1至5、19、20和23至27节。
f)本人并非独立于Taseko Mines Limited。
g)我已阅读了第NI43-101号文件,《技术报告》是按照第NI43-101号文件编写的。
h)我以前曾参与《技术报告》所涉财产。自2019年以来,我一直在监督Taseko的网站运营和行政级别的许可活动。
i)自技术报告生效之日起,据我所知和所获信息,我认为技术报告载有为使技术报告不具有误导性而必须披露的所有科学和技术信息。
30日在不列颠哥伦比亚省温哥华签署第2023年3月。
“签名盖章”
Richard Tremblay,工程,工商管理硕士
EGBC执业许可:1000785
Richard Weymark,P.Eng.,MBA
12第西乔治亚街1040号
温哥华,BC V6E 4H1
我,Richard Weymark,P.Eng.,MBA,温哥华,不列颠哥伦比亚省,兹证明:
(a)我是Taseko Mines Limited的雇员,在12岁时有一间营业所第不列颠哥伦比亚省温哥华市西乔治亚街1040号。作为工程副总裁,我代表Taseko Mines Limited共同撰写了这份关于佛罗伦萨铜矿项目矿产储量的技术报告。
b)本证书适用于2023年3月30日生效日期为2023年3月15日的题为“NI 43-101技术报告Florence Copper Project,Florence,Pinal County,Arizona”的技术报告(“技术报告”)。
c)我毕业于卑诗省温哥华的不列颠哥伦比亚大学(采矿工程学士)。自2008年毕业以来,我已经从事了15年的专业工作,担任过各种职务,包括主管职位、监督矿山设计和规划、资源和储量估算、露天矿作业、业务改进、尾矿坝建设、成本估算、环境评估和项目评估。我是不列颠哥伦比亚省工程师和地球科学家协会的一名信誉良好的会员,执照号46355。由于我的经验和资格,我是国家文书43-101矿产项目披露标准(“NI 43-101”)所界定的合格人员。
d)我最近一次亲自视察Florence Copper地产是从3月10日第至13第, 2020.
e)我负责编写技术报告第6至12、14和15节。
f)本人并非独立于Taseko Mines Limited。
g)我已阅读了第NI43-101号文件,《技术报告》是按照第NI43-101号文件编写的。
h)我以前曾参与《技术报告》所涉财产。我自2018年7月起受雇于Taseko Mines Limited,自那时起对PTF运营的各个技术方面和商业许可提供行政监督。
i)自技术报告生效之日起,据我所知和所获信息,我认为技术报告载有为使技术报告不具有误导性而必须披露的所有科学和技术信息。
30日在不列颠哥伦比亚省温哥华签署第2023年3月。
“签名盖章”
Richard Weymark,P.Eng.,MBA
EGBC执业许可:1000785
Robert J. Rotzinger,P.Eng。
12第西乔治亚街1040号
温哥华,BC V6E 4H1
我,不列颠哥伦比亚省温哥华的Robert J. Rotzinger,P.Eng.,兹证明:
(a)我是Taseko Mines Limited的雇员,在12岁时有一间营业所第不列颠哥伦比亚省温哥华市西乔治亚街1040号。作为资本项目副总裁,我代表Taseko Mines Limited与他人共同撰写了这份关于佛罗伦萨铜矿项目矿产储量的技术报告。
b)本证书适用于2023年3月30日生效日期为2023年3月15日的题为“NI 43-101技术报告Florence Copper Project,Florence,Pinal County,Arizona”的技术报告(“技术报告”)。
c)我毕业于不列颠哥伦比亚省温哥华的不列颠哥伦比亚大学(机械工程学士)。自1992年毕业以来,我已经从事了31年的专业工作。我是不列颠哥伦比亚省工程师和地球科学家协会信誉良好的会员,执照编号23449。由于我的经验和资格,我是国家文书43-101矿产项目披露标准(“NI 43-101”)所界定的合格人员。
d)我最近一次亲自检查Florence Copper资产是在2023年2月15日至17日。
e)我负责编写技术报告第13、16至18、21和22节。
f)本人并非独立于Taseko Mines Limited。
g)我已阅读了第NI43-101号文件,《技术报告》是按照第NI43-101号文件编写的。
h)我以前曾参与《技术报告》所涉财产。自2014年以来,我一直监督对该项目进行的冶金测试和分析,负责PTF的建设和调试,并对商业设施的工程和采购活动进行行政监督。
i)自技术报告生效之日起,据我所知和所获信息,我认为技术报告载有为使技术报告不具有误导性而必须披露的所有科学和技术信息。
30日在不列颠哥伦比亚省温哥华签署第2023年3月。
“签名盖章”
Robert J. Rotzinger,P.Eng。
EGBC执业许可:1000785